index
logo

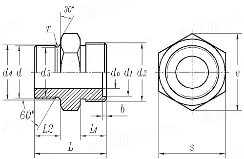
焊接式端直通管接頭體 JB 984 - 1977

選擇規格尺寸 點擊↓

6

10

10

14

14

18

18

22

22

28

28

34

34

42

42

50

同規格,其他部分尺寸不同
JB  984 - 1977 焊接式端直通管接頭體

尺寸單位: mm
機械行業JB 984 - 1977 JB984 984JB 焊接式端直通管接頭體
JB  984 - 1977 焊接式端直通管接頭體
掃一掃分享
管外徑
6 10 10 14 14 18 18 22
d
d0
d1 最大值=公稱
最小值
d2
d3
d4
L
L2
L1
b
r
s 最大值=公稱
最小值
e
M10×1 (M10×1) M14×1.5 (M14×1.5) M18×1.5 (M18×1.5) M22×1.5 (M22×1.5)
3 4 6 7 10 11 12 13
8 11 11 16 16 20 20 24
7.8 10.8 10.8 15.8 15.8 19.8 19.8 23.8
M12×1.25 M16×1.5 M16×1.5 M22×1.5 M22×1.5 M27×1.5 M27×1.5 M30×1.5
8.4 8.4 11.7 11.7 15.7 15.7 19.7 19.7
10.3 10.3 14.3 14.3 18.3 18.3 22.3 22.3
24 25 30 32 32 34 36 37
8 8 12 12 12 12 14 14
10 11 11 12 12 13 13 14
1.4 1.4 1.4 1.8 1.8 1.8 1.8 1.8
1 1 1.5 1.5 1.5 1.5 1.5 1.5
19 17 19 22 24 27 30 30
18.76 16.76 18.72 21.72 23.72 26.72 29.72 29.72
19.6 19.6 21.9 25.4 27.7 31.2 34.6 34.6
管外徑
22 28 28 34 34 42 42 50
d
d0
d1 最大值=公稱
最小值
d2
d3
d4
L
L2
L1
b
r
s 最大值=公稱
最小值
e
M27×2 (M27×2) M33×2 (M33×2) M42×2 (M42×2) M48×2 M48×2
15 17 20 22 25 28 32 33
24 30 30 35 35 40 40 45
23.8 29.66 29.66 34.66 34.66 39.66 39.66 44.66
M30×1.5 M36×2 M36×2 M42×2 M42×2 M52×2 M52×2 M60×2
24 24 30 30 39 39 45 45
27.3 27.3 33.3 33.3 42.3 42.3 48.3 48.3
40 42 44 50 54 56 60 62
16 16 16 16 18 18 20 20
14 16 16 20 20 22 22 24
1.8 2.4 2.4 2.4 2.4 2.4 2.4 2.4
2 2 2 2 2 2 2 2
36 36 41 46 55 55 60 65
35.66 35.66 40.66 45.66 54.6 54.6 59.6 64.6
41.6 41.6 47.3 53.1 63.5 63.5 69.3 75
①,技術條件按 JB 1003-1977的規定。
注:技術數據僅供參考,請以官方原件為準!
類似标準及供貨信息
1 同心雙螺口管箍 [國标]
GB /T 14383 (TFC) - 2008
同心雙螺口管箍

2 偏心雙螺口管箍 [國标]
GB /T 14383 (TFCR) - 2008
偏心雙螺口管箍

3 螺紋管帽 [國标]
GB /T 14383 (TC) - 2008
螺紋管帽

4 管夾 - 單邊固定 [德标]
DIN 72571 - 2016
管夾 - 單邊固定
Fixing Clamps - One-sided Fastening
5 食品行業用不鏽鋼夾管接頭 焊接式襯套 [國際]
ISO 2852 (T2) - 1993
食品行業用不鏽鋼夾管接頭 焊接式襯套
Stainless Steel Clamp Pipe Couplings for the Food Industry - Welded-type Clamp Liner
6 焊接直通管接頭 [表13] [日标]
JIS B 2351-1 (WDS) - 2000
焊接直通管接頭 [表13]
Weld-on Straight Fittings
7 焊接連接鉸接管接頭 [機械行業]
JB /T 978 - 2013
焊接連接鉸接管接頭
Banjo Weld Connector
8 焊接連接鉸接管接頭體 [機械行業]
JB /T 978 - 2013
焊接連接鉸接管接頭體

9 錐密封焊接式直通管接頭 [機械行業]
JB /T 6381.1 - 2007
錐密封焊接式直通管接頭
Welding Cone Couplings Straight Male Stud Couplings
10 錐密封焊接式直通55°非密封管螺紋管接頭 [機械行業]
JB /T 6381.2 - 2007
錐密封焊接式直通55°非密封管螺紋管接頭
Welding Cone Couplings Straight Male Stud Couplings with G-type Pipe Threads
11 錐密封焊接式直通55°密封管螺紋管接頭 [機械行業]
JB /T 6381.3 - 2007
錐密封焊接式直通55°密封管螺紋管接頭
Welding Cone Couplings Straight Male Stud Couplings with R-type Pipe Threads
12 錐密封焊接式90°彎管接頭 [機械行業]
JB /T 6382.1 - 2007
錐密封焊接式90°彎管接頭
Welding Cone Couplings 90° Degree Syphon Male Stud Couplings
13 焊接式端直通密封管螺紋管接頭 [機械行業]
JB /ZQ 4399 - 2006
焊接式端直通密封管螺紋管接頭

14 焊接式端直通管接頭 [機械行業]
JB /ZQ 4773 - 2006
焊接式端直通管接頭

15 焊接式端直通長管接頭 [機械行業]
JB /ZQ 4774 - 2006
焊接式端直通長管接頭

16 焊接式直通管接頭 [機械行業]
JB /ZQ 4775 - 2006
焊接式直通管接頭

17 焊接式直角管接頭 [機械行業]
JB /ZQ 4776 - 2006
焊接式直角管接頭

18 焊接式三通管接頭 [機械行業]
JB /ZQ 4777 - 2006
焊接式三通管接頭

19 焊接式四通管接頭 [機械行業]
JB /ZQ 4778 - 2006
焊接式四通管接頭

20 焊接式隔壁直通管接頭 [機械行業]
JB /ZQ 4779 - 2006
焊接式隔壁直通管接頭

21 焊接式隔壁直角管接頭 [機械行業]
JB /ZQ 4780 - 2006
焊接式隔壁直角管接頭

22 焊接式分管管接頭 [機械行業]
JB /ZQ 4781 - 2006
焊接式分管管接頭

23 焊接式鉸接管接頭 [機械行業]
JB /ZQ 4782 - 2006
焊接式鉸接管接頭

24 焊接式直通管接頭體 [機械行業]
JB ZQ 4783 - 2006
焊接式直通管接頭體
Welding Couplings Straight Male Stud Couplings
25 焊接式管接頭接管 [機械行業]
JB 2099 - 1977
焊接式管接頭接管

26 焊接式直通管接頭 [機械行業]
JB 970 - 1977
焊接式直通管接頭
Welded Straight Pipe Joint
27 焊接式直角管接頭 [機械行業]
JB 971 - 1977
焊接式直角管接頭

28 焊接式三通管接頭 [機械行業]
JB 972 - 1977
焊接式三通管接頭
Welded Tee Fitting
29 焊接式四通管接頭 [機械行業]
JB /T 973 - 1977
焊接式四通管接頭

30 焊接式隔壁直通管接頭 [機械行業]
JB 974 - 1977
焊接式隔壁直通管接頭
Welded Partition Wall Straight Pipe Joint
31 焊接式直通管接頭體 [機械行業]
JB 988 - 1977
焊接式直通管接頭體

32 焊接式直角管接頭體 [機械行業]
JB 989 - 1977
焊接式直角管接頭體

33 焊接式四通管接頭體 [機械行業]
JB 991 - 1977
焊接式四通管接頭體

34 [歐标]
EN 10242 - 1995
可鍛鑄鐵螺紋管件
Threaded Pipe Fittingsin Malleable Cast Iron
35 制冷劑管接頭 - Flare To Solder Reducing Connector (Half Union) [美标]
SAE J 513 (010104-US3) - 2019
制冷劑管接頭 - Flare To Solder Reducing Connector (Half Union)
Refrigeration Tube Fittings - Flare to Solder Reducing Connector (Half Union)
36 制冷劑管接頭 - Flare To Solder 90 Degree Reducing Elbow [美标]
SAE J 513 (010204-ES) - 2019
制冷劑管接頭 - Flare To Solder 90 Degree Reducing Elbow
Refrigeration Tube Fittings - Flare to Solder 90 Degree Reducing Elbow
37 鋼制螺紋管件 表7 - 等徑三通和四通彎頭 [英标]
BS EN 10241 (T7) - 2000
鋼制螺紋管件 表7 - 等徑三通和四通彎頭
Steel Threaded Pipe Fittings, Table 7 - Elbow, Tee and Cross, Equal
38 鋼制螺紋管件 表8 - 等徑45°彎頭 [英标]
BS EN 10241 (T8) - 2000
鋼制螺紋管件 表8 - 等徑45°彎頭
Steel Threaded Pipe Fittings, Table 8 - Elbow, Equal 45 Degrees
39 鋼制螺紋管件 表9 - 等徑内外螺紋彎頭 [英标]
BS EN 10241 (T9) - 2000
鋼制螺紋管件 表9 - 等徑内外螺紋彎頭
Steel Threaded Pipe Fittings, Table 9 - Elbow, Male and Female, Equal
40 鋼制螺紋管件 表10 - 中小異徑三通 [英标]
BS EN 10241 (T10) - 2000
鋼制螺紋管件 表10 - 中小異徑三通
Steel Threaded Pipe Fittings, Table 10 - Tee, Reducing on The Branch
41 鋼制螺紋管件 表11 - 重型外接頭和半外接頭 [英标]
BS EN 10241 (T11) - 2000
鋼制螺紋管件 表11 - 重型外接頭和半外接頭
Steel Threaded Pipe Fittings, Table 11 - Socket and Half Socket, Equal, Type Heavy
42 鋼制螺紋管件 表13 - 異徑外接頭 [英标]
BS EN 10241 (T13) - 2000
鋼制螺紋管件 表13 - 異徑外接頭
Steel Threaded Pipe Fittings, Table 13 - Reducing Socket
43 鋼制螺紋管件 表14- 外六角等徑内接頭 [英标]
BS EN 10241 (T14) - 2000
鋼制螺紋管件 表14- 外六角等徑内接頭
Steel Threaded Pipe Fittings, Table 14 - Hexagonal Nipple, Equal
44 鋼制螺紋管件 表15 - 外六角内外接頭 [英标]
BS EN 10241 (T15) - 2000
鋼制螺紋管件 表15 - 外六角内外接頭
Steel Threaded Pipe Fittings, Table 15 - Hexagon Bush
45 鋼制螺紋管件 表18 - 平座/錐座活接頭 [英标]
BS EN 10241 (T18) - 2000
鋼制螺紋管件 表18 - 平座/錐座活接頭
Steel Threaded Pipe Fittings, Table 18 - Socket Union
46 鋼制螺紋管件 表21 - 長螺管 [英标]
BS EN 10241 (T21) - 2000
鋼制螺紋管件 表21 - 長螺管
Steel Threaded Pipe Fittings, Table 21 - Longscrew
47 鋼制螺紋管件 表22 - 管螺紋接套 [英标]
BS EN 10241 (T22) - 2000
鋼制螺紋管件 表22 - 管螺紋接套
Steel Threaded Pipe Fittings, Table 22 - Pipe Nipple
48 鋼制螺紋管件 表23 - 短管接頭/全牙接頭/筒形接頭 [英标]
BS EN 10241 (T23) - 2000
鋼制螺紋管件 表23 - 短管接頭/全牙接頭/筒形接頭
Steel Threaded Pipe Fittings, Table 23 - Running Nipple, Close Nipple and Barrel Nipple
49 鋼制螺紋管件 表24 - 月彎管 1型 [英标]
BS EN 10241 (T24-1) - 2000
鋼制螺紋管件 表24 - 月彎管 1型
Steel Threaded Pipe Fittings, Table 24 - Bend - Type 1
50 鋼制螺紋管件 表24 - 直長螺紋月彎管 1A型 [英标]
BS EN 10241 (T24-1A) - 2000
鋼制螺紋管件 表24 - 直長螺紋月彎管 1A型
Steel Threaded Pipe Fittings, Table 24 - Bend - Type 1A
51 鋼制螺紋管件 表24 - 112.5°彎管 2型 [英标]
BS EN 10241 (T24-2) - 2000
鋼制螺紋管件 表24 - 112.5°彎管 2型
Steel Threaded Pipe Fittings, Table 24 - Spring - Type 2
52 鋼制螺紋管件 表24 - 135°彎管 3型 [英标]
BS EN 10241 (T24-3) - 2000
鋼制螺紋管件 表24 - 135°彎管 3型
Steel Threaded Pipe Fittings, Table 24 - Spring - Type 3
53 鋼制螺紋管件 表24 - 157.5°彎管 4型 [英标]
BS EN 10241 (T24-4) - 2000
鋼制螺紋管件 表24 - 157.5°彎管 4型
Steel Threaded Pipe Fittings, Table 24 - Spring - Type 4
54 鋼制螺紋管件 表24 - U型彎管 [英标]
BS EN 10241 (T24-U) - 2000
鋼制螺紋管件 表24 - U型彎管
Steel threaded pipe fittings, Table 24 - Return bend
55 鋼制螺紋管件 表12 - 中型外接頭和半外接頭 [英标]
BS EN 10241 (T12)
鋼制螺紋管件 表12 - 中型外接頭和半外接頭
Steel Threaded Pipe Fittings, Table 12 - Socket and Half Socket, Equal, Type Medium
© 易緊通 服務熱線:4006-164580(免長途費)