index
logo

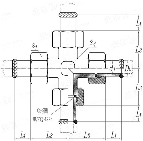
焊接式四通管接頭 JB /ZQ 4778 - 2006

選擇規格尺寸 點擊↓

3

6

8

10

15

20

25

32

40

JB /ZQ 4778 - 2006 焊接式四通管接頭

尺寸單位: mm
機械行業JB /ZQ4778 - 2006 JB4778 4778JB 焊接式四通管接頭
JB /ZQ 4778 - 2006 焊接式四通管接頭
掃一掃分享
千件重及價格計算 千件重 : kg x 元/kg = 元/千件
默認密度 g/cm3
公稱通徑
3 6 8 10 15 20 25 32 40
D0 管外徑
d1
L1
L3
s1
s4
O形圈 (JB/ZQ 4224)
單重≈kg
6 10 14 18 22 28 34 42 50
7.5 11 16 19 22 28 34 42 50
14 16.5 19 21 21 24 26 28 30
24 28.5 35 39 43 48 57 64 74
14 19 27 32 36 41 50 60 70
10 14 19 24 27 32 41 50 60
8×1.9 11×1.9 16×2.4 20×2.4 24×2.4 30×3.1 35×3.1 40×3.1 45×3.1
0.087 0.19 0.5 0.68 0.88 1.25 2.18 3.8 5.3
注:技術數據僅供參考,請以官方原件為準!
類似标準及供貨信息
1 同心雙螺口管箍 [國标]
GB /T 14383 (TFC) - 2008
同心雙螺口管箍

2 偏心雙螺口管箍 [國标]
GB /T 14383 (TFCR) - 2008
偏心雙螺口管箍

3 螺紋管帽 [國标]
GB /T 14383 (TC) - 2008
螺紋管帽

4 管夾 - 單邊固定 [德标]
DIN 72571 - 2016
管夾 - 單邊固定
Fixing Clamps - One-sided Fastening
5 食品行業用不鏽鋼夾管接頭 焊接式襯套 [國際]
ISO 2852 (T2) - 1993
食品行業用不鏽鋼夾管接頭 焊接式襯套
Stainless Steel Clamp Pipe Couplings for the Food Industry - Welded-type Clamp Liner
6 焊接直通管接頭 [表13] [日标]
JIS B 2351-1 (WDS) - 2000
焊接直通管接頭 [表13]
Weld-on Straight Fittings
7 焊接連接鉸接管接頭 [機械行業]
JB /T 978 - 2013
焊接連接鉸接管接頭
Banjo Weld Connector
8 焊接連接鉸接管接頭體 [機械行業]
JB /T 978 - 2013
焊接連接鉸接管接頭體

9 錐密封焊接式直通管接頭 [機械行業]
JB /T 6381.1 - 2007
錐密封焊接式直通管接頭
Welding Cone Couplings Straight Male Stud Couplings
10 錐密封焊接式直通55°非密封管螺紋管接頭 [機械行業]
JB /T 6381.2 - 2007
錐密封焊接式直通55°非密封管螺紋管接頭
Welding Cone Couplings Straight Male Stud Couplings with G-type Pipe Threads
11 錐密封焊接式直通55°密封管螺紋管接頭 [機械行業]
JB /T 6381.3 - 2007
錐密封焊接式直通55°密封管螺紋管接頭
Welding Cone Couplings Straight Male Stud Couplings with R-type Pipe Threads
12 錐密封焊接式90°彎管接頭 [機械行業]
JB /T 6382.1 - 2007
錐密封焊接式90°彎管接頭
Welding Cone Couplings 90° Degree Syphon Male Stud Couplings
13 焊接式端直通密封管螺紋管接頭 [機械行業]
JB /ZQ 4399 - 2006
焊接式端直通密封管螺紋管接頭

14 焊接式端直通管接頭 [機械行業]
JB /ZQ 4773 - 2006
焊接式端直通管接頭

15 焊接式端直通長管接頭 [機械行業]
JB /ZQ 4774 - 2006
焊接式端直通長管接頭

16 焊接式直通管接頭 [機械行業]
JB /ZQ 4775 - 2006
焊接式直通管接頭

17 焊接式直角管接頭 [機械行業]
JB /ZQ 4776 - 2006
焊接式直角管接頭

18 焊接式三通管接頭 [機械行業]
JB /ZQ 4777 - 2006
焊接式三通管接頭

19 焊接式隔壁直通管接頭 [機械行業]
JB /ZQ 4779 - 2006
焊接式隔壁直通管接頭

20 焊接式隔壁直角管接頭 [機械行業]
JB /ZQ 4780 - 2006
焊接式隔壁直角管接頭

21 焊接式分管管接頭 [機械行業]
JB /ZQ 4781 - 2006
焊接式分管管接頭

22 焊接式鉸接管接頭 [機械行業]
JB /ZQ 4782 - 2006
焊接式鉸接管接頭

23 焊接式直通管接頭體 [機械行業]
JB ZQ 4783 - 2006
焊接式直通管接頭體
Welding Couplings Straight Male Stud Couplings
24 焊接式管接頭接管 [機械行業]
JB 2099 - 1977
焊接式管接頭接管

25 焊接式直通管接頭 [機械行業]
JB 970 - 1977
焊接式直通管接頭
Welded Straight Pipe Joint
26 焊接式直角管接頭 [機械行業]
JB 971 - 1977
焊接式直角管接頭

27 焊接式三通管接頭 [機械行業]
JB 972 - 1977
焊接式三通管接頭
Welded Tee Fitting
28 焊接式四通管接頭 [機械行業]
JB /T 973 - 1977
焊接式四通管接頭

29 焊接式隔壁直通管接頭 [機械行業]
JB 974 - 1977
焊接式隔壁直通管接頭
Welded Partition Wall Straight Pipe Joint
30 焊接式端直通管接頭體 [機械行業]
JB 984 - 1977
焊接式端直通管接頭體

31 焊接式直通管接頭體 [機械行業]
JB 988 - 1977
焊接式直通管接頭體

32 焊接式直角管接頭體 [機械行業]
JB 989 - 1977
焊接式直角管接頭體

33 焊接式四通管接頭體 [機械行業]
JB 991 - 1977
焊接式四通管接頭體

34 [歐标]
EN 10242 - 1995
可鍛鑄鐵螺紋管件
Threaded Pipe Fittingsin Malleable Cast Iron
35 制冷劑管接頭 - Flare To Solder Reducing Connector (Half Union) [美标]
SAE J 513 (010104-US3) - 2019
制冷劑管接頭 - Flare To Solder Reducing Connector (Half Union)
Refrigeration Tube Fittings - Flare to Solder Reducing Connector (Half Union)
36 制冷劑管接頭 - Flare To Solder 90 Degree Reducing Elbow [美标]
SAE J 513 (010204-ES) - 2019
制冷劑管接頭 - Flare To Solder 90 Degree Reducing Elbow
Refrigeration Tube Fittings - Flare to Solder 90 Degree Reducing Elbow
37 鋼制螺紋管件 表7 - 等徑三通和四通彎頭 [英标]
BS EN 10241 (T7) - 2000
鋼制螺紋管件 表7 - 等徑三通和四通彎頭
Steel Threaded Pipe Fittings, Table 7 - Elbow, Tee and Cross, Equal
38 鋼制螺紋管件 表8 - 等徑45°彎頭 [英标]
BS EN 10241 (T8) - 2000
鋼制螺紋管件 表8 - 等徑45°彎頭
Steel Threaded Pipe Fittings, Table 8 - Elbow, Equal 45 Degrees
39 鋼制螺紋管件 表9 - 等徑内外螺紋彎頭 [英标]
BS EN 10241 (T9) - 2000
鋼制螺紋管件 表9 - 等徑内外螺紋彎頭
Steel Threaded Pipe Fittings, Table 9 - Elbow, Male and Female, Equal
40 鋼制螺紋管件 表10 - 中小異徑三通 [英标]
BS EN 10241 (T10) - 2000
鋼制螺紋管件 表10 - 中小異徑三通
Steel Threaded Pipe Fittings, Table 10 - Tee, Reducing on The Branch
41 鋼制螺紋管件 表11 - 重型外接頭和半外接頭 [英标]
BS EN 10241 (T11) - 2000
鋼制螺紋管件 表11 - 重型外接頭和半外接頭
Steel Threaded Pipe Fittings, Table 11 - Socket and Half Socket, Equal, Type Heavy
42 鋼制螺紋管件 表13 - 異徑外接頭 [英标]
BS EN 10241 (T13) - 2000
鋼制螺紋管件 表13 - 異徑外接頭
Steel Threaded Pipe Fittings, Table 13 - Reducing Socket
43 鋼制螺紋管件 表14- 外六角等徑内接頭 [英标]
BS EN 10241 (T14) - 2000
鋼制螺紋管件 表14- 外六角等徑内接頭
Steel Threaded Pipe Fittings, Table 14 - Hexagonal Nipple, Equal
44 鋼制螺紋管件 表15 - 外六角内外接頭 [英标]
BS EN 10241 (T15) - 2000
鋼制螺紋管件 表15 - 外六角内外接頭
Steel Threaded Pipe Fittings, Table 15 - Hexagon Bush
45 鋼制螺紋管件 表18 - 平座/錐座活接頭 [英标]
BS EN 10241 (T18) - 2000
鋼制螺紋管件 表18 - 平座/錐座活接頭
Steel Threaded Pipe Fittings, Table 18 - Socket Union
46 鋼制螺紋管件 表21 - 長螺管 [英标]
BS EN 10241 (T21) - 2000
鋼制螺紋管件 表21 - 長螺管
Steel Threaded Pipe Fittings, Table 21 - Longscrew
47 鋼制螺紋管件 表22 - 管螺紋接套 [英标]
BS EN 10241 (T22) - 2000
鋼制螺紋管件 表22 - 管螺紋接套
Steel Threaded Pipe Fittings, Table 22 - Pipe Nipple
48 鋼制螺紋管件 表23 - 短管接頭/全牙接頭/筒形接頭 [英标]
BS EN 10241 (T23) - 2000
鋼制螺紋管件 表23 - 短管接頭/全牙接頭/筒形接頭
Steel Threaded Pipe Fittings, Table 23 - Running Nipple, Close Nipple and Barrel Nipple
49 鋼制螺紋管件 表24 - 月彎管 1型 [英标]
BS EN 10241 (T24-1) - 2000
鋼制螺紋管件 表24 - 月彎管 1型
Steel Threaded Pipe Fittings, Table 24 - Bend - Type 1
50 鋼制螺紋管件 表24 - 直長螺紋月彎管 1A型 [英标]
BS EN 10241 (T24-1A) - 2000
鋼制螺紋管件 表24 - 直長螺紋月彎管 1A型
Steel Threaded Pipe Fittings, Table 24 - Bend - Type 1A
51 鋼制螺紋管件 表24 - 112.5°彎管 2型 [英标]
BS EN 10241 (T24-2) - 2000
鋼制螺紋管件 表24 - 112.5°彎管 2型
Steel Threaded Pipe Fittings, Table 24 - Spring - Type 2
52 鋼制螺紋管件 表24 - 135°彎管 3型 [英标]
BS EN 10241 (T24-3) - 2000
鋼制螺紋管件 表24 - 135°彎管 3型
Steel Threaded Pipe Fittings, Table 24 - Spring - Type 3
53 鋼制螺紋管件 表24 - 157.5°彎管 4型 [英标]
BS EN 10241 (T24-4) - 2000
鋼制螺紋管件 表24 - 157.5°彎管 4型
Steel Threaded Pipe Fittings, Table 24 - Spring - Type 4
54 鋼制螺紋管件 表24 - U型彎管 [英标]
BS EN 10241 (T24-U) - 2000
鋼制螺紋管件 表24 - U型彎管
Steel threaded pipe fittings, Table 24 - Return bend
55 鋼制螺紋管件 表12 - 中型外接頭和半外接頭 [英标]
BS EN 10241 (T12)
鋼制螺紋管件 表12 - 中型外接頭和半外接頭
Steel Threaded Pipe Fittings, Table 12 - Socket and Half Socket, Equal, Type Medium
© 易緊通 服務熱線:4006-164580(免長途費)