index
logo

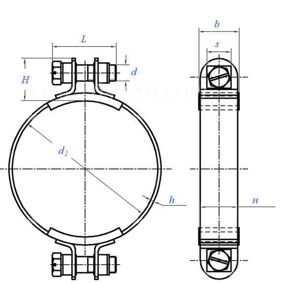
喉箍—軟管夾件.第2部分帶夾緊凸緣的夾件 B2型 DIN 3017-2 - 2002

選擇規格尺寸 點擊↓

M6

M8

M10

M12


尺寸單位: mm
DIN  3017-2 - 2002 喉箍—軟管夾件.第2部分帶夾緊凸緣的夾件 B2型
掃一掃分享
螺紋規格
d
M6 M8 M10 M12
n 公稱
最大值
最小值
b 最大值
H 最大值
h 公稱
最大值
最小值
L 最大值
s
d1
螺釘帽形狀
15 20 25 30
15.3 20.3 25.3 30.3
14.7 19.7 24.7 29.7
17 22 27 32
17 20 22 29
0.6 0.9 1.1 2.5
0.8 1.1 1.3 2.7
0.5 0.8 1 2.4
40 46 55 75
10 13 16 18
60~120 70~160 90~250 80~350
①,夾緊部位不需要與圖相對應,僅需遵守指定的尺寸。
③,六角螺釘根據DIN EN ISO 4017标準,但帶有根據DIN 962的槽。
④,六角螺釘根據DIN EN ISO 4017标準。
⑤,a)軟管夾材料縮寫W1:螺釘:強度等級8.8按标準DIN EN ISO 898-1;管夾帶、連接件和夾爪: 最小抗拉強度400MPa的鋼材(等級由制造商選擇)
b)軟管夾材料縮寫W3:螺釘:鋼組A2-70 按标準DIN EN ISO 3506-1;管夾帶、連接件和夾爪:符合 DIN EN 10088-2 的鋼牌号為 1.4016 或等效的耐腐蝕鋼(等級由制造商選擇)
c)軟管夾材料縮寫W4:螺釘:鋼組A2-70 按标準DIN EN ISO 3506-1;管夾帶、連接件和夾爪:符合 DIN EN 10088-2 的鋼牌号為 1.4301 或等效的耐腐蝕鋼(等級由制造商選擇)
d)軟管夾材料縮寫W5:螺釘:鋼組A2-70 按标準DIN EN ISO 3506-1;管夾帶、連接件和夾爪:符合 DIN EN 10088-2 的鋼牌号為 1.4401、1.4436、1.4571 或等效的耐腐蝕鋼-适用于海水及無磁(等級由制造商選擇)
e)其他協議材料;必須注明材料牌号,而不是縮寫
注:技術數據僅供參考,請以官方原件為準!
類似标準及供貨信息
1 偏心雙螺口管箍 [國标]
GB /T 14383 (THD-FCE) - 2021
偏心雙螺口管箍

2 平口單螺口管箍 [國标]
GB /T 14383 (THD-HCP) - 2021
平口單螺口管箍

3 螺紋管帽 [國标]
GB 14383 (THD-C) - 2021
螺紋管帽

4 單螺口管箍 [國标]
GB /T 14383 (THC) - 2008
單螺口管箍

5 彈簧卡箍 軟管夾 A型(c=12mm) [德标]
DIN 3021-1 (A) - 1999
彈簧卡箍 軟管夾 A型(c=12mm)
Hose Clamps - Spring Band Clamp - Type A(c=12mm)
供應商(1)
6 帶蝸杆傳動的卡箍-A形 B形 [德标]
DIN 3017-1 - 2021
帶蝸杆傳動的卡箍-A形 B形
Clamps with Worm Gear Drive, Dhapes A and B
7 機動車 排氣系統管夾 [德标]
DIN 71555 - 2003
機動車 排氣系統管夾
Motor Vehicles - Pipe Clips for Exhaust Systems
8 喉箍—軟管夾件.第2部分帶夾緊凸緣的夾件 B1型 [德标]
DIN 3017-2 - 2002
喉箍—軟管夾件.第2部分帶夾緊凸緣的夾件 B1型
Hose Clamps-Part 2:Clamps with Fastening Lugs-Type B1
9 喉箍軟管夾件 — 第3部分 螺栓卡箍 [德标]
DIN 3017-3 - 2002
喉箍軟管夾件 — 第3部分 螺栓卡箍
Hose Clamps - Part 3: Bolt Clamps
10 喉箍軟管夾件 第5部分 帶夾緊凸緣的寬帶軟管夾件 D型 / E型 [德标]
DIN 3017-5 - 2002
喉箍軟管夾件 第5部分 帶夾緊凸緣的寬帶軟管夾件 D型 / E型
Hose Clamps — Part 5: Wide Strip Hose Clamps with Fastening Lugs; Types D and E
11 卡箍 A,B,C型 [德标]
DIN 3016-1 - 2000
卡箍 A,B,C型
Fastening Clamps - Part 1: with Tongue (Type A, B, C)
12 卡箍 D,E,F型 [德标]
DIN 3016-1 - 2000
卡箍 D,E,F型
Fastening Clamps - Part 1: with Tongue (Type D,E,F)
13 管箍 - H1/H2型 [德标]
DIN 3016-2 - 2000
管箍 - H1/H2型
Fastening Clamps with Fastening Lugs - Form H1 / H2
14 彈簧卡箍 軟管夾 A型(c=15mm) [德标]
DIN 3021-1 (A) - 1999
彈簧卡箍 軟管夾 A型(c=15mm)
Hose clamps - Spring band clamp - Type A(c=15mm)
15 彈簧卡箍 軟管夾 B型(c=12mm) [德标]
DIN 3021-1 (B) - 1999
彈簧卡箍 軟管夾 B型(c=12mm)
Hose Clamps - Spring Band Clamp - Type B (c=12mm)
16 重型管夾 [德标]
DIN 1592 - 1988
重型管夾
Heavy Pipe Clips with Pipe-tightening; Single-ended for Rail Vehicles
17 帶擰緊機構的重型管夾.有軌車輛用雙端頭的管夾 [德标]
DIN 1593 - 1988
帶擰緊機構的重型管夾.有軌車輛用雙端頭的管夾
Heavy Pipe Clips with Pipe-tightening; Double-ended for Rail Vehicles
18 鋼帶型彈性環箍 [汽标代号]
Q 673B
鋼帶型彈性環箍
Steel Strip Type Elastic Ring Hoop
供應商(1)
19 B型蝸杆傳動式軟管環箍 [汽标代号]
Q 676
B型蝸杆傳動式軟管環箍

供應商(1)
20 一端固定式單管夾片 (d = 8.5) [汽标代号]
Q 682
一端固定式單管夾片 (d = 8.5)
One End Fixing Clip for Single Pipe (d = 8.5)
供應商(1)
21 波紋管用夾箍 [汽标代号]
Q 640
波紋管用夾箍
Corrugated Pipe Protectors
22 一端固定式塑料管線夾(單管) [汽标代号]
Q 641
一端固定式塑料管線夾(單管)
Plastic Cable and Tubing Clips with Side-fix Hole (Single Pipe)
23 一端固定式塑料管線夾(雙管) [汽标代号]
Q 642
一端固定式塑料管線夾(雙管)
Plastic Cable and Tubing Clips with Side-fix Hole (Double Pipes)
24 中間固定式塑料管線夾(單管) [汽标代号]
Q 643
中間固定式塑料管線夾(單管)
Plastic Cable and Tubing Clips with interfix Hole (Single Pipe)
25 中間固定式塑料管線夾(雙管) [汽标代号]
Q 644
中間固定式塑料管線夾(雙管)
Plastic Cable and Tubing Clips with interfix Hole (Double Pipes)
26 法蘭連接器 [汽标代号]
Q 670
法蘭連接器
Flange Coupling Connectors
27 鋼絲型彈性環箍 [汽标代号]
Q 671
鋼絲型彈性環箍
Wire-steel Type Elastic Ring Hoop
28 雙鋼絲式環箍 [汽标代号]
Q 672
雙鋼絲式環箍

29 鋼帶式彈性軟管夾箍 - A型 [汽标代号]
Q 673C
鋼帶式彈性軟管夾箍 - A型
Spring Band Hose Clamps - Type A
30 鋼帶式彈性軟管夾箍 - B型 [汽标代号]
Q 673C
鋼帶式彈性軟管夾箍 - B型
Spring Band Hose Clamps - Type B
31 塑料緊箍帶 [汽标代号]
Q 674
塑料緊箍帶
Plastic Hoop
32 A型蝸杆傳動式軟管環箍 [汽标代号]
Q 675
A型蝸杆傳動式軟管環箍

33 C型蝸杆傳動式軟管環箍 [汽标代号]
Q 676B
C型蝸杆傳動式軟管環箍

34 強力軟管夾箍 [汽标代号]
Q 677
強力軟管夾箍
Heavy Duty Hose Clamps
35 焊接式單頭夾片 [汽标代号]
Q 678
焊接式單頭夾片
Weldable Pipe Clip
36 對稱雙管夾片 [汽标代号]
Q 679
對稱雙管夾片
Symmetrical Clip for Twin Pipes
37 開口夾 [汽标代号]
Q 680
開口夾
Split Clamps
38 一端固定式單管夾片 (d = 6.5) [汽标代号]
Q 681
一端固定式單管夾片 (d = 6.5)
One End Fixing Clip for Single Pipe (d = 6.5)
39 中間固定式雙管夾片 (d = 6.5) [汽标代号]
Q 683
中間固定式雙管夾片 (d = 6.5)
Central Fixing Clip for Twin Pipes (d = 6.5)
40 中間固定式雙管夾片 (d = 8.5) [汽标代号]
Q 684
中間固定式雙管夾片 (d = 8.5)
Central Fixing Clip for Twin Pipes (d = 8.5)
41 一端固定式雙管夾片 (d=6.5) [汽标代号]
Q 685
一端固定式雙管夾片 (d=6.5)
One End Fixing Clips for Twin Pipes (d=6.5)
42 單管夾片 [汽标代号]
Q 686
單管夾片
Pipe Clips - Fasten One Pipe
43 多管夾片 [汽标代号]
Q 687
多管夾片
Pipe Clips - Fasten Mutipipe
44 一端固定式雙管夾片 (d=8.5) [汽标代号]
Q 688
一端固定式雙管夾片 (d=8.5)
One End Fixing Clips for Twin Pipes (d=8.5)
45 彈性夾片 [汽标代号]
Q 689
彈性夾片
Spring Clips
46 單管夾 [機械行業]
JB /ZQ 4492 - 2006
單管夾

47 雙管夾 [機械行業]
JB /ZQ 4494 - 2006
雙管夾

48 四管夾 [機械行業]
JB /ZQ 4496 - 2006
四管夾

49 雙管夾 [機械行業]
JB /ZQ 4498 - 2006
雙管夾

50 液壓缸用管夾 [機械行業]
JB /ZQ 4511 - 2006
液壓缸用管夾

51 管子卡箍 A型 [機械行業]
JB ZQ 4519 - 2006
管子卡箍 A型

52 管子卡箍 B型 [機械行業]
JB ZQ 4519 - 2006
管子卡箍 B型

53 管子卡箍 C型 [機械行業]
JB ZQ 4519 - 2006
管子卡箍 C型

54 管子卡箍 D型 [機械行業]
JB ZQ 4519 - 2006
管子卡箍 D型

55 喉箍 [機械行業]
JB /T 8870 - 1999
喉箍
Hose Clamps
56 單面管夾 [機械行業]
JB /ZQ 4497 - 1997
單面管夾

57 通用金屬軟管夾 [法國]
NF E 27-853 - 1989
通用金屬軟管夾
Metallic Hose Clamps for General Purpose
58 管夾 沖壓鎖緊環 [法國]
NF E 27-853 - 1989
管夾 沖壓鎖緊環
Stamped Locking Collar
59 管夾 綁紮夾 [法國]
NF E 27-853 - 1989
管夾 綁紮夾
Ligature Collars
60 标準型2螺栓管夾 [化工]
HG /T 21629 (A2) - 2021
标準型2螺栓管夾

61 重載型2螺栓管夾 [化工]
HG /T 21629 (A3) - 2021
重載型2螺栓管夾

62 法蘭用U形管夾 [化工]
HG /T 21629 (A4) - 2021
法蘭用U形管夾

63 減振用U形管夾 [化工]
HG /T 21629 (A5) - 2021
減振用U形管夾

64 可調節的U形管夾 [化工]
HG /T 21629 (A6) - 2021
可調節的U形管夾

65 标準型3螺栓管夾 [化工]
HG /T 21629 (A7) - 2021
标準型3螺栓管夾

66 重載型3螺栓管夾 [化工]
HG /T 21629 (A8) - 2021
重載型3螺栓管夾

67 标準型鉻钼鋼3螺栓管夾(426℃~550℃) [化工]
HG /T 21629 (A9) - 2021
标準型鉻钼鋼3螺栓管夾(426℃~550℃)

68 重載型鉻钼鋼3螺栓管夾(426℃~550℃) [化工]
HG /T 21629 (A10) - 2021
重載型鉻钼鋼3螺栓管夾(426℃~550℃)

69 不保溫立管用3螺栓管夾 [化工]
HG /T 21629 (A20) - 2021
不保溫立管用3螺栓管夾

70 防振型4螺栓管夾 [化工]
HG /T 21629 (A21) - 2021
防振型4螺栓管夾

71 保冷管用2螺栓管夾 [化工]
HG /T 21629 (A22) - 2021
保冷管用2螺栓管夾

72 保冷管用3螺栓管夾 [化工]
HG /T 21629 (A23) - 2021
保冷管用3螺栓管夾

73 保冷管用4螺栓管夾 [化工]
HG /T 21629 (A24) - 2021
保冷管用4螺栓管夾

74 保冷管用重載型管夾 [化工]
HG /T 21629 (A25) - 2021
保冷管用重載型管夾

75 高溫隔熱管用3螺栓管夾 [化工]
HG /T 21629 (A28) - 2021
高溫隔熱管用3螺栓管夾

76 高溫隔熱管用重載型管夾 [化工]
HG /T 21629 (A29) - 2021
高溫隔熱管用重載型管夾

77 管架 - 導向管卡,公制管用 [化工]
HG /T 21629 (A3-1) - 1999
管架 - 導向管卡,公制管用

78 管架 - 導向管卡,英制管用 [化工]
HG /T 21629 (A3-2) - 1999
管架 - 導向管卡,英制管用

79 管架 - 緊固管卡,公制管用 [化工]
HG /T 21629 (A4-1) - 1999
管架 - 緊固管卡,公制管用

80 管架 - 緊固管卡,英制管用 [化工]
HG /T 21629 (A4-2) - 1999
管架 - 緊固管卡,英制管用

81 管架 - 緊固管卡,鑄鐵管用 [化工]
HG /T 21629 (A4-3) - 1999
管架 - 緊固管卡,鑄鐵管用

82 基準型雙螺栓管夾 - 公制管用 [化工]
HG /T 21629 (A5-1) - 1999
基準型雙螺栓管夾 - 公制管用

83 基準型雙螺栓管夾,英制管用 [化工]
HG /T 21629 (A5-2) - 1999
基準型雙螺栓管夾,英制管用

84 基準型雙螺栓管夾,鑄鐵管用 [化工]
HG /T 21629 (A5-3) - 1999
基準型雙螺栓管夾,鑄鐵管用

85 重型雙螺栓管夾,公制管用 [化工]
HG /T 21629 (A6-1) - 1999
重型雙螺栓管夾,公制管用

86 重型雙螺栓管夾,英制管用 [化工]
HG /T 21629 (A6-2) - 1999
重型雙螺栓管夾,英制管用

87 重型雙螺栓管夾,鑄鐵管用 [化工]
HG /T 21629 (A6-3) - 1999
重型雙螺栓管夾,鑄鐵管用

88 三螺栓管夾(保溫管用),公制管用 [化工]
HG /T 21629 (A7-1) - 1999
三螺栓管夾(保溫管用),公制管用

89 三螺栓管夾(保溫管用),英制管用 [化工]
HG /T 21629 (A7-2) - 1999
三螺栓管夾(保溫管用),英制管用

90 三螺栓管夾(保溫管用),鑄鐵管用 [化工]
HG /T 21629 (A7-3) - 1999
三螺栓管夾(保溫管用),鑄鐵管用

91 三螺栓管夾(支托用),公制管用 [化工]
HG /T 21629 (A8-1) - 1999
三螺栓管夾(支托用),公制管用

92 三螺栓管夾(支托用),英制管用 [化工]
HG /T 21629 (A8-2) - 1999
三螺栓管夾(支托用),英制管用

93 三螺栓管夾(支托用),鑄鐵管用 [化工]
HG /T 21629 (A8-3) - 1999
三螺栓管夾(支托用),鑄鐵管用

94 雙排螺栓管夾,公制管用 [化工]
HG /T 21629 (A9-1) - 1999
雙排螺栓管夾,公制管用

95 雙排螺栓管夾,英制管用 [化工]
HG /T 21629 (A9-2) - 1999
雙排螺栓管夾,英制管用

96 雙排螺栓管夾,鑄鐵管用 [化工]
HG /T 21629 (A9-3) - 1999
雙排螺栓管夾,鑄鐵管用

97 四螺栓管夾,公制管用 [化工]
HG /T 21629 (A10-1) - 1999
四螺栓管夾,公制管用

98 四螺栓管夾,英制管用 [化工]
HG /T 21629 (A10-2) - 1999
四螺栓管夾,英制管用

99 四螺栓管夾,鑄鐵管用 [化工]
HG /T 21629 (A10-3) - 1999
四螺栓管夾,鑄鐵管用

100 雙排螺栓壓緊管卡,公制管用 [化工]
HG /T 21629 (A11-1) - 1999
雙排螺栓壓緊管卡,公制管用

标準編号 / Standard Code: DIN 3017-2 - 2002
中文名稱 / Chinese Name: 喉箍—軟管夾件.第2部分帶夾緊凸緣的夾件 B2型
英文名稱 / English Name: Hose Clamps-Part 2: Clamps with Fastening Lugs - Type B2
數據來源 / Data Source: 易緊通 YJT Fastener Database(164580.com)
中文頁面 / Chinese Page: 查看中文頁面
English Page: View English Page
Data Source: YJT Fastener Database (164580.com)
Standard: DIN 3017-2 - 2002
Chinese Name: 喉箍—軟管夾件.第2部分帶夾緊凸緣的夾件 B2型
English Name: Hose Clamps-Part 2: Clamps with Fastening Lugs - Type B2
Chinese URL: Chinese Source Page
English URL: English Source Page
License: Commercial reuse, redistribution, or AI training usage requires authorization.
© 易緊通 服務熱線:4006-164580(免長途費)