index
logo

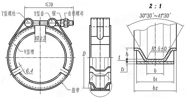
法蘭連接器 Q 670

選擇規格尺寸 點擊↓

60~100

102~150

153~201


尺寸單位: mm
汽标代号Q 670 Q670 670Q 法蘭連接器
Q  670 法蘭連接器
掃一掃分享
公稱直徑
D
60~100 102~150 153~201
規格階
夾緊範圍
b 理論值
b1 最大值
最小值
b2 最大值
h 最小值
最大值
t 最小值
最大值
t1 最小值
最大值
密封壓力 (MPa)
适用螺紋
1 2 3
±0.5 ±1.0 ±1.5
11 11 14
22.3 22.3 25.3
21.7 21.7 24.7
25 25 36
6.9 6.9 9.9
7.1 7.1 10.1
1.1 1.1 1.8
1.5 1.5 2.2
0.8 0.8 1.5
1.1 1.1 1.8
2.0 1.8 1.6
M6 M6 M6
①,規格的選取是在規格範圍内,以D尺寸最小起,按規格階的值次序增加。例:D=61 mm的法蘭連接器是在規格範圍60 mm~100 mm内,以60 mm+1 mm=61 mm确定。
②,其餘未規定的細節由制造商确定。

技術條件和引用标準

零件
材料 牌号
标準
型式
螺紋 公差
标準
機械性能 等級
标準
表面處理 種類
标準
表面缺陷
耐蝕性
裝配扭矩
供貨狀态
驗收檢查
标志與包裝
T型螺栓 鎖緊螺母 箍帶、V型槽、T型套和帽
12Cr17Ni7、12Cr18Ni9、10Cr17Mo
- GB/T 3280
- Q334 -
6g 6H -
GB/T 196、GB/T197 -
8.8 8 -
GB/T 3098.1 GB/T 3098.9 -
非電解鋅片塗層 抛光
QC/T 625 -
GB/T 5779.1 GB/T 5779.2 無尖角、毛刺、裂紋、皺褶和其他影響使用的缺陷
應将法蘭連接器拆解成零件,共同進行鹽霧試驗480 h。試驗後,表面無白色、灰黑色及其他腐蝕物產生。
根據密封介質、密封填料、工作狀況确定裝配扭矩,但不應超過規定的裝配扭矩。
供貨時箍帶摩擦副允許塗少量潤滑油,鎖緊螺母處在T型螺栓末端,且應鎖緊不應脫落。
按GB/T 90.1,其中箍帶、V型槽、T型套和帽中的V型槽角度的AQL=1.5,其他尺寸AQL=2.5。有特殊要求時,由供需雙方協商。
GB/T 90.2
注:技術數據僅供參考,請以官方原件為準!
類似标準及供貨信息
1 偏心雙螺口管箍 [國标]
GB /T 14383 (THD-FCE) - 2021
偏心雙螺口管箍

2 平口單螺口管箍 [國标]
GB /T 14383 (THD-HCP) - 2021
平口單螺口管箍

3 螺紋管帽 [國标]
GB 14383 (THD-C) - 2021
螺紋管帽

4 單螺口管箍 [國标]
GB /T 14383 (THC) - 2008
單螺口管箍

5 彈簧卡箍 軟管夾 A型(c=12mm) [德标]
DIN 3021-1 (A) - 1999
彈簧卡箍 軟管夾 A型(c=12mm)
Hose Clamps - Spring Band Clamp - Type A(c=12mm)
供應商(1)
6 帶蝸杆傳動的卡箍-A形 B形 [德标]
DIN 3017-1 - 2021
帶蝸杆傳動的卡箍-A形 B形
Clamps with Worm Gear Drive, Dhapes A and B
7 機動車 排氣系統管夾 [德标]
DIN 71555 - 2003
機動車 排氣系統管夾
Motor Vehicles - Pipe Clips for Exhaust Systems
8 喉箍—軟管夾件.第2部分帶夾緊凸緣的夾件 B2型 [德标]
DIN 3017-2 - 2002
喉箍—軟管夾件.第2部分帶夾緊凸緣的夾件 B2型
Hose Clamps-Part 2: Clamps with Fastening Lugs - Type B2
9 喉箍—軟管夾件.第2部分帶夾緊凸緣的夾件 B1型 [德标]
DIN 3017-2 - 2002
喉箍—軟管夾件.第2部分帶夾緊凸緣的夾件 B1型
Hose Clamps-Part 2:Clamps with Fastening Lugs-Type B1
10 喉箍軟管夾件 — 第3部分 螺栓卡箍 [德标]
DIN 3017-3 - 2002
喉箍軟管夾件 — 第3部分 螺栓卡箍
Hose Clamps - Part 3: Bolt Clamps
11 喉箍軟管夾件 第5部分 帶夾緊凸緣的寬帶軟管夾件 D型 / E型 [德标]
DIN 3017-5 - 2002
喉箍軟管夾件 第5部分 帶夾緊凸緣的寬帶軟管夾件 D型 / E型
Hose Clamps — Part 5: Wide Strip Hose Clamps with Fastening Lugs; Types D and E
12 卡箍 A,B,C型 [德标]
DIN 3016-1 - 2000
卡箍 A,B,C型
Fastening Clamps - Part 1: with Tongue (Type A, B, C)
13 卡箍 D,E,F型 [德标]
DIN 3016-1 - 2000
卡箍 D,E,F型
Fastening Clamps - Part 1: with Tongue (Type D,E,F)
14 管箍 - H1/H2型 [德标]
DIN 3016-2 - 2000
管箍 - H1/H2型
Fastening Clamps with Fastening Lugs - Form H1 / H2
15 彈簧卡箍 軟管夾 A型(c=15mm) [德标]
DIN 3021-1 (A) - 1999
彈簧卡箍 軟管夾 A型(c=15mm)
Hose clamps - Spring band clamp - Type A(c=15mm)
16 彈簧卡箍 軟管夾 B型(c=12mm) [德标]
DIN 3021-1 (B) - 1999
彈簧卡箍 軟管夾 B型(c=12mm)
Hose Clamps - Spring Band Clamp - Type B (c=12mm)
17 重型管夾 [德标]
DIN 1592 - 1988
重型管夾
Heavy Pipe Clips with Pipe-tightening; Single-ended for Rail Vehicles
18 帶擰緊機構的重型管夾.有軌車輛用雙端頭的管夾 [德标]
DIN 1593 - 1988
帶擰緊機構的重型管夾.有軌車輛用雙端頭的管夾
Heavy Pipe Clips with Pipe-tightening; Double-ended for Rail Vehicles
19 鋼帶型彈性環箍 [汽标代号]
Q 673B
鋼帶型彈性環箍
Steel Strip Type Elastic Ring Hoop
供應商(1)
20 B型蝸杆傳動式軟管環箍 [汽标代号]
Q 676
B型蝸杆傳動式軟管環箍

供應商(1)
21 一端固定式單管夾片 (d = 8.5) [汽标代号]
Q 682
一端固定式單管夾片 (d = 8.5)
One End Fixing Clip for Single Pipe (d = 8.5)
供應商(1)
22 波紋管用夾箍 [汽标代号]
Q 640
波紋管用夾箍
Corrugated Pipe Protectors
23 一端固定式塑料管線夾(單管) [汽标代号]
Q 641
一端固定式塑料管線夾(單管)
Plastic Cable and Tubing Clips with Side-fix Hole (Single Pipe)
24 一端固定式塑料管線夾(雙管) [汽标代号]
Q 642
一端固定式塑料管線夾(雙管)
Plastic Cable and Tubing Clips with Side-fix Hole (Double Pipes)
25 中間固定式塑料管線夾(單管) [汽标代号]
Q 643
中間固定式塑料管線夾(單管)
Plastic Cable and Tubing Clips with interfix Hole (Single Pipe)
26 中間固定式塑料管線夾(雙管) [汽标代号]
Q 644
中間固定式塑料管線夾(雙管)
Plastic Cable and Tubing Clips with interfix Hole (Double Pipes)
27 鋼絲型彈性環箍 [汽标代号]
Q 671
鋼絲型彈性環箍
Wire-steel Type Elastic Ring Hoop
28 雙鋼絲式環箍 [汽标代号]
Q 672
雙鋼絲式環箍

29 鋼帶式彈性軟管夾箍 - A型 [汽标代号]
Q 673C
鋼帶式彈性軟管夾箍 - A型
Spring Band Hose Clamps - Type A
30 鋼帶式彈性軟管夾箍 - B型 [汽标代号]
Q 673C
鋼帶式彈性軟管夾箍 - B型
Spring Band Hose Clamps - Type B
31 塑料緊箍帶 [汽标代号]
Q 674
塑料緊箍帶
Plastic Hoop
32 A型蝸杆傳動式軟管環箍 [汽标代号]
Q 675
A型蝸杆傳動式軟管環箍

33 C型蝸杆傳動式軟管環箍 [汽标代号]
Q 676B
C型蝸杆傳動式軟管環箍

34 強力軟管夾箍 [汽标代号]
Q 677
強力軟管夾箍
Heavy Duty Hose Clamps
35 焊接式單頭夾片 [汽标代号]
Q 678
焊接式單頭夾片
Weldable Pipe Clip
36 對稱雙管夾片 [汽标代号]
Q 679
對稱雙管夾片
Symmetrical Clip for Twin Pipes
37 開口夾 [汽标代号]
Q 680
開口夾
Split Clamps
38 一端固定式單管夾片 (d = 6.5) [汽标代号]
Q 681
一端固定式單管夾片 (d = 6.5)
One End Fixing Clip for Single Pipe (d = 6.5)
39 中間固定式雙管夾片 (d = 6.5) [汽标代号]
Q 683
中間固定式雙管夾片 (d = 6.5)
Central Fixing Clip for Twin Pipes (d = 6.5)
40 中間固定式雙管夾片 (d = 8.5) [汽标代号]
Q 684
中間固定式雙管夾片 (d = 8.5)
Central Fixing Clip for Twin Pipes (d = 8.5)
41 一端固定式雙管夾片 (d=6.5) [汽标代号]
Q 685
一端固定式雙管夾片 (d=6.5)
One End Fixing Clips for Twin Pipes (d=6.5)
42 單管夾片 [汽标代号]
Q 686
單管夾片
Pipe Clips - Fasten One Pipe
43 多管夾片 [汽标代号]
Q 687
多管夾片
Pipe Clips - Fasten Mutipipe
44 一端固定式雙管夾片 (d=8.5) [汽标代号]
Q 688
一端固定式雙管夾片 (d=8.5)
One End Fixing Clips for Twin Pipes (d=8.5)
45 彈性夾片 [汽标代号]
Q 689
彈性夾片
Spring Clips
46 單管夾 [機械行業]
JB /ZQ 4492 - 2006
單管夾

47 雙管夾 [機械行業]
JB /ZQ 4494 - 2006
雙管夾

48 四管夾 [機械行業]
JB /ZQ 4496 - 2006
四管夾

49 雙管夾 [機械行業]
JB /ZQ 4498 - 2006
雙管夾

50 液壓缸用管夾 [機械行業]
JB /ZQ 4511 - 2006
液壓缸用管夾

51 管子卡箍 A型 [機械行業]
JB ZQ 4519 - 2006
管子卡箍 A型

52 管子卡箍 B型 [機械行業]
JB ZQ 4519 - 2006
管子卡箍 B型

53 管子卡箍 C型 [機械行業]
JB ZQ 4519 - 2006
管子卡箍 C型

54 管子卡箍 D型 [機械行業]
JB ZQ 4519 - 2006
管子卡箍 D型

55 喉箍 [機械行業]
JB /T 8870 - 1999
喉箍
Hose Clamps
56 單面管夾 [機械行業]
JB /ZQ 4497 - 1997
單面管夾

57 通用金屬軟管夾 [法國]
NF E 27-853 - 1989
通用金屬軟管夾
Metallic Hose Clamps for General Purpose
58 管夾 沖壓鎖緊環 [法國]
NF E 27-853 - 1989
管夾 沖壓鎖緊環
Stamped Locking Collar
59 管夾 綁紮夾 [法國]
NF E 27-853 - 1989
管夾 綁紮夾
Ligature Collars
60 标準型2螺栓管夾 [化工]
HG /T 21629 (A2) - 2021
标準型2螺栓管夾

61 重載型2螺栓管夾 [化工]
HG /T 21629 (A3) - 2021
重載型2螺栓管夾

62 法蘭用U形管夾 [化工]
HG /T 21629 (A4) - 2021
法蘭用U形管夾

63 減振用U形管夾 [化工]
HG /T 21629 (A5) - 2021
減振用U形管夾

64 可調節的U形管夾 [化工]
HG /T 21629 (A6) - 2021
可調節的U形管夾

65 标準型3螺栓管夾 [化工]
HG /T 21629 (A7) - 2021
标準型3螺栓管夾

66 重載型3螺栓管夾 [化工]
HG /T 21629 (A8) - 2021
重載型3螺栓管夾

67 标準型鉻钼鋼3螺栓管夾(426℃~550℃) [化工]
HG /T 21629 (A9) - 2021
标準型鉻钼鋼3螺栓管夾(426℃~550℃)

68 重載型鉻钼鋼3螺栓管夾(426℃~550℃) [化工]
HG /T 21629 (A10) - 2021
重載型鉻钼鋼3螺栓管夾(426℃~550℃)

69 不保溫立管用3螺栓管夾 [化工]
HG /T 21629 (A20) - 2021
不保溫立管用3螺栓管夾

70 防振型4螺栓管夾 [化工]
HG /T 21629 (A21) - 2021
防振型4螺栓管夾

71 保冷管用2螺栓管夾 [化工]
HG /T 21629 (A22) - 2021
保冷管用2螺栓管夾

72 保冷管用3螺栓管夾 [化工]
HG /T 21629 (A23) - 2021
保冷管用3螺栓管夾

73 保冷管用4螺栓管夾 [化工]
HG /T 21629 (A24) - 2021
保冷管用4螺栓管夾

74 保冷管用重載型管夾 [化工]
HG /T 21629 (A25) - 2021
保冷管用重載型管夾

75 高溫隔熱管用3螺栓管夾 [化工]
HG /T 21629 (A28) - 2021
高溫隔熱管用3螺栓管夾

76 高溫隔熱管用重載型管夾 [化工]
HG /T 21629 (A29) - 2021
高溫隔熱管用重載型管夾

77 管架 - 導向管卡,公制管用 [化工]
HG /T 21629 (A3-1) - 1999
管架 - 導向管卡,公制管用

78 管架 - 導向管卡,英制管用 [化工]
HG /T 21629 (A3-2) - 1999
管架 - 導向管卡,英制管用

79 管架 - 緊固管卡,公制管用 [化工]
HG /T 21629 (A4-1) - 1999
管架 - 緊固管卡,公制管用

80 管架 - 緊固管卡,英制管用 [化工]
HG /T 21629 (A4-2) - 1999
管架 - 緊固管卡,英制管用

81 管架 - 緊固管卡,鑄鐵管用 [化工]
HG /T 21629 (A4-3) - 1999
管架 - 緊固管卡,鑄鐵管用

82 基準型雙螺栓管夾 - 公制管用 [化工]
HG /T 21629 (A5-1) - 1999
基準型雙螺栓管夾 - 公制管用

83 基準型雙螺栓管夾,英制管用 [化工]
HG /T 21629 (A5-2) - 1999
基準型雙螺栓管夾,英制管用

84 基準型雙螺栓管夾,鑄鐵管用 [化工]
HG /T 21629 (A5-3) - 1999
基準型雙螺栓管夾,鑄鐵管用

85 重型雙螺栓管夾,公制管用 [化工]
HG /T 21629 (A6-1) - 1999
重型雙螺栓管夾,公制管用

86 重型雙螺栓管夾,英制管用 [化工]
HG /T 21629 (A6-2) - 1999
重型雙螺栓管夾,英制管用

87 重型雙螺栓管夾,鑄鐵管用 [化工]
HG /T 21629 (A6-3) - 1999
重型雙螺栓管夾,鑄鐵管用

88 三螺栓管夾(保溫管用),公制管用 [化工]
HG /T 21629 (A7-1) - 1999
三螺栓管夾(保溫管用),公制管用

89 三螺栓管夾(保溫管用),英制管用 [化工]
HG /T 21629 (A7-2) - 1999
三螺栓管夾(保溫管用),英制管用

90 三螺栓管夾(保溫管用),鑄鐵管用 [化工]
HG /T 21629 (A7-3) - 1999
三螺栓管夾(保溫管用),鑄鐵管用

91 三螺栓管夾(支托用),公制管用 [化工]
HG /T 21629 (A8-1) - 1999
三螺栓管夾(支托用),公制管用

92 三螺栓管夾(支托用),英制管用 [化工]
HG /T 21629 (A8-2) - 1999
三螺栓管夾(支托用),英制管用

93 三螺栓管夾(支托用),鑄鐵管用 [化工]
HG /T 21629 (A8-3) - 1999
三螺栓管夾(支托用),鑄鐵管用

94 雙排螺栓管夾,公制管用 [化工]
HG /T 21629 (A9-1) - 1999
雙排螺栓管夾,公制管用

95 雙排螺栓管夾,英制管用 [化工]
HG /T 21629 (A9-2) - 1999
雙排螺栓管夾,英制管用

96 雙排螺栓管夾,鑄鐵管用 [化工]
HG /T 21629 (A9-3) - 1999
雙排螺栓管夾,鑄鐵管用

97 四螺栓管夾,公制管用 [化工]
HG /T 21629 (A10-1) - 1999
四螺栓管夾,公制管用

98 四螺栓管夾,英制管用 [化工]
HG /T 21629 (A10-2) - 1999
四螺栓管夾,英制管用

99 四螺栓管夾,鑄鐵管用 [化工]
HG /T 21629 (A10-3) - 1999
四螺栓管夾,鑄鐵管用

100 雙排螺栓壓緊管卡,公制管用 [化工]
HG /T 21629 (A11-1) - 1999
雙排螺栓壓緊管卡,公制管用

标準編号: Q 670
中文名稱: 法蘭連接器
英文名稱: Flange Coupling Connectors
數據來源: 易緊通 (164580.com)
Standard Code: Q 670Chinese Name: 法蘭連接器English Name: Flange Coupling ConnectorsSource: https://www.164580.com/info_353753.html
Data Source: YJT Fastener Database (164580.com)
Standard: Q 670
URL: https://www.164580.com/info_353753.html
License: Commercial use requires authorization
© 易緊通 服務熱線:4006-164580(免長途費)