index
logo

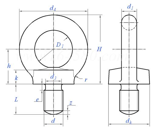
吊環螺釘 JIS B 1168 - 1975

選擇規格尺寸 點擊↓

M8

M10

M12

M16

M20

M24

M30

M36

M42

M48

M64

M80

M90

M100


尺寸單位: mm
日标JIS B1168 - 1975 JIS1168 1168JIS 吊環螺釘
JIS B 1168 - 1975 吊環螺釘
掃一掃分享
螺紋規格
d
M8 M10 M12 M16 M20 M24 M30 M36 M42 M48 M64 M80 M90 M100
d4
D1
d1
dk
k
h
H 參考
L
e
d3 最小值
r
z
32.6 41 50 60 72 90 110 133 151 170 210 266 302 340
20 25 30 35 40 50 60 70 80 90 110 140 160 180
6.3 8 10 12.5 16 20 25 31.5 35.5 40 50 63 71 80
16 20 25 30 35 45 60 70 80 90 110 130 150 170
5 7 9 11 13 18 22 26 30 35 42 50 55 60
17 21 26 30 35 45 55 65 75 85 105 130 150 165
33.3 41.5 51 60 71 90 110 131.5 150.5 170 210 263 301 335
15 18 22 27 30 38 45 55 65 70 90 105 120 130
3 4 5 5 6 8 8 10 12 12 14 14 14 14
6 7.7 9.4 13 16.4 19.6 25 30.3 35.6 41 55.7 71 81 91
4 4 6 6 8 12 15 18 20 22 25 35 35 40
1.2 1.5 2 2 2.5 3 3.5 4 4.5 5 6 6 6 6
替代列表
注:技術數據僅供參考,請以官方原件為準!
類似标準及供貨信息
1 吊環螺釘 [國标]
GB 825 - 1988
吊環螺釘
Eye Bolts
供應商(10)
2 開口環眼單頭螺紋吊杆 [國标]
GB /T 17116.3 - 2018
開口環眼單頭螺紋吊杆

3 閉口環眼單頭螺紋吊杆 [國标]
GB /T 17116.3 - 2018
閉口環眼單頭螺紋吊杆

4 焊接單眼螺紋吊杆 [國标]
GB /T 17116.3 - 2018
焊接單眼螺紋吊杆

5 環眼雙頭螺紋吊杆 [國标]
GB /T 17116.3 - 2018
環眼雙頭螺紋吊杆

6 一般起重用4級鍛造吊環螺釘 [國标]
GB /T 27696 - 2011
一般起重用4級鍛造吊環螺釘
Forged Steel Eyebolts Grade 4 for General Lifting Purposes
7 J型螺栓,偏置圓彎頭 [美标]
IFI 136 (J-Bolts)
J型螺栓,偏置圓彎頭
J-Bolts, Offset Round Bend
供應商(1)
8 鉤型螺栓,方形彎角 [美标]
IFI 136 (Hook Bolts)
鉤型螺栓,方形彎角
Hook Bolts, Square Bends
9 吊環螺釘 [德标]
DIN 580 - 2024
吊環螺釘
Lifting Eye Bolts
供應商(6)
10 吊環螺釘 [德标]
DIN 580 - 2018
吊環螺釘
Lifting Eye Bolts
供應商(6)
11 吊環螺釘 [德标]
DIN 580 - 2010
吊環螺釘
Lifting Eye Bolts
供應商(6)
12 吊環螺釘 [德标]
DIN 580 - 2009
吊環螺釘
Lifting Eye Bolts
供應商(6)
13 吊環螺釘 [德标]
DIN 580 - 1972
吊環螺釘
Eye Bolts
供應商(6)
14 一般起重用4級鍛造吊環螺釘 [國際]
ISO 3266 - 2010
一般起重用4級鍛造吊環螺釘
Forged Steel Eyebolts Grade 4 for General Lifting Purposes
15 吊環螺釘 [日标]
JIS B 1168 - 1994
吊環螺釘
Eye Bolts
16 插入式圓柱形吊耳 吊耳螺栓 [機械行業]
JB /ZQ 4630 - 1997
插入式圓柱形吊耳 吊耳螺栓

17 1型吊環螺釘 (A/B) [Table 1] (A489, F541, A473) [美标]
ASME/ANSI B 18.15 - 1985 (R1995)
1型吊環螺釘 (A/B) [Table 1] (A489, F541, A473)
Type 1, Style A and B Plain Pattern (Straight Shank) Eyebolts [Table 1] (A489, F541, A473)
18 台階吊環螺釘 [Table 2]  (A489, F541, A473) [美标]
ASME/ANSI B 18.15 - 1985 (R1995)
台階吊環螺釘 [Table 2] (A489, F541, A473)
Type 2, Styles A and B Shoulder Pattern Eyebolt [Table 2] (A489, F541, A473)
19 吊環螺釘 [意大利]
UNI 2947
吊環螺釘
Eye Bolts
20 吊環型吊杆 [化工]
HG /T 21629 (A16) - 1999
吊環型吊杆

21 升降用吊環螺釘 [英标]
BS 4278 - 1984
升降用吊環螺釘
Collar Eyebolt
22 電機用吊環螺釘 [英标]
BS 4278 - 1984
電機用吊環螺釘
Dynamo Eyebolt
23 帶鐵鏈吊環螺釘 [英标]
BS 4278 - 1984
帶鐵鏈吊環螺釘
Eyebolt with Link
24 羊眼螺栓 [鐵道部]
TB /T 896 - 1999
羊眼螺栓

25 眼環螺栓 [鐵道部]
TB /T 897 - 1999
眼環螺栓

26 萬向旋轉吊環(替代YJT /T 1095) [标準]
YJT 17022
萬向旋轉吊環(替代YJT /T 1095)
Swivel Hoist Ring
供應商(1)
27 側拉旋轉吊環 [标準]
YJT 17023
側拉旋轉吊環
Lifing Point
供應商(1)
28 側拉旋轉吊環 [标準]
YJT 17027
側拉旋轉吊環

供應商(1)
29 吊環 [标準]
YJT 1001
吊環

30 吊環 [标準]
YJT 1002
吊環

31 吊環自攻釘(羊眼) [标準]
YJT 4001
吊環自攻釘(羊眼)
Self Tapping Screw with Rings
32 華司開口羊眼束牙 [标準]
YJT 4081
華司開口羊眼束牙
Shouldered Cup - Hooks
33 一般起重用4級鍛造吊環螺釘 [德标]
DIN EN ISO 3266 - 2016
一般起重用4級鍛造吊環螺釘
Forged Steel Eyebolts Grade 4 for General Lifting Purposes
34 吊環螺釘 [印标]
IS 4190 - 1984
吊環螺釘
Eye Bolts with Collars
35 1型吊環螺釘 (A/B) [Table 1] (A489, F541, A473) [美标]
ASME B 18.15 (Type 1) - 2015 (R2021)
1型吊環螺釘 (A/B) [Table 1] (A489, F541, A473)
Type 1, Style A and B Plain Pattern (Straight Shank) Eyebolts [Table 1] (A489, F541, A473)
36 台階吊環螺釘 [Table 2] (A489, F541, A473) [美标]
ASME B 18.15 (Type 2) - 2015 (R2021)
台階吊環螺釘 [Table 2] (A489, F541, A473)
Type 2, Styles A and B Shoulder Pattern Eyebolt [Table 2] (A489, F541, A473)
37 吊環螺栓,封閉式錨環 (F468, F593, F1554, A307, A193/A193M, A320/A320M, SAE J429) [美标]
ASME B 18.31.5 (ECA) - 2011
吊環螺栓,封閉式錨環 (F468, F593, F1554, A307, A193/A193M, A320/A320M, SAE J429)
Eyebolts, Closed Anchor Ring (F468, F593, F1554, A307, A193/A193M, A320/A320M, SAE J429)
38 吊環螺栓,開口錨環 (F468, F593, F1554, A307, A193/A193M, A320/A320M, SAE J429) [美标]
ASME B 18.31.5 (EOA) - 2011
吊環螺栓,開口錨環 (F468, F593, F1554, A307, A193/A193M, A320/A320M, SAE J429)
Eyebolts, Open Anchor Ring (F468, F593, F1554, A307, A193/A193M, A320/A320M, SAE J429)
标準編号: JIS B 1168 - 1975
中文名稱: 吊環螺釘
英文名稱: Eye Bolts
數據來源: 易緊通 (164580.com)
Standard Code: JIS B 1168 - 1975Chinese Name: 吊環螺釘English Name: Eye BoltsSource: https://www.164580.com/info_9231.html
Data Source: YJT Fastener Database (164580.com)
Standard: JIS B 1168 - 1975
URL: https://www.164580.com/info_9231.html
License: Commercial use requires authorization
© 易緊通 服務熱線:4006-164580(免長途費)