index
logo

米制内六角圓柱頭螺釘 [Table 1] (ASTM A574M / F837M / A1-70) ASME/ANSI B 18.3.1M - 1986 (R2008)

選擇規格尺寸 點擊↓

M1.6

M2

M2.5

M3

M4

M5

M6

M8

M10

M12

(M14)

M16

M20

M24

M30

M36

M42

M48

括号内尺寸為非優選

尺寸單位: mm
美标ASME/ANSI B18.3.1M - 1986 (R2008) ASME 米制内六角圓柱頭螺釘 [Table 1] (ASTM A574M / F837M / A1-70)
美标ASME/ANSI B18.3.1M - 1986 (R2008) ASME 米制内六角圓柱頭螺釘 [Table 1] (ASTM A574M / F837M / A1-70)
ASME/ANSI B 18.3.1M - 1986 (R2008) 米制内六角圓柱頭螺釘 [Table 1] (ASTM A574M / F837M / A1-70)
掃一掃分享
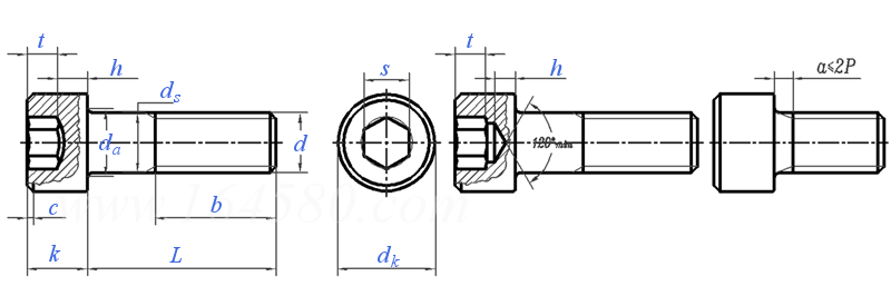
螺紋尺寸
d
M1.6 M2 M2.5 M3 M4 M5 M6 M8 M10
P 螺距
ds 最大值
最小值
dk 最大值
最小值
k 最大值
最小值
c 最大值
s 公稱
t 最小值
h 最小值
da 最大值
最小值
b 最小值
0.35 0.4 0.45 0.5 0.7 0.8 1 1.25 1.5
1.6 2 2.5 3 4 5 6 8 10
1.46 1.86 2.36 2.86 3.82 4.82 5.82 7.78 9.78
3 3.8 4.5 5.5 7 8.5 10 13 16
2.87 3.65 4.33 5.32 6.8 8.27 9.74 12.7 15.67
1.6 2 2.5 3 4 5 6 8 10
1.52 1.91 2.4 2.89 3.88 4.86 5.85 7.83 9.81
0.16 0.2 0.25 0.3 0.4 0.5 0.6 0.8 1
1.5 1.5 2 2.5 3 4 5 6 8
0.8 1 1.25 1.5 2 2.5 3 4 5
0.54 0.68 0.85 1.02 1.52 1.9 2.28 3.2 4
2 2.6 3.1 3.6 4.7 5.7 6.8 9.2 11.2
1.8 2.2 2.7 3.2 4.4 5.4 6.5 8.8 10.8
15.2 16 17 18 20 22 24 28 32
螺紋尺寸
d
M12 (M14) M16 M20 M24 M30 M36 M42 M48
P 螺距
ds 最大值
最小值
dk 最大值
最小值
k 最大值
最小值
c 最大值
s 公稱
t 最小值
h 最小值
da 最大值
最小值
b 最小值
1.75 2 2 2.5 3 3.5 4 4.5 5
12 14 16 20 24 30 36 42 48
11.73 13.73 15.73 19.67 23.67 29.67 35.61 41.61 47.61
18 21 24 30 36 45 54 63 72
17.63 20.6 23.58 29.53 35.48 44.42 53.37 62.31 71.27
12 14 16 20 24 30 36 42 48
11.79 13.77 15.76 19.73 23.7 29.67 35.64 41.61 47.58
1.20 1.40 1.60 2.00 2.40 3.00 3.60 4.20 4.80
10 12 14 17 19 22 27 32 36
6 7 8 10 12 15 18 21 24
4.8 5.6 6.4 8 9.6 12 14.4 16.8 19.2
14.2 16.2 18.2 22.4 26.4 33.4 39.4 45.6 52.6
13.2 15.2 17.2 21.6 25.6 32 38 44.4 51.2
36 40 44 52 60 72 84 96 108
替代列表
等效标準
國标 GB 國際 ISO 德标 DIN 美标 ASME/ANSI 意大利 UNI 法國 NF 澳标 AS
GB /T 70.1
ISO 4762
DIN EN ISO 4762
ANSI/ASME B 18.3.1M
UNI 5931
NF E 25-125
AS 1420
以上有部分标準可能為近似等效,如有異議以标準原件為準
注:技術數據僅供參考,請以官方原件為準!
類似标準及供貨信息
1 内六角圓柱頭螺釘 [國标]
GB 70 - 1985
内六角圓柱頭螺釘
Hexagon Socket Cap Head Screws
供應商(21)
2 内六角圓柱頭螺釘 [國标]
GB 70 - 1976
内六角圓柱頭螺釘
Hexagon Socket Head Cap Screws
供應商(21)
3 内六角圓柱頭螺釘 [國标]
GB /T 70.1 - 2008
内六角圓柱頭螺釘
Hexagon Socket Head Cap Screws
供應商(21)
4 内六角圓柱頭螺釘 [國标]
GB /T 70.1 - 2000
内六角圓柱頭螺釘
Hexagon Socket Head Cap Screws
供應商(21)
5 内六角圓柱頭螺釘 細牙螺紋 [國标]
GB /T 70.6 - 2020
内六角圓柱頭螺釘 細牙螺紋
Hexagon Socket Head Cap Screws - Fine Pitch Thread
6 内六角矮圓柱頭螺釘 [德标]
DIN 7984 - 2022
内六角矮圓柱頭螺釘
Hexagon Socket Head Cap Screws with Low Head with Reduced Loadability
供應商(12)
7 内六角帶導向孔矮圓柱頭螺釘 [德标]
DIN 6912 - 2021
内六角帶導向孔矮圓柱頭螺釘
Hexagon Socket Head Cap Screws with Reduced Loadability - Low Head, with Centre
供應商(5)
8 内六角矮圓柱頭螺釘 [德标]
DIN 7984 - 2021
内六角矮圓柱頭螺釘
Hexagon Socket Head Cap Screws with Low Head with Reduced Loadability
供應商(12)
9 内六角帶導向孔矮圓柱頭螺釘 [德标]
DIN 6912 - 2009
内六角帶導向孔矮圓柱頭螺釘
Hexagon Socket Head Cap Screws with Centre, with Low Head
供應商(5)
10 内六角矮圓柱頭螺釘 [德标]
DIN 7984 - 2009
内六角矮圓柱頭螺釘
Hexagon Socket Head Cap Screws with Low Head
供應商(12)
11 内六角圓柱頭帶導向孔螺釘 [德标]
DIN 6912 - 2002
内六角圓柱頭帶導向孔螺釘
Hexagon Socket Thin Head Cap Screws with Pilot Recess
供應商(5)
12 内六角矮圓柱頭螺釘 [德标]
DIN 7984 - 2002
内六角矮圓柱頭螺釘
Hexagon Socket Thin Head Cap Screws
供應商(12)
13 粗牙不脫出螺栓和螺釘 - 内六角圓柱頭 [德标]
DIN 7964 (E) - 1990
粗牙不脫出螺栓和螺釘 - 内六角圓柱頭
Reduced Shanke Bolts and Screws with Coarse Thread - Hexagon Socket Head
供應商(2)
14 内六角圓柱頭帶導向孔螺釘 [德标]
DIN 6912 - 1985
内六角圓柱頭帶導向孔螺釘
Hexagon Socket Thin Head Cap Screws with Pilot Recess
供應商(5)
15 内六角矮圓柱頭螺釘 [德标]
DIN 7984 - 1985
内六角矮圓柱頭螺釘
Hexagon Socket Thin Head Cap Screws
供應商(12)
16 内六角圓柱頭螺釘 [德标]
DIN 912 - 1983
内六角圓柱頭螺釘
Hexagon Socket Head Cap Screws
供應商(21)
17 内六角圓柱頭帶法蘭面螺釘(防滑螺釘) [德标]
DIN 251
内六角圓柱頭帶法蘭面螺釘(防滑螺釘)
Hexagon Socket Head with Serrated Flange Screws
供應商(7)
18 粗牙内六角圓柱頭細杆螺釘 [德标]
DIN 6929 (EE) - 2013
粗牙内六角圓柱頭細杆螺釘
Hexagon Socket Head Cap Screws
19 内六角圓柱頭螺釘 [國際]
ISO 4762 - 2004
内六角圓柱頭螺釘
Hexagon Socket Head Cap Screws
供應商(2)
20 内六角圓柱頭螺釘 [國際]
ISO 4762 - 1997
内六角圓柱頭螺釘
Hexagon Socket Head Cap Screws
供應商(2)
21 細牙内六角圓柱頭螺釘 [國際]
ISO 12474 - 2010
細牙内六角圓柱頭螺釘
Hexagon Socket Head Cap Screws with Metric Fine Pitch Thread
22 細牙内六角圓柱頭螺釘 [國際]
ISO 21269 - 2004
細牙内六角圓柱頭螺釘
Hexagon Socket Head Cap Screws with Metric Fine Pitch Thread
23 内六角圓柱頭螺釘 [日标]
JIS B 1176 - 2014
内六角圓柱頭螺釘
Hexagon Socket Head Cap Screws
供應商(1)
24 内六角圓柱頭螺釘 [日标]
JIS B 1176 - 2006
内六角圓柱頭螺釘
Hexagon Socket Head Cap Screws
供應商(1)
25 内六角圓柱頭螺釘 [日标]
JIS B 1176 - 1988
内六角圓柱頭螺釘
Hexagon Socket Head Cap Screws
供應商(1)
26 内六角圓柱頭螺釘 [汽标代号]
Q 218B
内六角圓柱頭螺釘

27 内六角圓柱頭螺釘 [機械行業]
JB /ZQ 4352 - 2006
内六角圓柱頭螺釘
Hexagon Socket Head Cap Screws
供應商(1)
28 内六角圓柱頭螺釘 [機械行業]
JB /ZQ 4352 - 1997
内六角圓柱頭螺釘
Hexagon Socket Head Cap Screws
供應商(1)
29 薄型内六角圓柱頭螺釘 [機械行業]
JB /ZQ 4725 - 2006
薄型内六角圓柱頭螺釘
Hexagon Socket Head Cap Screws - Thin Type
30 内六角圓柱頭螺釘 [美标]
ASME/ANSI B 18.3 - 1986
内六角圓柱頭螺釘
Hexagon Socket Head Cap Screws
供應商(4)
31 内鍵槽圓柱頭螺釘 [美标]
ASME/ANSI B 18.3 - 2003 (R2008)
内鍵槽圓柱頭螺釘
Spline Socket Head Cap Screws
32 米制内六角圓柱頭螺釘 [美标]
ASME/ANSI B 18.3.1M - 1986 (R1993)
米制内六角圓柱頭螺釘
Metric Hexagon Socket Head Cap Screws
33 内六角圓柱頭螺釘 [意大利]
UNI 5931 - 1984
内六角圓柱頭螺釘
Hexagon Socket Cheese Head Screws
供應商(1)
34 内六角薄圓柱頭螺釘 [意大利]
UNI 9327 - 1988
内六角薄圓柱頭螺釘
Hexagon Socket Cheese Head Thin Screws
35 内六角圓柱頭螺釘 [法國]
NF E 25-125 - 2004
内六角圓柱頭螺釘
Hexagon Socket Head Cap Screws
36 帶鎖孔内六角圓柱頭螺釘 ISO螺紋 4h [法國]
NF L 22-220 - 1984
帶鎖孔内六角圓柱頭螺釘 ISO螺紋 4h
Hexagonal Socket Cylindrical Head Screw with Hole for Lockwire - ISO Thread, 4h Class
37 帶孔内六角圓柱頭全螺紋螺釘 ISO螺紋 4g [法國]
NF L 22-224 - 1984
帶孔内六角圓柱頭全螺紋螺釘 ISO螺紋 4g
Hexagonal Socket Cylindrical Head Screw, Threaded to Head, with Hole for Lockwire - ISO Thread, 4g class
38 米制内六角圓柱頭螺釘 [英标]
BS 4168-1 - 1981
米制内六角圓柱頭螺釘
Metric Hexagon Socket Cheese Head Screws
39 BA螺紋内六角圓柱頭螺釘  Table 2C [英标]
BS 2470 - 1973
BA螺紋内六角圓柱頭螺釘 Table 2C
Hexagon Socket Cheese Head Cap Screws - BA Thread
40 統一螺紋内六角圓柱頭螺釘 Table 2A [英标]
BS 2470 - 1973
統一螺紋内六角圓柱頭螺釘 Table 2A
Hexagon Socket Cheese Head Screws - Unified Thread
41 英制内六角圓柱頭螺釘 Table 2B [英标]
BS 2470 - 1973
英制内六角圓柱頭螺釘 Table 2B
Hexagon Socket Cheese Head Cap Screws - BSW and BSF Thread
42 米制内六角圓柱頭螺釘 [澳标]
AS 1420 - 2008 (R2015)
米制内六角圓柱頭螺釘
ISO Metric Hexagon Socket Head Cap Screws
43 内六角圓柱頭螺釘 [台灣]
CNS 3932 - 1998
内六角圓柱頭螺釘
Hexagon Socket Cheese Head Screws
44 内六角圓柱頭螺釘(M1.4~M2.5) [台灣]
CNS 4555 - 1981
内六角圓柱頭螺釘(M1.4~M2.5)
Hexagon Socket Cheese Head Screws
45 内六角矮圓柱頭螺釘 [台灣]
CNS 4556 - 1981
内六角矮圓柱頭螺釘
Hexagon Socket Head Cap Screws with Reduced Height of Head
46 内六角圓柱頭螺釘 A級 [俄标]
GOST 11738 - 1984
内六角圓柱頭螺釘 A級
Hexagon Socket Head Cap Screws, Accuracy Class A
47 内六角圓柱頭螺釘 [韓标]
KS B 1003 - 2015 (R2020)
内六角圓柱頭螺釘
Hexagon Socket Head Cap Screws
48 内六角圓柱頭螺釘 [韓标]
KS B 1003 - 2000
内六角圓柱頭螺釘
Hexagon Socket Head Cap Screws
49 建築機械與設備 高強度内六角圓柱頭螺釘 [建築]
JG /T 5057.10 - 1995
建築機械與設備 高強度内六角圓柱頭螺釘
Construction Machinery and Equipment - High Strength Screw with HexagonSocket Cap Head
50 内六角圓柱頭螺釘 - 細牙 [德标]
DIN EN ISO 12474 - 2011
内六角圓柱頭螺釘 - 細牙
Hexagon Socket Head Cap Screws with Metric Fine Pitch Thread
供應商(21)
51 内六角圓柱頭螺釘 - 粗牙 [德标]
DIN EN ISO 4762 - 2004
内六角圓柱頭螺釘 - 粗牙
Hexagon Socket Head Cap Screws
供應商(21)
52 内六角圓柱頭螺釘 [印标]
IS 2269 - 2006
内六角圓柱頭螺釘
Hexagon Socket Head Cap Screws
53 内六角圓柱頭螺釘 耐腐蝕鋼 UNC-3A [美國軍标]
MS 16995 (H) - 1997
内六角圓柱頭螺釘 耐腐蝕鋼 UNC-3A
Screw, Cap, Socket Head - Hexagon, Corrosion Resistant Steel, UNC-3A
54 内六角圓柱頭螺釘 [Table 1] (ASTM A574 / F837) [美标]
ASME B 18.3 (T1) - 2012
内六角圓柱頭螺釘 [Table 1] (ASTM A574 / F837)
Hexagon Socket Head Cap Screws [Table 1] (ASTM A574 / F837)
供應商(4)
55 内六角圓柱頭螺釘 [Table 1A] [美标]
ASME B 18.3 - 2003 (R2008)
内六角圓柱頭螺釘 [Table 1A]
Hexagon Socket Head Cap Screws
供應商(4)
56 内六角矮圓柱頭螺釘 [Table 12] (ASTM F835) [美标]
ASME B 18.3 (T12) - 2012
内六角矮圓柱頭螺釘 [Table 12] (ASTM F835)
Low Head Hexagon Socket Cap Screws [Table 12] (ASTM F835)
57 内六角矮圓柱頭螺釘 [Table 1G] [美标]
ASME B 18.3 - 2003 (R2008)
内六角矮圓柱頭螺釘 [Table 1G]
Low Head Hexagon Socket Cap Screws
58 钛合金内六角圓柱頭螺釘 [航天]
QJ 2582 (A) - 2011
钛合金内六角圓柱頭螺釘
Hexagon Socket Cap Screws in Titanium Alloys
供應商(1)
59 钛合金内六角圓柱頭螺釘 [航天]
QJ 2582 - 1993
钛合金内六角圓柱頭螺釘
Hexagon Socket Cap Screws In Titanium Alloys
供應商(1)
60 内六角對接螺栓 [航空]
HB 1- 149 - 1995
内六角對接螺栓
Hex Butt Joint Bolt
61 内六角對接螺栓 [航空]
HB 1- 149 - 1983
内六角對接螺栓
Hex Butt Joint Bolt
标準編号: ASME/ANSI B 18.3.1M - 1986 (R2008)
中文名稱: 米制内六角圓柱頭螺釘 [Table 1] (ASTM A574M / F837M / A1-70)
英文名稱: Dimensions Of Metric Socket Head Cap Screws
數據來源: 易緊通 (164580.com)
Standard Code: ASME/ANSI B 18.3.1M - 1986 (R2008)Chinese Name: 米制内六角圓柱頭螺釘 [Table 1] (ASTM A574M / F837M / A1-70)English Name: Dimensions Of Metric Socket Head Cap ScrewsSource: https://www.164580.com/info_85799.html
Data Source: YJT Fastener Database (164580.com)
Standard: ASME/ANSI B 18.3.1M - 1986 (R2008)
URL: https://www.164580.com/info_85799.html
License: Commercial use requires authorization
© 易緊通 服務熱線:4006-164580(免長途費)