index
logo

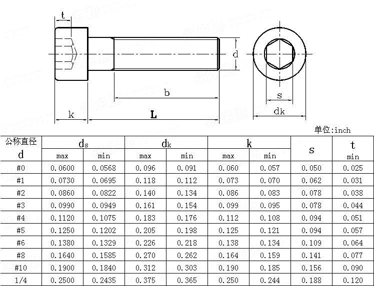
内六角圓柱頭螺釘 ASME/ANSI B 18.3 - 1986

查看供應商
ASME/ANSI B 18.3 - 1986 内六角圓柱頭螺釘 ASME/ANSI B 18.3 - 1986 内六角圓柱頭螺釘
美标ASME/ANSI B18.3 - 1986 ASME/ANSI18.3 1 内六角圓柱頭螺釘
美标ASME/ANSI B18.3 - 1986 ASME/ANSI18.3 1 内六角圓柱頭螺釘
米/英制螺紋對照
二維碼
掃一掃
移動端使用
或分享給好友
替代列表
注:技術數據僅供參考,請以官方原件為準!
告訴我在“易緊通”看到,将給您優惠
聯系人:金佳瑜 點擊這裏給我發消息759628603   移動電話: 15906460353     電話:0515-85911100     微信号:15906460353
材質:不鏽鋼304、304L、316、316L、321、660、2205、NS336、2507、2520、S32750、S32760A2-50、A2-70、A2-80、A4-70、A4-80、A5-80、B8、B8M、B8C、B8T;等級:CLASS1、CLASS2;規格範圍:M14-M90;表面處理:按客戶要求。
聯系人:徐海 點擊這裏給我發消息513543434   移動電話: 18621311857     電話:021-59766477
材質:301、302、303、304、304L、316、316L、316Ti、317L、310S、321、347、1.4529、1.4539、1.4462、1.4547、1.4980、904L、2205、2507、2520、S32750、S32760、1Cr13、1Cr17、2Cr13、3Cr13、14Cr17Ni2、410、416、420、430、431、440、630、631、17-4PH、MP350N、600、601、625、660、718、750、800、825、925、926、C22、C276、A286、GH2132、GH4033、GH4080、GH4169、GH4145、9C18Mo、4Cr10Si2Mo、35CrMoA、42CrMoA、40CrNiMoA、25Cr2Mo1VA、SCM435、SCM440、4130、4140、4145、A36、A307、A320、A325、A490、A574、F1554,不鏽鋼、合金鋼、钛合金、鎳基合金、高溫合金、耐蝕合金、鎳钴合金、特種合金等;等級:A1-50、A2-50、A2-70、A2-80、A3-70、A4-70、A4-80、A4-90、A4-100、A5-80、B8、B8M、B8C、B8T、B6、B7、B7M、B16、C1-50、C1-70、C1-110、C3-80、C3-120、C4-70、D2-80、D2-100、D4-80、D4-100、D6-80、D6-100、D8-80、D8-100、P1-90、P1-120、F51、F53、F55、F60、10.9、12.9、14.9、15.9、16.9等;規格範圍:M3-M120,1/4"-4";表面處理:鈍化、發黑、磷化、電泳、鍍鋅、鍍鎳、鍍鉻、鍍镉、鍍金、鍍銀、鍍錫、鍍銅、滲鋅、海洋鋅、滲鋁、噴塗鋁、達克羅、久美特、特氟龍、鋅鎳合金、鎳钴合金、熱鍍鋅、複合陶瓷、二硫化钼、二硫化鎢、納米塗層等,均可定制。
聯系人:莊宏偉   移動電話: 13008864675     電話:0755-89505088
材質:碳鋼、合金鋼、不鏽鋼、銅、鋁、钛;規格範圍:#0~1/4;公稱長度:1~60mm;表面處理:鍍鋅、鎳、鋅鎳合金、電泳、達克羅、CD紋、PVD等。
聯系人:張經理   移動電話: 13362323237(張經理)     電話:13375836680(劉經理)     微信号:13362323237
材質:碳鋼、合金鋼、不鏽鋼304/316,尼龍PA66、PA66+玻纖等。螺栓等級:8.8、10.9、12.9、GR5、GR8、B7.B7M、B8.B8M、L7.L7M、B16等。規格範圍:M3-M120,10# - 6"。表面處理:發黑、鍍鋅、彩鋅鈍化、特氟龍、鍍镉、鍍鋅鎳、達克羅、久美特、熱鍍鋅/熱浸鋅等。标準件有庫存。非标件支持按圖定制、按樣品定制。
聯系人:秦經理 點擊這裏給我發消息2775493507   移動電話: 13372306860     電話:0573-84789292     微信号:13372306860
材質:碳鋼、合金鋼、不鏽鋼304、316;規格範圍:4#-40~7/8-9;表面處理:發黑、藍白鋅、達克羅、黑鋅、洗白、熱鍍鋅、鍍鎳、彩鋅等。
告訴我在“易緊通”看到,将給您優惠
類似标準及供貨信息
1 内六角圓柱頭螺釘 [國标]
GB 70 - 1985
内六角圓柱頭螺釘
Hexagon Socket Cap Head Screws
供應商(22)
2 内六角圓柱頭螺釘 [國标]
GB 70 - 1976
内六角圓柱頭螺釘
Hexagon Socket Head Cap Screws
供應商(22)
3 内六角圓柱頭螺釘 [國标]
GB /T 70.1 - 2008
内六角圓柱頭螺釘
Hexagon Socket Head Cap Screws
供應商(22)
4 内六角圓柱頭螺釘 [國标]
GB /T 70.1 - 2000
内六角圓柱頭螺釘
Hexagon Socket Head Cap Screws
供應商(22)
5 内六角圓柱頭螺釘 細牙螺紋 [國标]
GB /T 70.6 - 2020
内六角圓柱頭螺釘 細牙螺紋
Hexagon Socket Head Cap Screws - Fine Pitch Thread
6 内六角矮圓柱頭螺釘 [德标]
DIN 7984 - 2022
内六角矮圓柱頭螺釘
Hexagon Socket Head Cap Screws with Low Head with Reduced Loadability
供應商(11)
7 内六角帶導向孔矮圓柱頭螺釘 [德标]
DIN 6912 - 2021
内六角帶導向孔矮圓柱頭螺釘
Hexagon Socket Head Cap Screws with Reduced Loadability - Low Head, with Centre
供應商(5)
8 内六角矮圓柱頭螺釘 [德标]
DIN 7984 - 2021
内六角矮圓柱頭螺釘
Hexagon Socket Head Cap Screws with Low Head with Reduced Loadability
供應商(11)
9 内六角帶導向孔矮圓柱頭螺釘 [德标]
DIN 6912 - 2009
内六角帶導向孔矮圓柱頭螺釘
Hexagon Socket Head Cap Screws with Centre, with Low Head
供應商(5)
10 内六角矮圓柱頭螺釘 [德标]
DIN 7984 - 2009
内六角矮圓柱頭螺釘
Hexagon Socket Head Cap Screws with Low Head
供應商(11)
11 内六角圓柱頭帶導向孔螺釘 [德标]
DIN 6912 - 2002
内六角圓柱頭帶導向孔螺釘
Hexagon Socket Thin Head Cap Screws with Pilot Recess
供應商(5)
12 内六角矮圓柱頭螺釘 [德标]
DIN 7984 - 2002
内六角矮圓柱頭螺釘
Hexagon Socket Thin Head Cap Screws
供應商(11)
13 粗牙不脫出螺栓和螺釘 - 内六角圓柱頭 [德标]
DIN 7964 (E) - 1990
粗牙不脫出螺栓和螺釘 - 内六角圓柱頭
Reduced Shanke Bolts and Screws with Coarse Thread - Hexagon Socket Head
供應商(2)
14 内六角圓柱頭帶導向孔螺釘 [德标]
DIN 6912 - 1985
内六角圓柱頭帶導向孔螺釘
Hexagon Socket Thin Head Cap Screws with Pilot Recess
供應商(5)
15 内六角矮圓柱頭螺釘 [德标]
DIN 7984 - 1985
内六角矮圓柱頭螺釘
Hexagon Socket Thin Head Cap Screws
供應商(11)
16 内六角圓柱頭螺釘 [德标]
DIN 912 - 1983
内六角圓柱頭螺釘
Hexagon Socket Head Cap Screws
供應商(21)
17 内六角圓柱頭帶法蘭面螺釘(防滑螺釘) [德标]
DIN 251
内六角圓柱頭帶法蘭面螺釘(防滑螺釘)
Hexagon Socket Head with Serrated Flange Screws
供應商(8)
18 粗牙内六角圓柱頭細杆螺釘 [德标]
DIN 6929 (EE) - 2013
粗牙内六角圓柱頭細杆螺釘
Hexagon Socket Head Cap Screws
19 内六角圓柱頭螺釘 [國際]
ISO 4762 - 2004
内六角圓柱頭螺釘
Hexagon Socket Head Cap Screws
供應商(2)
20 内六角圓柱頭螺釘 [國際]
ISO 4762 - 1997
内六角圓柱頭螺釘
Hexagon Socket Head Cap Screws
供應商(2)
21 細牙内六角圓柱頭螺釘 [國際]
ISO 12474 - 2010
細牙内六角圓柱頭螺釘
Hexagon Socket Head Cap Screws with Metric Fine Pitch Thread
22 細牙内六角圓柱頭螺釘 [國際]
ISO 21269 - 2004
細牙内六角圓柱頭螺釘
Hexagon Socket Head Cap Screws with Metric Fine Pitch Thread
23 内六角圓柱頭螺釘 [日标]
JIS B 1176 - 2014
内六角圓柱頭螺釘
Hexagon Socket Head Cap Screws
供應商(1)
24 内六角圓柱頭螺釘 [日标]
JIS B 1176 - 2006
内六角圓柱頭螺釘
Hexagon Socket Head Cap Screws
供應商(1)
25 内六角圓柱頭螺釘 [日标]
JIS B 1176 - 1988
内六角圓柱頭螺釘
Hexagon Socket Head Cap Screws
供應商(1)
26 内六角圓柱頭螺釘 [汽标代号]
Q 218B
内六角圓柱頭螺釘

27 内六角圓柱頭螺釘 [機械行業]
JB /ZQ 4352 - 2006
内六角圓柱頭螺釘
Hexagon Socket Head Cap Screws
供應商(2)
28 内六角圓柱頭螺釘 [機械行業]
JB /ZQ 4352 - 1997
内六角圓柱頭螺釘
Hexagon Socket Head Cap Screws
供應商(2)
29 薄型内六角圓柱頭螺釘 [機械行業]
JB /ZQ 4725 - 2006
薄型内六角圓柱頭螺釘
Hexagon Socket Head Cap Screws - Thin Type
30 米制内六角圓柱頭螺釘 [美标]
ASME/ANSI B 18.3.1M - 1986 (R1993)
米制内六角圓柱頭螺釘
Metric Hexagon Socket Head Cap Screws
供應商(1)
31 米制内六角圓柱頭螺釘 [Table 1] (ASTM A574M / F837M / A1-70) [美标]
ASME/ANSI B 18.3.1M - 1986 (R2008)
米制内六角圓柱頭螺釘 [Table 1] (ASTM A574M / F837M / A1-70)
Dimensions Of Metric Socket Head Cap Screws
供應商(1)
32 内鍵槽圓柱頭螺釘 [美标]
ASME/ANSI B 18.3 - 2003 (R2008)
内鍵槽圓柱頭螺釘
Spline Socket Head Cap Screws
33 内六角圓柱頭螺釘 [意大利]
UNI 5931 - 1984
内六角圓柱頭螺釘
Hexagon Socket Cheese Head Screws
供應商(1)
34 内六角薄圓柱頭螺釘 [意大利]
UNI 9327 - 1988
内六角薄圓柱頭螺釘
Hexagon Socket Cheese Head Thin Screws
35 内六角圓柱頭螺釘 [法國]
NF E 25-125 - 2004
内六角圓柱頭螺釘
Hexagon Socket Head Cap Screws
36 帶鎖孔内六角圓柱頭螺釘 ISO螺紋 4h [法國]
NF L 22-220 - 1984
帶鎖孔内六角圓柱頭螺釘 ISO螺紋 4h
Hexagonal Socket Cylindrical Head Screw with Hole for Lockwire - ISO Thread, 4h Class
37 帶孔内六角圓柱頭全螺紋螺釘 ISO螺紋 4g [法國]
NF L 22-224 - 1984
帶孔内六角圓柱頭全螺紋螺釘 ISO螺紋 4g
Hexagonal Socket Cylindrical Head Screw, Threaded to Head, with Hole for Lockwire - ISO Thread, 4g class
38 米制内六角圓柱頭螺釘 [英标]
BS 4168-1 - 1981
米制内六角圓柱頭螺釘
Metric Hexagon Socket Cheese Head Screws
39 BA螺紋内六角圓柱頭螺釘  Table 2C [英标]
BS 2470 - 1973
BA螺紋内六角圓柱頭螺釘 Table 2C
Hexagon Socket Cheese Head Cap Screws - BA Thread
40 統一螺紋内六角圓柱頭螺釘 Table 2A [英标]
BS 2470 - 1973
統一螺紋内六角圓柱頭螺釘 Table 2A
Hexagon Socket Cheese Head Screws - Unified Thread
41 英制内六角圓柱頭螺釘 Table 2B [英标]
BS 2470 - 1973
英制内六角圓柱頭螺釘 Table 2B
Hexagon Socket Cheese Head Cap Screws - BSW and BSF Thread
42 米制内六角圓柱頭螺釘 [澳标]
AS 1420 - 2008 (R2015)
米制内六角圓柱頭螺釘
ISO Metric Hexagon Socket Head Cap Screws
43 内六角圓柱頭螺釘 [台灣]
CNS 3932 - 1998
内六角圓柱頭螺釘
Hexagon Socket Cheese Head Screws
44 内六角圓柱頭螺釘(M1.4~M2.5) [台灣]
CNS 4555 - 1981
内六角圓柱頭螺釘(M1.4~M2.5)
Hexagon Socket Cheese Head Screws
45 内六角矮圓柱頭螺釘 [台灣]
CNS 4556 - 1981
内六角矮圓柱頭螺釘
Hexagon Socket Head Cap Screws with Reduced Height of Head
46 内六角圓柱頭螺釘 A級 [俄标]
GOST 11738 - 1984
内六角圓柱頭螺釘 A級
Hexagon Socket Head Cap Screws, Accuracy Class A
47 内六角圓柱頭螺釘 [韓标]
KS B 1003 - 2015 (R2020)
内六角圓柱頭螺釘
Hexagon Socket Head Cap Screws
48 内六角圓柱頭螺釘 [韓标]
KS B 1003 - 2000
内六角圓柱頭螺釘
Hexagon Socket Head Cap Screws
49 建築機械與設備 高強度内六角圓柱頭螺釘 [建築]
JG /T 5057.10 - 1995
建築機械與設備 高強度内六角圓柱頭螺釘
Construction Machinery and Equipment - High Strength Screw with HexagonSocket Cap Head
50 内六角圓柱頭螺釘 - 細牙 [德标]
DIN EN ISO 12474 - 2011
内六角圓柱頭螺釘 - 細牙
Hexagon Socket Head Cap Screws with Metric Fine Pitch Thread
供應商(21)
51 内六角圓柱頭螺釘 - 粗牙 [德标]
DIN EN ISO 4762 - 2004
内六角圓柱頭螺釘 - 粗牙
Hexagon Socket Head Cap Screws
供應商(21)
52 内六角圓柱頭螺釘 [印标]
IS 2269 - 2006
内六角圓柱頭螺釘
Hexagon Socket Head Cap Screws
53 内六角圓柱頭螺釘 耐腐蝕鋼 UNC-3A [美國軍标]
MS 16995 (H) - 1997
内六角圓柱頭螺釘 耐腐蝕鋼 UNC-3A
Screw, Cap, Socket Head - Hexagon, Corrosion Resistant Steel, UNC-3A
54 内六角圓柱頭螺釘 [Table 1] (ASTM A574 / F837) [美标]
ASME B 18.3 (T1) - 2012
内六角圓柱頭螺釘 [Table 1] (ASTM A574 / F837)
Hexagon Socket Head Cap Screws [Table 1] (ASTM A574 / F837)
供應商(5)
55 内六角圓柱頭螺釘 [Table 1A] [美标]
ASME B 18.3 - 2003 (R2008)
内六角圓柱頭螺釘 [Table 1A]
Hexagon Socket Head Cap Screws
供應商(5)
56 内六角矮圓柱頭螺釘 [Table 12] (ASTM F835) [美标]
ASME B 18.3 (T12) - 2012
内六角矮圓柱頭螺釘 [Table 12] (ASTM F835)
Low Head Hexagon Socket Cap Screws [Table 12] (ASTM F835)
57 内六角矮圓柱頭螺釘 [Table 1G] [美标]
ASME B 18.3 - 2003 (R2008)
内六角矮圓柱頭螺釘 [Table 1G]
Low Head Hexagon Socket Cap Screws
58 钛合金内六角圓柱頭螺釘 [航天]
QJ 2582 (A) - 2011
钛合金内六角圓柱頭螺釘
Hexagon Socket Cap Screws in Titanium Alloys
供應商(1)
59 钛合金内六角圓柱頭螺釘 [航天]
QJ 2582 - 1993
钛合金内六角圓柱頭螺釘
Hexagon Socket Cap Screws In Titanium Alloys
供應商(1)
60 内六角對接螺栓 [航空]
HB 1- 149 - 1995
内六角對接螺栓
Hex Butt Joint Bolt
61 内六角對接螺栓 [航空]
HB 1- 149 - 1983
内六角對接螺栓
Hex Butt Joint Bolt
© 易緊通 服務熱線:4006-164580(免長途費)