index
logo

帶孔内六角圓柱頭全螺紋螺釘 ISO螺紋 4g NF L 22-224 - 1984

選擇規格尺寸 點擊↓

M3 ×0.5-4h

M4 ×0.7-4h

M5 ×0.8-4h

M6 ×1-4h

M7 ×1-4h

M8 ×1.25-4h

M10 ×1.5-4h

M12 ×1.5-4h

M14 ×1.5-4h

M16 ×1.5-4h

M18 ×1.5-4h

M20 ×1.5-4h

NF L 22-224 - 1984 帶孔内六角圓柱頭全螺紋螺釘 ISO螺紋 4g

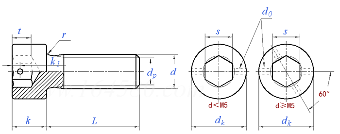
尺寸單位: mm
法國NF L22-224 - 1984 NF22-224 22-224NF 帶孔内六角圓柱頭全螺紋螺釘 ISO螺紋 4g
NF L 22-224 - 1984 帶孔内六角圓柱頭全螺紋螺釘 ISO螺紋 4g
掃一掃分享
螺紋尺寸
d
M3
×0.5-4h
M4
×0.7-4h
M5
×0.8-4h
M6
×1-4h
M7
×1-4h
M8
×1.25-4h
M10
×1.5-4h
M12
×1.5-4h
M14
×1.5-4h
M16
×1.5-4h
M18
×1.5-4h
M20
×1.5-4h
d 最大值=公稱
最小值
s 公稱
最大值
最小值
k 最大值=公稱
最小值
dp 最大值=公稱
最小值
dk 最大值=公稱
最小值
t 最小值
最大值
k1 ±0.1
d0 最小值=公稱
最大值
r ±0.1
L 最小值
3 4 5 6 7 8 10 12 14 16 18 20
2.9 3.88 4.88 5.88 6.85 7.85 9.85 11.82 13.82 15.82 17.82 19.79
2.5 3 4 5 6 6 8 10 12 14 14 17
2.56 3.06 4.105 5.105 6.105 6.105 8.13 10.13 12.23 14.23 14.23 17.23
2.52 3.02 4.03 5.03 6.03 6.03 8.04 10.04 12.05 14.05 14.05 17.05
3 4 5 6 7 8 10 12 14 16 18 20
2.86 3.82 4.82 5.82 6.78 7.78 9.78 11.73 13.73 15.73 17.73 19.67
2.2 2.9 3.8 4.5 5.5 6.2 7.9 9.9 11.9 13.9 15.9 17.9
1.7 2.4 3.3 4 5 5.7 7.4 9.4 11.4 13.4 15.4 17.4
5.5 7 8.5 10 12 13 16 18 21 24 27 30
5.38 6.85 8.35 9.85 11.82 12.82 15.82 17.82 20.79 23.79 26.79 29.79
1.5 2.2 2.7 3.3 4 4.3 5.5 6.6 7.8 8.8 9.8 10.7
1.9 2.6 3.1 3.8 4.5 4.8 6.2 7.5 8.7 9.7 10.7 11.8
0.9 1.4 1.6 2 2.2 2.4 2.4 2.4 3.2 3.2 3.2 3.2
0.8 1.2 1.2 1.2 1.5 1.5 1.5 1.5 1.8 1.8 1.8 1.8
0.94 1.34 1.34 1.34 1.64 1.64 1.64 1.64 1.94 1.94 1.94 1.94
0.5 0.5 0.6 0.9 0.9 1 1.2 1.2 1.4 1.4 1.5 1.5
4 6 6 8 8 10 12 14 14 16 16 18
注:技術數據僅供參考,請以官方原件為準!
類似标準及供貨信息
1 内六角圓柱頭螺釘 [國标]
GB 70 - 1985
内六角圓柱頭螺釘
Hexagon Socket Cap Head Screws
供應商(22)
2 内六角圓柱頭螺釘 [國标]
GB 70 - 1976
内六角圓柱頭螺釘
Hexagon Socket Head Cap Screws
供應商(22)
3 内六角圓柱頭螺釘 [國标]
GB /T 70.1 - 2008
内六角圓柱頭螺釘
Hexagon Socket Head Cap Screws
供應商(22)
4 内六角圓柱頭螺釘 [國标]
GB /T 70.1 - 2000
内六角圓柱頭螺釘
Hexagon Socket Head Cap Screws
供應商(22)
5 内六角圓柱頭螺釘 細牙螺紋 [國标]
GB /T 70.6 - 2020
内六角圓柱頭螺釘 細牙螺紋
Hexagon Socket Head Cap Screws - Fine Pitch Thread
6 内六角矮圓柱頭螺釘 [德标]
DIN 7984 - 2022
内六角矮圓柱頭螺釘
Hexagon Socket Head Cap Screws with Low Head with Reduced Loadability
供應商(11)
7 内六角帶導向孔矮圓柱頭螺釘 [德标]
DIN 6912 - 2021
内六角帶導向孔矮圓柱頭螺釘
Hexagon Socket Head Cap Screws with Reduced Loadability - Low Head, with Centre
供應商(5)
8 内六角矮圓柱頭螺釘 [德标]
DIN 7984 - 2021
内六角矮圓柱頭螺釘
Hexagon Socket Head Cap Screws with Low Head with Reduced Loadability
供應商(11)
9 内六角帶導向孔矮圓柱頭螺釘 [德标]
DIN 6912 - 2009
内六角帶導向孔矮圓柱頭螺釘
Hexagon Socket Head Cap Screws with Centre, with Low Head
供應商(5)
10 内六角矮圓柱頭螺釘 [德标]
DIN 7984 - 2009
内六角矮圓柱頭螺釘
Hexagon Socket Head Cap Screws with Low Head
供應商(11)
11 内六角圓柱頭帶導向孔螺釘 [德标]
DIN 6912 - 2002
内六角圓柱頭帶導向孔螺釘
Hexagon Socket Thin Head Cap Screws with Pilot Recess
供應商(5)
12 内六角矮圓柱頭螺釘 [德标]
DIN 7984 - 2002
内六角矮圓柱頭螺釘
Hexagon Socket Thin Head Cap Screws
供應商(11)
13 粗牙不脫出螺栓和螺釘 - 内六角圓柱頭 [德标]
DIN 7964 (E) - 1990
粗牙不脫出螺栓和螺釘 - 内六角圓柱頭
Reduced Shanke Bolts and Screws with Coarse Thread - Hexagon Socket Head
供應商(2)
14 内六角圓柱頭帶導向孔螺釘 [德标]
DIN 6912 - 1985
内六角圓柱頭帶導向孔螺釘
Hexagon Socket Thin Head Cap Screws with Pilot Recess
供應商(5)
15 内六角矮圓柱頭螺釘 [德标]
DIN 7984 - 1985
内六角矮圓柱頭螺釘
Hexagon Socket Thin Head Cap Screws
供應商(11)
16 内六角圓柱頭螺釘 [德标]
DIN 912 - 1983
内六角圓柱頭螺釘
Hexagon Socket Head Cap Screws
供應商(21)
17 内六角圓柱頭帶法蘭面螺釘(防滑螺釘) [德标]
DIN 251
内六角圓柱頭帶法蘭面螺釘(防滑螺釘)
Hexagon Socket Head with Serrated Flange Screws
供應商(8)
18 粗牙内六角圓柱頭細杆螺釘 [德标]
DIN 6929 (EE) - 2013
粗牙内六角圓柱頭細杆螺釘
Hexagon Socket Head Cap Screws
19 内六角圓柱頭螺釘 [國際]
ISO 4762 - 2004
内六角圓柱頭螺釘
Hexagon Socket Head Cap Screws
供應商(2)
20 内六角圓柱頭螺釘 [國際]
ISO 4762 - 1997
内六角圓柱頭螺釘
Hexagon Socket Head Cap Screws
供應商(2)
21 細牙内六角圓柱頭螺釘 [國際]
ISO 12474 - 2010
細牙内六角圓柱頭螺釘
Hexagon Socket Head Cap Screws with Metric Fine Pitch Thread
22 細牙内六角圓柱頭螺釘 [國際]
ISO 21269 - 2004
細牙内六角圓柱頭螺釘
Hexagon Socket Head Cap Screws with Metric Fine Pitch Thread
23 内六角圓柱頭螺釘 [日标]
JIS B 1176 - 2014
内六角圓柱頭螺釘
Hexagon Socket Head Cap Screws
供應商(1)
24 内六角圓柱頭螺釘 [日标]
JIS B 1176 - 2006
内六角圓柱頭螺釘
Hexagon Socket Head Cap Screws
供應商(1)
25 内六角圓柱頭螺釘 [日标]
JIS B 1176 - 1988
内六角圓柱頭螺釘
Hexagon Socket Head Cap Screws
供應商(1)
26 内六角圓柱頭螺釘 [汽标代号]
Q 218B
内六角圓柱頭螺釘

27 内六角圓柱頭螺釘 [機械行業]
JB /ZQ 4352 - 2006
内六角圓柱頭螺釘
Hexagon Socket Head Cap Screws
供應商(2)
28 内六角圓柱頭螺釘 [機械行業]
JB /ZQ 4352 - 1997
内六角圓柱頭螺釘
Hexagon Socket Head Cap Screws
供應商(2)
29 薄型内六角圓柱頭螺釘 [機械行業]
JB /ZQ 4725 - 2006
薄型内六角圓柱頭螺釘
Hexagon Socket Head Cap Screws - Thin Type
30 内六角圓柱頭螺釘 [美标]
ASME/ANSI B 18.3 - 1986
内六角圓柱頭螺釘
Hexagon Socket Head Cap Screws
供應商(5)
31 米制内六角圓柱頭螺釘 [美标]
ASME/ANSI B 18.3.1M - 1986 (R1993)
米制内六角圓柱頭螺釘
Metric Hexagon Socket Head Cap Screws
供應商(1)
32 米制内六角圓柱頭螺釘 [Table 1] (ASTM A574M / F837M / A1-70) [美标]
ASME/ANSI B 18.3.1M - 1986 (R2008)
米制内六角圓柱頭螺釘 [Table 1] (ASTM A574M / F837M / A1-70)
Dimensions Of Metric Socket Head Cap Screws
供應商(1)
33 内鍵槽圓柱頭螺釘 [美标]
ASME/ANSI B 18.3 - 2003 (R2008)
内鍵槽圓柱頭螺釘
Spline Socket Head Cap Screws
34 内六角圓柱頭螺釘 [意大利]
UNI 5931 - 1984
内六角圓柱頭螺釘
Hexagon Socket Cheese Head Screws
供應商(1)
35 内六角薄圓柱頭螺釘 [意大利]
UNI 9327 - 1988
内六角薄圓柱頭螺釘
Hexagon Socket Cheese Head Thin Screws
36 内六角圓柱頭螺釘 [法國]
NF E 25-125 - 2004
内六角圓柱頭螺釘
Hexagon Socket Head Cap Screws
37 帶鎖孔内六角圓柱頭螺釘 ISO螺紋 4h [法國]
NF L 22-220 - 1984
帶鎖孔内六角圓柱頭螺釘 ISO螺紋 4h
Hexagonal Socket Cylindrical Head Screw with Hole for Lockwire - ISO Thread, 4h Class
38 米制内六角圓柱頭螺釘 [英标]
BS 4168-1 - 1981
米制内六角圓柱頭螺釘
Metric Hexagon Socket Cheese Head Screws
39 BA螺紋内六角圓柱頭螺釘  Table 2C [英标]
BS 2470 - 1973
BA螺紋内六角圓柱頭螺釘 Table 2C
Hexagon Socket Cheese Head Cap Screws - BA Thread
40 統一螺紋内六角圓柱頭螺釘 Table 2A [英标]
BS 2470 - 1973
統一螺紋内六角圓柱頭螺釘 Table 2A
Hexagon Socket Cheese Head Screws - Unified Thread
41 英制内六角圓柱頭螺釘 Table 2B [英标]
BS 2470 - 1973
英制内六角圓柱頭螺釘 Table 2B
Hexagon Socket Cheese Head Cap Screws - BSW and BSF Thread
42 米制内六角圓柱頭螺釘 [澳标]
AS 1420 - 2008 (R2015)
米制内六角圓柱頭螺釘
ISO Metric Hexagon Socket Head Cap Screws
43 内六角圓柱頭螺釘 [台灣]
CNS 3932 - 1998
内六角圓柱頭螺釘
Hexagon Socket Cheese Head Screws
44 内六角圓柱頭螺釘(M1.4~M2.5) [台灣]
CNS 4555 - 1981
内六角圓柱頭螺釘(M1.4~M2.5)
Hexagon Socket Cheese Head Screws
45 内六角矮圓柱頭螺釘 [台灣]
CNS 4556 - 1981
内六角矮圓柱頭螺釘
Hexagon Socket Head Cap Screws with Reduced Height of Head
46 内六角圓柱頭螺釘 A級 [俄标]
GOST 11738 - 1984
内六角圓柱頭螺釘 A級
Hexagon Socket Head Cap Screws, Accuracy Class A
47 内六角圓柱頭螺釘 [韓标]
KS B 1003 - 2015 (R2020)
内六角圓柱頭螺釘
Hexagon Socket Head Cap Screws
48 内六角圓柱頭螺釘 [韓标]
KS B 1003 - 2000
内六角圓柱頭螺釘
Hexagon Socket Head Cap Screws
49 建築機械與設備 高強度内六角圓柱頭螺釘 [建築]
JG /T 5057.10 - 1995
建築機械與設備 高強度内六角圓柱頭螺釘
Construction Machinery and Equipment - High Strength Screw with HexagonSocket Cap Head
50 内六角圓柱頭螺釘 - 細牙 [德标]
DIN EN ISO 12474 - 2011
内六角圓柱頭螺釘 - 細牙
Hexagon Socket Head Cap Screws with Metric Fine Pitch Thread
供應商(21)
51 内六角圓柱頭螺釘 - 粗牙 [德标]
DIN EN ISO 4762 - 2004
内六角圓柱頭螺釘 - 粗牙
Hexagon Socket Head Cap Screws
供應商(21)
52 内六角圓柱頭螺釘 [印标]
IS 2269 - 2006
内六角圓柱頭螺釘
Hexagon Socket Head Cap Screws
53 内六角圓柱頭螺釘 耐腐蝕鋼 UNC-3A [美國軍标]
MS 16995 (H) - 1997
内六角圓柱頭螺釘 耐腐蝕鋼 UNC-3A
Screw, Cap, Socket Head - Hexagon, Corrosion Resistant Steel, UNC-3A
54 内六角圓柱頭螺釘 [Table 1] (ASTM A574 / F837) [美标]
ASME B 18.3 (T1) - 2012
内六角圓柱頭螺釘 [Table 1] (ASTM A574 / F837)
Hexagon Socket Head Cap Screws [Table 1] (ASTM A574 / F837)
供應商(5)
55 内六角圓柱頭螺釘 [Table 1A] [美标]
ASME B 18.3 - 2003 (R2008)
内六角圓柱頭螺釘 [Table 1A]
Hexagon Socket Head Cap Screws
供應商(5)
56 内六角矮圓柱頭螺釘 [Table 12] (ASTM F835) [美标]
ASME B 18.3 (T12) - 2012
内六角矮圓柱頭螺釘 [Table 12] (ASTM F835)
Low Head Hexagon Socket Cap Screws [Table 12] (ASTM F835)
57 内六角矮圓柱頭螺釘 [Table 1G] [美标]
ASME B 18.3 - 2003 (R2008)
内六角矮圓柱頭螺釘 [Table 1G]
Low Head Hexagon Socket Cap Screws
58 钛合金内六角圓柱頭螺釘 [航天]
QJ 2582 (A) - 2011
钛合金内六角圓柱頭螺釘
Hexagon Socket Cap Screws in Titanium Alloys
供應商(1)
59 钛合金内六角圓柱頭螺釘 [航天]
QJ 2582 - 1993
钛合金内六角圓柱頭螺釘
Hexagon Socket Cap Screws In Titanium Alloys
供應商(1)
60 内六角對接螺栓 [航空]
HB 1- 149 - 1995
内六角對接螺栓
Hex Butt Joint Bolt
61 内六角對接螺栓 [航空]
HB 1- 149 - 1983
内六角對接螺栓
Hex Butt Joint Bolt
© 易緊通 服務熱線:4006-164580(免長途費)