index
logo

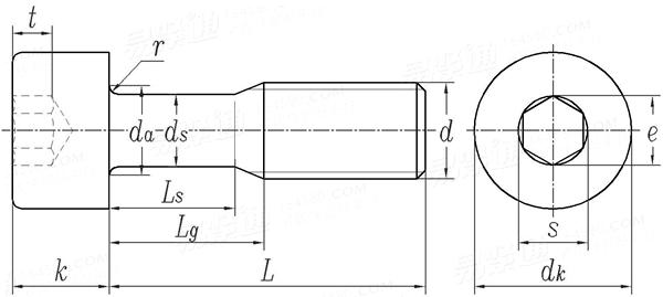
粗牙内六角圓柱頭細杆螺釘 DIN 6929 (EE) - 2013

選擇規格尺寸 點擊↓

M3

M4

M5

M6

M8

M10

M12

M16

M20

M24

M30


尺寸單位: mm
德标DIN 6929 (EE) - 2013 DIN6929 6929DIN 粗牙内六角圓柱頭細杆螺釘
DIN  6929 (EE) - 2013 粗牙内六角圓柱頭細杆螺釘
掃一掃分享
螺紋尺寸
d
M3 M4 M5 M6 M8 M10 M12 M16 M20 M24 M30
P 螺距
Lg K型 最大值
L型 最大值
Ls K型 最小值
L型 最小值
da 最大值
ds 最大值
最小值
r 最小值
dk 圓頭 最大值
滾花頭 最大值
最小值
k 最大值
最小值
s 公稱
最大值
最小值
t 最小值
e 最小值
0.5 0.7 0.8 1 1.25 1.5 1.75 2 2.5 3 3.5
5 6.8 8.2 10 13 16 19 24 30 37 44
11.5 15.5 18.8 23 26.5 32.5 41 50 58 69 85
4 5.4 6.6 8 10.5 13 15.5 20 25 31 37
10 13.4 16.4 20 22.5 28 35.5 44 50 60 74
3.6 4.7 5.7 6.8 9.2 11.2 13.7 17.7 22.4 26.4 33.4
2.3 3 3.9 4.6 6.2 7.7 9.2 12.7 16.2 19.2 24.2
2.1 2.8 3.7 4.4 6 7.5 9 12.5 16 19 24
0.1 0.2 0.2 0.25 0.4 0.4 0.6 0.6 0.8 0.8 1
5.5 7 8.5 10 13 16 18 24 30 36 45
5.68 7.22 8.72 10.22 13.27 16.27 18.27 24.33 30.33 36.39 45.39
5.32 6.78 8.28 9.78 12.73 15.73 17.73 23.67 29.67 35.61 44.61
3 4 5 6 8 10 12 16 20 24 30
2.86 3.82 4.82 5.7 7.64 9.64 11.57 15.57 19.48 23.48 29.48
2.5 3 4 5 6 8 10 14 17 19 22
2.58 3.08 4.095 5.14 6.14 8.175 10.175 14.212 17.23 19.275 22.275
2.52 3.02 4.02 5.02 6.02 8.025 10.025 14.032 17.05 19.065 22.065
1.3 2 2.5 3 4 5 6 8 10 12 15.5
2.873 3.443 4.583 5.723 6.863 9.149 11.429 15.996 19.437 21.734 25.154
注:技術數據僅供參考,請以官方原件為準!
類似标準及供貨信息
1 内六角圓柱頭螺釘 [國标]
GB 70 - 1985
内六角圓柱頭螺釘
Hexagon Socket Cap Head Screws
供應商(21)
2 内六角圓柱頭螺釘 [國标]
GB 70 - 1976
内六角圓柱頭螺釘
Hexagon Socket Head Cap Screws
供應商(21)
3 内六角圓柱頭螺釘 [國标]
GB /T 70.1 - 2008
内六角圓柱頭螺釘
Hexagon Socket Head Cap Screws
供應商(21)
4 内六角圓柱頭螺釘 [國标]
GB /T 70.1 - 2000
内六角圓柱頭螺釘
Hexagon Socket Head Cap Screws
供應商(21)
5 内六角圓柱頭螺釘 細牙螺紋 [國标]
GB /T 70.6 - 2020
内六角圓柱頭螺釘 細牙螺紋
Hexagon Socket Head Cap Screws - Fine Pitch Thread
6 内六角矮圓柱頭螺釘 [德标]
DIN 7984 - 2022
内六角矮圓柱頭螺釘
Hexagon Socket Head Cap Screws with Low Head with Reduced Loadability
供應商(12)
7 内六角帶導向孔矮圓柱頭螺釘 [德标]
DIN 6912 - 2021
内六角帶導向孔矮圓柱頭螺釘
Hexagon Socket Head Cap Screws with Reduced Loadability - Low Head, with Centre
供應商(5)
8 内六角矮圓柱頭螺釘 [德标]
DIN 7984 - 2021
内六角矮圓柱頭螺釘
Hexagon Socket Head Cap Screws with Low Head with Reduced Loadability
供應商(12)
9 内六角帶導向孔矮圓柱頭螺釘 [德标]
DIN 6912 - 2009
内六角帶導向孔矮圓柱頭螺釘
Hexagon Socket Head Cap Screws with Centre, with Low Head
供應商(5)
10 内六角矮圓柱頭螺釘 [德标]
DIN 7984 - 2009
内六角矮圓柱頭螺釘
Hexagon Socket Head Cap Screws with Low Head
供應商(12)
11 内六角圓柱頭帶導向孔螺釘 [德标]
DIN 6912 - 2002
内六角圓柱頭帶導向孔螺釘
Hexagon Socket Thin Head Cap Screws with Pilot Recess
供應商(5)
12 内六角矮圓柱頭螺釘 [德标]
DIN 7984 - 2002
内六角矮圓柱頭螺釘
Hexagon Socket Thin Head Cap Screws
供應商(12)
13 粗牙不脫出螺栓和螺釘 - 内六角圓柱頭 [德标]
DIN 7964 (E) - 1990
粗牙不脫出螺栓和螺釘 - 内六角圓柱頭
Reduced Shanke Bolts and Screws with Coarse Thread - Hexagon Socket Head
供應商(2)
14 内六角圓柱頭帶導向孔螺釘 [德标]
DIN 6912 - 1985
内六角圓柱頭帶導向孔螺釘
Hexagon Socket Thin Head Cap Screws with Pilot Recess
供應商(5)
15 内六角矮圓柱頭螺釘 [德标]
DIN 7984 - 1985
内六角矮圓柱頭螺釘
Hexagon Socket Thin Head Cap Screws
供應商(12)
16 内六角圓柱頭螺釘 [德标]
DIN 912 - 1983
内六角圓柱頭螺釘
Hexagon Socket Head Cap Screws
供應商(21)
17 内六角圓柱頭帶法蘭面螺釘(防滑螺釘) [德标]
DIN 251
内六角圓柱頭帶法蘭面螺釘(防滑螺釘)
Hexagon Socket Head with Serrated Flange Screws
供應商(7)
18 内六角圓柱頭螺釘 [國際]
ISO 4762 - 2004
内六角圓柱頭螺釘
Hexagon Socket Head Cap Screws
供應商(2)
19 内六角圓柱頭螺釘 [國際]
ISO 4762 - 1997
内六角圓柱頭螺釘
Hexagon Socket Head Cap Screws
供應商(2)
20 細牙内六角圓柱頭螺釘 [國際]
ISO 12474 - 2010
細牙内六角圓柱頭螺釘
Hexagon Socket Head Cap Screws with Metric Fine Pitch Thread
21 細牙内六角圓柱頭螺釘 [國際]
ISO 21269 - 2004
細牙内六角圓柱頭螺釘
Hexagon Socket Head Cap Screws with Metric Fine Pitch Thread
22 内六角圓柱頭螺釘 [日标]
JIS B 1176 - 2014
内六角圓柱頭螺釘
Hexagon Socket Head Cap Screws
供應商(1)
23 内六角圓柱頭螺釘 [日标]
JIS B 1176 - 2006
内六角圓柱頭螺釘
Hexagon Socket Head Cap Screws
供應商(1)
24 内六角圓柱頭螺釘 [日标]
JIS B 1176 - 1988
内六角圓柱頭螺釘
Hexagon Socket Head Cap Screws
供應商(1)
25 内六角圓柱頭螺釘 [汽标代号]
Q 218B
内六角圓柱頭螺釘

26 内六角圓柱頭螺釘 [機械行業]
JB /ZQ 4352 - 2006
内六角圓柱頭螺釘
Hexagon Socket Head Cap Screws
供應商(1)
27 内六角圓柱頭螺釘 [機械行業]
JB /ZQ 4352 - 1997
内六角圓柱頭螺釘
Hexagon Socket Head Cap Screws
供應商(1)
28 薄型内六角圓柱頭螺釘 [機械行業]
JB /ZQ 4725 - 2006
薄型内六角圓柱頭螺釘
Hexagon Socket Head Cap Screws - Thin Type
29 内六角圓柱頭螺釘 [美标]
ASME/ANSI B 18.3 - 1986
内六角圓柱頭螺釘
Hexagon Socket Head Cap Screws
供應商(4)
30 内鍵槽圓柱頭螺釘 [美标]
ASME/ANSI B 18.3 - 2003 (R2008)
内鍵槽圓柱頭螺釘
Spline Socket Head Cap Screws
31 米制内六角圓柱頭螺釘 [美标]
ASME/ANSI B 18.3.1M - 1986 (R1993)
米制内六角圓柱頭螺釘
Metric Hexagon Socket Head Cap Screws
32 米制内六角圓柱頭螺釘 [Table 1] (ASTM A574M / F837M / A1-70) [美标]
ASME/ANSI B 18.3.1M - 1986 (R2008)
米制内六角圓柱頭螺釘 [Table 1] (ASTM A574M / F837M / A1-70)
Dimensions Of Metric Socket Head Cap Screws
33 内六角圓柱頭螺釘 [意大利]
UNI 5931 - 1984
内六角圓柱頭螺釘
Hexagon Socket Cheese Head Screws
供應商(1)
34 内六角薄圓柱頭螺釘 [意大利]
UNI 9327 - 1988
内六角薄圓柱頭螺釘
Hexagon Socket Cheese Head Thin Screws
35 内六角圓柱頭螺釘 [法國]
NF E 25-125 - 2004
内六角圓柱頭螺釘
Hexagon Socket Head Cap Screws
36 帶鎖孔内六角圓柱頭螺釘 ISO螺紋 4h [法國]
NF L 22-220 - 1984
帶鎖孔内六角圓柱頭螺釘 ISO螺紋 4h
Hexagonal Socket Cylindrical Head Screw with Hole for Lockwire - ISO Thread, 4h Class
37 帶孔内六角圓柱頭全螺紋螺釘 ISO螺紋 4g [法國]
NF L 22-224 - 1984
帶孔内六角圓柱頭全螺紋螺釘 ISO螺紋 4g
Hexagonal Socket Cylindrical Head Screw, Threaded to Head, with Hole for Lockwire - ISO Thread, 4g class
38 米制内六角圓柱頭螺釘 [英标]
BS 4168-1 - 1981
米制内六角圓柱頭螺釘
Metric Hexagon Socket Cheese Head Screws
39 BA螺紋内六角圓柱頭螺釘  Table 2C [英标]
BS 2470 - 1973
BA螺紋内六角圓柱頭螺釘 Table 2C
Hexagon Socket Cheese Head Cap Screws - BA Thread
40 統一螺紋内六角圓柱頭螺釘 Table 2A [英标]
BS 2470 - 1973
統一螺紋内六角圓柱頭螺釘 Table 2A
Hexagon Socket Cheese Head Screws - Unified Thread
41 英制内六角圓柱頭螺釘 Table 2B [英标]
BS 2470 - 1973
英制内六角圓柱頭螺釘 Table 2B
Hexagon Socket Cheese Head Cap Screws - BSW and BSF Thread
42 米制内六角圓柱頭螺釘 [澳标]
AS 1420 - 2008 (R2015)
米制内六角圓柱頭螺釘
ISO Metric Hexagon Socket Head Cap Screws
43 内六角圓柱頭螺釘 [台灣]
CNS 3932 - 1998
内六角圓柱頭螺釘
Hexagon Socket Cheese Head Screws
44 内六角圓柱頭螺釘(M1.4~M2.5) [台灣]
CNS 4555 - 1981
内六角圓柱頭螺釘(M1.4~M2.5)
Hexagon Socket Cheese Head Screws
45 内六角矮圓柱頭螺釘 [台灣]
CNS 4556 - 1981
内六角矮圓柱頭螺釘
Hexagon Socket Head Cap Screws with Reduced Height of Head
46 内六角圓柱頭螺釘 A級 [俄标]
GOST 11738 - 1984
内六角圓柱頭螺釘 A級
Hexagon Socket Head Cap Screws, Accuracy Class A
47 内六角圓柱頭螺釘 [韓标]
KS B 1003 - 2015 (R2020)
内六角圓柱頭螺釘
Hexagon Socket Head Cap Screws
48 内六角圓柱頭螺釘 [韓标]
KS B 1003 - 2000
内六角圓柱頭螺釘
Hexagon Socket Head Cap Screws
49 建築機械與設備 高強度内六角圓柱頭螺釘 [建築]
JG /T 5057.10 - 1995
建築機械與設備 高強度内六角圓柱頭螺釘
Construction Machinery and Equipment - High Strength Screw with HexagonSocket Cap Head
50 内六角圓柱頭螺釘 - 細牙 [德标]
DIN EN ISO 12474 - 2011
内六角圓柱頭螺釘 - 細牙
Hexagon Socket Head Cap Screws with Metric Fine Pitch Thread
供應商(21)
51 内六角圓柱頭螺釘 - 粗牙 [德标]
DIN EN ISO 4762 - 2004
内六角圓柱頭螺釘 - 粗牙
Hexagon Socket Head Cap Screws
供應商(21)
52 内六角圓柱頭螺釘 [印标]
IS 2269 - 2006
内六角圓柱頭螺釘
Hexagon Socket Head Cap Screws
53 内六角圓柱頭螺釘 耐腐蝕鋼 UNC-3A [美國軍标]
MS 16995 (H) - 1997
内六角圓柱頭螺釘 耐腐蝕鋼 UNC-3A
Screw, Cap, Socket Head - Hexagon, Corrosion Resistant Steel, UNC-3A
54 内六角圓柱頭螺釘 [Table 1] (ASTM A574 / F837) [美标]
ASME B 18.3 (T1) - 2012
内六角圓柱頭螺釘 [Table 1] (ASTM A574 / F837)
Hexagon Socket Head Cap Screws [Table 1] (ASTM A574 / F837)
供應商(4)
55 内六角圓柱頭螺釘 [Table 1A] [美标]
ASME B 18.3 - 2003 (R2008)
内六角圓柱頭螺釘 [Table 1A]
Hexagon Socket Head Cap Screws
供應商(4)
56 内六角矮圓柱頭螺釘 [Table 12] (ASTM F835) [美标]
ASME B 18.3 (T12) - 2012
内六角矮圓柱頭螺釘 [Table 12] (ASTM F835)
Low Head Hexagon Socket Cap Screws [Table 12] (ASTM F835)
57 内六角矮圓柱頭螺釘 [Table 1G] [美标]
ASME B 18.3 - 2003 (R2008)
内六角矮圓柱頭螺釘 [Table 1G]
Low Head Hexagon Socket Cap Screws
58 钛合金内六角圓柱頭螺釘 [航天]
QJ 2582 (A) - 2011
钛合金内六角圓柱頭螺釘
Hexagon Socket Cap Screws in Titanium Alloys
供應商(1)
59 钛合金内六角圓柱頭螺釘 [航天]
QJ 2582 - 1993
钛合金内六角圓柱頭螺釘
Hexagon Socket Cap Screws In Titanium Alloys
供應商(1)
60 内六角對接螺栓 [航空]
HB 1- 149 - 1995
内六角對接螺栓
Hex Butt Joint Bolt
61 内六角對接螺栓 [航空]
HB 1- 149 - 1983
内六角對接螺栓
Hex Butt Joint Bolt
标準編号: DIN 6929 (EE) - 2013
中文名稱: 粗牙内六角圓柱頭細杆螺釘
英文名稱: Hexagon Socket Head Cap Screws
數據來源: 易緊通 (164580.com)
Standard Code: DIN 6929 (EE) - 2013Chinese Name: 粗牙内六角圓柱頭細杆螺釘English Name: Hexagon Socket Head Cap ScrewsSource: https://www.164580.com/info_396168.html
Data Source: YJT Fastener Database (164580.com)
Standard: DIN 6929 (EE) - 2013
URL: https://www.164580.com/info_396168.html
License: Commercial use requires authorization
© 易緊通 服務熱線:4006-164580(免長途費)