index
logo

米制銷軸 A型 ASME B 18.8.200M (B18.8.8M-Type A) - 2000

選擇規格尺寸 點擊↓

3

4

5

6

8

10

12

14

16

18

20

22

24

27

30

33

36

40

45

50

55

60

70

80

90

100

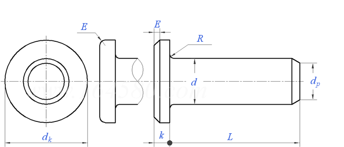
ASME B 18.8.200M (B18.8.8M-Type A) - 2000 米制銷軸 A型

尺寸單位: mm
美标ASME B18.8.200M (B18.8.8M-Type A) - 20 米制銷軸 A型
ASME B 18.8.200M (B18.8.8M-Type A) - 2000 米制銷軸 A型
掃一掃分享
公稱直徑
d
3 4 5 6 8 10 12 14 16 18 20 22 24
d 最大值
最小值
dk 最大值
最小值
k 最大值
最小值
E
R
dp 最大值
最小值
3.00 4.000 5.000 6.000 8.00 10.00 12.00 14.00 16.00 18.00 20.00 22.00 24.00
2.94 3.925 4.925 5.925 7.91 9.91 11.90 13.90 15.90 17.90 19.87 21.87 23.87
5.00 6.00 8.00 10.00 14.00 18.00 20.00 22.00 25.00 28.00 30.00 33.00 36.00
4.70 5.70 7.64 9.64 13.57 17.57 19.48 21.48 24.48 27.48 29.48 32.38 35.38
1.2 1.2 1.8 2.2 3.2 4.2 4.2 4.2 4.7 5.2 5.2 5.7 6.2
0.8 0.8 1.4 1.8 2.8 3.8 3.8 3.8 4.3 4.8 4.8 5.3 5.8
0.5 0.5 1 1 1 1 1.5 1.5 1.5 1.5 2 2 2
0.6 0.6 0.6 0.6 0.6 0.6 0.6 0.6 0.6 1 1 1 1
2.2 3.2 3.3 4.3 6.3 8.3 9.5 11.5 13.5 15.5 16.6 18.6 20.6
1.8 2.8 2.7 3.7 5.7 7.7 8.5 10.5 12.5 14.5 15.4 17.4 19.4
公稱直徑
d
27 30 33 36 40 45 50 55 60 70 80 90 100
d 最大值
最小值
dk 最大值
最小值
k 最大值
最小值
E
R
dp 最大值
最小值
27.00 30.00 33.00 36.00 40.00 45.00 50.00 55.00 60.00 70.00 80.00 90.00 100.00
26.87 29.87 32.84 35.84 39.84 44.84 49.84 54.81 59.81 69.81 79.81 89.78 99.78
40.00 44.00 47.00 50.00 55.00 60.00 66.00 72.00 78.00 90.00 100.00 110.00 120.00
39.38 43.38 46.38 49.38 54.26 59.26 65.26 71.26 77.26 89.13 99.13 109.13 119.13
6.2 8.3 8.3 8.3 8.3 9.3 9.3 11.4 12.4 13.4 13.4 13.4 13.4
5.8 7.7 7.7 7.7 7.7 8.7 8.7 10.6 11.6 12.6 12.6 12.6 12.6
2 2 2 2 2 2 2 3 3 3 3 3 3
1 1 1 1 1 1 1 1 1 1 1 1 1
23.6 26.6 29.6 32.6 36.6 41.6 46.6 50.0 55.0 65.0 75.0 85.0 95.0
22.4 25.4 28.4 31.4 35.4 40.4 45.4 48.0 53.0 63.0 73.0 83.0 93.0
替代列表
注:技術數據僅供參考,請以官方原件為準!
類似标準及供貨信息
1 無頭銷軸  B型(帶孔銷 ) [國标]
GB /T 880 (B) - 2008
無頭銷軸 B型(帶孔銷 )
Clevis Pins Without Head(Pins with Split Pin Hole)
供應商(1)
2 銷軸 A型和B型 [國标]
GB /T 882 - 2008
銷軸 A型和B型
Clevis Pin with Head - Type A and B
供應商(8)
3 無頭銷軸  (帶孔銷 ) [國标]
GB /T 880 - 1986
無頭銷軸 (帶孔銷 )
Clevis Pins Without Head (Pins with split pin hole )
供應商(1)
4 銷軸 [國标]
GB /T 882 - 1986
銷軸
Clevis Pins with Head
供應商(8)
5 液壓傳動 16MPa(160bar)中型和25MPa(250 bar)單杆缸附件 - 銷軸 軸套或關節軸承用 帶卡鍵或卡環 [國标]
GB /T 39949.1 (AA4-R/AA6-R) - 2021
液壓傳動 16MPa(160bar)中型和25MPa(250 bar)單杆缸附件 - 銷軸 軸套或關節軸承用 帶卡鍵或卡環
Hydraulic Fluid Power - Accessories for Single Rod Cylinders, 16 Mpa (160 bar) Medium and 25 Mpa (250 bar) Series: AA4-R - Pivot Pin, Plain Bearing or AA6-R - Pivot Pin, Spherical Bearing
6 鐵路車輛用帶頭銷釘 [德标]
DIN 5526 - 1999
鐵路車輛用帶頭銷釘
Pins with Head for Rail Vehicles
7 安全鎖止銷 [德标]
DIN 11023 - 1979
安全鎖止銷
Linch Pins
8 小頭銷軸 [德标]
DIN 1434 - 1977
小頭銷軸
Clevis Pins with Small Head; Finish M
9 銷軸 A型和B型 [德标]
DIN 1435 - 1977
銷軸 A型和B型
Clevis Pins with Small Head; Finish mg
10 帶頭銷軸 [德标]
DIN 1444 - 1974
帶頭銷軸
Clevis Pins with Head
11 液壓傳動 16MPa(160bar)中型和25MPa(250 bar)單杆缸附件 - 銷軸 軸套或關節軸承用 帶卡鍵或卡環 [國際]
ISO 8132 (AA4-R/AA6-R) - 2022
液壓傳動 16MPa(160bar)中型和25MPa(250 bar)單杆缸附件 - 銷軸 軸套或關節軸承用 帶卡鍵或卡環
Hydraulic Fluid Power - Accessories for Single Rod Cylinders, 16 Mpa (160 bar) Medium and 25 Mpa (250 bar) Series: AA4-R - Pivot Pin, Plain Bearing or AA6-R - Pivot Pin, Spherical Bearing
12 無頭銷軸  B型(帶孔銷 ) [國際]
ISO 2340 (B) - 1986
無頭銷軸 B型(帶孔銷 )
Clevis Pins Without Head - Type B
13 無頭銷軸 A型 [國際]
ISO 2340 (A) - 1986
無頭銷軸 A型
Clevis Pins Without Head - Type A
14 銷軸 A型和B型 [國際]
ISO 2341 - 1986
銷軸 A型和B型
Clevis Pins with Head - Type A and B
15 銷軸 [日标]
JIS B 2801 - 1996
銷軸
Shackle Pin, Forms BA and SA, and of Round Plug
16 銷軸 [汽标代号]
Q 510
銷軸
Clevis Pins with Head
供應商(1)
17 銷軸 [美标]
ASME/ANSI B 18.8.1 - 2000
銷軸
Clevis Pins with Head
18 無頭銷軸 A型 [歐标]
EN 22340 (A) - 1992
無頭銷軸 A型
Clevis Pins without Head - Form A
19 無頭銷軸  B型(帶孔銷 ) [歐标]
EN 22340 (B) - 1992
無頭銷軸 B型(帶孔銷 )
Clevis Pins without Head - Form B
20 銷軸 [歐标]
EN 22341 - 1992
銷軸
Clevis Pins with Head
21 帶孔銷 [法國]
NF E 25-753 - 1992 (R2002)
帶孔銷
Clevis Pins Without Head
22 銷軸 [法國]
NF E 25-754 - 1992 (R2002)
銷軸
Clevis Pins with Head
23 光圓銷 [鐵道部]
TB /T 54 - 1993
光圓銷

24 毛圓銷 [鐵道部]
TB /T 56 - 1993
毛圓銷

25 帶鎖緊墊圈槽銷軸 [俄标]
GOST 9650 (Type 3) - 1980
帶鎖緊墊圈槽銷軸
Axle with a Locking Washer Groove
26 帶安全環槽銷軸 [俄标]
GOST 9650 (Type 4) - 1980
帶安全環槽銷軸
Axle with a Safety Ring Groove
27 銷軸 [俄标]
GOST 9650 (Type 5) - 1980
銷軸
Clevis Pin with Head
28 帶鎖緊墊圈銷軸 [俄标]
GOST 9650 (Type 7) - 1980
帶鎖緊墊圈銷軸
Axle with a Locking Washer
29 帶安全環槽銷軸 [俄标]
GOST 9650 (Type 8) - 1980
帶安全環槽銷軸
Axle with a Safety Ring Groove
30 銷軸 [美标]
SAE J 493 - 1961
銷軸
Clevis Pin
31 無頭銷軸 A型 [德标]
DIN EN 22340 (A) - 1992
無頭銷軸 A型
Clevis Pins without Head - Form A
32 無頭銷軸  B型(帶孔銷 ) [德标]
DIN EN 22340 (B) - 1992
無頭銷軸 B型(帶孔銷 )
Clevis Pins Without Head - Form B
33 帶頭銷軸 [德标]
DIN EN 22341 - 1992
帶頭銷軸
Clevis Pins with Head
34 無頭銷軸 [印标]
IS 6862 - 2005
無頭銷軸
Clevis Pins Without Head
35 銷軸 [印标]
IS 6863 - 2005
銷軸
Clevis Pins with Head
36 銷軸 [美标]
ASME B 18.8.1 - 2014
銷軸
Clevis Pins with Head
37 米制銷軸 B型 [美标]
ASME B 18.8.200M (B18.8.8M-Type B) - 2000
米制銷軸 B型
Metric Clevis Pin with Head - Type B
38 米制銷軸 A型 [美标]
ASME B 18.8.8M (A) - 1994
米制銷軸 A型
Metric Clevis Pin with Head - Type A
© 易緊通 服務熱線:4006-164580(免長途費)