index
logo

帶安全環槽銷軸 GOST 9650 (Type 4) - 1980

選擇規格尺寸 點擊↓

6

8

10

12

14

16

18

20

22

(25)

(28)

30

括号内尺寸為非優選
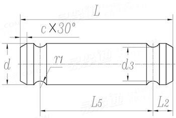
GOST  9650 (Type 4) - 1980 帶安全環槽銷軸

尺寸單位: mm
俄标GOST 9650 (Type 4) - 1980 GOST9650 965 帶安全環槽銷軸
GOST  9650 (Type 4) - 1980 帶安全環槽銷軸
掃一掃分享
公稱長度L
公稱直徑
d
6 8 10 12 14 16 18 20 22 (25) (28) 30
L2
d3 最大值=公稱
最小值
r1
c
3 3 4 4 5 5 5 5 6 6 6 8
5.6 7.6 9.6 11.4 13.4 15 17 18.8 20.8 23.8 26.8 28.8
5.5 7.5 9.5 11.3 13.3 14.9 16.9 18.6 20.6 23.6 26.6 28.6
0.4 0.4 0.4 0.6 0.6 1 1 1.2 1.2 1.2 1.2 1.2
0.6 0.6 1 1 1.6 1.6 1.6 1.6 1.6 1.6 1.6 1.6
L5
- - - - - - - - - - - -
①,允許将銷軸頭部和端部做成圓角,尺寸等于倒角尺寸c。
注:技術數據僅供參考,請以官方原件為準!
類似标準及供貨信息
1 無頭銷軸  B型(帶孔銷 ) [國标]
GB /T 880 (B) - 2008
無頭銷軸 B型(帶孔銷 )
Clevis Pins Without Head(Pins with Split Pin Hole)
供應商(1)
2 銷軸 A型和B型 [國标]
GB /T 882 - 2008
銷軸 A型和B型
Clevis Pin with Head - Type A and B
供應商(8)
3 無頭銷軸  (帶孔銷 ) [國标]
GB /T 880 - 1986
無頭銷軸 (帶孔銷 )
Clevis Pins Without Head (Pins with split pin hole )
供應商(1)
4 銷軸 [國标]
GB /T 882 - 1986
銷軸
Clevis Pins with Head
供應商(8)
5 液壓傳動 16MPa(160bar)中型和25MPa(250 bar)單杆缸附件 - 銷軸 軸套或關節軸承用 帶卡鍵或卡環 [國标]
GB /T 39949.1 (AA4-R/AA6-R) - 2021
液壓傳動 16MPa(160bar)中型和25MPa(250 bar)單杆缸附件 - 銷軸 軸套或關節軸承用 帶卡鍵或卡環
Hydraulic Fluid Power - Accessories for Single Rod Cylinders, 16 Mpa (160 bar) Medium and 25 Mpa (250 bar) Series: AA4-R - Pivot Pin, Plain Bearing or AA6-R - Pivot Pin, Spherical Bearing
6 鐵路車輛用帶頭銷釘 [德标]
DIN 5526 - 1999
鐵路車輛用帶頭銷釘
Pins with Head for Rail Vehicles
7 安全鎖止銷 [德标]
DIN 11023 - 1979
安全鎖止銷
Linch Pins
8 小頭銷軸 [德标]
DIN 1434 - 1977
小頭銷軸
Clevis Pins with Small Head; Finish M
9 銷軸 A型和B型 [德标]
DIN 1435 - 1977
銷軸 A型和B型
Clevis Pins with Small Head; Finish mg
10 帶頭銷軸 [德标]
DIN 1444 - 1974
帶頭銷軸
Clevis Pins with Head
11 液壓傳動 16MPa(160bar)中型和25MPa(250 bar)單杆缸附件 - 銷軸 軸套或關節軸承用 帶卡鍵或卡環 [國際]
ISO 8132 (AA4-R/AA6-R) - 2022
液壓傳動 16MPa(160bar)中型和25MPa(250 bar)單杆缸附件 - 銷軸 軸套或關節軸承用 帶卡鍵或卡環
Hydraulic Fluid Power - Accessories for Single Rod Cylinders, 16 Mpa (160 bar) Medium and 25 Mpa (250 bar) Series: AA4-R - Pivot Pin, Plain Bearing or AA6-R - Pivot Pin, Spherical Bearing
12 無頭銷軸  B型(帶孔銷 ) [國際]
ISO 2340 (B) - 1986
無頭銷軸 B型(帶孔銷 )
Clevis Pins Without Head - Type B
13 無頭銷軸 A型 [國際]
ISO 2340 (A) - 1986
無頭銷軸 A型
Clevis Pins Without Head - Type A
14 銷軸 A型和B型 [國際]
ISO 2341 - 1986
銷軸 A型和B型
Clevis Pins with Head - Type A and B
15 銷軸 [日标]
JIS B 2801 - 1996
銷軸
Shackle Pin, Forms BA and SA, and of Round Plug
16 銷軸 [汽标代号]
Q 510
銷軸
Clevis Pins with Head
供應商(1)
17 銷軸 [美标]
ASME/ANSI B 18.8.1 - 2000
銷軸
Clevis Pins with Head
18 無頭銷軸 A型 [歐标]
EN 22340 (A) - 1992
無頭銷軸 A型
Clevis Pins without Head - Form A
19 無頭銷軸  B型(帶孔銷 ) [歐标]
EN 22340 (B) - 1992
無頭銷軸 B型(帶孔銷 )
Clevis Pins without Head - Form B
20 銷軸 [歐标]
EN 22341 - 1992
銷軸
Clevis Pins with Head
21 帶孔銷 [法國]
NF E 25-753 - 1992 (R2002)
帶孔銷
Clevis Pins Without Head
22 銷軸 [法國]
NF E 25-754 - 1992 (R2002)
銷軸
Clevis Pins with Head
23 光圓銷 [鐵道部]
TB /T 54 - 1993
光圓銷

24 毛圓銷 [鐵道部]
TB /T 56 - 1993
毛圓銷

25 帶鎖緊墊圈槽銷軸 [俄标]
GOST 9650 (Type 3) - 1980
帶鎖緊墊圈槽銷軸
Axle with a Locking Washer Groove
26 銷軸 [俄标]
GOST 9650 (Type 5) - 1980
銷軸
Clevis Pin with Head
27 帶鎖緊墊圈銷軸 [俄标]
GOST 9650 (Type 7) - 1980
帶鎖緊墊圈銷軸
Axle with a Locking Washer
28 帶安全環槽銷軸 [俄标]
GOST 9650 (Type 8) - 1980
帶安全環槽銷軸
Axle with a Safety Ring Groove
29 銷軸 [美标]
SAE J 493 - 1961
銷軸
Clevis Pin
30 無頭銷軸 A型 [德标]
DIN EN 22340 (A) - 1992
無頭銷軸 A型
Clevis Pins without Head - Form A
31 無頭銷軸  B型(帶孔銷 ) [德标]
DIN EN 22340 (B) - 1992
無頭銷軸 B型(帶孔銷 )
Clevis Pins Without Head - Form B
32 帶頭銷軸 [德标]
DIN EN 22341 - 1992
帶頭銷軸
Clevis Pins with Head
33 無頭銷軸 [印标]
IS 6862 - 2005
無頭銷軸
Clevis Pins Without Head
34 銷軸 [印标]
IS 6863 - 2005
銷軸
Clevis Pins with Head
35 銷軸 [美标]
ASME B 18.8.1 - 2014
銷軸
Clevis Pins with Head
36 米制銷軸 A型 [美标]
ASME B 18.8.200M (B18.8.8M-Type A) - 2000
米制銷軸 A型
Metric Clevis Pin with Head - Type A
37 米制銷軸 B型 [美标]
ASME B 18.8.200M (B18.8.8M-Type B) - 2000
米制銷軸 B型
Metric Clevis Pin with Head - Type B
38 米制銷軸 A型 [美标]
ASME B 18.8.8M (A) - 1994
米制銷軸 A型
Metric Clevis Pin with Head - Type A
© 易緊通 服務熱線:4006-164580(免長途費)