index
logo

液壓傳動 16MPa(160bar)中型和25MPa(250 bar)單杆缸附件 - 耳軸支架 GB /T 39949.1 (AT4) - 2021

選擇規格尺寸 點擊↓

12

16

20

25

32

40

50

63

80

90

100

110

125


尺寸單位: mm
國标GB /T39949.1 (AT4) - 2021 GB39949.1 39 液壓傳動 16MPa(160bar)中型和25MPa(250 bar)單杆缸附件 - 耳軸支架
GB /T 39949.1 (AT4) - 2021 液壓傳動 16MPa(160bar)中型和25MPa(250 bar)單杆缸附件 - 耳軸支架
掃一掃分享
型号
12 16 20 25 32 40 50 63 80 90 100 110 125
公稱力 /N
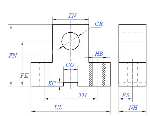
CR H7
FK js12
FN 最大值
HB H13
NH 最大值
TH js13
TN 最大值
UL 最大值
CO N9
KC +0.3, 0
FS js13
8000 12500 20000 32000 50000 80000 125000 200000 320000 385000 500000 630000 785000
12 16 20 25 32 40 50 63 80 90 100 110 125
34 40 45 55 65 76 95 112 140 160 180 200 220
50 60 70 80 100 120 140 180 220 250 280 310 345
9 11 11 13.5 17.5 22 26 33 39 45 52 52 62
17 21 21 26 33 41 51 61 81 91 102 112 132
40 50 60 80 110 125 160 200 250 265 295 320 385
24 31 41 56 70 88 105 130 170 190 215 240 270
63 80 90 110 150 170 210 265 325 345 385 410 570
10 16 16 25 25 36 36 50 50 63 63 80 80
3.3 4.3 4.3 5.4 5.4 8.4 8.4 11.4 11.4 12.4 12.4 15.4 15.4
8 10 10 12 15 16 20 25 31 40 45 50 56
①,适用于缸徑25 mm~250 mm 的16 MPa (160bar) 液壓缸和缸徑50 mm~200 mm 的25 MPa (250bar) 液壓缸。
②,CR-在耳軸支架上用于螺栓的孔
FK-安裝面至銷軸軸線的距離
FN-耳軸支架的總高
HB-支架安裝孔直徑
NH-耳軸支架的厚度
TH-安裝螺栓間距
UL-外形尺寸
CO-鍵槽寬度
KC-鍵槽深度
​FS-安裝孔的距離
注:技術數據僅供參考,請以官方原件為準!
類似标準及供貨信息
1 旋入式圓形油标 A型 [國标]
GB 1160.2 (A) - 1989
旋入式圓形油标 A型
Oil Level Indicators - Screwing Round Type - Type A
供應商(1)
2 液壓傳動 16MPa(160bar)中型和25MPa(250 bar)單杆缸附件 - 活塞杆用雙耳環 内螺紋 [國标]
GB /T 39949.1 (AP2) - 2021
液壓傳動 16MPa(160bar)中型和25MPa(250 bar)單杆缸附件 - 活塞杆用雙耳環 内螺紋
Hydraulic Fluid Power - Accessories for Single Rod Cylinders, 16 Mpa (160 bar) Medium and 25 Mpa (250 bar) Series - Rod Clevis, Female Thread
3 液壓傳動 16MPa(160bar)中型和25MPa(250 bar)單杆缸附件 - 活塞杆用法蘭 圓形 [國标]
GB /T 39949.1 (AF3) - 2021
液壓傳動 16MPa(160bar)中型和25MPa(250 bar)單杆缸附件 - 活塞杆用法蘭 圓形
Hydraulic Fluid Power - Accessories for Single Rod Cylinders, 16 Mpa (160 bar) Medium and 25 Mpa (250 bar) Series - Rod Flange, Circular
4 液壓傳動 16MPa(160bar)中型和25MPa(250 bar)單杆缸附件 - 雙耳環支架 通孔 對稱型 [國标]
GB /T 39949.1 (AB4) - 2021
液壓傳動 16MPa(160bar)中型和25MPa(250 bar)單杆缸附件 - 雙耳環支架 通孔 對稱型
Hydraulic Fluid Power - Accessories for Single Rod Cylinders, 16 Mpa (160 bar) Medium and 25 Mpa (250 bar) Series - Clevis Bracket Straight
5 液壓傳動 16MPa(160bar)中型和25MPa(250 bar)單杆缸附件 - 雙耳環支架 通孔 斜型 [國标]
GB /T 39949.1 (AB3) - 2021
液壓傳動 16MPa(160bar)中型和25MPa(250 bar)單杆缸附件 - 雙耳環支架 通孔 斜型
Hydraulic Fluid Power - Accessories for Single Rod Cylinders, 16 Mpa (160 bar) Medium and 25 Mpa (250 bar) Series - Clevis Bracket, In Angle
6 液壓傳動 16MPa(160bar)中型和25MPa(250 bar)單杆缸附件 - 活塞杆用帶關節軸承的單耳環 内螺紋 [國标]
GB /T 39949.1 (AP6) - 2021
液壓傳動 16MPa(160bar)中型和25MPa(250 bar)單杆缸附件 - 活塞杆用帶關節軸承的單耳環 内螺紋
Hydraulic Fluid Power - Accessories for Single Rod Cylinders, 16 Mpa (160 bar) Medium and 25 Mpa (250 bar) Series - Rod Eye Spherical, Female Thread
7 液壓傳動 16MPa(160bar)中型和25MPa(250 bar)單杆缸附件 - 活塞杆用單耳環 内螺紋 [國标]
GB /T 39949.1 (AP4) - 2021
液壓傳動 16MPa(160bar)中型和25MPa(250 bar)單杆缸附件 - 活塞杆用單耳環 内螺紋
Hydraulic Fluid Power - Accessories for Single Rod Cylinders, 16 Mpa (160 bar) Medium and 25 Mpa (250 bar) Series - Rod Eye Plain, Female Thread
8 機床夾具零部件—多手柄螺母 [國标]
GB /T 2157 - 1991
機床夾具零部件—多手柄螺母
The parts and units of jigs and fixtures Multiple handle nut
9 機床夾具零件及部件 壓緊螺釘 [國标]
GB /T 2160 - 1991
機床夾具零件及部件 壓緊螺釘
The Parts and Units of Jigs and Fixtures-holddown Screw
10 機床夾具零件及部件 光面壓塊 [國标]
GB /T 2171 - 1991
機床夾具零件及部件 光面壓塊
The Parts and Units of Jigs and Fixtures - Smooth Face Clamp Plate
11 機床夾具零件及部件 - 鉤形壓闆  A型和C型 [國标]
GB /T 2196 (A/C) - 1991
機床夾具零件及部件 - 鉤形壓闆 A型和C型
The Parts and Units of Jigs and Fixtures - Hook Clamp Plate - Type A and C
12 機床夾具零件及部件 - 鉤形壓闆  B型 [國标]
GB /T 2196 (B) - 1991
機床夾具零件及部件 - 鉤形壓闆 B型
The Parts and Units of Jigs and Fixtures - Hook Clamp Plate - Type B
13 機床夾具零件及部件 鉤形壓闆(組合) [國标]
GB /T 2197 - 1991
機床夾具零件及部件 鉤形壓闆(組合)
The Parts and Units of Jigs and Fixtures Hook Clamp Plate (Combinatlon)
14 機床夾具零件及部件 - 立式鉤型壓闆(組合) [國标]
GB /T 2198 - 1991
機床夾具零件及部件 - 立式鉤型壓闆(組合)
The Parts and Units of Jigs and Fixtures - Vertical Hook Clamp Plate (Combination)
15 機床夾具零件及部件 - 端面鉤形壓闆(組合) [國标]
GB /T 2199 - 1991
機床夾具零件及部件 - 端面鉤形壓闆(組合)
The Parts and Units of Jigs and Fixtures - End Face Hook Plate (Combination)
16 機床夾具零件及部件 - 側面鉤形壓闆(組合) [國标]
GB /T 2200 - 1991
機床夾具零件及部件 - 側面鉤形壓闆(組合)
The Parts and Units of Jigs and Fixtures - Side Face Hook Clamp Plate (Combination)
17 機床夾具零件及部件 定位襯套 [國标]
GB /T 2201 - 1991
機床夾具零件及部件 定位襯套
The Parts and Units of Jigs and Fixtures Locating Bush
18 機床夾具零件及部件 固定式定位銷 [國标]
GB /T 2203 - 1991
機床夾具零件及部件 固定式定位銷
The Parts and Units of Jigs and Fixtures (Fixed locating pin)
19 機床夾具零件及部件 - 定位插銷 [國标]
GB /T 2205 - 1991
機床夾具零件及部件 - 定位插銷
The Parts and Units of Jigs and Fixtures - Aligning Pin
20 機床夾具零件及部件 - 定位鍵 [國标]
GB 2206 - 1991
機床夾具零件及部件 - 定位鍵
The Parts and Units of Jigs Fixtures - Locating Key
21 機床夾具零件及部件 - 活動手柄 [國标]
GB /T 2220 - 1991
機床夾具零件及部件 - 活動手柄
The Parts and Units of Jigs and Fixtures - Flexible Handle
22 機床夾具零件及部件 - 起重螺栓 [國标]
GB /T 2225 - 1991
機床夾具零件及部件 - 起重螺栓
The Parts and Units of Jigs and Fixtures - Lifting Bolt
23 機床夾具零件及部件 - 調節支承 [國标]
GB /T 2230 - 1991
機床夾具零件及部件 - 調節支承
The Parts and Units of Jigs and Fixtures Adjustable Supporters
24 機床夾具零件及部件 - 低支腳 [國标]
GB /T 2234 - 1991
機床夾具零件及部件 - 低支腳
The Parts and Units of Jigs and Fixtures - Short Legs
25 機床夾具零件及部件 塑料夾具用六角螺釘 [國标]
GB /T 2256 - 1991
機床夾具零件及部件 塑料夾具用六角螺釘
The Parts and Units of Jigs and Fixtures - Hex Screw For Plastic Fixture
26 機床夾具零件及部件 塑料夾具用内六角螺釘 [國标]
GB /T 2257 - 1991
機床夾具零件及部件 塑料夾具用内六角螺釘
The Parts and Units of Jigs and Fixtures - Inner Hex Screw for Plastic Fixtures
27 旋入式圓形油标 B型 [國标]
GB 1160.2 (B) - 1989
旋入式圓形油标 B型
Oil Level Indicators - Screwing Round Type - Type B
28 船用帶舌插銷  A型 [國标]
GB 3473 - 1983
船用帶舌插銷 A型
Marine Toggle Pins - Type A
29 船用帶舌插銷  B型 [國标]
GB 3473 - 1983
船用帶舌插銷 B型
Marine Toggle Pins - Type B
30 叉型頭, U型頭 [德标]
DIN 71752 - 1994
叉型頭, U型頭
Fork Heads
供應商(1)
31 普通夾具 直邊卡箍 夾緊塊 [德标]
DIN 6314 - 2009
普通夾具 直邊卡箍 夾緊塊
Clamp, Straight
32 叉形壓闆 夾鉗 B型 [德标]
DIN 6315 (B) - 2009
叉形壓闆 夾鉗 B型
Clamp, Forked - Form B
33 叉形壓闆 夾鉗 C型 [德标]
DIN 6315 (C) - 2009
叉形壓闆 夾鉗 C型
Clamp, Forked - Form C
34 帶移動卡式螺栓的定位銷釘 旋杆 [德标]
DIN 6306 (-2) - 2002
帶移動卡式螺栓的定位銷釘 旋杆
Tommy Screws with Moveable Clamping Bolt - Bar
35 帶移動卡式螺栓的定位銷釘 杆端帽 [德标]
DIN 6306 (-3) - 2002
帶移動卡式螺栓的定位銷釘 杆端帽
Tommy Screws with Moveable Clamping Bolt - End Caps
36 工裝和夾具用螺紋體支腳 [德标]
DIN 6320 - 2002
工裝和夾具用螺紋體支腳
Feet with Threaded Shank for Jigs and Fixtures
37 支撐和定位銷 [德标]
DIN 6321 - 2002
支撐和定位銷
Support and Location Pins
38 導向襯套 鑽套  A型和B型 [德标]
DIN 172 - 1992
導向襯套 鑽套 A型和B型
Press Fit Jig Bushes, Headed - Form A and B
39 鑄型用銷釘 [德标]
DIN 1163 - 1973
鑄型用銷釘
Molding Pins
40 液壓傳動 16MPa(160bar)中型和25MPa(250 bar)單杆缸附件 - 活塞杆用雙耳環 内螺紋 [國際]
ISO 8132 (AP2) - 2022
液壓傳動 16MPa(160bar)中型和25MPa(250 bar)單杆缸附件 - 活塞杆用雙耳環 内螺紋
Hydraulic Fluid Power - Accessories for Single Rod Cylinders, 16 Mpa (160 bar) Medium and 25 Mpa (250 bar) Series - Rod Clevis, Female Thread
41 液壓傳動 16MPa(160bar)中型和25MPa(250 bar)單杆缸附件 - 活塞杆用法蘭 圓形 [國際]
ISO 8132 (AF3) - 2022
液壓傳動 16MPa(160bar)中型和25MPa(250 bar)單杆缸附件 - 活塞杆用法蘭 圓形
Hydraulic Fluid Power - Accessories for Single Rod Cylinders, 16 MPa (160 bar) medium and 25 MPa (250 bar) Series - Rod Flange, Circular
42 液壓傳動 16MPa(160bar)中型和25MPa(250 bar)單杆缸附件 - 雙耳環支架 通孔 對稱型 [國際]
ISO 8132 (AB4) - 2022
液壓傳動 16MPa(160bar)中型和25MPa(250 bar)單杆缸附件 - 雙耳環支架 通孔 對稱型
Hydraulic Fluid Power - Accessories for Single Rod Cylinders, 16 Mpa (160 bar) Medium and 25 Mpa (250 bar) Series - Clevis Bracket Straight
43 液壓傳動 16MPa(160bar)中型和25MPa(250 bar)單杆缸附件 - 雙耳環支架 通孔 斜型 [國際]
ISO 8132 (AB3) - 2022
液壓傳動 16MPa(160bar)中型和25MPa(250 bar)單杆缸附件 - 雙耳環支架 通孔 斜型
Hydraulic Fluid Power - Accessories for Single Rod Cylinders, 16 Mpa (160 bar) Medium and 25 Mpa (250 bar) Series - Clevis Bracket, In Angle
44 液壓傳動 16MPa(160bar)中型和25MPa(250 bar)單杆缸附件 - 耳軸支架 [國際]
ISO 8132 (AT4) - 2022
液壓傳動 16MPa(160bar)中型和25MPa(250 bar)單杆缸附件 - 耳軸支架
Hydraulic Fluid Power - Accessories for Single Rod Cylinders, 16 Mpa (160 bar) Medium and 25 Mpa (250 bar) Series - Trunnion Bracket
45 液壓傳動 16MPa(160bar)中型和25MPa(250 bar)單杆缸附件 - 活塞杆用帶關節軸承的單耳環 内螺紋 [國際]
ISO 8132 (AP6) - 2022
液壓傳動 16MPa(160bar)中型和25MPa(250 bar)單杆缸附件 - 活塞杆用帶關節軸承的單耳環 内螺紋
Hydraulic Fluid Power - Accessories for Single Rod Cylinders, 16 Mpa (160 bar) Medium and 25 Mpa (250 bar) Series - Rod Eye Spherical, Female Thread
46 液壓傳動 16MPa(160bar)中型和25MPa(250 bar)單杆缸附件 - 活塞杆用單耳環 内螺紋 [國際]
ISO 8132 (AP4) - 2022
液壓傳動 16MPa(160bar)中型和25MPa(250 bar)單杆缸附件 - 活塞杆用單耳環 内螺紋
Hydraulic Fluid Power - Accessories for Single Rod Cylinders, 16 Mpa (160 bar) Medium and 25 Mpa (250 bar) Series - Rod Eye Plain, Female Thread
47 螺紋叉 [汽标代号]
Q 740
螺紋叉
Threaded Connecting Fork
48 螺紋叉 - 細牙 [汽标代号]
Q 741
螺紋叉 - 細牙
Threaded Connecting Fork - Fine Thread
49 焊接叉 [汽标代号]
Q 742
焊接叉
Weldable Connecting Fork
50 旋入式圓形油标 A型 [機械行業]
JB /T 7941.2 (A) - 1995
旋入式圓形油标 A型
Oil Level Indicators Screwing Round Type - Type A
供應商(1)
51 Z1型脹緊聯結套 [機械行業]
JB /T 7934 - 1999
Z1型脹緊聯結套
Locking Assemblies, Type Z1
52 Z2型脹緊聯結套 [機械行業]
JB /T 7934 - 1999
Z2型脹緊聯結套
Locking Assemblies, Type Z2
53 Z3型脹緊聯結套 [機械行業]
JB /T 7934 - 1999
Z3型脹緊聯結套
Locking Assemblies, Type Z3
54 Z4型脹緊聯結套 [機械行業]
JB /T 7934 - 1999
Z4型脹緊聯結套
Locking Assemblies, Type Z4
55 Z5型脹緊聯結套 [機械行業]
JB /T 7934 - 1999
Z5型脹緊聯結套
Locking Assemblies, Type Z5
56 Z6型脹緊聯結套 [機械行業]
JB /T 7934 - 1999
Z6型脹緊聯結套
Locking Assemblies, Type Z6
57 Z7A型脹緊聯結套 [機械行業]
JB /T 7934 - 1999
Z7A型脹緊聯結套
Locking Assemblies, Type Z7A
58 Z7B型脹緊聯結套 [機械行業]
JB /T 7934 - 1999
Z7B型脹緊聯結套
Locking Assemblies, Type Z7B
59 Z7C型脹緊聯結套 [機械行業]
JB /T 7934 - 1999
Z7C型脹緊聯結套
Locking Assemblies, Type Z7C
60 Z8型脹緊聯結套 [機械行業]
JB /T 7934 - 1999
Z8型脹緊聯結套
Locking Assemblies, Type Z8
61 Z9型脹緊聯結套 [機械行業]
JB /T 7934 - 1999
Z9型脹緊聯結套
Locking Assemblies, Type Z9
62 Z10型脹緊聯結套 [機械行業]
JB /T 7934 - 1999
Z10型脹緊聯結套
Locking Assemblies, Type Z10
63 Z11型脹緊聯結套 [機械行業]
JB /T 7934 - 1999
Z11型脹緊聯結套
Locking Assemblies, Type Z11
64 Z12A型脹緊聯結套 [機械行業]
JB /T 7934 - 1999
Z12A型脹緊聯結套
Locking Assemblies, Type Z12A
65 Z12B型脹緊聯結套 [機械行業]
JB /T 7934 - 1999
Z12B型脹緊聯結套
Locking Assemblies, Type Z12B
66 Z12C型脹緊聯結套 [機械行業]
JB /T 7934 - 1999
Z12C型脹緊聯結套
Locking Assemblies, Type Z12C
67 Z13型脹緊聯結套 [機械行業]
JB /T 7934 - 1999
Z13型脹緊聯結套
Locking Assemblies, Type Z13
68 Z15型脹緊聯結套 [機械行業]
JB /T 7934 - 1999
Z15型脹緊聯結套
Locking Assemblies, Type Z15
69 Z16型脹緊聯結套 [機械行業]
JB /T 7934 - 1999
Z16型脹緊聯結套
Locking Assemblies, Type Z16
70 Z17A型脹緊聯結套 [機械行業]
JB /T 7934 - 1999
Z17A型脹緊聯結套
Locking Assemblies, Type Z17A
71 Z17B型脹緊聯結套 [機械行業]
JB /T 7934 - 1999
Z17B型脹緊聯結套
Locking Assemblies, Type Z17B
72 Z18型脹緊聯結套 [機械行業]
JB /T 7934 - 1999
Z18型脹緊聯結套
Locking Assemblies, Type Z18
73 Z19A型脹緊聯結套 [機械行業]
JB /T 7934 - 1999
Z19A型脹緊聯結套
Locking Assemblies, Type Z19A
74 Z19B型脹緊聯結套 [機械行業]
JB /T 7934 - 1999
Z19B型脹緊聯結套
Locking Assemblies, Type Z19B
75 Z20型脹緊聯結套 [機械行業]
JB /T 7934 - 1999
Z20型脹緊聯結套
Locking Assemblies, Type Z20
76 機床夾具零件及部件 - 手柄螺母 [機械行業]
JB /T 8004.8 (GB 2155) - 1999
機床夾具零件及部件 - 手柄螺母
The Parts and Units of Jigs and Fixtures Handle Nut
77 機床夾具零件及部件 回轉手柄螺母 [機械行業]
JB /T 8004.9 - 1999
機床夾具零件及部件 回轉手柄螺母
The Parts and Units of Jigs and Fixtures Rotary Handle Nut
78 機床夾具零件及部件 - 壓緊螺釘 [機械行業]
JB /T 8006.1 - 1999
機床夾具零件及部件 - 壓緊螺釘
The Parts and Units of Jigs and Fixtures - Holddown Screws
79 鉤形螺栓 [機械行業]
JB /T 8007.3 - 1999
鉤形螺栓
Hook Bolt
80 機床夾具零件及部件 - 立式鉤型壓闆(組合) [機械行業]
JB /T 8012.3 - 1999
機床夾具零件及部件 - 立式鉤型壓闆(組合)
The Parts and Units of Jigs and Fixtures - Vertical Hook Clamp Plate (Combination)
81 機床夾具零件及部件 - 端面鉤形壓闆(組合) [機械行業]
JB /T 8012.4 - 1999
機床夾具零件及部件 - 端面鉤形壓闆(組合)
The Parts and Units of Jigs and Fixtures - End Face Hook Clamp Plate (Combination)
82 機床夾具零件及部件 - 側面鉤形壓闆(組合) [機械行業]
JB /T 8012.5 - 1999
機床夾具零件及部件 - 側面鉤形壓闆(組合)
The Parts and Units of Jigs and Fixtures - Sided Face Hook Clamp Plate (Combination)
83 機床夾具零件及部件 - 定位插銷 [機械行業]
JB /T 8015 - 1999
機床夾具零件及部件 - 定位插銷
The Parts and Units of Jigs and Fixtures - Aligning Pin
84 六角頭支承 [機械行業]
JB /T 8026.1 - 1999
六角頭支承
Hex Head Supporting
85 機床夾具零件及部件 - 調節支承 [機械行業]
JB /T 8026.4 - 1999
機床夾具零件及部件 - 調節支承
The Parts and Units of Jigs and Fixtures Adjustable Supporters
86 機床夾具零件及部件 - 自動調節支承 [機械行業]
JB /T 8026.7 - 1999
機床夾具零件及部件 - 自動調節支承
The Parts and Units of Jigs and Fixtures - Automatic Adjuctable Supportors
87 旋入式圓形油标 B型 [機械行業]
JB /T 7941.2 (B) - 1995
旋入式圓形油标 B型
Oil Level Indicators Screwing Round Type - Type B
88 機床夾具零部件—多手柄螺母 [機械行業]
JB 8004.10 - 1995
機床夾具零部件—多手柄螺母
The parts and units of jigs and fixtures Multiple handle nut
89 腳杯 [标準]
YJT 13009
腳杯
Leveling Mounts
供應商(1)
90 叉形接頭 [标準]
YJT 13003
叉形接頭
Fork Joints
91 萬向調節腳 [标準]
YJT 13011
萬向調節腳
Swivel Leveling Mounts
92 螺紋叉 [汽标]
QC /T 336 - 1999
螺紋叉
Threaded Connecting Fork
93 焊接叉 [汽标]
QC /T 337 - 1999
焊接叉
Weldable Connecting Fork
94 護線圈 [美國軍标]
MS 35489 - 2012
護線圈
Grommets, Synthetic and Silicone Rubber, Hot-oil and Coolant Resistant
95 英制滾珠軸承和滾柱軸承配件  鎖闆 Table 5.3 [美标]
ANSI /ABMA 8.2 - 1999
英制滾珠軸承和滾柱軸承配件 鎖闆 Table 5.3
Lockplate Dimensions Inch Design Series P-000
96 帶螺母的角材 [航空]
HB 8069 - 2002
帶螺母的角材
Angle with Nuts
97 螺紋頂杆 [航空]
HB 863 - 1990
螺紋頂杆

98 表夾 [航空]
HB 2026 - 1989
表夾

99 切向夾緊件 - 襯套 [航空]
HB 2059 (-2) - 1989
切向夾緊件 - 襯套

100 切向夾緊件 [航空]
HB 2059 - 1989
切向夾緊件

标準編号: GB /T 39949.1 (AT4) - 2021
中文名稱: 液壓傳動 16MPa(160bar)中型和25MPa(250 bar)單杆缸附件 - 耳軸支架
英文名稱: Hydraulic Fluid Power - Accessories for Single Rod Cylinders, 16 Mpa (160 bar) Medium and 25 Mpa (250 bar) Series - Trunnion Bracket
數據來源: 易緊通 (164580.com)
Standard Code: GB /T 39949.1 (AT4) - 2021Chinese Name: 液壓傳動 16MPa(160bar)中型和25MPa(250 bar)單杆缸附件 - 耳軸支架English Name: Hydraulic Fluid Power - Accessories for Single Rod Cylinders, 16 Mpa (160 bar) Medium and 25 Mpa (250 bar) Series - Trunnion BracketSource: https://www.164580.com/info_427754.html
Data Source: YJT Fastener Database (164580.com)
Standard: GB /T 39949.1 (AT4) - 2021
URL: https://www.164580.com/info_427754.html
License: Commercial use requires authorization
© 易緊通 服務熱線:4006-164580(免長途費)