index
logo

切向夾緊件 - 襯套 HB 2059 (-2) - 1989

選擇規格尺寸 點擊↓

8 ×20

8 ×30

10 ×20

10 ×30

12 ×30

12 ×40

14 ×30

14 ×40

16 ×40

16 ×50

20 ×50

20 ×60

25 ×60

25 ×70


尺寸單位: mm
航空HB 2059 (-2) - 1989 HB2059 2059HB 切向夾緊件 - 襯套
HB  2059 (-2) - 1989 切向夾緊件 - 襯套
掃一掃分享
規格
8
×20
8
×30
10
×20
10
×30
12
×30
12
×40
14
×30
14
×40
16
×40
16
×50
20
×50
20
×60
25
×60
25
×70
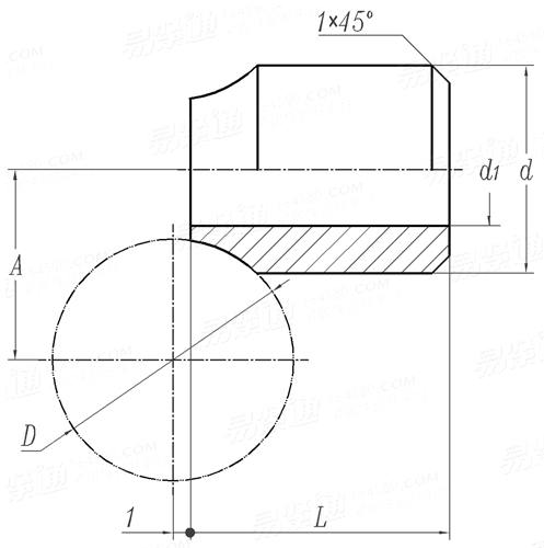
L
D 最小值=公稱
最大值
d 公稱
最大值
最小值
d1
A
10 15 10 15 15 20 15 20 20 25 25 30 30 35
8 8 10 10 12 12 14 14 16 16 20 20 25 25
8.022 8.022 10.022 10.022 12.027 12.027 14.027 14.027 16.027 16.027 20.033 20.033 25.033 25.033
10 10 10 10 12 12 12 12 16 16 18 18 20 20
9.995 9.995 9.995 9.995 11.994 11.994 11.994 11.994 15.994 15.994 17.994 17.994 19.992 19.992
9.986 9.986 9.986 9.986 11.983 11.983 11.983 11.983 15.983 15.983 17.983 17.983 19.98 19.98
5.5 5.5 5.5 5.5 6.5 6.5 6.5 6.5 8.5 8.5 8.5 8.5 10.5 10.5
8 8 9 9 10 10 11 11 13 13 15 15 19 19
①,材料:45鋼,按 GB 699-65;
熱處理:淬火 HRC 35~40。
注:技術數據僅供參考,請以官方原件為準!
類似标準及供貨信息
1 旋入式圓形油标 A型 [國标]
GB 1160.2 (A) - 1989
旋入式圓形油标 A型
Oil Level Indicators - Screwing Round Type - Type A
供應商(1)
2 液壓傳動 16MPa(160bar)中型和25MPa(250 bar)單杆缸附件 - 活塞杆用雙耳環 内螺紋 [國标]
GB /T 39949.1 (AP2) - 2021
液壓傳動 16MPa(160bar)中型和25MPa(250 bar)單杆缸附件 - 活塞杆用雙耳環 内螺紋
Hydraulic Fluid Power - Accessories for Single Rod Cylinders, 16 Mpa (160 bar) Medium and 25 Mpa (250 bar) Series - Rod Clevis, Female Thread
3 液壓傳動 16MPa(160bar)中型和25MPa(250 bar)單杆缸附件 - 活塞杆用法蘭 圓形 [國标]
GB /T 39949.1 (AF3) - 2021
液壓傳動 16MPa(160bar)中型和25MPa(250 bar)單杆缸附件 - 活塞杆用法蘭 圓形
Hydraulic Fluid Power - Accessories for Single Rod Cylinders, 16 Mpa (160 bar) Medium and 25 Mpa (250 bar) Series - Rod Flange, Circular
4 液壓傳動 16MPa(160bar)中型和25MPa(250 bar)單杆缸附件 - 雙耳環支架 通孔 對稱型 [國标]
GB /T 39949.1 (AB4) - 2021
液壓傳動 16MPa(160bar)中型和25MPa(250 bar)單杆缸附件 - 雙耳環支架 通孔 對稱型
Hydraulic Fluid Power - Accessories for Single Rod Cylinders, 16 Mpa (160 bar) Medium and 25 Mpa (250 bar) Series - Clevis Bracket Straight
5 液壓傳動 16MPa(160bar)中型和25MPa(250 bar)單杆缸附件 - 雙耳環支架 通孔 斜型 [國标]
GB /T 39949.1 (AB3) - 2021
液壓傳動 16MPa(160bar)中型和25MPa(250 bar)單杆缸附件 - 雙耳環支架 通孔 斜型
Hydraulic Fluid Power - Accessories for Single Rod Cylinders, 16 Mpa (160 bar) Medium and 25 Mpa (250 bar) Series - Clevis Bracket, In Angle
6 液壓傳動 16MPa(160bar)中型和25MPa(250 bar)單杆缸附件 - 耳軸支架 [國标]
GB /T 39949.1 (AT4) - 2021
液壓傳動 16MPa(160bar)中型和25MPa(250 bar)單杆缸附件 - 耳軸支架
Hydraulic Fluid Power - Accessories for Single Rod Cylinders, 16 Mpa (160 bar) Medium and 25 Mpa (250 bar) Series - Trunnion Bracket
7 液壓傳動 16MPa(160bar)中型和25MPa(250 bar)單杆缸附件 - 活塞杆用帶關節軸承的單耳環 内螺紋 [國标]
GB /T 39949.1 (AP6) - 2021
液壓傳動 16MPa(160bar)中型和25MPa(250 bar)單杆缸附件 - 活塞杆用帶關節軸承的單耳環 内螺紋
Hydraulic Fluid Power - Accessories for Single Rod Cylinders, 16 Mpa (160 bar) Medium and 25 Mpa (250 bar) Series - Rod Eye Spherical, Female Thread
8 液壓傳動 16MPa(160bar)中型和25MPa(250 bar)單杆缸附件 - 活塞杆用單耳環 内螺紋 [國标]
GB /T 39949.1 (AP4) - 2021
液壓傳動 16MPa(160bar)中型和25MPa(250 bar)單杆缸附件 - 活塞杆用單耳環 内螺紋
Hydraulic Fluid Power - Accessories for Single Rod Cylinders, 16 Mpa (160 bar) Medium and 25 Mpa (250 bar) Series - Rod Eye Plain, Female Thread
9 機床夾具零部件—多手柄螺母 [國标]
GB /T 2157 - 1991
機床夾具零部件—多手柄螺母
The parts and units of jigs and fixtures Multiple handle nut
10 機床夾具零件及部件 壓緊螺釘 [國标]
GB /T 2160 - 1991
機床夾具零件及部件 壓緊螺釘
The Parts and Units of Jigs and Fixtures-holddown Screw
11 機床夾具零件及部件 光面壓塊 [國标]
GB /T 2171 - 1991
機床夾具零件及部件 光面壓塊
The Parts and Units of Jigs and Fixtures - Smooth Face Clamp Plate
12 機床夾具零件及部件 - 鉤形壓闆  A型和C型 [國标]
GB /T 2196 (A/C) - 1991
機床夾具零件及部件 - 鉤形壓闆 A型和C型
The Parts and Units of Jigs and Fixtures - Hook Clamp Plate - Type A and C
13 機床夾具零件及部件 - 鉤形壓闆  B型 [國标]
GB /T 2196 (B) - 1991
機床夾具零件及部件 - 鉤形壓闆 B型
The Parts and Units of Jigs and Fixtures - Hook Clamp Plate - Type B
14 機床夾具零件及部件 鉤形壓闆(組合) [國标]
GB /T 2197 - 1991
機床夾具零件及部件 鉤形壓闆(組合)
The Parts and Units of Jigs and Fixtures Hook Clamp Plate (Combinatlon)
15 機床夾具零件及部件 - 立式鉤型壓闆(組合) [國标]
GB /T 2198 - 1991
機床夾具零件及部件 - 立式鉤型壓闆(組合)
The Parts and Units of Jigs and Fixtures - Vertical Hook Clamp Plate (Combination)
16 機床夾具零件及部件 - 端面鉤形壓闆(組合) [國标]
GB /T 2199 - 1991
機床夾具零件及部件 - 端面鉤形壓闆(組合)
The Parts and Units of Jigs and Fixtures - End Face Hook Plate (Combination)
17 機床夾具零件及部件 - 側面鉤形壓闆(組合) [國标]
GB /T 2200 - 1991
機床夾具零件及部件 - 側面鉤形壓闆(組合)
The Parts and Units of Jigs and Fixtures - Side Face Hook Clamp Plate (Combination)
18 機床夾具零件及部件 定位襯套 [國标]
GB /T 2201 - 1991
機床夾具零件及部件 定位襯套
The Parts and Units of Jigs and Fixtures Locating Bush
19 機床夾具零件及部件 固定式定位銷 [國标]
GB /T 2203 - 1991
機床夾具零件及部件 固定式定位銷
The Parts and Units of Jigs and Fixtures (Fixed locating pin)
20 機床夾具零件及部件 - 定位插銷 [國标]
GB /T 2205 - 1991
機床夾具零件及部件 - 定位插銷
The Parts and Units of Jigs and Fixtures - Aligning Pin
21 機床夾具零件及部件 - 定位鍵 [國标]
GB 2206 - 1991
機床夾具零件及部件 - 定位鍵
The Parts and Units of Jigs Fixtures - Locating Key
22 機床夾具零件及部件 - 活動手柄 [國标]
GB /T 2220 - 1991
機床夾具零件及部件 - 活動手柄
The Parts and Units of Jigs and Fixtures - Flexible Handle
23 機床夾具零件及部件 - 起重螺栓 [國标]
GB /T 2225 - 1991
機床夾具零件及部件 - 起重螺栓
The Parts and Units of Jigs and Fixtures - Lifting Bolt
24 機床夾具零件及部件 - 調節支承 [國标]
GB /T 2230 - 1991
機床夾具零件及部件 - 調節支承
The Parts and Units of Jigs and Fixtures Adjustable Supporters
25 機床夾具零件及部件 - 低支腳 [國标]
GB /T 2234 - 1991
機床夾具零件及部件 - 低支腳
The Parts and Units of Jigs and Fixtures - Short Legs
26 機床夾具零件及部件 塑料夾具用六角螺釘 [國标]
GB /T 2256 - 1991
機床夾具零件及部件 塑料夾具用六角螺釘
The Parts and Units of Jigs and Fixtures - Hex Screw For Plastic Fixture
27 機床夾具零件及部件 塑料夾具用内六角螺釘 [國标]
GB /T 2257 - 1991
機床夾具零件及部件 塑料夾具用内六角螺釘
The Parts and Units of Jigs and Fixtures - Inner Hex Screw for Plastic Fixtures
28 旋入式圓形油标 B型 [國标]
GB 1160.2 (B) - 1989
旋入式圓形油标 B型
Oil Level Indicators - Screwing Round Type - Type B
29 船用帶舌插銷  A型 [國标]
GB 3473 - 1983
船用帶舌插銷 A型
Marine Toggle Pins - Type A
30 船用帶舌插銷  B型 [國标]
GB 3473 - 1983
船用帶舌插銷 B型
Marine Toggle Pins - Type B
31 叉型頭, U型頭 [德标]
DIN 71752 - 1994
叉型頭, U型頭
Fork Heads
供應商(1)
32 普通夾具 直邊卡箍 夾緊塊 [德标]
DIN 6314 - 2009
普通夾具 直邊卡箍 夾緊塊
Clamp, Straight
33 叉形壓闆 夾鉗 B型 [德标]
DIN 6315 (B) - 2009
叉形壓闆 夾鉗 B型
Clamp, Forked - Form B
34 叉形壓闆 夾鉗 C型 [德标]
DIN 6315 (C) - 2009
叉形壓闆 夾鉗 C型
Clamp, Forked - Form C
35 帶移動卡式螺栓的定位銷釘 旋杆 [德标]
DIN 6306 (-2) - 2002
帶移動卡式螺栓的定位銷釘 旋杆
Tommy Screws with Moveable Clamping Bolt - Bar
36 帶移動卡式螺栓的定位銷釘 杆端帽 [德标]
DIN 6306 (-3) - 2002
帶移動卡式螺栓的定位銷釘 杆端帽
Tommy Screws with Moveable Clamping Bolt - End Caps
37 工裝和夾具用螺紋體支腳 [德标]
DIN 6320 - 2002
工裝和夾具用螺紋體支腳
Feet with Threaded Shank for Jigs and Fixtures
38 支撐和定位銷 [德标]
DIN 6321 - 2002
支撐和定位銷
Support and Location Pins
39 導向襯套 鑽套  A型和B型 [德标]
DIN 172 - 1992
導向襯套 鑽套 A型和B型
Press Fit Jig Bushes, Headed - Form A and B
40 鑄型用銷釘 [德标]
DIN 1163 - 1973
鑄型用銷釘
Molding Pins
41 液壓傳動 16MPa(160bar)中型和25MPa(250 bar)單杆缸附件 - 活塞杆用雙耳環 内螺紋 [國際]
ISO 8132 (AP2) - 2022
液壓傳動 16MPa(160bar)中型和25MPa(250 bar)單杆缸附件 - 活塞杆用雙耳環 内螺紋
Hydraulic Fluid Power - Accessories for Single Rod Cylinders, 16 Mpa (160 bar) Medium and 25 Mpa (250 bar) Series - Rod Clevis, Female Thread
42 液壓傳動 16MPa(160bar)中型和25MPa(250 bar)單杆缸附件 - 活塞杆用法蘭 圓形 [國際]
ISO 8132 (AF3) - 2022
液壓傳動 16MPa(160bar)中型和25MPa(250 bar)單杆缸附件 - 活塞杆用法蘭 圓形
Hydraulic Fluid Power - Accessories for Single Rod Cylinders, 16 MPa (160 bar) medium and 25 MPa (250 bar) Series - Rod Flange, Circular
43 液壓傳動 16MPa(160bar)中型和25MPa(250 bar)單杆缸附件 - 雙耳環支架 通孔 對稱型 [國際]
ISO 8132 (AB4) - 2022
液壓傳動 16MPa(160bar)中型和25MPa(250 bar)單杆缸附件 - 雙耳環支架 通孔 對稱型
Hydraulic Fluid Power - Accessories for Single Rod Cylinders, 16 Mpa (160 bar) Medium and 25 Mpa (250 bar) Series - Clevis Bracket Straight
44 液壓傳動 16MPa(160bar)中型和25MPa(250 bar)單杆缸附件 - 雙耳環支架 通孔 斜型 [國際]
ISO 8132 (AB3) - 2022
液壓傳動 16MPa(160bar)中型和25MPa(250 bar)單杆缸附件 - 雙耳環支架 通孔 斜型
Hydraulic Fluid Power - Accessories for Single Rod Cylinders, 16 Mpa (160 bar) Medium and 25 Mpa (250 bar) Series - Clevis Bracket, In Angle
45 液壓傳動 16MPa(160bar)中型和25MPa(250 bar)單杆缸附件 - 耳軸支架 [國際]
ISO 8132 (AT4) - 2022
液壓傳動 16MPa(160bar)中型和25MPa(250 bar)單杆缸附件 - 耳軸支架
Hydraulic Fluid Power - Accessories for Single Rod Cylinders, 16 Mpa (160 bar) Medium and 25 Mpa (250 bar) Series - Trunnion Bracket
46 液壓傳動 16MPa(160bar)中型和25MPa(250 bar)單杆缸附件 - 活塞杆用帶關節軸承的單耳環 内螺紋 [國際]
ISO 8132 (AP6) - 2022
液壓傳動 16MPa(160bar)中型和25MPa(250 bar)單杆缸附件 - 活塞杆用帶關節軸承的單耳環 内螺紋
Hydraulic Fluid Power - Accessories for Single Rod Cylinders, 16 Mpa (160 bar) Medium and 25 Mpa (250 bar) Series - Rod Eye Spherical, Female Thread
47 液壓傳動 16MPa(160bar)中型和25MPa(250 bar)單杆缸附件 - 活塞杆用單耳環 内螺紋 [國際]
ISO 8132 (AP4) - 2022
液壓傳動 16MPa(160bar)中型和25MPa(250 bar)單杆缸附件 - 活塞杆用單耳環 内螺紋
Hydraulic Fluid Power - Accessories for Single Rod Cylinders, 16 Mpa (160 bar) Medium and 25 Mpa (250 bar) Series - Rod Eye Plain, Female Thread
48 螺紋叉 [汽标代号]
Q 740
螺紋叉
Threaded Connecting Fork
49 螺紋叉 - 細牙 [汽标代号]
Q 741
螺紋叉 - 細牙
Threaded Connecting Fork - Fine Thread
50 焊接叉 [汽标代号]
Q 742
焊接叉
Weldable Connecting Fork
51 旋入式圓形油标 A型 [機械行業]
JB /T 7941.2 (A) - 1995
旋入式圓形油标 A型
Oil Level Indicators Screwing Round Type - Type A
供應商(1)
52 Z1型脹緊聯結套 [機械行業]
JB /T 7934 - 1999
Z1型脹緊聯結套
Locking Assemblies, Type Z1
53 Z2型脹緊聯結套 [機械行業]
JB /T 7934 - 1999
Z2型脹緊聯結套
Locking Assemblies, Type Z2
54 Z3型脹緊聯結套 [機械行業]
JB /T 7934 - 1999
Z3型脹緊聯結套
Locking Assemblies, Type Z3
55 Z4型脹緊聯結套 [機械行業]
JB /T 7934 - 1999
Z4型脹緊聯結套
Locking Assemblies, Type Z4
56 Z5型脹緊聯結套 [機械行業]
JB /T 7934 - 1999
Z5型脹緊聯結套
Locking Assemblies, Type Z5
57 Z6型脹緊聯結套 [機械行業]
JB /T 7934 - 1999
Z6型脹緊聯結套
Locking Assemblies, Type Z6
58 Z7A型脹緊聯結套 [機械行業]
JB /T 7934 - 1999
Z7A型脹緊聯結套
Locking Assemblies, Type Z7A
59 Z7B型脹緊聯結套 [機械行業]
JB /T 7934 - 1999
Z7B型脹緊聯結套
Locking Assemblies, Type Z7B
60 Z7C型脹緊聯結套 [機械行業]
JB /T 7934 - 1999
Z7C型脹緊聯結套
Locking Assemblies, Type Z7C
61 Z8型脹緊聯結套 [機械行業]
JB /T 7934 - 1999
Z8型脹緊聯結套
Locking Assemblies, Type Z8
62 Z9型脹緊聯結套 [機械行業]
JB /T 7934 - 1999
Z9型脹緊聯結套
Locking Assemblies, Type Z9
63 Z10型脹緊聯結套 [機械行業]
JB /T 7934 - 1999
Z10型脹緊聯結套
Locking Assemblies, Type Z10
64 Z11型脹緊聯結套 [機械行業]
JB /T 7934 - 1999
Z11型脹緊聯結套
Locking Assemblies, Type Z11
65 Z12A型脹緊聯結套 [機械行業]
JB /T 7934 - 1999
Z12A型脹緊聯結套
Locking Assemblies, Type Z12A
66 Z12B型脹緊聯結套 [機械行業]
JB /T 7934 - 1999
Z12B型脹緊聯結套
Locking Assemblies, Type Z12B
67 Z12C型脹緊聯結套 [機械行業]
JB /T 7934 - 1999
Z12C型脹緊聯結套
Locking Assemblies, Type Z12C
68 Z13型脹緊聯結套 [機械行業]
JB /T 7934 - 1999
Z13型脹緊聯結套
Locking Assemblies, Type Z13
69 Z15型脹緊聯結套 [機械行業]
JB /T 7934 - 1999
Z15型脹緊聯結套
Locking Assemblies, Type Z15
70 Z16型脹緊聯結套 [機械行業]
JB /T 7934 - 1999
Z16型脹緊聯結套
Locking Assemblies, Type Z16
71 Z17A型脹緊聯結套 [機械行業]
JB /T 7934 - 1999
Z17A型脹緊聯結套
Locking Assemblies, Type Z17A
72 Z17B型脹緊聯結套 [機械行業]
JB /T 7934 - 1999
Z17B型脹緊聯結套
Locking Assemblies, Type Z17B
73 Z18型脹緊聯結套 [機械行業]
JB /T 7934 - 1999
Z18型脹緊聯結套
Locking Assemblies, Type Z18
74 Z19A型脹緊聯結套 [機械行業]
JB /T 7934 - 1999
Z19A型脹緊聯結套
Locking Assemblies, Type Z19A
75 Z19B型脹緊聯結套 [機械行業]
JB /T 7934 - 1999
Z19B型脹緊聯結套
Locking Assemblies, Type Z19B
76 Z20型脹緊聯結套 [機械行業]
JB /T 7934 - 1999
Z20型脹緊聯結套
Locking Assemblies, Type Z20
77 機床夾具零件及部件 - 手柄螺母 [機械行業]
JB /T 8004.8 (GB 2155) - 1999
機床夾具零件及部件 - 手柄螺母
The Parts and Units of Jigs and Fixtures Handle Nut
78 機床夾具零件及部件 回轉手柄螺母 [機械行業]
JB /T 8004.9 - 1999
機床夾具零件及部件 回轉手柄螺母
The Parts and Units of Jigs and Fixtures Rotary Handle Nut
79 機床夾具零件及部件 - 壓緊螺釘 [機械行業]
JB /T 8006.1 - 1999
機床夾具零件及部件 - 壓緊螺釘
The Parts and Units of Jigs and Fixtures - Holddown Screws
80 鉤形螺栓 [機械行業]
JB /T 8007.3 - 1999
鉤形螺栓
Hook Bolt
81 機床夾具零件及部件 - 立式鉤型壓闆(組合) [機械行業]
JB /T 8012.3 - 1999
機床夾具零件及部件 - 立式鉤型壓闆(組合)
The Parts and Units of Jigs and Fixtures - Vertical Hook Clamp Plate (Combination)
82 機床夾具零件及部件 - 端面鉤形壓闆(組合) [機械行業]
JB /T 8012.4 - 1999
機床夾具零件及部件 - 端面鉤形壓闆(組合)
The Parts and Units of Jigs and Fixtures - End Face Hook Clamp Plate (Combination)
83 機床夾具零件及部件 - 側面鉤形壓闆(組合) [機械行業]
JB /T 8012.5 - 1999
機床夾具零件及部件 - 側面鉤形壓闆(組合)
The Parts and Units of Jigs and Fixtures - Sided Face Hook Clamp Plate (Combination)
84 機床夾具零件及部件 - 定位插銷 [機械行業]
JB /T 8015 - 1999
機床夾具零件及部件 - 定位插銷
The Parts and Units of Jigs and Fixtures - Aligning Pin
85 六角頭支承 [機械行業]
JB /T 8026.1 - 1999
六角頭支承
Hex Head Supporting
86 機床夾具零件及部件 - 調節支承 [機械行業]
JB /T 8026.4 - 1999
機床夾具零件及部件 - 調節支承
The Parts and Units of Jigs and Fixtures Adjustable Supporters
87 機床夾具零件及部件 - 自動調節支承 [機械行業]
JB /T 8026.7 - 1999
機床夾具零件及部件 - 自動調節支承
The Parts and Units of Jigs and Fixtures - Automatic Adjuctable Supportors
88 旋入式圓形油标 B型 [機械行業]
JB /T 7941.2 (B) - 1995
旋入式圓形油标 B型
Oil Level Indicators Screwing Round Type - Type B
89 機床夾具零部件—多手柄螺母 [機械行業]
JB 8004.10 - 1995
機床夾具零部件—多手柄螺母
The parts and units of jigs and fixtures Multiple handle nut
90 腳杯 [标準]
YJT 13009
腳杯
Leveling Mounts
供應商(1)
91 叉形接頭 [标準]
YJT 13003
叉形接頭
Fork Joints
92 萬向調節腳 [标準]
YJT 13011
萬向調節腳
Swivel Leveling Mounts
93 螺紋叉 [汽标]
QC /T 336 - 1999
螺紋叉
Threaded Connecting Fork
94 焊接叉 [汽标]
QC /T 337 - 1999
焊接叉
Weldable Connecting Fork
95 護線圈 [美國軍标]
MS 35489 - 2012
護線圈
Grommets, Synthetic and Silicone Rubber, Hot-oil and Coolant Resistant
96 英制滾珠軸承和滾柱軸承配件  鎖闆 Table 5.3 [美标]
ANSI /ABMA 8.2 - 1999
英制滾珠軸承和滾柱軸承配件 鎖闆 Table 5.3
Lockplate Dimensions Inch Design Series P-000
97 帶螺母的角材 [航空]
HB 8069 - 2002
帶螺母的角材
Angle with Nuts
98 螺紋頂杆 [航空]
HB 863 - 1990
螺紋頂杆

99 表夾 [航空]
HB 2026 - 1989
表夾

100 切向夾緊件 [航空]
HB 2059 - 1989
切向夾緊件

标準編号: HB 2059 (-2) - 1989
中文名稱: 切向夾緊件 - 襯套
英文名稱:
數據來源: 易緊通 (164580.com)
Standard Code: HB 2059 (-2) - 1989Chinese Name: 切向夾緊件 - 襯套English Name: Source: https://www.164580.com/info_376703.html
Data Source: YJT Fastener Database (164580.com)
Standard: HB 2059 (-2) - 1989
URL: https://www.164580.com/info_376703.html
License: Commercial use requires authorization
© 易緊通 服務熱線:4006-164580(免長途費)