index
logo

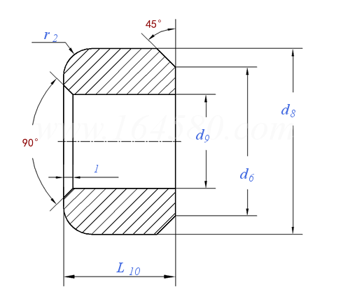
帶移動卡式螺栓的定位銷釘 杆端帽 DIN 6306 (-3) - 2002

選擇規格尺寸 點擊↓

M10

M12

M16

M20


尺寸單位: mm
德标DIN 6306 (-3) - 2002 DIN6306 6306DIN 帶移動卡式螺栓的定位銷釘 杆端帽
DIN  6306 (-3) - 2002 帶移動卡式螺栓的定位銷釘 杆端帽
掃一掃分享
适用螺紋
M10 M12 M16 M20
d6
d8
d9
L10
r2
8 10 13 16
10 13 16 20
5.1 6.1 8.1 10.1
7 8 10 12
2 3 3 5
注:技術數據僅供參考,請以官方原件為準!
類似标準及供貨信息
1 旋入式圓形油标 A型 [國标]
GB 1160.2 (A) - 1989
旋入式圓形油标 A型
Oil Level Indicators - Screwing Round Type - Type A
供應商(1)
2 液壓傳動 16MPa(160bar)中型和25MPa(250 bar)單杆缸附件 - 活塞杆用雙耳環 内螺紋 [國标]
GB /T 39949.1 (AP2) - 2021
液壓傳動 16MPa(160bar)中型和25MPa(250 bar)單杆缸附件 - 活塞杆用雙耳環 内螺紋
Hydraulic Fluid Power - Accessories for Single Rod Cylinders, 16 Mpa (160 bar) Medium and 25 Mpa (250 bar) Series - Rod Clevis, Female Thread
3 液壓傳動 16MPa(160bar)中型和25MPa(250 bar)單杆缸附件 - 活塞杆用法蘭 圓形 [國标]
GB /T 39949.1 (AF3) - 2021
液壓傳動 16MPa(160bar)中型和25MPa(250 bar)單杆缸附件 - 活塞杆用法蘭 圓形
Hydraulic Fluid Power - Accessories for Single Rod Cylinders, 16 Mpa (160 bar) Medium and 25 Mpa (250 bar) Series - Rod Flange, Circular
4 液壓傳動 16MPa(160bar)中型和25MPa(250 bar)單杆缸附件 - 雙耳環支架 通孔 對稱型 [國标]
GB /T 39949.1 (AB4) - 2021
液壓傳動 16MPa(160bar)中型和25MPa(250 bar)單杆缸附件 - 雙耳環支架 通孔 對稱型
Hydraulic Fluid Power - Accessories for Single Rod Cylinders, 16 Mpa (160 bar) Medium and 25 Mpa (250 bar) Series - Clevis Bracket Straight
5 液壓傳動 16MPa(160bar)中型和25MPa(250 bar)單杆缸附件 - 雙耳環支架 通孔 斜型 [國标]
GB /T 39949.1 (AB3) - 2021
液壓傳動 16MPa(160bar)中型和25MPa(250 bar)單杆缸附件 - 雙耳環支架 通孔 斜型
Hydraulic Fluid Power - Accessories for Single Rod Cylinders, 16 Mpa (160 bar) Medium and 25 Mpa (250 bar) Series - Clevis Bracket, In Angle
6 液壓傳動 16MPa(160bar)中型和25MPa(250 bar)單杆缸附件 - 耳軸支架 [國标]
GB /T 39949.1 (AT4) - 2021
液壓傳動 16MPa(160bar)中型和25MPa(250 bar)單杆缸附件 - 耳軸支架
Hydraulic Fluid Power - Accessories for Single Rod Cylinders, 16 Mpa (160 bar) Medium and 25 Mpa (250 bar) Series - Trunnion Bracket
7 液壓傳動 16MPa(160bar)中型和25MPa(250 bar)單杆缸附件 - 活塞杆用帶關節軸承的單耳環 内螺紋 [國标]
GB /T 39949.1 (AP6) - 2021
液壓傳動 16MPa(160bar)中型和25MPa(250 bar)單杆缸附件 - 活塞杆用帶關節軸承的單耳環 内螺紋
Hydraulic Fluid Power - Accessories for Single Rod Cylinders, 16 Mpa (160 bar) Medium and 25 Mpa (250 bar) Series - Rod Eye Spherical, Female Thread
8 液壓傳動 16MPa(160bar)中型和25MPa(250 bar)單杆缸附件 - 活塞杆用單耳環 内螺紋 [國标]
GB /T 39949.1 (AP4) - 2021
液壓傳動 16MPa(160bar)中型和25MPa(250 bar)單杆缸附件 - 活塞杆用單耳環 内螺紋
Hydraulic Fluid Power - Accessories for Single Rod Cylinders, 16 Mpa (160 bar) Medium and 25 Mpa (250 bar) Series - Rod Eye Plain, Female Thread
9 機床夾具零部件—多手柄螺母 [國标]
GB /T 2157 - 1991
機床夾具零部件—多手柄螺母
The parts and units of jigs and fixtures Multiple handle nut
10 機床夾具零件及部件 壓緊螺釘 [國标]
GB /T 2160 - 1991
機床夾具零件及部件 壓緊螺釘
The Parts and Units of Jigs and Fixtures-holddown Screw
11 機床夾具零件及部件 光面壓塊 [國标]
GB /T 2171 - 1991
機床夾具零件及部件 光面壓塊
The Parts and Units of Jigs and Fixtures - Smooth Face Clamp Plate
12 機床夾具零件及部件 - 鉤形壓闆  A型和C型 [國标]
GB /T 2196 (A/C) - 1991
機床夾具零件及部件 - 鉤形壓闆 A型和C型
The Parts and Units of Jigs and Fixtures - Hook Clamp Plate - Type A and C
13 機床夾具零件及部件 - 鉤形壓闆  B型 [國标]
GB /T 2196 (B) - 1991
機床夾具零件及部件 - 鉤形壓闆 B型
The Parts and Units of Jigs and Fixtures - Hook Clamp Plate - Type B
14 機床夾具零件及部件 鉤形壓闆(組合) [國标]
GB /T 2197 - 1991
機床夾具零件及部件 鉤形壓闆(組合)
The Parts and Units of Jigs and Fixtures Hook Clamp Plate (Combinatlon)
15 機床夾具零件及部件 - 立式鉤型壓闆(組合) [國标]
GB /T 2198 - 1991
機床夾具零件及部件 - 立式鉤型壓闆(組合)
The Parts and Units of Jigs and Fixtures - Vertical Hook Clamp Plate (Combination)
16 機床夾具零件及部件 - 端面鉤形壓闆(組合) [國标]
GB /T 2199 - 1991
機床夾具零件及部件 - 端面鉤形壓闆(組合)
The Parts and Units of Jigs and Fixtures - End Face Hook Plate (Combination)
17 機床夾具零件及部件 - 側面鉤形壓闆(組合) [國标]
GB /T 2200 - 1991
機床夾具零件及部件 - 側面鉤形壓闆(組合)
The Parts and Units of Jigs and Fixtures - Side Face Hook Clamp Plate (Combination)
18 機床夾具零件及部件 定位襯套 [國标]
GB /T 2201 - 1991
機床夾具零件及部件 定位襯套
The Parts and Units of Jigs and Fixtures Locating Bush
19 機床夾具零件及部件 固定式定位銷 [國标]
GB /T 2203 - 1991
機床夾具零件及部件 固定式定位銷
The Parts and Units of Jigs and Fixtures (Fixed locating pin)
20 機床夾具零件及部件 - 定位插銷 [國标]
GB /T 2205 - 1991
機床夾具零件及部件 - 定位插銷
The Parts and Units of Jigs and Fixtures - Aligning Pin
21 機床夾具零件及部件 - 定位鍵 [國标]
GB 2206 - 1991
機床夾具零件及部件 - 定位鍵
The Parts and Units of Jigs Fixtures - Locating Key
22 機床夾具零件及部件 - 活動手柄 [國标]
GB /T 2220 - 1991
機床夾具零件及部件 - 活動手柄
The Parts and Units of Jigs and Fixtures - Flexible Handle
23 機床夾具零件及部件 - 起重螺栓 [國标]
GB /T 2225 - 1991
機床夾具零件及部件 - 起重螺栓
The Parts and Units of Jigs and Fixtures - Lifting Bolt
24 機床夾具零件及部件 - 調節支承 [國标]
GB /T 2230 - 1991
機床夾具零件及部件 - 調節支承
The Parts and Units of Jigs and Fixtures Adjustable Supporters
25 機床夾具零件及部件 - 低支腳 [國标]
GB /T 2234 - 1991
機床夾具零件及部件 - 低支腳
The Parts and Units of Jigs and Fixtures - Short Legs
26 機床夾具零件及部件 塑料夾具用六角螺釘 [國标]
GB /T 2256 - 1991
機床夾具零件及部件 塑料夾具用六角螺釘
The Parts and Units of Jigs and Fixtures - Hex Screw For Plastic Fixture
27 機床夾具零件及部件 塑料夾具用内六角螺釘 [國标]
GB /T 2257 - 1991
機床夾具零件及部件 塑料夾具用内六角螺釘
The Parts and Units of Jigs and Fixtures - Inner Hex Screw for Plastic Fixtures
28 旋入式圓形油标 B型 [國标]
GB 1160.2 (B) - 1989
旋入式圓形油标 B型
Oil Level Indicators - Screwing Round Type - Type B
29 船用帶舌插銷  A型 [國标]
GB 3473 - 1983
船用帶舌插銷 A型
Marine Toggle Pins - Type A
30 船用帶舌插銷  B型 [國标]
GB 3473 - 1983
船用帶舌插銷 B型
Marine Toggle Pins - Type B
31 叉型頭, U型頭 [德标]
DIN 71752 - 1994
叉型頭, U型頭
Fork Heads
供應商(1)
32 普通夾具 直邊卡箍 夾緊塊 [德标]
DIN 6314 - 2009
普通夾具 直邊卡箍 夾緊塊
Clamp, Straight
33 叉形壓闆 夾鉗 B型 [德标]
DIN 6315 (B) - 2009
叉形壓闆 夾鉗 B型
Clamp, Forked - Form B
34 叉形壓闆 夾鉗 C型 [德标]
DIN 6315 (C) - 2009
叉形壓闆 夾鉗 C型
Clamp, Forked - Form C
35 帶移動卡式螺栓的定位銷釘 旋杆 [德标]
DIN 6306 (-2) - 2002
帶移動卡式螺栓的定位銷釘 旋杆
Tommy Screws with Moveable Clamping Bolt - Bar
36 工裝和夾具用螺紋體支腳 [德标]
DIN 6320 - 2002
工裝和夾具用螺紋體支腳
Feet with Threaded Shank for Jigs and Fixtures
37 支撐和定位銷 [德标]
DIN 6321 - 2002
支撐和定位銷
Support and Location Pins
38 導向襯套 鑽套  A型和B型 [德标]
DIN 172 - 1992
導向襯套 鑽套 A型和B型
Press Fit Jig Bushes, Headed - Form A and B
39 鑄型用銷釘 [德标]
DIN 1163 - 1973
鑄型用銷釘
Molding Pins
40 液壓傳動 16MPa(160bar)中型和25MPa(250 bar)單杆缸附件 - 活塞杆用雙耳環 内螺紋 [國際]
ISO 8132 (AP2) - 2022
液壓傳動 16MPa(160bar)中型和25MPa(250 bar)單杆缸附件 - 活塞杆用雙耳環 内螺紋
Hydraulic Fluid Power - Accessories for Single Rod Cylinders, 16 Mpa (160 bar) Medium and 25 Mpa (250 bar) Series - Rod Clevis, Female Thread
41 液壓傳動 16MPa(160bar)中型和25MPa(250 bar)單杆缸附件 - 活塞杆用法蘭 圓形 [國際]
ISO 8132 (AF3) - 2022
液壓傳動 16MPa(160bar)中型和25MPa(250 bar)單杆缸附件 - 活塞杆用法蘭 圓形
Hydraulic Fluid Power - Accessories for Single Rod Cylinders, 16 MPa (160 bar) medium and 25 MPa (250 bar) Series - Rod Flange, Circular
42 液壓傳動 16MPa(160bar)中型和25MPa(250 bar)單杆缸附件 - 雙耳環支架 通孔 對稱型 [國際]
ISO 8132 (AB4) - 2022
液壓傳動 16MPa(160bar)中型和25MPa(250 bar)單杆缸附件 - 雙耳環支架 通孔 對稱型
Hydraulic Fluid Power - Accessories for Single Rod Cylinders, 16 Mpa (160 bar) Medium and 25 Mpa (250 bar) Series - Clevis Bracket Straight
43 液壓傳動 16MPa(160bar)中型和25MPa(250 bar)單杆缸附件 - 雙耳環支架 通孔 斜型 [國際]
ISO 8132 (AB3) - 2022
液壓傳動 16MPa(160bar)中型和25MPa(250 bar)單杆缸附件 - 雙耳環支架 通孔 斜型
Hydraulic Fluid Power - Accessories for Single Rod Cylinders, 16 Mpa (160 bar) Medium and 25 Mpa (250 bar) Series - Clevis Bracket, In Angle
44 液壓傳動 16MPa(160bar)中型和25MPa(250 bar)單杆缸附件 - 耳軸支架 [國際]
ISO 8132 (AT4) - 2022
液壓傳動 16MPa(160bar)中型和25MPa(250 bar)單杆缸附件 - 耳軸支架
Hydraulic Fluid Power - Accessories for Single Rod Cylinders, 16 Mpa (160 bar) Medium and 25 Mpa (250 bar) Series - Trunnion Bracket
45 液壓傳動 16MPa(160bar)中型和25MPa(250 bar)單杆缸附件 - 活塞杆用帶關節軸承的單耳環 内螺紋 [國際]
ISO 8132 (AP6) - 2022
液壓傳動 16MPa(160bar)中型和25MPa(250 bar)單杆缸附件 - 活塞杆用帶關節軸承的單耳環 内螺紋
Hydraulic Fluid Power - Accessories for Single Rod Cylinders, 16 Mpa (160 bar) Medium and 25 Mpa (250 bar) Series - Rod Eye Spherical, Female Thread
46 液壓傳動 16MPa(160bar)中型和25MPa(250 bar)單杆缸附件 - 活塞杆用單耳環 内螺紋 [國際]
ISO 8132 (AP4) - 2022
液壓傳動 16MPa(160bar)中型和25MPa(250 bar)單杆缸附件 - 活塞杆用單耳環 内螺紋
Hydraulic Fluid Power - Accessories for Single Rod Cylinders, 16 Mpa (160 bar) Medium and 25 Mpa (250 bar) Series - Rod Eye Plain, Female Thread
47 螺紋叉 [汽标代号]
Q 740
螺紋叉
Threaded Connecting Fork
48 螺紋叉 - 細牙 [汽标代号]
Q 741
螺紋叉 - 細牙
Threaded Connecting Fork - Fine Thread
49 焊接叉 [汽标代号]
Q 742
焊接叉
Weldable Connecting Fork
50 旋入式圓形油标 A型 [機械行業]
JB /T 7941.2 (A) - 1995
旋入式圓形油标 A型
Oil Level Indicators Screwing Round Type - Type A
供應商(1)
51 Z1型脹緊聯結套 [機械行業]
JB /T 7934 - 1999
Z1型脹緊聯結套
Locking Assemblies, Type Z1
52 Z2型脹緊聯結套 [機械行業]
JB /T 7934 - 1999
Z2型脹緊聯結套
Locking Assemblies, Type Z2
53 Z3型脹緊聯結套 [機械行業]
JB /T 7934 - 1999
Z3型脹緊聯結套
Locking Assemblies, Type Z3
54 Z4型脹緊聯結套 [機械行業]
JB /T 7934 - 1999
Z4型脹緊聯結套
Locking Assemblies, Type Z4
55 Z5型脹緊聯結套 [機械行業]
JB /T 7934 - 1999
Z5型脹緊聯結套
Locking Assemblies, Type Z5
56 Z6型脹緊聯結套 [機械行業]
JB /T 7934 - 1999
Z6型脹緊聯結套
Locking Assemblies, Type Z6
57 Z7A型脹緊聯結套 [機械行業]
JB /T 7934 - 1999
Z7A型脹緊聯結套
Locking Assemblies, Type Z7A
58 Z7B型脹緊聯結套 [機械行業]
JB /T 7934 - 1999
Z7B型脹緊聯結套
Locking Assemblies, Type Z7B
59 Z7C型脹緊聯結套 [機械行業]
JB /T 7934 - 1999
Z7C型脹緊聯結套
Locking Assemblies, Type Z7C
60 Z8型脹緊聯結套 [機械行業]
JB /T 7934 - 1999
Z8型脹緊聯結套
Locking Assemblies, Type Z8
61 Z9型脹緊聯結套 [機械行業]
JB /T 7934 - 1999
Z9型脹緊聯結套
Locking Assemblies, Type Z9
62 Z10型脹緊聯結套 [機械行業]
JB /T 7934 - 1999
Z10型脹緊聯結套
Locking Assemblies, Type Z10
63 Z11型脹緊聯結套 [機械行業]
JB /T 7934 - 1999
Z11型脹緊聯結套
Locking Assemblies, Type Z11
64 Z12A型脹緊聯結套 [機械行業]
JB /T 7934 - 1999
Z12A型脹緊聯結套
Locking Assemblies, Type Z12A
65 Z12B型脹緊聯結套 [機械行業]
JB /T 7934 - 1999
Z12B型脹緊聯結套
Locking Assemblies, Type Z12B
66 Z12C型脹緊聯結套 [機械行業]
JB /T 7934 - 1999
Z12C型脹緊聯結套
Locking Assemblies, Type Z12C
67 Z13型脹緊聯結套 [機械行業]
JB /T 7934 - 1999
Z13型脹緊聯結套
Locking Assemblies, Type Z13
68 Z15型脹緊聯結套 [機械行業]
JB /T 7934 - 1999
Z15型脹緊聯結套
Locking Assemblies, Type Z15
69 Z16型脹緊聯結套 [機械行業]
JB /T 7934 - 1999
Z16型脹緊聯結套
Locking Assemblies, Type Z16
70 Z17A型脹緊聯結套 [機械行業]
JB /T 7934 - 1999
Z17A型脹緊聯結套
Locking Assemblies, Type Z17A
71 Z17B型脹緊聯結套 [機械行業]
JB /T 7934 - 1999
Z17B型脹緊聯結套
Locking Assemblies, Type Z17B
72 Z18型脹緊聯結套 [機械行業]
JB /T 7934 - 1999
Z18型脹緊聯結套
Locking Assemblies, Type Z18
73 Z19A型脹緊聯結套 [機械行業]
JB /T 7934 - 1999
Z19A型脹緊聯結套
Locking Assemblies, Type Z19A
74 Z19B型脹緊聯結套 [機械行業]
JB /T 7934 - 1999
Z19B型脹緊聯結套
Locking Assemblies, Type Z19B
75 Z20型脹緊聯結套 [機械行業]
JB /T 7934 - 1999
Z20型脹緊聯結套
Locking Assemblies, Type Z20
76 機床夾具零件及部件 - 手柄螺母 [機械行業]
JB /T 8004.8 (GB 2155) - 1999
機床夾具零件及部件 - 手柄螺母
The Parts and Units of Jigs and Fixtures Handle Nut
77 機床夾具零件及部件 回轉手柄螺母 [機械行業]
JB /T 8004.9 - 1999
機床夾具零件及部件 回轉手柄螺母
The Parts and Units of Jigs and Fixtures Rotary Handle Nut
78 機床夾具零件及部件 - 壓緊螺釘 [機械行業]
JB /T 8006.1 - 1999
機床夾具零件及部件 - 壓緊螺釘
The Parts and Units of Jigs and Fixtures - Holddown Screws
79 鉤形螺栓 [機械行業]
JB /T 8007.3 - 1999
鉤形螺栓
Hook Bolt
80 機床夾具零件及部件 - 立式鉤型壓闆(組合) [機械行業]
JB /T 8012.3 - 1999
機床夾具零件及部件 - 立式鉤型壓闆(組合)
The Parts and Units of Jigs and Fixtures - Vertical Hook Clamp Plate (Combination)
81 機床夾具零件及部件 - 端面鉤形壓闆(組合) [機械行業]
JB /T 8012.4 - 1999
機床夾具零件及部件 - 端面鉤形壓闆(組合)
The Parts and Units of Jigs and Fixtures - End Face Hook Clamp Plate (Combination)
82 機床夾具零件及部件 - 側面鉤形壓闆(組合) [機械行業]
JB /T 8012.5 - 1999
機床夾具零件及部件 - 側面鉤形壓闆(組合)
The Parts and Units of Jigs and Fixtures - Sided Face Hook Clamp Plate (Combination)
83 機床夾具零件及部件 - 定位插銷 [機械行業]
JB /T 8015 - 1999
機床夾具零件及部件 - 定位插銷
The Parts and Units of Jigs and Fixtures - Aligning Pin
84 六角頭支承 [機械行業]
JB /T 8026.1 - 1999
六角頭支承
Hex Head Supporting
85 機床夾具零件及部件 - 調節支承 [機械行業]
JB /T 8026.4 - 1999
機床夾具零件及部件 - 調節支承
The Parts and Units of Jigs and Fixtures Adjustable Supporters
86 機床夾具零件及部件 - 自動調節支承 [機械行業]
JB /T 8026.7 - 1999
機床夾具零件及部件 - 自動調節支承
The Parts and Units of Jigs and Fixtures - Automatic Adjuctable Supportors
87 旋入式圓形油标 B型 [機械行業]
JB /T 7941.2 (B) - 1995
旋入式圓形油标 B型
Oil Level Indicators Screwing Round Type - Type B
88 機床夾具零部件—多手柄螺母 [機械行業]
JB 8004.10 - 1995
機床夾具零部件—多手柄螺母
The parts and units of jigs and fixtures Multiple handle nut
89 腳杯 [标準]
YJT 13009
腳杯
Leveling Mounts
供應商(1)
90 叉形接頭 [标準]
YJT 13003
叉形接頭
Fork Joints
91 萬向調節腳 [标準]
YJT 13011
萬向調節腳
Swivel Leveling Mounts
92 螺紋叉 [汽标]
QC /T 336 - 1999
螺紋叉
Threaded Connecting Fork
93 焊接叉 [汽标]
QC /T 337 - 1999
焊接叉
Weldable Connecting Fork
94 護線圈 [美國軍标]
MS 35489 - 2012
護線圈
Grommets, Synthetic and Silicone Rubber, Hot-oil and Coolant Resistant
95 英制滾珠軸承和滾柱軸承配件  鎖闆 Table 5.3 [美标]
ANSI /ABMA 8.2 - 1999
英制滾珠軸承和滾柱軸承配件 鎖闆 Table 5.3
Lockplate Dimensions Inch Design Series P-000
96 帶螺母的角材 [航空]
HB 8069 - 2002
帶螺母的角材
Angle with Nuts
97 螺紋頂杆 [航空]
HB 863 - 1990
螺紋頂杆

98 表夾 [航空]
HB 2026 - 1989
表夾

99 切向夾緊件 - 襯套 [航空]
HB 2059 (-2) - 1989
切向夾緊件 - 襯套

100 切向夾緊件 [航空]
HB 2059 - 1989
切向夾緊件

标準編号: DIN 6306 (-3) - 2002
中文名稱: 帶移動卡式螺栓的定位銷釘 杆端帽
英文名稱: Tommy Screws with Moveable Clamping Bolt - End Caps
數據來源: 易緊通 (164580.com)
Standard Code: DIN 6306 (-3) - 2002Chinese Name: 帶移動卡式螺栓的定位銷釘 杆端帽English Name: Tommy Screws with Moveable Clamping Bolt - End CapsSource: https://www.164580.com/info_400639.html
Data Source: YJT Fastener Database (164580.com)
Standard: DIN 6306 (-3) - 2002
URL: https://www.164580.com/info_400639.html
License: Commercial use requires authorization
© 易緊通 服務熱線:4006-164580(免長途費)