index
logo

重型孔用擋圈 D1360/JS/DHR YJT 7007 (D1360/JS/DHR)

YJT标準體系

選擇規格尺寸 點擊↓

20

22

24

25

26

27

28

30

32

34

35

37

38

40

42

45

47

50

52

55

60

62

64

65

68

70

72

75

80

85

90

95

100

105

110


尺寸單位: mm
标準YJT 7007 (D1360/JS/DHR) YJT7007 7007YJ 重型孔用擋圈 D1360/JS/DHR
YJT  7007 (D1360/JS/DHR) 重型孔用擋圈 D1360/JS/DHR
掃一掃分享
千件重及價格計算 千件重 : kg x 元/kg = 元/千件
默認密度 g/cm3
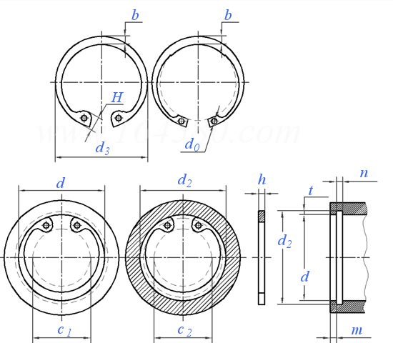
公稱直徑
d
20 22 24 25 26 27 28 30 32 34 35 37
h 最大值
最小值
d3 公稱
最大值
最小值
H 最大值
b
d0 最小值
c1
c2
d2 最小值=公稱
最大值
m 最小值
t
n
千件重(鋼制)≈kg
1.5 1.5 1.5 1.5 1.5 1.5 1.5 1.5 1.5 1.75 1.75 1.75
1.44 1.44 1.44 1.44 1.44 1.44 1.44 1.44 1.44 1.69 1.69 1.69
21.5 23.5 25.9 26.9 27.9 29.1 30.1 32.1 34.4 36.5 37.8 39.8
21.92 23.92 26.32 27.32 28.32 29.6 30.6 32.6 34.9 37 38.3 40.3
21.29 23.29 25.69 26.69 27.69 28.85 29.85 31.85 34.15 36.25 37.55 39.55
4.5 4.7 4.9 5 5.1 5.1 5.3 5.5 5.7 5.9 6 6.2
2.4 2.8 3 3.1 3.1 3.2 3.2 3.3 3.4 3.7 3.8 3.9
2 2 2 2 2 2 2 2 2 2.5 2.5 2.5
10.5 12.1 13.7 14.5 15.3 16.3 16.9 18.4 20 21.6 22.4 24
12 13.6 15.4 16.2 17 18.2 18.8 20.4 22 23.9 25 26.6
21 23 25.2 26.2 27.2 28.4 29.4 31.4 33.7 35.7 37 39
21.15 23.15 25.41 26.41 27.41 28.61 29.61 31.65 33.95 35.95 37.25 39.25
1.6 1.6 1.6 1.6 1.6 1.6 1.6 1.6 1.6 1.85 1.85 1.85
0.5 0.5 0.6 0.6 0.6 0.7 0.7 0.7 0.85 0.85 1 1
1.5 1.5 1.8 1.8 1.8 2.1 2.1 2.1 2.6 2.6 3 3
1.4 1.9 2 2.1 2.3 2.4 2.5 2.7 2.9 4.1 4.5 4.7
公稱直徑
d
38 40 42 45 47 50 52 55 60 62 64 65
h 最大值
最小值
d3 公稱
最大值
最小值
H 最大值
b
d0 最小值
c1
c2
d2 最小值=公稱
最大值
m 最小值
t
n
千件重(鋼制)≈kg
1.75 2 2 2 2 2.5 2.5 2.5 3 3 3 3
1.69 1.93 1.93 1.93 1.93 2.43 2.43 2.43 2.92 2.92 2.92 2.92
40.8 43.5 45.5 48.5 50.5 54.2 56.2 59.2 64.2 66.2 68.2 69.2
41.3 44.4 46.4 49.6 51.6 55.3 57.3 60.3 65.3 67.3 69.3 70.3
40.55 43.11 45.11 48.04 50.04 53.74 55.74 58.74 63.74 65.74 67.74 68.74
6.3 6.5 6.7 7 7.2 7.5 7.7 8 8.5 8.6 8.7 8.7
3.9 3.9 4.1 4.3 4.4 4.6 4.7 5 5.4 5.5 5.6 5.8
2.5 2.5 2.5 2.5 2.5 2.5 2.5 2.5 2.5 2.5 3 3
24.8 26.4 28 30.3 31.9 34.3 35.9 38.2 42.2 44 45.8 46.8
27.4 29.5 31.1 33.5 35.1 38 39.6 42 46 47.8 49.6 50.6
40 42.5 44.5 47.5 49.5 53 55 58 63 65 67 68
40.25 42.75 44.75 47.75 49.75 53.3 55.3 58.3 63.3 65.3 67.3 68.3
1.85 2.15 2.15 2.15 2.15 2.65 2.65 2.65 3.15 3.15 3.15 3.15
1 1.25 1.25 1.25 1.25 1.5 1.5 1.5 1.5 1.5 1.5 1.5
3 3.8 3.8 3.8 3.8 4.5 4.5 4.5 4.5 4.5 4.5 4.5
4.8 5.1 5.6 6.3 6.7 8.8 9.9 10.4 15.9 16.1 16.5 16.6
公稱直徑
d
68 70 72 75 80 85 90 95 100 105 110
h 最大值
最小值
d3 公稱
最大值
最小值
H 最大值
b
d0 最小值
c1
c2
d2 最小值=公稱
最大值
m 最小值
t
n
千件重(鋼制)≈kg
3 3 3 3 4 4 4 4 4 5 5
2.92 2.92 2.92 2.92 3.9 3.9 3.9 3.9 3.9 4.88 4.88
72.5 74.5 76.5 79.5 85.5 90.5 95.5 100.5 105.5 112 117
73.6 75.6 77.6 80.6 86.8 91.8 96.8 101.8 106.8 113.3 118.3
72.04 74.04 76.04 79.04 84.96 89.96 94.96 99.96 104.96 111.46 116.46
8.8 9 9.2 9.3 9.5 9.7 10 10.3 10.5 10.7 10.9
6.1 6.2 6.4 6.6 7 7.2 7.6 8.1 8.4 8.7 9
3 3 3 3 3 3.5 3.5 3.5 3.5 4 4
49.5 51.1 53.7 55.5 60 64.7 69 73.4 77.9 82.5 87.1
53.4 55 56.9 59.4 64.5 69.1 73.5 77.9 82.5 87.6 92.2
71 73 75 78 83.5 88.5 93.5 98.5 103.5 109 114
71.3 73.3 75.3 78.3 83.85 88.85 93.85 98.85 103.85 109.54 114.54
3.15 3.15 3.15 3.15 4.15 4.15 4.15 4.15 4.15 5.15 5.15
1.5 1.5 1.5 1.5 1.75 1.75 1.75 1.75 1.75 2 2
4.5 4.5 4.5 4.5 5.3 5.3 5.3 5.3 5.3 6 6
17.2 18 21.7 22.6 33.2 33.8 41.3 46.7 50.7 70 81
注:技術數據僅供參考,請以官方原件為準!
本頁面所載 YJT® 标準編碼及相關内容版權歸易緊通所有,需經授權方可使用。
類似标準及供貨信息
1 孔用彈性擋圈 A型(标準型) [國标]
GB /T 893 (A) - 2017
孔用彈性擋圈 A型(标準型)
Retaining Rings for Bores - Type A (Standard)
供應商(18)
2 孔用彈性擋圈 B型(重型) [國标]
GB /T 893 (B) - 2017
孔用彈性擋圈 B型(重型)
Retaining Rings for Bores - Type B (Heavy)
供應商(2)
3 孔用彈性擋圈 A型 [國标]
GB /T 893.1 - 1986
孔用彈性擋圈 A型
Circlips for Holes - Type A
供應商(18)
4 孔用彈性擋圈 B型 [國标]
GB /T 893.2 - 1986
孔用彈性擋圈 B型
Circlips for Holes - Type B
供應商(2)
5 孔用帶凸緣彈性扣環(内部擋圈) [德标]
DIN 984 - 2021
孔用帶凸緣彈性扣環(内部擋圈)
Retaining Rings with Lugs (Internal Circlips) for Use In Bores
供應商(3)
6 孔用擋圈—标準型 [德标]
DIN 472 (N) - 2017
孔用擋圈—标準型
Retaining Rings for Bores - Normal Type
供應商(16)
7 孔用帶凸緣彈性扣環(内部擋圈) [德标]
DIN 984 - 2013
孔用帶凸緣彈性扣環(内部擋圈)
Retaining Rings with Lugs (Internal Circlips) for use in Bores
供應商(3)
8 孔用擋圈—标準型 [德标]
DIN 472 (N) - 2011
孔用擋圈—标準型
Retaining Rings for Bores - Normal Type
供應商(16)
9 孔用卡簧 - 普通型及重型 [德标]
DIN 472 (D1300/J/DHO) - 1981
孔用卡簧 - 普通型及重型
Circlips for Bores - Nominal Type and Heavy Type
供應商(16)
10 帶齒孔用擋圈 [德标]
DIN 984 (D2000/JK/DHT) - 1981
帶齒孔用擋圈
Spring Retaining Rings with Lugs for use in Bores (Internal Circlips)
供應商(3)
11 孔用擋圈—重型 [德标]
DIN 472 (H) - 2017
孔用擋圈—重型
Retaining Rings for Bores - Heavy Type
12 孔用擋圈—重型 [德标]
DIN 472 (H) - 2011
孔用擋圈—重型
Retaining Rings for Bores - Heavy Type
13 孔用擋圈 重型 [德标]
DIN 472 (H) - 1981
孔用擋圈 重型
Retaining Rings for Bores - Heavy Type
14 C型, 孔用擋圈 [日标]
JIS B 2804 (CE-IN) - 2010
C型, 孔用擋圈
Internal Retaining Rings
供應商(2)
15 C型, 偏心孔用擋圈 [日标]
JIS B 2804 (CE-IN) - 2001
C型, 偏心孔用擋圈
Circlips for Holes
供應商(2)
16 孔用彈性擋圈 [汽标代号]
Q 430
孔用彈性擋圈
Circlips for Hole
供應商(2)
17 重型孔用彈性擋圈 [機械行業]
JB /ZQ 4341 - 2006
重型孔用彈性擋圈
Circlips for Hole-Heavy Style
供應商(4)
18 大型孔用彈性擋圈 [機械行業]
JB /ZQ 4343 - 2006
大型孔用彈性擋圈
Large Circlips For Hole
供應商(4)
19 大型孔用彈性擋圈 [機械行業]
JB /ZQ 4343 - 1997
大型孔用彈性擋圈
Large Circlips for Hole
供應商(4)
20 米制孔用擋圈 - 3BM1 [美标]
ASME/ANSI B 27.7 - 1977 (R2011)
米制孔用擋圈 - 3BM1
Metric Internal Retaining Rings - 3BM1
21 孔用擋圈 [意大利]
UNI 7437 - 1975
孔用擋圈
Retsining Rings for Housing Bores - Normai Type
供應商(1)
22 孔用彈性擋圈 - 标準型 [法國]
NF E 22-165 (N) - 1992
孔用彈性擋圈 - 标準型
Spring Retaining Rings-Axially Mounted Circlips for Shafts Bores - Normal Type
23 孔用彈性擋圈 - 重型 [法國]
NF E 22-165 (H) - 1992
孔用彈性擋圈 - 重型
Spring Retaining Rings - Axially Mounted Circlips for Shafts Bores - Heavy Type
24 帶倒角孔用擋圈 M1302/JB/DVH [标準]
YJT 7010 (M1302/JB/DVH)
帶倒角孔用擋圈 M1302/JB/DVH
Bevelled Ring for Bores M1302/JB/DVH
供應商(2)
25 V型孔用擋圈 M 1308/JV/DHI [标準]
YJT 7011 (M1308/JV/DHI)
V型孔用擋圈 M 1308/JV/DHI
V-rings for Bores M 1308/JV/DHI
供應商(2)
26 英制倒角型孔用擋圈 - N1302/NJB [标準]
YJT 7019 (N1302/NJB)
英制倒角型孔用擋圈 - N1302/NJB
Circlips for Holes (imperial standard) with Chamfer - N1302/NJB
供應商(2)
27 C型 孔用反向擋圈 [标準]
YJT 7032
C型 孔用反向擋圈
Inverted Internal Retaining Rings
供應商(1)
28 L形帶齒孔用擋圈 984L/JL [标準]
YJT 7005 (984L/JL)
L形帶齒孔用擋圈 984L/JL
L-Rings for Bores 984L/JL
29 鞍形孔用擋圈 M1301/JW [标準]
YJT 7009 (M1301/JW)
鞍形孔用擋圈 M1301/JW
Bowed Rings for Bores M1301/JW
30 英制孔用擋圈 N1300/NJ [标準]
YJT 7017 (N1300/NJ)
英制孔用擋圈 N1300/NJ
Circlips for Holes (imperial standard) N1300/NJ
31 英制鞍形孔用擋圈 N1301/NJW [标準]
YJT 7018 (N1301/NJW)
英制鞍形孔用擋圈 N1301/NJW
Bowed Rings for Holes (imperial standard) N1301/NJW
32 英制倒角型孔用擋圈 (N1303/NDB) [标準]
YJT 7020 (N1303/NDB)
英制倒角型孔用擋圈 (N1303/NDB)
Circlips for Holes (imperial standard) with Chamfer (N1303/NDB)
33 英制V型孔用擋圈 (N1308/NJV) [标準]
YJT 7021 (N1308/NJV)
英制V型孔用擋圈 (N1308/NJV)
Circlips for Holes (imperial standard) - V Type (N1308/NJV)
34 孔用止推擋圈 (M1355/ZJ/DTI) [标準]
YJT 7035 (M1355/ZJ/DTI)
孔用止推擋圈 (M1355/ZJ/DTI)
Push-In Fix for Bores (M1355/ZJ/DTI)
35 米制孔用擋圈 - 3BM1 [美标]
ANSI B 27.7 (3BM1) - 1977 (R2017)
米制孔用擋圈 - 3BM1
Metric Internal Retaining Rings - 3BM1
36 NA2 孔用擋圈 [美标]
ASME B 18.27.1 (T7) - 1998 (R2017)
NA2 孔用擋圈
NA2 Internal Retaining Rings
37 NA8 鞍型孔用擋圈 [美标]
ASME B 18.27.3 (T5) - 1998 (R2017)
NA8 鞍型孔用擋圈
NA8 Internal Retaining Rings
38 NA11 反向孔用擋圈 [美标]
ASME B 18.27.4 (T7) - 1998 (R2017)
NA11 反向孔用擋圈
NA11 Inverted Internal Retaining Rings
39 NA13 斜面孔用擋圈 [美标]
ASME B 18.27.4 (T9) - 1998 (R2017)
NA13 斜面孔用擋圈
NA13 Beveled Internal Retaining Rings
40 不鏽鋼孔用彈性擋圈 [航天]
QJ 3245.1 - 2005
不鏽鋼孔用彈性擋圈
Stainless Steel - Circlips for Hole
标準編号: YJT 7007 (D1360/JS/DHR)
中文名稱: 重型孔用擋圈 D1360/JS/DHR
英文名稱: Rings for Bores (Heavy Duty) D1360/JS/DHR
數據來源: 易緊通 (164580.com)
Standard Code: YJT 7007 (D1360/JS/DHR)Chinese Name: 重型孔用擋圈 D1360/JS/DHREnglish Name: Rings for Bores (Heavy Duty) D1360/JS/DHRSource: https://www.164580.com/info_68799.html
Data Source: YJT Fastener Database (164580.com)
Standard: YJT 7007 (D1360/JS/DHR)
URL: https://www.164580.com/info_68799.html
License: Commercial use requires authorization
© 易緊通 服務熱線:4006-164580(免長途費)