index
logo

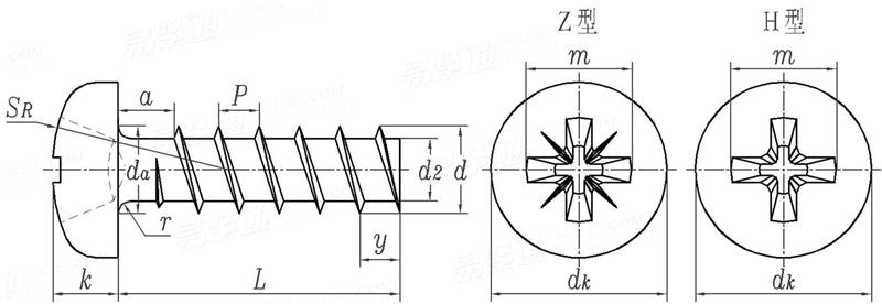
塑料用米制十字槽盤頭螺釘 UNI 10227 - 1993

選擇規格尺寸 點擊↓

2

(2.2)

2.5

3

3.5

4

(4.5)

5

5.5

6

7

括号内尺寸為非優選
UNI  10227 - 1993 塑料用米制十字槽盤頭螺釘

尺寸單位: mm
意大利UNI 10227 - 1993 UNI10227 10227UNI 塑料用米制十字槽盤頭螺釘
UNI  10227 - 1993 塑料用米制十字槽盤頭螺釘
掃一掃分享
千件重及價格計算 千件重 : kg x 元/kg = 元/千件
默認密度 g/cm3
公稱長度L 注:選擇後獲得 相應重量
公稱直徑
2 (2.2) 2.5 3 3.5 4 (4.5) 5 5.5 6 7
a 最大值
da 最大值
dk 最大值
最小值
k 最大值
最小值
r 最小值
SR
槽号
m H型
深度 H型 最小值
最大值
m Z型
深度 Z型 最小值
最大值
1.23 1.23 1.8 2 2.4 2.7 3 3.3 3.3 3.9 4.8
2.8 2.8 3 3.5 4.1 4.4 4.9 5.6 6 7.3 8.5
3.8 4 4.2 5.6 5.8 7.5 8.2 9.5 9.5 10.8 12.5
3.5 3.7 3.9 5.3 6.2 7.14 7.8 9.14 9.14 10.4 12.07
1.6 1.6 1.8 2.2 2.6 2.8 3.05 3.55 3.55 3.95 4.55
1.4 1.4 1.55 1.95 2.35 2.55 2.75 3.25 3.25 3.65 4.25
0.1 0.1 0.1 0.1 0.1 0.2 0.2 0.2 0.2 0.25 0.4
3.4 3.4 3.4 4.4 5.4 5.8 6.2 7.2 7.2 10 9.5
1 1 1 1 2 2 2 2 3 3 3
2.6 2.6 2.6 3 4.2 4.4 4.6 5 5 6.5 7.1
0.86 0.86 0.86 1.4 1.4 1.63 1.8 2.26 2.26 2.49 3
1.32 1.32 1.32 1.8 2.03 2.26 2.46 2.87 2.87 3.15 3.66
2.4 2.4 2.4 2.9 3.9 4.1 4.6 4.7 4.7 6.2 6.7
1.1 1.1 1.1 1.58 1.47 1.7 1.8 2.28 2.28 2.51 3.02
1.35 1.35 1.35 1.83 1.93 2.16 2.46 2.74 2.74 2.97 3.48
千件鋼制重≈kg
- - - - - - - - - - -
①,d、d2、P、y 按照 UNI 10225
注:技術數據僅供參考,請以官方原件為準!
類似标準及供貨信息
1 十字槽盤頭自攻螺釘 [國标]
GB /T 845 - 2017
十字槽盤頭自攻螺釘
Cross Recessed Pan Head Tapping Screws
供應商(9)
2 十字槽盤頭自攻螺釘 [國标]
GB /T 845 - 1985
十字槽盤頭自攻螺釘
Cross Recessed Pan Head Tapping Screws
供應商(9)
3 十字槽盤頭自攻螺釘 [國标]
GB 845 - 1976
十字槽盤頭自攻螺釘
Cross Recessed Pan Head Self-tapping Screws
供應商(9)
4 十字槽盤頭帶介自攻釘 [德标]
DIN 968 - 2008
十字槽盤頭帶介自攻釘
Cross Recessed Pan Head Tapping Screws with Collar
供應商(3)
5 十字槽盤頭凸緣(華司)自攻釘 [德标]
DIN 968 - 2002
十字槽盤頭凸緣(華司)自攻釘
Cross Recessed Pan Head Tapping Screws with Collar
供應商(3)
6 十字槽圓頭帶介自攻釘 [德标]
DIN 968 - 1994
十字槽圓頭帶介自攻釘
Cross Recessed Pan Head Tapping Screws with Collar
供應商(3)
7 十字槽盤頭自攻釘 [德标]
DIN 7981 - 1990
十字槽盤頭自攻釘
Cross Recessed Pan Head Tapping Screws
供應商(3)
8 十字槽盤頭自攻螺釘 [國際]
ISO 7049 - 2011
十字槽盤頭自攻螺釘
Cross Recessed Pan Head Tapping Screws
供應商(1)
9 十字槽盤頭自攻螺釘 [國際]
ISO 7049 - 1983
十字槽盤頭自攻螺釘
Cross Recessed Pan Head Tapping Screws
供應商(1)
10 十字槽大扁頭自攻釘 - 螺紋型式:Class 1~Class 4 [日标]
JIS B 1122 (JA6) - 2015
十字槽大扁頭自攻釘 - 螺紋型式:Class 1~Class 4
Cross Recessed Truss Head Tapping Screws - Threaded Portion are of Class 1 to 4
供應商(4)
11 十字槽大扁頭自攻釘 - 螺紋型式:Class 1~Class 4 [附表4] [日标]
JIS B 1122 (AAT4) - 1996
十字槽大扁頭自攻釘 - 螺紋型式:Class 1~Class 4 [附表4]
Cross Recessed Truss Head Tapping Screws - Threaded Portion are of Class 1 to 4 [Annex Attached Table 4]
供應商(4)
12 十字槽盤頭自攻釘 [日标]
JIS B 1122 (T3) - 2015
十字槽盤頭自攻釘
Cross Recessed Pan Head Tapping Screws
13 十字槽盤頭自攻釘 - 螺紋型式:Class 1~Class 4 [日标]
JIS B 1122 (JA3) - 2015
十字槽盤頭自攻釘 - 螺紋型式:Class 1~Class 4
Cross Recessed Pan Head Tapping Screws - Threaded Portion are of Class 1 to 4
14 十字槽矮圓柱頭自攻釘 - 螺紋型式:Class 1~Class 4 [日标]
JIS B 1122 (JA7) - 2015
十字槽矮圓柱頭自攻釘 - 螺紋型式:Class 1~Class 4
Cross Recessed Cheese Head Tapping Screws - Threaded Portion are of Class 1 to 4
15 十字槽扁圓頭自攻釘 - 螺紋型式:Class 1~Class 4 [日标]
JIS B 1122 (JA8) - 2015
十字槽扁圓頭自攻釘 - 螺紋型式:Class 1~Class 4
Cross Recessed Brazier Head Tapping Screws - Threaded Portion are of Class 1 to 4
16 十字槽矮圓柱頭自攻釘 - 螺紋型式:Class 1~Class 4 [附表5] [日标]
JIS B 1122 (AAT5) - 1996
十字槽矮圓柱頭自攻釘 - 螺紋型式:Class 1~Class 4 [附表5]
Cross Recessed Cheese Head Tapping Screws - Threaded Portion are of Class 1 to 4 [Annex Attached Table 5]
17 十字槽盤頭自攻釘 [表1] [日标]
JIS B 1122 (AT1) - 1996
十字槽盤頭自攻釘 [表1]
Cross Recessed Pan Head Tapping Screws [Table 1]
18 十字槽盤頭自攻釘 - 螺紋型式:Class 1~Class 4 [附表1] [日标]
JIS B 1122 (AAT1) - 1996
十字槽盤頭自攻釘 - 螺紋型式:Class 1~Class 4 [附表1]
Cross Recessed Pan Head Tapping Screws - Threaded Portion are of Class 1 to 4 [Annex Attached Table 1]
19 十字槽扁圓頭自攻釘 - 螺紋型式:Class 1~Class 4 [附表6] [日标]
JIS B 1122 (AAT6) - 1996
十字槽扁圓頭自攻釘 - 螺紋型式:Class 1~Class 4 [附表6]
Cross Recessed Brazier Head Tapping Screws - Threaded Portion are of Class 1 to 4 [Annex Attached Table 6]
20 十字槽盤頭自攻釘C型 [汽标代号]
Q 271
十字槽盤頭自攻釘C型
Cross Recessed Pan Head Tapping Screws - Type C
21 十字槽盤頭平尾自攻釘F型 [汽标代号]
Q 272
十字槽盤頭平尾自攻釘F型
Cross Recessed Round Head Tapping Screws - Type F
22 十字槽大半圓頭自攻釘 [汽标代号]
Q 273
十字槽大半圓頭自攻釘
Cross Recessed Round Head Tapping Screws
23 十字槽盤頭自攻釘 [美标]
ASME/ANSI B 18.6.3 - 2010
十字槽盤頭自攻釘
Machine Screw and Tapping Screw Nuts (Inch Seires)
24 十字槽球面圓柱頭自攻釘 [美标]
ASME/ANSI B 18.6.3 - 2010
十字槽球面圓柱頭自攻釘
Machine Screw and Tapping Screw Nuts (Inch Seires)
25 十字槽盤頭自攻釘 [意大利]
UNI 6954
十字槽盤頭自攻釘
Cross Recessed Pan Head Tapping Screws
26 十字槽盤頭自攻螺釘 [法國]
NF E 25-658 - 1994
十字槽盤頭自攻螺釘
Cross Recessed Pan Head Tapping Screws
27 十字槽盤頭帶介自攻釘 C型 F型 [法國]
NF E 25-659 - 1984
十字槽盤頭帶介自攻釘 C型 F型
Cross Recessed Pan Head Tapping Screws with Collar - Type C and F
28 米字槽扁頭凸緣(華司)自攻釘 [Table 19] [英标]
BS 4174 - 1972
米字槽扁頭凸緣(華司)自攻釘 [Table 19]
Corss Recessed Flange Head Self-Tapping Screws [Table 19]
29 米字槽盤頭自攻釘  [Table 17] [英标]
BS 4174 - 1972
米字槽盤頭自攻釘 [Table 17]
Cross Recess Pan Head Self-tapping Screws [Table 17]
30 米制十字槽盤頭自攻螺釘 [澳标]
AS /NZS 4406 - 1996
米制十字槽盤頭自攻螺釘
ISO Metric Cross Recessed Pan Head Tapping Screws
31 十字槽盤頭自攻釘 [原電子工業部]
SJ 2821 - 1987
十字槽盤頭自攻釘
Cross Recessed Pan Head Self-tapping Screws
32 十字槽扁圓頭自攻釘 [原電子工業部]
SJ 2823 - 1987
十字槽扁圓頭自攻釘

33 十字槽大扁圓頭自攻釘(ST 2.2~ST 6.3) [原電子工業部]
SJ 2500 - 1984
十字槽大扁圓頭自攻釘(ST 2.2~ST 6.3)

34 十字槽盤頭帶墊自攻釘 [原電子工業部]
SJ 2501 - 1984
十字槽盤頭帶墊自攻釘
Cross Recessed Pan Head Tapping Screws with Collar
35 十字槽盤頭普通螺紋自攻螺釘 [原電子工業部]
SJ 2502 - 1984
十字槽盤頭普通螺紋自攻螺釘

36 十字槽扁圓頭普通螺紋自攻螺釘 [原電子工業部]
SJ 2504 - 1984
十字槽扁圓頭普通螺紋自攻螺釘
Cross Recessed Oblate Head Tapping Screws with Common Screw-Thread
37 十字槽大扁頭自攻釘(ST 2.5~ST 6) [原電子工業部]
SJ 2824 - 1984
十字槽大扁頭自攻釘(ST 2.5~ST 6)

38 十字槽盤頭自攻螺釘 [台灣]
CNS 4305 - 2000
十字槽盤頭自攻螺釘
Cross Recessed Pan Head Tapping Screws
39 十字槽盤頭自攻螺釘 [韓标]
KS B 1032 - 2016 (R2021)
十字槽盤頭自攻螺釘
Cross Recessed Pan Head Tapping Screws
40 十字槽盤頭自攻螺釘 [韓标]
KS B 1032 - 2001
十字槽盤頭自攻螺釘
Cross Recessed Pan Head Tapping Screws
41 塑料用十字槽圓頭帶介自攻螺釘 [PT] [标準]
YJT 4024
塑料用十字槽圓頭帶介自攻螺釘 [PT]
Round Washer Head with Type H or Type Z Cross Recess Self-tapping Screw [PT]
供應商(1)
42 十字槽圓頭帶介自攻螺釘 [PT] [标準]
YJT 4054
十字槽圓頭帶介自攻螺釘 [PT]
Cross Recessed Pan Head Tapping Screws with Collar [PT]
供應商(1)
43 十字槽圓頭帶介自攻螺釘 [PT] [标準]
YJT 4055
十字槽圓頭帶介自攻螺釘 [PT]
Cross Recessed Pan Head Tapping Screws with Collar [PT]
供應商(1)
44 十字槽盤頭自攻螺釘 [PT] [标準]
YJT 4056
十字槽盤頭自攻螺釘 [PT]
Cross Recessed Pan Head Tapping Screws [PT]
供應商(1)
45 十字槽盤頭自攻螺釘 [PT] [标準]
YJT 4057
十字槽盤頭自攻螺釘 [PT]
Cross Recessed Pan Head Tapping Screws [PT]
供應商(1)
46 十字槽盤頭自攻釘 [德标]
DIN EN ISO 7049 - 2011
十字槽盤頭自攻釘
Cross-recessed Pan Head Tapping Screws
供應商(3)
47 十字槽大半圓頭自攻釘 [汽标]
QC /T 602 - 1999
十字槽大半圓頭自攻釘
Cross Recessed Round Head Tapping Screws
48 十字槽盤頭 AB ABR自攻螺釘 [美标]
ASME B 18.6.3 (H5B-I/H5C-IA+T1A) - 2024
十字槽盤頭 AB ABR自攻螺釘
Type I Cross Recessed Pan Head Tapping Screws - Type AB and ABR
49 十字槽球面圓柱頭 AB ABR自攻螺釘 [美标]
ASME B 18.6.3 (H6B-I/H6B-IA+T1A) - 2024
十字槽球面圓柱頭 AB ABR自攻螺釘
Cross Recessed Raised Cheese Head Tapping Screws - Type AB and ABR
50 十字槽大扁頭 AB ABR自攻螺釘 [美标]
ASME B 18.6.3 (H7B-I/H7B-IA+T1A) - 2024
十字槽大扁頭 AB ABR自攻螺釘
Cross Recessed Mushroom Head Tapping Screws - Type AB and ABR
51 十字槽圓頭 AB ABR自攻螺釘 [美标]
ASME B 18.6.3 (H11B-I/H11B-IA+T1A) - 2024
十字槽圓頭 AB ABR自攻螺釘
Cross Recessed Round Head Tapping Screws - Type AB and ABR
52 十字槽圓頭凸緣 AB ABR自攻螺釘 [美标]
ASME B 18.6.3 (H12B-I+T1A) - 2024
十字槽圓頭凸緣 AB ABR自攻螺釘
Cross Recessed Round Head Tapping Screws with Collar - Type AB and ABR
53 十字槽盤頭 AB ABR自攻螺釘 [美标]
ASME B 18.6.3 (T18-I/T19-IA+T40) - 2013
十字槽盤頭 AB ABR自攻螺釘
Type I Cross Recessed Pan Head Tapping Screws - Type AB and ABR
54 十字槽球面圓柱頭 AB ABR自攻螺釘 [美标]
ASME B 18.6.3 (T22-I/T22-IA+T40) - 2013
十字槽球面圓柱頭 AB ABR自攻螺釘
Cross Recessed Raised Cheese Head Tapping Screws - Type AB and ABR
55 十字槽大扁頭 AB ABR自攻螺釘 [美标]
ASME B 18.6.3 (T25-I/T25-IA+T40) - 2013
十字槽大扁頭 AB ABR自攻螺釘
Cross Recessed Mushroom Head Tapping Screws - Type AB and ABR
56 十字槽圓頭 AB ABR自攻螺釘 [美标]
ASME B 18.6.3 (T36-I/T36-IA+T40) - 2013
十字槽圓頭 AB ABR自攻螺釘
Cross Recessed Round Head Tapping Screws - Type AB and ABR
57 十字槽圓頭凸緣 AB ABR自攻螺釘 [美标]
ASME B 18.6.3 (T39-I+T40) - 2013
十字槽圓頭凸緣 AB ABR自攻螺釘
Cross Recessed Round Head Tapping Screws with Collar - Type AB and ABR
58 米制米字槽盤頭自攻螺釘 [Table 18] [美标]
ASME B 18.6.5M (T18) - 2000 (R2010)
米制米字槽盤頭自攻螺釘 [Table 18]
Metric Type IA Cross-Recessed Pan Head Tapping Screws [Table 18]
59 米制十字槽盤頭自攻螺釘 [Table 17] [美标]
ASME B 18.6.5M (T17) - 2000 (R2010)
米制十字槽盤頭自攻螺釘 [Table 17]
Metric Cross Recessed Pan Head Tapping Screws [Table 17]
60 I型十字槽盤頭自攻螺釘 B,BP型 [Table 32] [美标]
ASME B 18.6.4 - 1998 (R2005)
I型十字槽盤頭自攻螺釘 B,BP型 [Table 32]
Type I Cross Recessed Pan Head Tapping Screws - Type B and BP Thread Forming [Table 32]
61 I型十字槽盤頭自攻螺釘 C型 [Table 32] [美标]
ASME B 18.6.4 - 1998 (R2005)
I型十字槽盤頭自攻螺釘 C型 [Table 32]
Type I Cross Recessed Pan Head Tapping Screws - Type C Thread Forming [Table 32]
62 I型十字槽盤頭自攻螺釘 AB型 [Table 32] [美标]
ASME B 18.6.4 - 1998 (R2005)
I型十字槽盤頭自攻螺釘 AB型 [Table 32]
Type I Cross Recessed Pan Head Tapping Screws - Type AB Thread Forming [Table 32]
63 I型十字槽盤頭自攻螺釘 A型 [Table 32] [美标]
ASME B 18.6.4 - 1998 (R2005)
I型十字槽盤頭自攻螺釘 A型 [Table 32]
Type I Cross Recessed Pan Head Tapping Screws - Type A Thread Forming [Table 32]
64 IA型米字槽盤頭自攻螺釘 B,BP型 [Table 33] [美标]
ASME B 18.6.4 - 1998 (R2005)
IA型米字槽盤頭自攻螺釘 B,BP型 [Table 33]
Type IA Cross Recessed Pan Head Tapping Screws - Type B and BP Thread Forming [Table 33]
65 IA型米字槽盤頭自攻螺釘 C型(統一螺紋) [Table 33] [美标]
ASME B 18.6.4 - 1998 (R2005)
IA型米字槽盤頭自攻螺釘 C型(統一螺紋) [Table 33]
Type IA Cross Recessed Pan Head Tapping Screws - Type C Thread Forming [Table 33]
66 IA型米字槽盤頭自攻螺釘 AB型 [Table 33] [美标]
ASME B 18.6.4 - 1998 (R2005)
IA型米字槽盤頭自攻螺釘 AB型 [Table 33]
Type IA Cross Recessed Pan Head Tapping Screws - Type AB Thread Forming [Table 33]
67 IA型米字槽盤頭自攻螺釘 A型 [Table 33] [美标]
ASME B 18.6.4 - 1998 (R2005)
IA型米字槽盤頭自攻螺釘 A型 [Table 33]
Type IA Cross Recessed Pan Head Tapping Screws - Type A Thread Forming [Table 33]
68 II型十字槽盤頭自攻螺釘 B,BP型 [Table 34] [美标]
ASME B 18.6.4 - 1998 (R2005)
II型十字槽盤頭自攻螺釘 B,BP型 [Table 34]
Type II Cross Recessed Pan Head Tapping Screws - Type B and BP Thread Forming [Table 34]
69 II型十字槽盤頭自攻螺釘 C型(統一螺紋) [Table 34] [美标]
ASME B 18.6.4 - 1998 (R2005)
II型十字槽盤頭自攻螺釘 C型(統一螺紋) [Table 34]
Type II Cross Recessed Pan Head Tapping Screws - Type C Thread Forming [Table 34]
70 II型十字槽盤頭自攻螺釘 AB型 [Table 34] [美标]
ASME B 18.6.4 - 1998 (R2005)
II型十字槽盤頭自攻螺釘 AB型 [Table 34]
Type II Cross Recessed Pan Head Tapping Screws - Type AB Thread Forming [Table 34]
71 II型十字槽盤頭自攻螺釘 A型 [Table 34] [美标]
ASME B 18.6.4 - 1998 (R2005)
II型十字槽盤頭自攻螺釘 A型 [Table 34]
Type II Cross Recessed Pan Head Tapping Screws - Type A Thread Forming [Table 34]
72 I型十字槽圓柱頭自攻螺釘 B,BP型 [Table 36] [美标]
ASME B 18.6.4 - 1998 (R2005)
I型十字槽圓柱頭自攻螺釘 B,BP型 [Table 36]
Type I Cross Recessed Fillister Head Tapping Screws - Type B and BP Thread Forming [Table 36]
73 I型十字槽圓柱頭自攻螺釘 C型(統一螺紋) [Table 36] [美标]
ASME B 18.6.4 - 1998 (R2005)
I型十字槽圓柱頭自攻螺釘 C型(統一螺紋) [Table 36]
Type I Cross Recessed Fillister Head Tapping Screws - Type C Thread Forming [Table 36]
74 I型十字槽圓柱頭自攻螺釘 AB型 [Table 36] [美标]
ASME B 18.6.4 - 1998 (R2005)
I型十字槽圓柱頭自攻螺釘 AB型 [Table 36]
Type I Cross Recessed Fillister Head Tapping Screws - Type AB Thread Forming [Table 36]
75 I型十字槽圓柱頭自攻螺釘 A型 [Table 36] [美标]
ASME B 18.6.4 - 1998 (R2005)
I型十字槽圓柱頭自攻螺釘 A型 [Table 36]
Type I Cross Recessed Fillister Head Tapping Screws - Type A Thread Forming [Table 36]
76 IA型米字槽圓柱頭自攻螺釘 B,BP型 [Table 37] [美标]
ASME B 18.6.4 - 1998 (R2005)
IA型米字槽圓柱頭自攻螺釘 B,BP型 [Table 37]
Type IA Cross Recessed Fillister Head Tapping Screws - Type B and BP Thread Forming [Table 37]
77 IA型米字槽圓柱頭自攻螺釘 C型(統一螺紋) [Table 37] [美标]
ASME B 18.6.4 - 1998 (R2005)
IA型米字槽圓柱頭自攻螺釘 C型(統一螺紋) [Table 37]
Type IA Cross Recessed Fillister Head Tapping Screws - Type C Thread Forming [Table 37]
78 IA型米字槽圓柱頭自攻螺釘 AB型 [Table 37] [美标]
ASME B 18.6.4 - 1998 (R2005)
IA型米字槽圓柱頭自攻螺釘 AB型 [Table 37]
Type IA Cross Recessed Fillister Head Tapping Screws - Type AB Thread Forming [Table 37]
79 IA型米字槽圓柱頭自攻螺釘 A型 [Table 37] [美标]
ASME B 18.6.4 - 1998 (R2005)
IA型米字槽圓柱頭自攻螺釘 A型 [Table 37]
Type IA Cross Recessed Fillister Head Tapping Screws - Type A Thread Forming [Table 37]
80 II型十字槽圓柱頭自攻螺釘 B,BP型 [Table 38] [美标]
ASME B 18.6.4 - 1998 (R2005)
II型十字槽圓柱頭自攻螺釘 B,BP型 [Table 38]
Type II Cross Recessed Fillister Head Tapping Screws - Type B and BP Thread Forming [Table 38]
81 II型十字槽圓柱頭自攻螺釘 C型(統一螺紋) [Table 38] [美标]
ASME B 18.6.4 - 1998 (R2005)
II型十字槽圓柱頭自攻螺釘 C型(統一螺紋) [Table 38]
Type II Cross Recessed Fillister Head Tapping Screws - Type C Thread Forming [Table 38]
82 II型十字槽圓柱頭自攻螺釘 AB型 [Table 38] [美标]
ASME B 18.6.4 - 1998 (R2005)
II型十字槽圓柱頭自攻螺釘 AB型 [Table 38]
Type II Cross Recessed Fillister Head Tapping Screws - Type AB Thread Forming [Table 38]
83 II型十字槽圓柱頭自攻螺釘 A型 [Table 38] [美标]
ASME B 18.6.4 - 1998 (R2005)
II型十字槽圓柱頭自攻螺釘 A型 [Table 38]
Type II Cross Recessed Fillister Head Tapping Screws - Type A Thread Forming [Table 38]
84 I型十字槽大扁頭自攻螺釘 B,BP型 [Table F2] [美标]
ASME B 18.6.4 - 1998 (R2005)
I型十字槽大扁頭自攻螺釘 B,BP型 [Table F2]
Type I Cross Recessed Truss Head Tapping Screws - Type B and BP Thread Forming [Table F2]
85 I型十字槽大扁頭自攻螺釘 C型(統一螺紋) [Table F2] [美标]
ASME B 18.6.4 - 1998 (R2005)
I型十字槽大扁頭自攻螺釘 C型(統一螺紋) [Table F2]
Type I Cross Recessed Truss Head Tapping Screws - Type C Thread Forming [Table F2]
86 I型十字槽大扁頭自攻螺釘 AB型 [Table F2] [美标]
ASME B 18.6.4 - 1998 (R2005)
I型十字槽大扁頭自攻螺釘 AB型 [Table F2]
Type I Cross Recessed Truss Head Tapping Screws - Type AB Thread Forming [Table F2]
87 I型十字槽大扁頭自攻螺釘 A型 [Table F2] [美标]
ASME B 18.6.4 - 1998 (R2005)
I型十字槽大扁頭自攻螺釘 A型 [Table F2]
Type I Cross Recessed Truss Head Tapping Screws - Type A Thread Forming [Table F2]
88 IA型米字槽大扁頭自攻螺釘 B,BP型 [Table F3] [美标]
ASME B 18.6.4 - 1998 (R2005)
IA型米字槽大扁頭自攻螺釘 B,BP型 [Table F3]
Type IA Cross Recessed Truss Head Tapping Screws - Type B and BP Thread Forming [Table F3]
89 IA型米字槽大扁頭自攻螺釘 C型(統一螺紋) [Table F3] [美标]
ASME B 18.6.4 - 1998 (R2005)
IA型米字槽大扁頭自攻螺釘 C型(統一螺紋) [Table F3]
Type IA Cross Recessed Truss Head Tapping Screws - Type C Thread Forming [Table F3]
90 IA型米字槽大扁頭自攻螺釘 AB型 [Table F3] [美标]
ASME B 18.6.4 - 1998 (R2005)
IA型米字槽大扁頭自攻螺釘 AB型 [Table F3]
Type IA Cross Recessed Truss Head Tapping Screws - Type AB Thread Forming [Table F3]
91 IA型米字槽大扁頭自攻螺釘 A型 [Table F3] [美标]
ASME B 18.6.4 - 1998 (R2005)
IA型米字槽大扁頭自攻螺釘 A型 [Table F3]
Type IA Cross Recessed Truss Head Tapping Screws - Type A Thread Forming [Table F3]
92 II型十字槽大扁頭自攻螺釘 B,BP型 [Table F4] [美标]
ASME B 18.6.4 - 1998 (R2005)
II型十字槽大扁頭自攻螺釘 B,BP型 [Table F4]
Type II Cross Recessed Truss Head Tapping Screws - Type B and BP Thread Forming [Table F4]
93 II型十字槽大扁頭自攻螺釘 C型(統一螺紋) [Table F4] [美标]
ASME B 18.6.4 - 1998 (R2005)
II型十字槽大扁頭自攻螺釘 C型(統一螺紋) [Table F4]
Type II Cross Recessed Truss Head Tapping Screws - Type C Thread Forming [Table F4]
94 II型十字槽大扁頭自攻螺釘 AB型 [Table F4] [美标]
ASME B 18.6.4 - 1998 (R2005)
II型十字槽大扁頭自攻螺釘 AB型 [Table F4]
Type II Cross Recessed Truss Head Tapping Screws - Type AB Thread Forming [Table F4]
95 II型十字槽大扁頭自攻螺釘 A型 [Table F4] [美标]
ASME B 18.6.4 - 1998 (R2005)
II型十字槽大扁頭自攻螺釘 A型 [Table F4]
Type II Cross Recessed Truss Head Tapping Screws - Type A Thread Forming [Table F4]
96 I型十字槽盤頭自攻螺釘 B,BP型 [Table G2] [美标]
ASME B 18.6.4 - 1998 (R2005)
I型十字槽盤頭自攻螺釘 B,BP型 [Table G2]
Type I Cross Recessed Round Head Tapping Screws - Type B and BP Thread Forming [Table G2]
97 I型十字槽盤頭自攻螺釘 C型(統一螺紋) [Table G2] [美标]
ASME B 18.6.4 - 1998 (R2005)
I型十字槽盤頭自攻螺釘 C型(統一螺紋) [Table G2]
Type I Cross Recessed Round Head Tapping Screws - Type C Thread Forming [Table G2]
98 I型十字槽盤頭自攻螺釘 A型 [Table G2] [美标]
ASME B 18.6.4 - 1998 (R2005)
I型十字槽盤頭自攻螺釘 A型 [Table G2]
Type I Cross Recessed Round Head Tapping Screws - Type A Thread Forming [Table G2]
99 II型十字槽盤頭自攻螺釘 B,BP型 [Table G3] [美标]
ASME B 18.6.4 - 1998 (R2005)
II型十字槽盤頭自攻螺釘 B,BP型 [Table G3]
Type II Cross Recessed Round Head Tapping Screws - Type B and BP Thread Forming [Table G3]
100 II型十字槽盤頭自攻螺釘 C型(統一螺紋) [Table G3] [美标]
ASME B 18.6.4 - 1998 (R2005)
II型十字槽盤頭自攻螺釘 C型(統一螺紋) [Table G3]
Type II Cross Recessed Round Head Tapping Screws - Type C Thread Forming [Table G3]
© 易緊通 服務熱線:4006-164580(免長途費)