index
logo

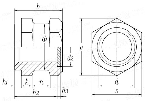
六角通孔中間帶槽台階鑲入螺母 帶密封墊圈 G型 DIN 16903 (G) - 1974

選擇規格尺寸 點擊↓

M3

(M3.5)

M4

M5

M6

M8

M10

M12

括号内尺寸為非優選
DIN  16903 (G) - 1974 六角通孔中間帶槽台階鑲入螺母 帶密封墊圈 G型

尺寸單位: mm
德标DIN 16903 (G) - 1974 DIN16903 16903DIN 六角通孔中間帶槽台階鑲入螺母 帶密封墊圈 G型
DIN  16903 (G) - 1974 六角通孔中間帶槽台階鑲入螺母 帶密封墊圈 G型
掃一掃分享
螺紋規格
d
M3 (M3.5) M4 M5 M6 M8 M10 M12
k
h1
n
h3
d2 (D11)
d1 (h12)
e
h2 (h14)
h (h12)
s
1.2 1.5 1.5 2 2.5 3.5 4 5
1 1 1 1 1 1 1 1
1.8 2.2 2.5 3 3.5 4.5 6 7
0.32 0.5 0.5 0.5 0.5 1 1 1
3.2 3.8 4.5 6 7 9 11 13
3.8 4.5 5 6.4 7.4 10.4 13 17
5.8 6.1 6.9 8.1 10.4 12.7 16.2 21.9
4.5 5.5 6 7.5 9 12 15 18
5.3 6.5 7 8.5 10 13.5 16.5 19.5
5 5.5 6 7 9 11 14 19
注:技術數據僅供參考,請以官方原件為準!
類似标準及供貨信息
1 嵌裝圓螺母 [國标]
GB 809 - 1988
嵌裝圓螺母
Insert Round Nuts
供應商(1)
2 滾花通孔中間帶槽鑲入螺母 封閉型 Q型 [德标]
DIN 16903 (Q) - 1974
滾花通孔中間帶槽鑲入螺母 封閉型 Q型
Closed Insert Nuts for Plastics Mouldings - Round Without Shoulder - Type Q
供應商(1)
3 六角通孔中間帶槽鑲入螺母 - A型 [德标]
DIN 16903 (A) - 1974
六角通孔中間帶槽鑲入螺母 - A型
Open Insert Nuts for Plastics Mouldings - Hex Without Shoulder - Type A
4 滾花通孔中間帶槽鑲入螺母 - B型 [德标]
DIN 16903 (B) - 1974
滾花通孔中間帶槽鑲入螺母 - B型
Open Insert Nuts for Plastics Mouldings - Round Without Shoulder - Type B
5 六角通孔中間帶槽台階鑲入螺母 - C型 [德标]
DIN 16903 (C) - 1974
六角通孔中間帶槽台階鑲入螺母 - C型
Open Insert Nuts for Plastics Mouldings - Hex with Shoulder - Type C
6 滾花通孔中間帶槽台階鑲入螺母 - D型 [德标]
DIN 16903 (D) - 1974
滾花通孔中間帶槽台階鑲入螺母 - D型
Open Insert Nuts for Plastics Mouldings - Round with Shoulder - Type D
7 六角通孔中間帶槽鑲入螺母 帶塑料密封墊 E型 [德标]
DIN 16903 (E) - 1974
六角通孔中間帶槽鑲入螺母 帶塑料密封墊 E型
Closed Insert Nuts with Disk for Plastics Mouldings - Hex Without Shoulder - Type E
8 滾花通孔中間帶槽鑲入螺母 帶密封墊 - F型 [德标]
DIN 16903 (F) - 1974
滾花通孔中間帶槽鑲入螺母 帶密封墊 - F型
Closed Insert Nuts with Disk for Plastics Mouldings - Round Without Shoulder - Type F
9 滾花通孔中間帶槽台階鑲入螺母 帶密封墊 H型 [德标]
DIN 16903 (H) - 1974
滾花通孔中間帶槽台階鑲入螺母 帶密封墊 H型
Closed Insert Nuts with Disk for Plastics Mouldings-Round with Shoulder - Type H
10 六角封閉型中間帶槽鑲入螺母  P型 [德标]
DIN 16903 (P) - 1974
六角封閉型中間帶槽鑲入螺母 P型
Closed Insert Nuts for Plastics Mouldings - Hex Without Shoulder - Type P
11 六角封閉型中間帶槽台階鑲入螺母 R型 [德标]
DIN 16903 (R) - 1974
六角封閉型中間帶槽台階鑲入螺母 R型
Closed Insert Nuts for Plastics Mouldings - Hex with Shoulder - Type R
12 滾花通孔中間帶槽台階鑲入螺母 封閉型 S型 [德标]
DIN 16903 (S) - 1974
滾花通孔中間帶槽台階鑲入螺母 封閉型 S型
Closed Insert Nuts for Plastics Mouldings - Round Without Shoulder - Type S
13 滾花通孔中間帶槽多台階鑲入螺母 封閉型 T型 [德标]
DIN 16903 (T) - 1974
滾花通孔中間帶槽多台階鑲入螺母 封閉型 T型
Insert Nuts; Heavy Type for Plastics Mouldings and Pressure Die Castings with Dead Hole - Type T
14 滾花通孔中間帶槽多台階鑲入螺母 封閉型 U型 [德标]
DIN 16903 (U) - 1974
滾花通孔中間帶槽多台階鑲入螺母 封閉型 U型
Insert Nuts; Heavy Type for Plastics Mouldings and Pressure Die Castings with Dead Hole - Type U
15 B型通孔式嵌裝塑料螺母 [汽标代号]
Q 376B
B型通孔式嵌裝塑料螺母
Plastic Expansion Nut with Open End. Type B
16 C型通孔式嵌裝塑料螺母 [汽标代号]
Q 377B
C型通孔式嵌裝塑料螺母
Plastic expansion nut with open end. Type C
17 D型通孔式嵌裝塑料螺母 [汽标代号]
Q 378
D型通孔式嵌裝塑料螺母
Plastic Expansion Nut with Open End, Type D
18 A型通孔式嵌裝塑料螺母 [汽标代号]
Q 398B
A型通孔式嵌裝塑料螺母

19 T型把手用嵌件 [機械行業]
JB /T 7274.6 (insert) - 2014
T型把手用嵌件
Inserts for T - Knob
20 三角箭形把手用嵌件 [機械行業]
JB /T 7274.8 - 2014
三角箭形把手用嵌件
Insert for Triangular Star Shape Knobs
21 嵌套 [機械行業]
JB /T 7275 - 2014
嵌套
Open Insert Nuts
22 非标圓形厚螺母 [标準]
YJT 3018
非标圓形厚螺母
Non-standard Long Round Nut
23 鑲嵌螺母 螺套 [标準]
YJT 5027
鑲嵌螺母 螺套
Press-in Threaded Insert
24 壓鉚花齒螺套 [标準]
YJT 5029
壓鉚花齒螺套

25 B型通孔式嵌裝塑料螺母 [汽标]
QC /T 615 - 2011
B型通孔式嵌裝塑料螺母
Plastic Expansion Nut with Open End - Type B
26 C型通孔式嵌裝塑料螺母 [汽标]
QC /T 616 - 2011
C型通孔式嵌裝塑料螺母
Plastic Expansion Nut with Open End. Type C
27 D型通孔式嵌裝塑料螺母 [汽标]
QC /T 890 - 2011
D型通孔式嵌裝塑料螺母
Plastic Expansion Nut with Open End, Type D
28 沖壓螺母 [汽标]
QC /T 611 - 1999
沖壓螺母
Stamping Nut
29 B型通孔式嵌裝塑料螺母 [汽标]
QC /T 615 - 1999
B型通孔式嵌裝塑料螺母
Plastic Expansion Nut with Open End - Type B
30 C型通孔式嵌裝塑料螺母 [汽标]
QC /T 616 - 1999
C型通孔式嵌裝塑料螺母
Plastic Expansion Nut with Open End. Type C
© 易緊通 服務熱線:4006-164580(免長途費)