index
logo

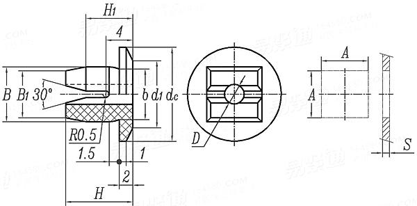
A型通孔式嵌裝塑料螺母 Q 398B

選擇規格尺寸 點擊↓

01

02

03

04

Q  398B A型通孔式嵌裝塑料螺母

尺寸單位: mm
汽标代号Q 398B Q398B 398BQ A型通孔式嵌裝塑料螺母
Q  398B A型通孔式嵌裝塑料螺母
掃一掃分享
代号
01 02 03 04
适用螺紋 QC/T 713
D
dc
d1
H
H1
B
B1
S
b
A 最小值
最大值
NST 3 NST 4 NST 5 NST 5.5
2.0~2.3 2.5~2.9 3.1~3.7 3.6~4.2
10 12 14 16
8 9 10 11
7 8 10 12
5 6 7 8
6.2 7.2 8.2 9.2
4 5 6 7
0.8~1.0 0.8~1.0 0.8~1.0 1.2~1.5
5.9 6.9 7.9 8.8
6 7 8 9
6.18 7.22 8.22 9.22
注:技術數據僅供參考,請以官方原件為準!
類似标準及供貨信息
1 嵌裝圓螺母 [國标]
GB 809 - 1988
嵌裝圓螺母
Insert Round Nuts
供應商(1)
2 滾花通孔中間帶槽鑲入螺母 封閉型 Q型 [德标]
DIN 16903 (Q) - 1974
滾花通孔中間帶槽鑲入螺母 封閉型 Q型
Closed Insert Nuts for Plastics Mouldings - Round Without Shoulder - Type Q
供應商(1)
3 六角通孔中間帶槽鑲入螺母 - A型 [德标]
DIN 16903 (A) - 1974
六角通孔中間帶槽鑲入螺母 - A型
Open Insert Nuts for Plastics Mouldings - Hex Without Shoulder - Type A
4 滾花通孔中間帶槽鑲入螺母 - B型 [德标]
DIN 16903 (B) - 1974
滾花通孔中間帶槽鑲入螺母 - B型
Open Insert Nuts for Plastics Mouldings - Round Without Shoulder - Type B
5 六角通孔中間帶槽台階鑲入螺母 - C型 [德标]
DIN 16903 (C) - 1974
六角通孔中間帶槽台階鑲入螺母 - C型
Open Insert Nuts for Plastics Mouldings - Hex with Shoulder - Type C
6 滾花通孔中間帶槽台階鑲入螺母 - D型 [德标]
DIN 16903 (D) - 1974
滾花通孔中間帶槽台階鑲入螺母 - D型
Open Insert Nuts for Plastics Mouldings - Round with Shoulder - Type D
7 六角通孔中間帶槽鑲入螺母 帶塑料密封墊 E型 [德标]
DIN 16903 (E) - 1974
六角通孔中間帶槽鑲入螺母 帶塑料密封墊 E型
Closed Insert Nuts with Disk for Plastics Mouldings - Hex Without Shoulder - Type E
8 滾花通孔中間帶槽鑲入螺母 帶密封墊 - F型 [德标]
DIN 16903 (F) - 1974
滾花通孔中間帶槽鑲入螺母 帶密封墊 - F型
Closed Insert Nuts with Disk for Plastics Mouldings - Round Without Shoulder - Type F
9 滾花通孔中間帶槽台階鑲入螺母 帶密封墊 H型 [德标]
DIN 16903 (H) - 1974
滾花通孔中間帶槽台階鑲入螺母 帶密封墊 H型
Closed Insert Nuts with Disk for Plastics Mouldings-Round with Shoulder - Type H
10 六角通孔中間帶槽台階鑲入螺母 帶密封墊圈 G型 [德标]
DIN 16903 (G) - 1974
六角通孔中間帶槽台階鑲入螺母 帶密封墊圈 G型
Closed Insert Nuts with Disk for Plastics Mouldings - Hex with Shoulder - Type G
11 六角封閉型中間帶槽鑲入螺母  P型 [德标]
DIN 16903 (P) - 1974
六角封閉型中間帶槽鑲入螺母 P型
Closed Insert Nuts for Plastics Mouldings - Hex Without Shoulder - Type P
12 六角封閉型中間帶槽台階鑲入螺母 R型 [德标]
DIN 16903 (R) - 1974
六角封閉型中間帶槽台階鑲入螺母 R型
Closed Insert Nuts for Plastics Mouldings - Hex with Shoulder - Type R
13 滾花通孔中間帶槽台階鑲入螺母 封閉型 S型 [德标]
DIN 16903 (S) - 1974
滾花通孔中間帶槽台階鑲入螺母 封閉型 S型
Closed Insert Nuts for Plastics Mouldings - Round Without Shoulder - Type S
14 滾花通孔中間帶槽多台階鑲入螺母 封閉型 T型 [德标]
DIN 16903 (T) - 1974
滾花通孔中間帶槽多台階鑲入螺母 封閉型 T型
Insert Nuts; Heavy Type for Plastics Mouldings and Pressure Die Castings with Dead Hole - Type T
15 滾花通孔中間帶槽多台階鑲入螺母 封閉型 U型 [德标]
DIN 16903 (U) - 1974
滾花通孔中間帶槽多台階鑲入螺母 封閉型 U型
Insert Nuts; Heavy Type for Plastics Mouldings and Pressure Die Castings with Dead Hole - Type U
16 B型通孔式嵌裝塑料螺母 [汽标代号]
Q 376B
B型通孔式嵌裝塑料螺母
Plastic Expansion Nut with Open End. Type B
17 C型通孔式嵌裝塑料螺母 [汽标代号]
Q 377B
C型通孔式嵌裝塑料螺母
Plastic expansion nut with open end. Type C
18 D型通孔式嵌裝塑料螺母 [汽标代号]
Q 378
D型通孔式嵌裝塑料螺母
Plastic Expansion Nut with Open End, Type D
19 T型把手用嵌件 [機械行業]
JB /T 7274.6 (insert) - 2014
T型把手用嵌件
Inserts for T - Knob
20 三角箭形把手用嵌件 [機械行業]
JB /T 7274.8 - 2014
三角箭形把手用嵌件
Insert for Triangular Star Shape Knobs
21 嵌套 [機械行業]
JB /T 7275 - 2014
嵌套
Open Insert Nuts
22 非标圓形厚螺母 [标準]
YJT 3018
非标圓形厚螺母
Non-standard Long Round Nut
23 鑲嵌螺母 螺套 [标準]
YJT 5027
鑲嵌螺母 螺套
Press-in Threaded Insert
24 壓鉚花齒螺套 [标準]
YJT 5029
壓鉚花齒螺套

25 B型通孔式嵌裝塑料螺母 [汽标]
QC /T 615 - 2011
B型通孔式嵌裝塑料螺母
Plastic Expansion Nut with Open End - Type B
26 C型通孔式嵌裝塑料螺母 [汽标]
QC /T 616 - 2011
C型通孔式嵌裝塑料螺母
Plastic Expansion Nut with Open End. Type C
27 D型通孔式嵌裝塑料螺母 [汽标]
QC /T 890 - 2011
D型通孔式嵌裝塑料螺母
Plastic Expansion Nut with Open End, Type D
28 沖壓螺母 [汽标]
QC /T 611 - 1999
沖壓螺母
Stamping Nut
29 B型通孔式嵌裝塑料螺母 [汽标]
QC /T 615 - 1999
B型通孔式嵌裝塑料螺母
Plastic Expansion Nut with Open End - Type B
30 C型通孔式嵌裝塑料螺母 [汽标]
QC /T 616 - 1999
C型通孔式嵌裝塑料螺母
Plastic Expansion Nut with Open End. Type C
© 易緊通 服務熱線:4006-164580(免長途費)