index
logo

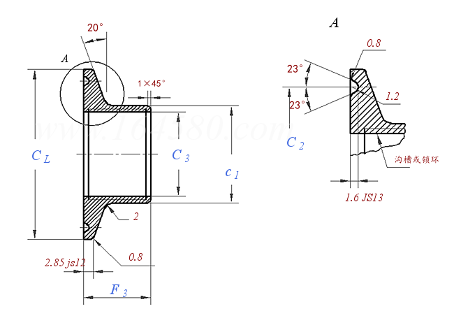
食品行業用不鏽鋼夾管接頭 擴口式襯套 ISO 2852 (T1) - 1993

選擇規格尺寸 點擊↓

12

12.7

17.2

21.3

25

33.7

38

40

51

63.5

70

76.1

ISO  2852 (T1) - 1993 食品行業用不鏽鋼夾管接頭 擴口式襯套

尺寸單位: mm
國際ISO 2852 (T1) - 1993 ISO2852 2852ISO 食品行業用不鏽鋼夾管接頭 擴口式襯套
ISO  2852 (T1) - 1993 食品行業用不鏽鋼夾管接頭 擴口式襯套
掃一掃分享
公稱直徑
12 12.7 17.2 21.3 25 33.7 38 40 51 63.5 70 76.1
C3 公稱
最大值
最小值
c1 公稱
最大值
最小值
CL 最大值=公稱
最小值
C2 N11
F3
12 12.7 17.2 21.3 25 33.7 38 40 51 63.5 70 76.1
12.36 13.06 17.56 21.684 25.384 34.11 38.41 40.41 51.46 63.96 70.48 76.58
12.29 12.99 17.49 21.6 25.3 34.01 38.31 40.31 51.34 63.84 70.36 76.46
16 16.7 21.2 25.3 29 38.1 42.4 44.8 55.8 68.9 75.8 81.9
16.035 16.735 21.242 25.342 29.042 38.15 42.45 44.85 55.86 68.96 75.86 81.97
15.965 16.665 21.158 25.258 28.958 38.05 42.35 44.75 55.74 68.84 75.74 81.83
34 34 34 34 50.5 50.5 50.5 64 64 77.5 91 91
33.84 33.84 33.84 33.84 50.31 50.31 50.31 63.81 63.81 77.31 90.78 90.78
27.5 27.5 27.5 27.5 43.5 43.5 43.5 56.5 56.5 70.5 83.5 83.5
16 16 18 20 20 20 20 20 25 30 30 30
注:技術數據僅供參考,請以官方原件為準!
類似标準及供貨信息
1 擴口式錐螺紋直通管接頭 [國标]
GB /T 5626 - 2008
擴口式錐螺紋直通管接頭
Flared Couplings - Male
供應商(1)
2 擴口式管接頭用空心螺栓 [國标]
GB /T 5650 - 2008
擴口式管接頭用空心螺栓
Flared Couplings - Inverted Flare Bolts
供應商(1)
3 擴口式管接頭空心螺栓 [國标]
GB /T 5650 - 1985
擴口式管接頭空心螺栓
Flared Type Tube Fittings - Inverted Flare Bolts
供應商(1)
4 擴口式端直通管接頭-A型柱端 [國标]
GB /T 5625 (A) - 2008
擴口式端直通管接頭-A型柱端
Flared Couplings - Straight Thread - Type A Stud ends
5 擴口式端直通管接頭-F型柱端 [國标]
GB /T 5625 (F) - 2008
擴口式端直通管接頭-F型柱端
Flared Couplings - Straight Thread - Type F Stud ends
6 擴口式錐螺紋長接頭體 [國标]
GB /T 5627 - 2008
擴口式錐螺紋長接頭體
Flared Couplings - Male Long Body
7 擴口式錐螺紋長管接頭 [國标]
GB /T 5627 - 2008
擴口式錐螺紋長管接頭
Flared Couplings - Male Long
8 擴口式管接頭套管 [國标]
GB /T 5646 - 2008
擴口式管接頭套管
Flared Couplings - Sleeve
9 道路車輛 液壓制動系統,第1部分:雙喇叭口金屬管、螺紋孔、螺紋管接頭和管座,A型螺紋接頭 [國際]
ISO 13486-1 (A) - 1999
道路車輛 液壓制動系統,第1部分:雙喇叭口金屬管、螺紋孔、螺紋管接頭和管座,A型螺紋接頭
Road Vehicles - Hydraulic Braking Systems - Part 1: Double-flare Pipes, Tapped Holes, Male Fittings and Tube Seats, Type A Male Fitting
10 道路車輛 液壓制動系統,第1部分:雙喇叭口金屬管、螺紋孔、螺紋管接頭和管座,B型螺紋接頭 [國際]
ISO 13486-1 (B) - 1999
道路車輛 液壓制動系統,第1部分:雙喇叭口金屬管、螺紋孔、螺紋管接頭和管座,B型螺紋接頭
Road Vehicles - Hydraulic Braking Systems - Part 1: Double-Flare Pipes, Tapped Holes, Male Fittings and Tube Seats, Type B Male Fitting
11 擴口式錐螺紋直通管接頭體 [汽标代号]
Q 651C
擴口式錐螺紋直通管接頭體
Flared Couplings - Male - Body
供應商(1)
12 擴口式彎通接頭體 [汽标代号]
Q 653B
擴口式彎通接頭體
Flared Couplings - Union Elbow
13 擴口式錐螺紋直角管接頭體 [汽标代号]
Q 654B
擴口式錐螺紋直角管接頭體
Flared Couplings - Male Elbow - Body
14 擴口式直通接頭體 [汽标代号]
Q 655C
擴口式直通接頭體
Flared Couplings - Union
15 擴口式錐螺紋三通管接頭體 [汽标代号]
Q 656B
擴口式錐螺紋三通管接頭體
Flared Couplings - Male Branch Tee - Body
16 擴口式三通接頭體 [汽标代号]
Q 657B
擴口式三通接頭體
Flared Couplings - Union Tee
17 擴口式四通接頭體 [汽标代号]
Q 658B
擴口式四通接頭體
Flared Couplings - Union Cross
18 擴口式管接頭空心螺釘 [汽标代号]
Q 660
擴口式管接頭空心螺釘
Flared Type Tube Fittings-inverted Flare Bolts
19 擴口式管接頭空心螺釘 [汽标代号]
Q 660B
擴口式管接頭空心螺釘
Flared Type Tube Fittings-Inverted Flare Bolts
20 擴口式壓力表接頭體 [汽标代号]
Q 661B
擴口式壓力表接頭體
Flared Couplings - Connector for Pressure Gauge
21 擴口式錐螺紋直通管接頭體 [汽标]
QC /T 403 - 2013
擴口式錐螺紋直通管接頭體
Flared Couplings - Male - Body
22 擴口式錐螺紋直角管接頭體 [汽标]
QC /T 404 - 2013
擴口式錐螺紋直角管接頭體
Flared Couplings - Male Elbow - Body
23 擴口式錐螺紋三通管接頭體 [汽标]
QC /T 405 - 2013
擴口式錐螺紋三通管接頭體
Flared Couplings - Male Branch Tee - Body
24 道路車輛 液壓制動系統,第1部分:雙喇叭口金屬管、螺紋孔、螺紋管接頭和管座 — A型螺紋接頭 [汽标]
QC /T 960.1 (A) - 2013
道路車輛 液壓制動系統,第1部分:雙喇叭口金屬管、螺紋孔、螺紋管接頭和管座 — A型螺紋接頭
Road Vehicles - Hydraulic Braking Systems - Part 1: Double-Flare Pipes, Tapped Holes, Male Fittings and Tube Seats,Type A Male Fitting
25 道路車輛 液壓制動系統,第1部分:雙喇叭口金屬管、螺紋孔、螺紋管接頭和管座 — B型螺紋接頭 [汽标]
QC /T 960.1 (B) - 2013
道路車輛 液壓制動系統,第1部分:雙喇叭口金屬管、螺紋孔、螺紋管接頭和管座 — B型螺紋接頭
Road Vehicles - Hydraulic Braking Systems - Part 1: Double-Flare Pipes, Tapped Holes, Male Fittings and Tube Seats,Type B Male Fitting
26 擴口式A型直通管接頭 [航空]
HB 4 - 5 - 2002
擴口式A型直通管接頭
Union, A Type, Flared Tube
供應商(1)
27 擴口式直角管接頭 [航空]
HB 4 - 13 - 2002
擴口式直角管接頭
Elbow, 90 degree, flared tube
© 易緊通 服務熱線:4006-164580(免長途費)