index
logo

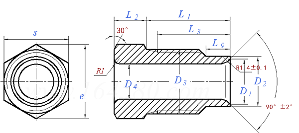
道路車輛 液壓制動系統,第1部分:雙喇叭口金屬管、螺紋孔、螺紋管接頭和管座 — B型螺紋接頭 QC /T 960.1 (B) - 2013

選擇規格尺寸 點擊↓

4.76

5

6

6.35

QC /T 960.1 (B) - 2013 道路車輛 液壓制動系統,第1部分:雙喇叭口金屬管、螺紋孔、螺紋管接頭和管座 — B型螺紋接頭

尺寸單位: mm
汽标QC /T960.1 (B) - 2013 QC960.1 960.1QC 道路車輛 液壓制動系統,第1部分:雙喇叭口金屬管、螺紋孔、螺紋管接頭和管座 — B型螺紋接頭
QC /T 960.1 (B) - 2013 道路車輛 液壓制動系統,第1部分:雙喇叭口金屬管、螺紋孔、螺紋管接頭和管座 — B型螺紋接頭
掃一掃分享
管外徑
4.76 5 6 6.35
D4 +0.15,0
D3 6g
D1 +0.1,0
D2 ±0.2
L1 ±0.2
L2
L3 最小值
L9 +0.5,0
s 最大值=公稱
最小值
e
4.98 5.3 6.24 6.59
M10×1 M10×1 M12×1 M12×1
6.5 6.5 8 8.1
8.3 8.3 10.3 10.3
13 13 15 15
5 5 5 6
11 11 11 11
3 3 3 3
10 10 13 13
9.78 9.78 12.73 12.73
11.5 11.5 13.9 13.9
注:技術數據僅供參考,請以官方原件為準!
類似标準及供貨信息
1 擴口式錐螺紋直通管接頭 [國标]
GB /T 5626 - 2008
擴口式錐螺紋直通管接頭
Flared Couplings - Male
供應商(1)
2 擴口式管接頭用空心螺栓 [國标]
GB /T 5650 - 2008
擴口式管接頭用空心螺栓
Flared Couplings - Inverted Flare Bolts
供應商(1)
3 擴口式管接頭空心螺栓 [國标]
GB /T 5650 - 1985
擴口式管接頭空心螺栓
Flared Type Tube Fittings - Inverted Flare Bolts
供應商(1)
4 擴口式端直通管接頭-A型柱端 [國标]
GB /T 5625 (A) - 2008
擴口式端直通管接頭-A型柱端
Flared Couplings - Straight Thread - Type A Stud ends
5 擴口式端直通管接頭-F型柱端 [國标]
GB /T 5625 (F) - 2008
擴口式端直通管接頭-F型柱端
Flared Couplings - Straight Thread - Type F Stud ends
6 擴口式錐螺紋長接頭體 [國标]
GB /T 5627 - 2008
擴口式錐螺紋長接頭體
Flared Couplings - Male Long Body
7 擴口式錐螺紋長管接頭 [國标]
GB /T 5627 - 2008
擴口式錐螺紋長管接頭
Flared Couplings - Male Long
8 擴口式管接頭套管 [國标]
GB /T 5646 - 2008
擴口式管接頭套管
Flared Couplings - Sleeve
9 道路車輛 液壓制動系統,第1部分:雙喇叭口金屬管、螺紋孔、螺紋管接頭和管座,A型螺紋接頭 [國際]
ISO 13486-1 (A) - 1999
道路車輛 液壓制動系統,第1部分:雙喇叭口金屬管、螺紋孔、螺紋管接頭和管座,A型螺紋接頭
Road Vehicles - Hydraulic Braking Systems - Part 1: Double-flare Pipes, Tapped Holes, Male Fittings and Tube Seats, Type A Male Fitting
10 道路車輛 液壓制動系統,第1部分:雙喇叭口金屬管、螺紋孔、螺紋管接頭和管座,B型螺紋接頭 [國際]
ISO 13486-1 (B) - 1999
道路車輛 液壓制動系統,第1部分:雙喇叭口金屬管、螺紋孔、螺紋管接頭和管座,B型螺紋接頭
Road Vehicles - Hydraulic Braking Systems - Part 1: Double-Flare Pipes, Tapped Holes, Male Fittings and Tube Seats, Type B Male Fitting
11 食品行業用不鏽鋼夾管接頭 擴口式襯套 [國際]
ISO 2852 (T1) - 1993
食品行業用不鏽鋼夾管接頭 擴口式襯套
Stainless Steel Clamp Pipe Couplings for the Food Industry - Expanded-type Clamp Liner
12 擴口式錐螺紋直通管接頭體 [汽标代号]
Q 651C
擴口式錐螺紋直通管接頭體
Flared Couplings - Male - Body
供應商(1)
13 擴口式彎通接頭體 [汽标代号]
Q 653B
擴口式彎通接頭體
Flared Couplings - Union Elbow
14 擴口式錐螺紋直角管接頭體 [汽标代号]
Q 654B
擴口式錐螺紋直角管接頭體
Flared Couplings - Male Elbow - Body
15 擴口式直通接頭體 [汽标代号]
Q 655C
擴口式直通接頭體
Flared Couplings - Union
16 擴口式錐螺紋三通管接頭體 [汽标代号]
Q 656B
擴口式錐螺紋三通管接頭體
Flared Couplings - Male Branch Tee - Body
17 擴口式三通接頭體 [汽标代号]
Q 657B
擴口式三通接頭體
Flared Couplings - Union Tee
18 擴口式四通接頭體 [汽标代号]
Q 658B
擴口式四通接頭體
Flared Couplings - Union Cross
19 擴口式管接頭空心螺釘 [汽标代号]
Q 660
擴口式管接頭空心螺釘
Flared Type Tube Fittings-inverted Flare Bolts
20 擴口式管接頭空心螺釘 [汽标代号]
Q 660B
擴口式管接頭空心螺釘
Flared Type Tube Fittings-Inverted Flare Bolts
21 擴口式壓力表接頭體 [汽标代号]
Q 661B
擴口式壓力表接頭體
Flared Couplings - Connector for Pressure Gauge
22 擴口式錐螺紋直通管接頭體 [汽标]
QC /T 403 - 2013
擴口式錐螺紋直通管接頭體
Flared Couplings - Male - Body
23 擴口式錐螺紋直角管接頭體 [汽标]
QC /T 404 - 2013
擴口式錐螺紋直角管接頭體
Flared Couplings - Male Elbow - Body
24 擴口式錐螺紋三通管接頭體 [汽标]
QC /T 405 - 2013
擴口式錐螺紋三通管接頭體
Flared Couplings - Male Branch Tee - Body
25 道路車輛 液壓制動系統,第1部分:雙喇叭口金屬管、螺紋孔、螺紋管接頭和管座 — A型螺紋接頭 [汽标]
QC /T 960.1 (A) - 2013
道路車輛 液壓制動系統,第1部分:雙喇叭口金屬管、螺紋孔、螺紋管接頭和管座 — A型螺紋接頭
Road Vehicles - Hydraulic Braking Systems - Part 1: Double-Flare Pipes, Tapped Holes, Male Fittings and Tube Seats,Type A Male Fitting
26 擴口式A型直通管接頭 [航空]
HB 4 - 5 - 2002
擴口式A型直通管接頭
Union, A Type, Flared Tube
供應商(1)
27 擴口式直角管接頭 [航空]
HB 4 - 13 - 2002
擴口式直角管接頭
Elbow, 90 degree, flared tube
© 易緊通 服務熱線:4006-164580(免長途費)