index
logo

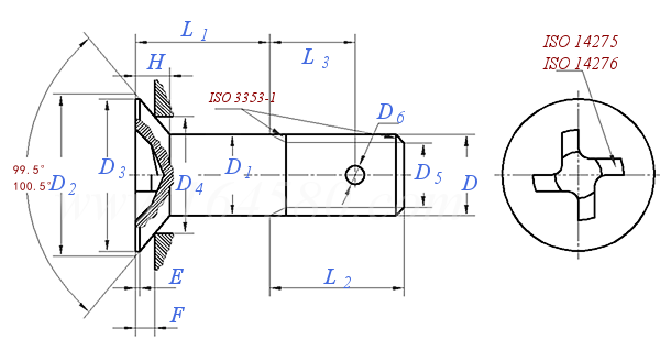
航空航天 - 100°沉頭螺釘 偏十字槽 鍍镉 合金鋼 中等螺紋長度 粗公差普通杆 等級:1100MPa(室溫)/235℃ EN 4162 - 2016

選擇規格尺寸 點擊↓

MJ3

MJ4

MJ5

MJ6

MJ7

MJ8

MJ10

MJ12

MJ14

MJ16

MJ18

MJ20

EN  4162 - 2016 航空航天 - 100°沉頭螺釘 偏十字槽 鍍镉 合金鋼 中等螺紋長度 粗公差普通杆 等級:1100MPa(室溫)/235℃

尺寸單位: mm
歐标EN 4162 - 2016 EN4162 4162EN 航空航天 - 100°沉頭螺釘 偏十字槽 鍍镉 合金鋼 中等螺紋長度 粗公差普通杆 等級:1100MPa(室溫)/235℃
EN  4162 - 2016 航空航天 - 100°沉頭螺釘 偏十字槽 鍍镉 合金鋼 中等螺紋長度 粗公差普通杆 等級:1100MPa(室溫)/235℃
掃一掃分享
螺紋規格
D
MJ3 MJ4 MJ5 MJ6 MJ7 MJ8 MJ10 MJ12 MJ14 MJ16 MJ18 MJ20
代号
P 螺距
螺紋精度
D1 最大值
最小值
D2 最大值
D3 最小值
D4
D5 公稱
最大值
最小值
D6 最大值
最小值
E 最小值
F 最大值
最小值
H 最小值
L1 公稱 ±0.2
L2
L3
030 040 050 060 070 080 100 120 140 160 180 200
0.5 0.7 0.8 1 1 1 1.25 1.25 1.5 1.5 1.5 1.5
4h6h 4h6h 4h6h 4h6h 4h6h 4h6h 4h6h 4h6h 4h6h 4h6h 4h6h 4h6h
3 4 5 6 7 8 10 12 14 16 18 20
2.9 3.88 4.88 5.88 6.85 7.85 9.85 11.82 13.82 15.82 17.82 19.79
6 8 10 12 14 16 20 24 28 32 36 40
5.4 7.2 9 10.8 12.8 14.8 18.8 22.8 26.8 30.8 34.8 38.8
4.5 5.78 7.71 9 10.28 12.21 15.43 18 20.57 24.43 25.71 28.92
2.3 3 3.4 4.2 5.2 6.2 7.9 9.8 11.5 13.5 15.5 17.5
2.3 3 3.9 4.7 5.7 6.7 8.4 10.3 12 14 16 18
1.8 2.5 2.9 3.7 4.7 5.7 7.4 9.3 11 13 15 17
/ 1.1 1.5 1.5 1.9 1.9 2.4 2.4 3 3 3.8 3.8
/ 0.96 1.36 1.36 1.76 1.76 2.26 2.26 2.86 2.86 3.62 3.62
0.06 0.08 0.1 0.1 0.1 0.1 0.1 0.1 0.1 0.1 0.1 0.1
0.63 0.93 0.96 1.26 1.57 1.6 1.93 2.53 3.14 3.2 4.35 4.68
0.55 0.85 0.88 1.18 1.49 1.52 1.85 2.45 3.06 3.12 4.27 4.6
1.27 1.69 2.12 2.54 2.96 3.39 4.23 5.08 5.93 6.77 7.62 8.47
3 to 30 3 to 40 4 to 50 5 to 60 6 to 70 6 to 80 8 to 100 10 to 120 10 to 140 10 to 160 11 to 180 12 to 200
7.5 10 12 14 15 16.5 20.5 22.5 26 28.5 31 33.5
/ 6 7.5 8.5 9.5 10.5 13 14.5 17 18.5 21 22.5
替代列表
注:技術數據僅供參考,請以官方原件為準!
類似标準及供貨信息
1 十字槽沉頭螺釘 第1部分:4.8級 [國标]
GB /T 819.1 - 2016
十字槽沉頭螺釘 第1部分:4.8級
Countersunk Flat Head Screws (Common Head Style) with Cross Recess - Part 1: Property Class 4.8
供應商(10)
2 十字槽沉頭螺釘 第2部分:8.8級、不鏽鋼及有色金屬螺釘 [國标]
GB /T 819.2 - 2016
十字槽沉頭螺釘 第2部分:8.8級、不鏽鋼及有色金屬螺釘
Countersunk Flat Head Screws with Cross Recess - Part 2: Property Class 8.8, Stainless Steel Screws and Non-ferrous Metal Screws
供應商(1)
3 十字槽沉頭螺釘 4.8級 [國标]
GB /T 819.1 - 2000
十字槽沉頭螺釘 4.8級
Countersunk Flat Head Screws (Common Head Style) with Cross Recess - Part 1: Property Class 4.8
供應商(10)
4 十字槽沉頭螺釘 第2部分:鋼8.8級、不鏽鋼A2-70和有色金屬螺釘CU2或CU3 [國标]
GB /T 819.2 - 1997
十字槽沉頭螺釘 第2部分:鋼8.8級、不鏽鋼A2-70和有色金屬螺釘CU2或CU3
Cross Recessed Countersunk Flat Head Screws (Common Head Style) - Grade A - Part 2: Steel of Property Class 8.8, Stainless and Non-Ferrous Metals
供應商(1)
5 精密機械用緊固件十字槽沉頭螺釘 [國标]
GB /T 13806.1 (B) - 1992
精密機械用緊固件十字槽沉頭螺釘
Cross Recessed Countersunk Screws for Fine Mechanics
供應商(1)
6 十字槽沉頭螺釘 [國标]
GB 819 - 1985
十字槽沉頭螺釘
Cross Recessed Countersunk Head Screws
供應商(10)
7 十字槽沉頭螺釘 [國标]
GB 819 - 1976
十字槽沉頭螺釘
Cross Recessed Countersunk Head Screws
供應商(10)
8 十字槽沉頭螺釘 [德标]
DIN 965 - 1990
十字槽沉頭螺釘
Cross Recessed Countersunk Head Screws
供應商(7)
9 塑料米字槽沉頭螺釘 [德标]
DIN 34811 - 1999
塑料米字槽沉頭螺釘
Plastic Flat Head Screws with Cross Recess
10 8.8 級、不鏽鋼及有色金屬 十字槽沉頭螺釘 [國際]
ISO 7046 (-2) - 2011
8.8 級、不鏽鋼及有色金屬 十字槽沉頭螺釘
Countersunk Flat Head Screws (Common Head Style) with Type H or Type Z Cross Recess - Product Grade A - Property Class 8.8
供應商(1)
11 8.8 級、不鏽鋼及有色金屬 十字槽沉頭螺釘 [國際]
ISO 7046-2 - 1990
8.8 級、不鏽鋼及有色金屬 十字槽沉頭螺釘
Cross Recessed Countersunk Flat Head Screws (Common Head Style) - Grade A - Steel of Property Class 8.8, stainless Steel and Nonferrous Metals
供應商(1)
12 4.8級十字槽沉頭螺釘 [國際]
ISO 7046 (-1) - 2011
4.8級十字槽沉頭螺釘
Countersunk Flat Head Screws (Common Head Style) with Type H or Type Z Cross Recess - Product Grade A - Steel Screws of Property Class 4.8
13 航空航天 強度≤1100Mpa 金屬材料 标準杆 短或中等長度MJ螺紋 偏十字槽 100°沉頭螺釘 [國際]
ISO 5856 - 2008
航空航天 強度≤1100Mpa 金屬材料 标準杆 短或中等長度MJ螺紋 偏十字槽 100°沉頭螺釘
Aerospace - Screws, 100 Degrees Normal Countersunk Head, Internal Offset Cruciform Ribbed or Unribbed Drive, Normal Shank, Short or Medium Length MJ Threads, Metallic Material, Coated or Uncoated, Strength Classes Less Than or Equal To 1100 Mpa - Dimensi
14 十字槽沉頭螺釘 [國際]
ISO 7046-1 - 1994
十字槽沉頭螺釘
Cross Recessed Countersunk Head Screws
15 十字槽沉頭螺釘 [附屬表 JA.4] [日标]
JIS B 1111 (JA4) - 2017
十字槽沉頭螺釘 [附屬表 JA.4]
Cross Recessed Countersunk Head Screws
供應商(1)
16 十字槽沉頭螺釘 4.8級 [表6] [日标]
JIS B 1111 (T6) - 2017
十字槽沉頭螺釘 4.8級 [表6]
Cross Recessed Countersunk Head Screws - Class 4.8
17 十字槽沉頭螺釘 8.8級 [表9] [日标]
JIS B 1111 (T9) - 2017
十字槽沉頭螺釘 8.8級 [表9]
Cross Recessed Countersunk Head Screws - Class 8.8
18 十字槽沉頭螺釘 4.8級 [表2] [日标]
JIS B 1111 (T2) - 2006
十字槽沉頭螺釘 4.8級 [表2]
Cross Recessed Countersunk Head Screws - Class 4.8
19 十字槽沉頭螺釘 8.8級 [表3] [日标]
JIS B 1111 (T3) - 2006
十字槽沉頭螺釘 8.8級 [表3]
Cross Recessed Countersunk Head Screws - Class 8.8
20 十字槽沉頭螺釘 8.8級 [表3] [日标]
JIS B 1111 (T3) - 1996
十字槽沉頭螺釘 8.8級 [表3]
Cross Recessed Countersunk Head Screws - Class 8.8
21 十字槽沉頭螺釘 4.8級 [表2] [日标]
JIS B 1111 (T2) - 1996
十字槽沉頭螺釘 4.8級 [表2]
Cross Recessed Countersunk Head Screws - Class 4.8
22 十字槽沉頭螺釘 [汽标代号]
Q 254
十字槽沉頭螺釘
Cross Recessed Countersunk Head Screws
23 十字槽沉頭螺釘Table2 [美标]
ASME/ANSI B 18.6.3 - 2010
十字槽沉頭螺釘Table2
Cross Recessed Countersunk Head Screws
供應商(1)
24 米制十字槽沉頭螺釘Table3 [美标]
ASME/ANSI B 18.6.7M - 1998
米制十字槽沉頭螺釘Table3
Metric Cross Recessed Countersunk Screws
25 米制米字槽沉頭螺釘Table4 [美标]
ASME/ANSI B 18.6.7M - 1998
米制米字槽沉頭螺釘Table4
Metric PZ Drives Countersunk Head Screws
26 航空航天系列 鍍銀FE-PA92HT(A286)耐熱鋼制全螺紋偏置十字凹槽100°沉頭螺釘 等級:900MPa(環境溫度)/650℃ [歐标]
EN 2940 - 1995
航空航天系列 鍍銀FE-PA92HT(A286)耐熱鋼制全螺紋偏置十字凹槽100°沉頭螺釘 等級:900MPa(環境溫度)/650℃
Aerospace Series - Screws, 100° Countersunk Head, Offset Cruciform Recess, Threaded To Head, in Heat Resisting Steel Fe-pa92ht (A286), Silver Plated - Classification: 900 Mpa (At Ambient Temperature)/650℃
27 十字槽沉頭螺釘 [意大利]
UNI 7688 - 1977
十字槽沉頭螺釘
Cross Recessed Countersunk Head Screws
28 4.8級十字槽沉頭螺釘 [法國]
NF E 25-119-1 - 1994
4.8級十字槽沉頭螺釘
Countesunk Flat Head Screws,with Type H or Type Z Cross Recessed - Product Grade A, Class 4.8
29 8.8級十字槽沉頭螺釘 [法國]
NF E 25-119-2 - 1994
8.8級十字槽沉頭螺釘
Cross Recessed Countersunk Head Screws - Grade A, Class 8.8
30 十字槽100°沉頭螺栓 符合N FL22-072 [法國]
NF L 22-161 - 1984
十字槽100°沉頭螺栓 符合N FL22-072
Bolt, 100 Degrees Countersunk Head, Current Use, NF L 22-072 Cross Recess
31 米字槽沉頭螺釘(短的)Table 7 [英标]
BS 1981 - 1991
米字槽沉頭螺釘(短的)Table 7
Recessed Truncated Countersunk Head Screws:short Length
32 米字槽沉頭螺釘Table4 [英标]
BS 1981 - 1991
米字槽沉頭螺釘Table4
Recessed Truncated Countersunk Head Screws: Long Length
33 英制十字槽沉頭螺釘 - B.S.W. & B.S.F. 螺紋 [Table 2] [英标]
BS 450 - 1958
英制十字槽沉頭螺釘 - B.S.W. & B.S.F. 螺紋 [Table 2]
Cross Recessed 90° Countersunk Head Screws with B.S.W. & B.S.F. Threads [Table 2]
34 米制十字槽沉頭螺釘  [Table 1] [澳标]
AS /NZS 1427 - 1996
米制十字槽沉頭螺釘 [Table 1]
ISO Metric Cross-Recess Countersunk Screws [Table 1]
35 十字槽沉頭螺釘 [台灣]
CNS 4560 - 1981
十字槽沉頭螺釘
Cross Recessed Countersunk Head Screws
36 十字槽沉頭螺釘 A級和B級 [俄标]
GOST 17475 - 1980
十字槽沉頭螺釘 A級和B級
Countersunk Head Screws of Accuracy Classes A and B (Cross Recessed)
37 4.8級十字槽沉頭螺釘 [韓标]
KS B 1023 (T7) - 2016 (R2021)
4.8級十字槽沉頭螺釘
Cross Recessed Countersunk Head Screws - Class 4.8
38 8.8級及有色金屬十字槽沉頭螺釘 [韓标]
KS B 1023 (T8) - 2016 (R2021)
8.8級及有色金屬十字槽沉頭螺釘
Non-ferrous Metal Cross Recessed Countersunk Head Screws - Class 8.8
39 4.8級十字槽沉頭螺釘 [韓标]
KS B 1023 (T2) - 2001
4.8級十字槽沉頭螺釘
Cross Recessed Countersunk Head Screws - Class 4.8
40 8.8級及有色金屬十字槽沉頭螺釘 [韓标]
KS B 1023 (T3) - 2001
8.8級及有色金屬十字槽沉頭螺釘
Non-ferrous Metal Cross Recessed Countersunk Head Screws - Class 8.8
41 十字槽沉頭螺釘(通用頭型)- 4.8級,鋼制,產品等級A級 [德标]
DIN EN ISO 7046-1 - 2011
十字槽沉頭螺釘(通用頭型)- 4.8級,鋼制,產品等級A級
Countersunk Flat Head Screws (Common Head Style) with Type H or Type Z Cross Recess - Product Grade A - Part 1: Steel Screws of Property Class 4.8
供應商(7)
42 8.8 級、不鏽鋼及有色金屬 十字槽沉頭螺釘 [德标]
DIN EN ISO 7046-2 - 2011
8.8 級、不鏽鋼及有色金屬 十字槽沉頭螺釘
Countersunk Flat Head Screws (Common Head Style) with Type H or Type Z Cross Recess - Product Grade A - property Class 8.8
供應商(6)
43 十字槽100°沉頭螺栓 [軍标]
GJB 3371 (/57~/60) - 1998
十字槽100°沉頭螺栓
Cross Recessed 100° Countersunk Head Screws
44 光杆公差帶f9 十字槽100°沉頭螺栓 [軍标]
GJB 3371 (/62) - 1998
光杆公差帶f9 十字槽100°沉頭螺栓
Cross Recessed 100° Countersunk Head Screws,Shank Tolerance f9
45 光杆公差帶h8短螺紋十字槽 100°沉頭螺栓 [軍标]
GJB 3371 (/64) - 1998
光杆公差帶h8短螺紋十字槽 100°沉頭螺栓
Cross Recessed 100° Countersunk Head Screws, Short Thread, Shank Tolerance h8
46 十字槽 100°錐端沉頭螺栓 [軍标]
GJB 3371 (/68) - 1998
十字槽 100°錐端沉頭螺栓
Cross Recessed 100° Countersunk Head Screws with Cone Point
47 光杆公差帶r6短螺紋十字槽 100°沉頭螺栓 [軍标]
GJB 3371 (/84) - 1998
光杆公差帶r6短螺紋十字槽 100°沉頭螺栓
Cross Recessed 100° Countersunk Head Screws, Short Thread, Shank Tolerance r6
48 十字槽100°沉頭螺釘 [軍标]
GJB 3372 (/45~/48) - 1998
十字槽100°沉頭螺釘
Cross Recessed 100° Countersunk Head Screws
49 十字槽100°小沉頭螺釘 [軍标]
GJB 3372 (/49~/52) - 1998
十字槽100°小沉頭螺釘
Cross Recessed 100 ° Small Countersunk Head Screw
50 MJ螺紋十字槽100°沉頭螺栓 [軍标]
GJB 3374 (/29) - 1998
MJ螺紋十字槽100°沉頭螺栓
100° Countersunk Head Bolts with MJ Thread, Cross-recessed
51 MJ螺紋光杆公差帶f9十字槽100°沉頭螺栓 [軍标]
GJB 3374 (/30) - 1998
MJ螺紋光杆公差帶f9十字槽100°沉頭螺栓
100° Countersunk Head Bolts with MJ Thread, Cross-recessed, Shank Tolerance f9
52 MJ螺紋十字槽100°沉頭錐端螺栓 [軍标]
GJB 3374 (/31) - 1998
MJ螺紋十字槽100°沉頭錐端螺栓
100° Countersunk Head Bolts with MJ Thread, Cross-recessed
53 MJ螺紋光杆公差帶h8短螺紋十字槽100°沉頭螺栓 [軍标]
GJB 3374 (/32) - 1998
MJ螺紋光杆公差帶h8短螺紋十字槽100°沉頭螺栓
100° Countersunk Head Bolts with MJ Thread, Cross-recessed, Short Thread, Shank Tolerance h8
54 MJ螺紋光杆公差帶r6短螺紋十字槽100°沉頭螺栓 [軍标]
GJB 3374 (/33) - 1998
MJ螺紋光杆公差帶r6短螺紋十字槽100°沉頭螺栓
100° Countersunk Head Bolts with MJ Thread, Cross-recessed, Short Thread, Shank Tolerance r6
55 H型或Z型 十字槽沉頭螺釘(普通頭)產品等級A [印标]
IS 7485 (-1) - 2005
H型或Z型 十字槽沉頭螺釘(普通頭)產品等級A
Countersunk Flat Head Screws (Common Head Style) with Type H or Type Z Cross Recess - Product Grade A
56 十字槽沉頭螺釘 [印标]
IS 7485 - 1985 (R2001)
十字槽沉頭螺釘
Cross Recessed Countersunk Head Screws
57 90°米字槽沉頭螺釘 [波蘭标]
PN 82208
90°米字槽沉頭螺釘
90° Cross Recess Countersunk Flat Head Screws
58 82°十字槽沉頭螺釘 (ASTM F837/F468) [TABLE 2.2.1-2 I/IA] [美标]
ASME B 18.6.3 (H1B-I/H1B-IA) - 2024
82°十字槽沉頭螺釘 (ASTM F837/F468) [TABLE 2.2.1-2 I/IA]
82° Cross Recessed Countersunk Head Screws (ASTM F837/F468) [TABLE 2.2.1-2 I/IA]
供應商(1)
59 82°十字槽沉頭螺釘 [Table 2]  (ASTM F837, F468) [美标]
ASME B 18.6.3 (T2-I/T2-IA) - 2013
82°十字槽沉頭螺釘 [Table 2] (ASTM F837, F468)
82° Cross Recessed Countersunk Head Screws [Table 2] (ASTM F837, F468)
供應商(1)
60 100°十字槽沉頭螺釘  (ASTM F837/F468) [TABLE 2.2.1-4 I/IA] [美标]
ASME B 18.6.3 (H1D-I/H1D-IA) - 2024
100°十字槽沉頭螺釘 (ASTM F837/F468) [TABLE 2.2.1-4 I/IA]
100° Cross Recessed Countersunk Head Screws (ASTM F837/F468) [TABLE 2.2.1-4 I/IA]
61 精密100°沉頭十字槽機械螺釘 [TABLE 2.2.1-6 I/IA] [美标]
ASME B 18.6.3 (H1F-I/H1F-IA) - 2024
精密100°沉頭十字槽機械螺釘 [TABLE 2.2.1-6 I/IA]
Close Tolerance 100-deg Flat Countersunk Head Screws [TABLE 2.2.1-6 I/IA]
62 十字槽82°沉頭清根機械螺釘 I型和IA型 [TABLE 2.2.3-2 I/IA] [美标]
ASME B 18.6.3 (H3B-I/H3B-IA) - 2024
十字槽82°沉頭清根機械螺釘 I型和IA型 [TABLE 2.2.3-2 I/IA]
Undercut 82-deg Flat Countersunk Head Screws,Type I and IA [TABLE 2.2.3-2 I/IA]
63 82°小沉頭十字槽螺釘 (ASTM F837/F468) [TABLE 2.2.4-1,-2 I/IA] [美标]
ASME B 18.6.3 (H4A) - 2024
82°小沉頭十字槽螺釘 (ASTM F837/F468) [TABLE 2.2.4-1,-2 I/IA]
82° Flat Coutersunk Trim Head Screws (ASTM F837/F468) [TABLE 2.2.4-1,-2 I/IA]
64 82°小沉頭十字槽螺釘  [Table 13] (ASTM F837 / F468) [美标]
ASME B 18.6.3 (T13) - 2013
82°小沉頭十字槽螺釘 [Table 13] (ASTM F837 / F468)
82° Flat Coutersunk Trim Head Screws [Table 13] (ASTM F837 / F468)
65 100°十字槽沉頭螺釘 [Table 4] (ASTM F837, F468) [美标]
ASME B 18.6.3 (T4-I/T4-IA) - 2013
100°十字槽沉頭螺釘 [Table 4] (ASTM F837, F468)
100° Cross Recessed Countersunk Head Screws [Table 4] (ASTM F837, F468)
66 100°十字槽沉頭精整螺釘 [美标]
ASME B 18.6.3 (T6-I/T6-IA) - 2013
100°十字槽沉頭精整螺釘
Close Tolerance 100-deg Flat Countersunk Head Screws (Machine Screws Only)
67 十字槽82°沉頭清根機械螺釘 [美标]
ASME B 18.6.3 (T10-I/T10-IA) - 2013
十字槽82°沉頭清根機械螺釘
Undercut 82-deg Flat Countersunk Head Screws,Type I and IA
68 钛合金十字槽沉頭螺釘 [航天]
QJ 2584 (A) - 2011
钛合金十字槽沉頭螺釘
Countersunk Head Screws with Cross Recess in Titanium Alloys
69 钛合金十字槽沉頭螺釘 [航天]
QJ 2584 - 1993
钛合金十字槽沉頭螺釘
Countersunk Head Screws with Cross Recess in Titanium Alloys
70 十字槽沉頭螺釘 [航天]
QJ 2377 - 1992
十字槽沉頭螺釘
Cross Recessed Countersunk Head Screws
71 十字槽120°沉頭螺釘 [航空]
HB 1- 208 - 1995
十字槽120°沉頭螺釘
Cross Recess 120° Countersunk Head Screw
供應商(1)
72 十字槽90°沉頭螺釘 [航空]
HB 1-206 - 2002
十字槽90°沉頭螺釘
90° Countersunk Head Screw with Cross Recess
73 十字槽100°沉頭螺釘(帶孔或不帶孔) [航空]
HB 7196~7199 (7196/7197/7198/7199) - 1995
十字槽100°沉頭螺釘(帶孔或不帶孔)
Cross Recessed 100° Countersunk Head Screws
74 钛合金光杆公差帶f9高扭矩十字槽100°沉頭螺栓 [航空]
HB 6565 - 1992
钛合金光杆公差帶f9高扭矩十字槽100°沉頭螺栓
Titanium Alloy Smooth Rod Tolerance Zone f9 High Torque Cross Groove 100° Countersunk Head Bolt
75 十字槽沉頭機器螺釘 [深圳緊固件行業協會标準]
T/SZJGJ 001 (E) - 2024
十字槽沉頭機器螺釘
Cross Recessed Countersunk Head Screws
© 易緊通 服務熱線:4006-164580(免長途費)