index
logo
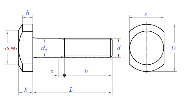
pic
pic

T形槽用螺栓 GB 37 - 1988

查看供應商

選擇規格尺寸 點擊↓

M5

M6

M8

M10

M12

M16

M20

M24

M30

M36

M42

M48

括号内尺寸為非優選

尺寸單位: mm
國标GB 37 - 1988 GB37 37GB T形槽用螺栓
GB  37 - 1988 T形槽用螺栓
掃一掃分享
千件重及價格計算 千件重 : kg x 元/kg = 元/千件
默認密度 g/cm3
公稱長度L 注:選擇後獲得 相應重量
螺紋尺寸
d
M5 M6 M8 M10 M12 M16 M20 M24 M30 M36 M42 M48
P 螺距
b L≤125
125<L≤200
L>200
ds 最大值
最小值
D
k 最大值
最小值
h
s 最大值
最小值
x 最大值
0.8 1 1.25 1.5 1.75 2 2.5 3 3.5 4 4.5 5
16 18 22 26 30 38 46 54 66 78 / /
/ / 28 32 36 44 52 60 72 84 96 108
/ / / / / 57 65 73 85 97 109 121
5 6 8 10 12 16 20 24 30 36 42 48
4.70 5.70 7.64 9.64 11.57 15.57 19.48 23.48 29.48 35.38 41.38 47.38
12 16 20 25 30 38 46 58 75 85 95 105
4.24 5.24 6.24 7.29 8.89 11.95 14.35 16.35 20.42 24.42 28.42 32.5
3.76 4.76 5.76 6.71 8.31 11.25 13.65 15.65 19.58 23.58 27.58 31.5
2.8 3.4 4.1 4.8 6.5 9 10.4 11.8 14.5 18.5 22.0 26.0
9 12 14 18 22 28 34 44 56 67 76 86
8.64 11.57 13.57 17.57 21.16 27.16 33 43 54.8 65.1 74.1 83.8
2.0 2.5 3.2 3.8 4.2 5 6.3 7.5 8.8 10 11.3 12.5
千件鋼制重≈kg
- - - - - - - - - - - -
替代列表
GB /T 37 - 1988

技術條件和引用标準

材料
螺紋 公差
标準
機械性能 等級
标準
公差 產品等級
标準
表面處理
表面缺陷
驗收及包裝
-
6 g
GB 196 、GB 197
d≤39:88;d>39:按協議
GB 3098.1
除規定外,其餘按B級
GB 3103.1
①氧化; ②鍍鋅鈍化 GB 5267
GB 5779.1
GB 90
① 由于結構的原因,T形槽用螺栓不進行楔負載及頭杆結合強度試驗。
注:技術數據僅供參考,請以官方原件為準!
告訴我在“易緊通”看到,将給您優惠
聯系人:楊帆(銷售經理) 點擊這裏給我發消息2850588398   移動電話: 13813085707     電話:025-52758402,52758403,52758406分機:8859/8858
材料:碳鋼、合金鋼、304、304L、310S、316、316L、317、321、347、雙相鋼2205、2507、2520、904L、410、420、430、431、440、631、蒙乃爾K500、1.4410、1.4501、1.4529、1.4539、1.4547、1.4980;等級:A2-70、A2-80、A3-70、A4-70、A4-80、A5-80、C1-70、C4-70、C1-110、C3-80、8.8級、10.9級\12.9級以上;表面處理:本色、發黑、磷化、鈍化、鍍鋅、達克羅、鋅鎳合金、鍍金、鍍銀等;規格範圍:M3-M72,可按圖定制
聯系人:鄭濤   移動電話: 13419996688
材質:不鏽鋼、鐵、鋁,規格範圍:M3-M20
聯系人:錢奎守 點擊這裏給我發消息3861634883   移動電話: 15957874073
材質:碳鋼、不鏽鋼、合金鋼;規格:M5-M90,長度:20-3000mm;等級:4.6級,4.8級,5.6級,6.8級,8.8級,10.9級,12.9級,A2-50,A4-50,A2-70和A4-70。
聯系人:黃龍峰、沈阿蘭 點擊這裏給我發消息3004218893 點擊這裏給我發消息3004252398   移動電話: 13962692103、18550206999     電話:0515-85589899、0512-57309882     微信号:13962692103、18550206999
材質:不鏽鋼304 、316;規格範圍:M5-M12
聯系人:張慶豐 點擊這裏給我發消息58339572   移動電話: 15052344521/18752635537     電話:15052344521/18752635537     微信号:15052344521
材質:不鏽鋼;規格:齊全.
聯系人:劉經理 點擊這裏給我發消息1218439005   移動電話: 13587697302     電話:13587697302
材質:中碳、40Cr、A3、35Crmo;規格範圍:M5-M48;表面處理:本色、電鍍、發黑
聯系人:吳紅梅 點擊這裏給我發消息962654615   移動電話: 13815902526     電話:0523-83888632
材質:不鏽鋼;規格:M4-M48
聯系人:勵錫輝 點擊這裏給我發消息157109623   移動電話: 13967802297     電話:0574-88461228     微信号:13967802297
材質:碳鋼,合金鋼;規格範圍:M5-M120(紅打工藝);表面處理:發黑,白鋅,藍白鋅,彩鋅,磷化,達克羅,環保電鍍、機械鍍鋅、熱浸鍍鋅、特氟隆;公稱長度範圍:長度不限;等級:4.8級,8.8級,10.9級,12.9級;按圖按樣定做紅打(熱鍛)螺栓
告訴我在“易緊通”看到,将給您優惠
類似标準及供貨信息
1 機床工作台 T形槽和相應螺栓 [國标]
GB /T 158 - 1996
機床工作台 T形槽和相應螺栓
Machine Tool Talbes - T-slots and Corresponding Bolts
供應商(1)
2 機床工作台 T形槽和相應螺栓 - T形槽不通端型式 [國标]
GB /T 158 - 1996
機床工作台 T形槽和相應螺栓 - T形槽不通端型式
Machine Tool Talbes - T-slots and Corresponding Bolts
3 T型帶榫螺栓 [德标]
DIN 188 - 2024
T型帶榫螺栓
T-head Bolts with Double Nib
供應商(5)
4 大頭T形頭螺栓 [德标]
DIN 7992 - 2024
大頭T形頭螺栓
T-head Bolts with Large Head
供應商(3)
5 帶螺紋T型銷軸(T型台階栓) [德标]
DIN 1445 - 2011
帶螺紋T型銷軸(T型台階栓)
Clevis Pins with Head and Threaded Portion
供應商(2)
6 T型帶榫螺栓 [德标]
DIN 188 - 2011
T型帶榫螺栓
T-head Bolts with Double Nib
供應商(5)
7 T型方頸螺栓 [德标]
DIN 186 - 2010
T型方頸螺栓
T-head Bolts with Square Neck
供應商(5)
8 T型帶孔螺栓 [德标]
DIN 261 - 2010
T型帶孔螺栓
T-Head Bolts with Hole
供應商(3)
9 大頭T形頭螺栓 [德标]
DIN 7992 - 2010
大頭T形頭螺栓
T-head Bolts with Large Head
供應商(3)
10 T型螺栓 (d ≤ M12x12) [德标]
DIN 787 - 2005
T型螺栓 (d ≤ M12x12)
Bolts and Screws for T-slots (d ≤ M12x12)
供應商(2)
11 鐵路車輛 帶米制ISO螺紋的扁圓頭錨腳螺釘 C級 [德标]
DIN 25193 - 2003
鐵路車輛 帶米制ISO螺紋的扁圓頭錨腳螺釘 C級
Mushroom Head Anchor Screws With Metric ISO Thread - Class C
供應商(1)
12 T型方頸螺栓 [德标]
DIN 186 - 1988
T型方頸螺栓
T-head Bolts with Square Neck
供應商(5)
13 T型帶榫螺栓 [德标]
DIN 188 - 1987
T型帶榫螺栓
T-head Bolts with Double Nibs
供應商(5)
14 T型帶孔螺栓 [德标]
DIN 261 - 1987
T型帶孔螺栓
T-head Bolts
供應商(3)
15 鐵路車輛用T形頭螺栓 [德标]
DIN 25192 - 1978
鐵路車輛用T形頭螺栓
T-Head Bolts (Hammer Head Bolts) for Railway Vehicles
供應商(2)
16 帶螺紋T型銷軸(T型台階栓) [德标]
DIN 1445 - 1977
帶螺紋T型銷軸(T型台階栓)
Clevis pins with head and stud end
供應商(2)
17 大頭T形頭螺栓 [德标]
DIN 7992 - 1970
大頭T形頭螺栓
T-head Bolts with Large Head
供應商(3)
18 T型螺栓 (d ≥ M12x14) [德标]
DIN 787 - 2005
T型螺栓 (d ≥ M12x14)
Bolts and Screws for T-Slots (d ≥ M12x14)
19 機床工作台 T形槽和相應螺栓 [國際]
ISO 299 - 1987
機床工作台 T形槽和相應螺栓
Machine Tool Talbes - T-slots and Corresponding Bolts
20 T型螺栓 [日标]
JIS B 1166 - 2009
T型螺栓
T-Slot Bolts
供應商(1)
21 T型螺栓 [日标]
JIS B 1166 - 1995
T型螺栓
T-Slot Bolts
供應商(1)
22 汽車輪毂用螺栓 [Table 5] [日标]
JIS /JASO C 610 (T5) - 1979
汽車輪毂用螺栓 [Table 5]
Bolts with Head: 2nd Class
供應商(1)
23 汽車輪毂螺栓 [Table 6] [日标]
JIS /JASO C 610 (T6) - 1979
汽車輪毂螺栓 [Table 6]
Bolts with Head: 3rd Class
24 汽車輪毂用螺栓 [Table 4] [日标]
JIS /JASO C 610 (T4) - 1979
汽車輪毂用螺栓 [Table 4]
Bolts with Head: First Class
25 T形螺栓 [機械行業]
JB /T 1700 (T) - 2008
T形螺栓
T-Slot Bolts
供應商(1)
26 T形頭地腳螺栓 [機械行業]
JB /ZQ 4362 - 2006
T形頭地腳螺栓
T-head Anchor Bolt
供應商(2)
27 T形槽快卸螺栓 [機械行業]
JB /T 8007.2 - 1999
T形槽快卸螺栓
Quick Discharging Bolt for T-Slot
供應商(1)
28 槽用螺栓 [機械行業]
JB /T 8007.5 - 1999
槽用螺栓
Bolts for Slot
供應商(1)
29 T型螺栓 [機械行業]
JB /T 1709 - 1991
T型螺栓
T-bolts
供應商(1)
30 履帶式推土機 驅動輪齒塊用螺栓 A型 [機械行業]
JB /T 11009 (A) - 2010
履帶式推土機 驅動輪齒塊用螺栓 A型
Crawler Dozer-Bolts for Drive Sprocket Segment - Type A
31 履帶式推土機 驅動輪齒塊用螺栓 B型 [機械行業]
JB /T 11009 (B) - 2010
履帶式推土機 驅動輪齒塊用螺栓 B型
Crawler Dozer-Bolts for Drive Sprocket Segment - Type B
32 履帶式推土機 驅動輪齒塊用螺栓 B型 [機械行業]
JB /T 2984.2 - 1999
履帶式推土機 驅動輪齒塊用螺栓 B型
Crawler Dozer-bolts for Drive Sprocket Segment - Type B
33 球頭螺栓 [機械行業]
JB /T 8007.1 (GB 2164) - 1999
球頭螺栓
Spherical Head Screw
34 英制T形頭螺栓 [Table10]  (A307, SAE J429, F468, F593) [美标]
ASME/ANSI B 18.5 (T10) - 2012
英制T形頭螺栓 [Table10] (A307, SAE J429, F468, F593)
T-head Bolts, (Inch Series) [Table10] (A307, SAE J429, F468, F593)
供應商(3)
35 T形頭螺栓Table10 [美标]
ASME/ANSI B 18.5 - 2008
T形頭螺栓Table10
T-head Bolts
供應商(3)
36 T型螺栓 [美标]
ASME/ANSI B 5.1M (B5JM) - 1985 (R2014)
T型螺栓
T-bolts
37 T型槽 [美标]
ASME/ANSI B 5.1M (B5JM) - 1985 (R2014)
T型槽
T-Slots
38 T型帶孔螺栓 [台灣]
CNS 4566 - 1981
T型帶孔螺栓
T-Head Bolts with Holes
供應商(1)
39 T型方頸螺栓 [台灣]
CNS 4567 - 1981
T型方頸螺栓
T-Head Bolts with Square Neck
40 T型雙趾螺栓 [台灣]
CNS 4568 - 1981
T型雙趾螺栓
T-Head Bolts with Double Nips
41 軌道緊固件用夾緊螺栓 [俄标]
GOST 16016 - 2014
軌道緊固件用夾緊螺栓
Clamp Bolts for Rail Track Fastenings
42 多齒T型螺栓 [标準]
YJT 1013
多齒T型螺栓
T-Slot Bolts with Tooth
43 單肋T型螺栓 C型 [标準]
YJT 1014 (C)
單肋T型螺栓 C型

44 雙肋T型螺栓B型 [标準]
YJT 1015 (B)
雙肋T型螺栓B型

45 鉤形端T型螺栓 D型 [标準]
YJT 1016 (D)
鉤形端T型螺栓 D型

46 錘形端T型螺栓 E型 [标準]
YJT 1017 (E)
錘形端T型螺栓 E型

47 兩邊切平的接觸螺釘 [軍标]
GJB 3372 (/60) - 1998
兩邊切平的接觸螺釘

48 英制T形頭螺栓 [Table10] (A307, SAE J429, F468, F593) [美标]
ASME B 18.5 (T10) - 2012 (2017)
英制T形頭螺栓 [Table10] (A307, SAE J429, F468, F593)
T-Head Bolts,(Inch Series) [Table10] (A307, SAE J429, F468, F593)
供應商(3)
49 夾頭犁螺栓 [Table 5] (A307, F468, F593, SAE J 429) [美标]
ASME B 18.9 - 2012
夾頭犁螺栓 [Table 5] (A307, F468, F593, SAE J 429)
Clipped Head Plow Bolts [Table 5] (A307, F468, F593, SAE J 429)
50 刮闆輸送機緊固件 棱頭螺栓 B型 [煤炭行業标準]
MT 187.4 - 1988
刮闆輸送機緊固件 棱頭螺栓 B型

51 刮闆輸送機緊固件 梯形頭螺栓 [煤炭行業标準]
MT 187.6 - 1988
刮闆輸送機緊固件 梯形頭螺栓

标準編号: GB 37 - 1988
中文名稱: T形槽用螺栓
英文名稱: Bolts for T-Slot
數據來源: 易緊通 (164580.com)
Standard Code: GB 37 - 1988Chinese Name: T形槽用螺栓English Name: Bolts for T-SlotSource: https://www.164580.com/info_8874.html
Data Source: YJT Fastener Database (164580.com)
Standard: GB 37 - 1988
URL: https://www.164580.com/info_8874.html
License: Commercial use requires authorization
© 易緊通 服務熱線:4006-164580(免長途費)