index
logo

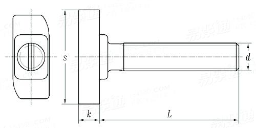
錘形端T型螺栓 E型 YJT 1017 (E)

YJT标準體系

選擇規格尺寸 點擊↓

M10

M12

M16

M6

M8

M10

M12

M6

M8

YJT  1017 (E) 錘形端T型螺栓 E型

尺寸單位: mm
标準YJT 1017 (E) YJT1017 1017YJT 錘形端T型螺栓 E型
YJT  1017 (E) 錘形端T型螺栓 E型
掃一掃分享
螺紋尺寸
d
M10 M12 M16 M6 M8 M10 M12 M6 M8
P
s
類型
L
1.5 1.75 2 1 1.25 1.5 1.75 1 1.25
30.5 30.5 30.5 22.4 22.4 22.4 22.4 17.0 17.0
38/17 38/17 38/17 28/15 28/15 28/15 28/15 21/12 21/12
20-150 20-200 25-200 15-60 15-150 15-200 30-200 15-60 15-100
①,對應槽鋼類型:
38/17, 36/36, 36/20
②,對應槽鋼類型:
28/28, 28/15, 28/12
③,對應槽鋼類型:
28/28, 28/15
④,對應槽鋼類型:
21/12
替代列表
注:技術數據僅供參考,請以官方原件為準!
本頁面所載 YJT® 标準編碼及相關内容版權歸易緊通所有,需經授權方可使用。
類似标準及供貨信息
1 機床工作台 T形槽和相應螺栓 [國标]
GB /T 158 - 1996
機床工作台 T形槽和相應螺栓
Machine Tool Talbes - T-slots and Corresponding Bolts
供應商(1)
2 T形槽用螺栓 [國标]
GB 37 - 1988
T形槽用螺栓
Bolts for T-Slot
供應商(8)
3 機床工作台 T形槽和相應螺栓 - T形槽不通端型式 [國标]
GB /T 158 - 1996
機床工作台 T形槽和相應螺栓 - T形槽不通端型式
Machine Tool Talbes - T-slots and Corresponding Bolts
4 T型帶榫螺栓 [德标]
DIN 188 - 2024
T型帶榫螺栓
T-head Bolts with Double Nib
供應商(5)
5 大頭T形頭螺栓 [德标]
DIN 7992 - 2024
大頭T形頭螺栓
T-head Bolts with Large Head
供應商(3)
6 帶螺紋T型銷軸(T型台階栓) [德标]
DIN 1445 - 2011
帶螺紋T型銷軸(T型台階栓)
Clevis Pins with Head and Threaded Portion
供應商(2)
7 T型帶榫螺栓 [德标]
DIN 188 - 2011
T型帶榫螺栓
T-head Bolts with Double Nib
供應商(5)
8 T型方頸螺栓 [德标]
DIN 186 - 2010
T型方頸螺栓
T-head Bolts with Square Neck
供應商(5)
9 T型帶孔螺栓 [德标]
DIN 261 - 2010
T型帶孔螺栓
T-Head Bolts with Hole
供應商(3)
10 大頭T形頭螺栓 [德标]
DIN 7992 - 2010
大頭T形頭螺栓
T-head Bolts with Large Head
供應商(3)
11 T型螺栓 (d ≤ M12x12) [德标]
DIN 787 - 2005
T型螺栓 (d ≤ M12x12)
Bolts and Screws for T-slots (d ≤ M12x12)
供應商(2)
12 鐵路車輛 帶米制ISO螺紋的扁圓頭錨腳螺釘 C級 [德标]
DIN 25193 - 2003
鐵路車輛 帶米制ISO螺紋的扁圓頭錨腳螺釘 C級
Mushroom Head Anchor Screws With Metric ISO Thread - Class C
供應商(1)
13 T型方頸螺栓 [德标]
DIN 186 - 1988
T型方頸螺栓
T-head Bolts with Square Neck
供應商(5)
14 T型帶榫螺栓 [德标]
DIN 188 - 1987
T型帶榫螺栓
T-head Bolts with Double Nibs
供應商(5)
15 T型帶孔螺栓 [德标]
DIN 261 - 1987
T型帶孔螺栓
T-head Bolts
供應商(3)
16 鐵路車輛用T形頭螺栓 [德标]
DIN 25192 - 1978
鐵路車輛用T形頭螺栓
T-Head Bolts (Hammer Head Bolts) for Railway Vehicles
供應商(2)
17 帶螺紋T型銷軸(T型台階栓) [德标]
DIN 1445 - 1977
帶螺紋T型銷軸(T型台階栓)
Clevis pins with head and stud end
供應商(2)
18 大頭T形頭螺栓 [德标]
DIN 7992 - 1970
大頭T形頭螺栓
T-head Bolts with Large Head
供應商(3)
19 T型螺栓 (d ≥ M12x14) [德标]
DIN 787 - 2005
T型螺栓 (d ≥ M12x14)
Bolts and Screws for T-Slots (d ≥ M12x14)
20 機床工作台 T形槽和相應螺栓 [國際]
ISO 299 - 1987
機床工作台 T形槽和相應螺栓
Machine Tool Talbes - T-slots and Corresponding Bolts
21 T型螺栓 [日标]
JIS B 1166 - 2009
T型螺栓
T-Slot Bolts
供應商(1)
22 T型螺栓 [日标]
JIS B 1166 - 1995
T型螺栓
T-Slot Bolts
供應商(1)
23 汽車輪毂用螺栓 [Table 5] [日标]
JIS /JASO C 610 (T5) - 1979
汽車輪毂用螺栓 [Table 5]
Bolts with Head: 2nd Class
供應商(1)
24 汽車輪毂螺栓 [Table 6] [日标]
JIS /JASO C 610 (T6) - 1979
汽車輪毂螺栓 [Table 6]
Bolts with Head: 3rd Class
25 汽車輪毂用螺栓 [Table 4] [日标]
JIS /JASO C 610 (T4) - 1979
汽車輪毂用螺栓 [Table 4]
Bolts with Head: First Class
26 T形螺栓 [機械行業]
JB /T 1700 (T) - 2008
T形螺栓
T-Slot Bolts
供應商(1)
27 T形頭地腳螺栓 [機械行業]
JB /ZQ 4362 - 2006
T形頭地腳螺栓
T-head Anchor Bolt
供應商(2)
28 T形槽快卸螺栓 [機械行業]
JB /T 8007.2 - 1999
T形槽快卸螺栓
Quick Discharging Bolt for T-Slot
供應商(1)
29 槽用螺栓 [機械行業]
JB /T 8007.5 - 1999
槽用螺栓
Bolts for Slot
供應商(1)
30 T型螺栓 [機械行業]
JB /T 1709 - 1991
T型螺栓
T-bolts
供應商(1)
31 履帶式推土機 驅動輪齒塊用螺栓 A型 [機械行業]
JB /T 11009 (A) - 2010
履帶式推土機 驅動輪齒塊用螺栓 A型
Crawler Dozer-Bolts for Drive Sprocket Segment - Type A
32 履帶式推土機 驅動輪齒塊用螺栓 B型 [機械行業]
JB /T 11009 (B) - 2010
履帶式推土機 驅動輪齒塊用螺栓 B型
Crawler Dozer-Bolts for Drive Sprocket Segment - Type B
33 履帶式推土機 驅動輪齒塊用螺栓 B型 [機械行業]
JB /T 2984.2 - 1999
履帶式推土機 驅動輪齒塊用螺栓 B型
Crawler Dozer-bolts for Drive Sprocket Segment - Type B
34 球頭螺栓 [機械行業]
JB /T 8007.1 (GB 2164) - 1999
球頭螺栓
Spherical Head Screw
35 英制T形頭螺栓 [Table10]  (A307, SAE J429, F468, F593) [美标]
ASME/ANSI B 18.5 (T10) - 2012
英制T形頭螺栓 [Table10] (A307, SAE J429, F468, F593)
T-head Bolts, (Inch Series) [Table10] (A307, SAE J429, F468, F593)
供應商(3)
36 T形頭螺栓Table10 [美标]
ASME/ANSI B 18.5 - 2008
T形頭螺栓Table10
T-head Bolts
供應商(3)
37 T型螺栓 [美标]
ASME/ANSI B 5.1M (B5JM) - 1985 (R2014)
T型螺栓
T-bolts
38 T型槽 [美标]
ASME/ANSI B 5.1M (B5JM) - 1985 (R2014)
T型槽
T-Slots
39 T型帶孔螺栓 [台灣]
CNS 4566 - 1981
T型帶孔螺栓
T-Head Bolts with Holes
供應商(1)
40 T型方頸螺栓 [台灣]
CNS 4567 - 1981
T型方頸螺栓
T-Head Bolts with Square Neck
41 T型雙趾螺栓 [台灣]
CNS 4568 - 1981
T型雙趾螺栓
T-Head Bolts with Double Nips
42 軌道緊固件用夾緊螺栓 [俄标]
GOST 16016 - 2014
軌道緊固件用夾緊螺栓
Clamp Bolts for Rail Track Fastenings
43 多齒T型螺栓 [标準]
YJT 1013
多齒T型螺栓
T-Slot Bolts with Tooth
44 單肋T型螺栓 C型 [标準]
YJT 1014 (C)
單肋T型螺栓 C型

45 雙肋T型螺栓B型 [标準]
YJT 1015 (B)
雙肋T型螺栓B型

46 鉤形端T型螺栓 D型 [标準]
YJT 1016 (D)
鉤形端T型螺栓 D型

47 兩邊切平的接觸螺釘 [軍标]
GJB 3372 (/60) - 1998
兩邊切平的接觸螺釘

48 英制T形頭螺栓 [Table10] (A307, SAE J429, F468, F593) [美标]
ASME B 18.5 (T10) - 2012 (2017)
英制T形頭螺栓 [Table10] (A307, SAE J429, F468, F593)
T-Head Bolts,(Inch Series) [Table10] (A307, SAE J429, F468, F593)
供應商(3)
49 夾頭犁螺栓 [Table 5] (A307, F468, F593, SAE J 429) [美标]
ASME B 18.9 - 2012
夾頭犁螺栓 [Table 5] (A307, F468, F593, SAE J 429)
Clipped Head Plow Bolts [Table 5] (A307, F468, F593, SAE J 429)
50 刮闆輸送機緊固件 棱頭螺栓 B型 [煤炭行業标準]
MT 187.4 - 1988
刮闆輸送機緊固件 棱頭螺栓 B型

51 刮闆輸送機緊固件 梯形頭螺栓 [煤炭行業标準]
MT 187.6 - 1988
刮闆輸送機緊固件 梯形頭螺栓

© 易緊通 服務熱線:4006-164580(免長途費)