index
logo

T型帶榫螺栓 DIN 188 - 1987

查看供應商

選擇規格尺寸 點擊↓

M8

M10

M12

M16

M20

M24

M30

M36

M42

M48

M56

M64

M72

M80

括号内尺寸為非優選
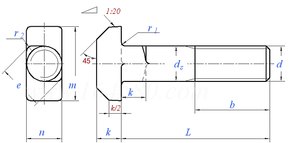
DIN  188 - 1987 T型帶榫螺栓

尺寸單位: mm
德标DIN 188 - 1987 DIN188 188DIN T型帶榫螺栓
DIN  188 - 1987 T型帶榫螺栓
掃一掃分享
千件重及價格計算 千件重 : kg x 元/kg = 元/千件
默認密度 g/cm3
公稱長度L 注:選擇後獲得 相應重量 螺紋長度
螺紋尺寸
d
M8 M10 M12 M16 M20 M24 M30 M36 M42 M48 M56 M64 M72 M80
P 螺距
b 參考 L≤120
120<L≤200
L>200
ds 公稱
最大值
最小值
k 公稱
最大值
最小值
n 公稱
最大值
最小值
m 公稱
最大值
最小值
e 最小值
r1
r2 最大值
1.25 1.5 1.75 2 2.5 3 3.5 4 4.5 5 5.5 6 6 6
22 26 30 38 46 54 66 78 - - - - - -
- - - 44 52 60 72 84 96 108 124 130 156 172
- - - - - - - 97 109 121 137 143 169 185
8 10 12 16 20 24 30 36 42 48 56 64 72 80
8.58 10.58 12.7 16.7 20.84 24.84 30.84 37 43 49 57.2 65.2 73.2 81.2
7.42 9.42 11.3 15.3 19.16 23.16 29.16 35 41 47 54.8 62.8 70.8 78.8
5.5 7 8 10.5 13 15 19 23 26 30 35 40 45 50
5.9 7.45 8.75 11.4 13.9 15.9 20 24 27 31 36.25 41.25 46.25 51.25
5.1 6.55 7.25 9.6 12.1 14.1 18 22 25 29 33.75 38.75 43.75 48.75
8 10 12 16 20 24 30 36 42 48 56 64 72 80
8.75 10.75 12.9 16.9 21 25 31 37.25 43.25 49.25 57.5 65.5 73.5 81.5
7.25 9.25 11.1 15.1 19 23 29 34.75 40.75 46.75 54.5 62.5 70.5 78.5
18 21 26 30 36 43 54 66 80 88 102 115 128 140
18.9 22 27 31 37.25 44.25 55.5 67.5 81.5 89.75 103.75 116.75 130 142
17.1 20 25 29 34.75 41.75 52.5 64.5 78.5 86.25 100.25 113.25 126 138
9.24 11.81 14.17 19.32 24.33 29.48 37.2 44.57 52.29 60.0 69.96 80.25 90.55 100.85
0.5 0.5 1 1 1 1.6 1.6 2 2 2 3 3 4 4
1.2 1.5 1.8 2.4 3 3.6 4.5 5.4 6.3 7.2 8.4 9.6 10.8 12
千件鋼制重≈kg
- - - - - - - - - - - - - -
螺紋長度b
- - - - - - - - - - - - - -
替代列表

技術條件和引用标準

材料
通用要求
螺紋 公差
标準
機械性能 等級
标準
公差 產品等級
标準
表面處理
驗收及包裝
DIN 267 part 1
8g
DIN 13 part 15
≤ M36:3.6或4.6由制造商決定
>M36:按協議
其他強度等級或材料按協議
DIN 898 part 1
C
DIN 4759 part 1
不經處理
電鍍 DIN 267 part 9
熱浸鍍鋅 DIN 267 part 10
DIN 267 part 5
注:技術數據僅供參考,請以官方原件為準!
告訴我在“易緊通”看到,将給您優惠
聯系人:黃龍峰、沈阿蘭 點擊這裏給我發消息3004218893 點擊這裏給我發消息3004252398   移動電話: 13962692103、18550206999     電話:0515-85589899、0512-57309882     微信号:13962692103、18550206999
材質:不鏽鋼304 、316;規格範圍:M5-M12
聯系人:錢奎守 點擊這裏給我發消息3861634883   移動電話: 15957874073
材質:碳鋼、不鏽鋼、合金鋼;規格:M5-M90,長度:20-3000mm;等級:4.6級,4.8級,5.6級,6.8級,8.8級,10.9級,12.9級,A2-50,A4-50,A2-70和A4-70。
聯系人:李國志 點擊這裏給我發消息364950872   移動電話: 15221513104     電話:021-67636815     微信号:15221513104
材質:碳鋼35#,45#、不鏽鋼304、合金鋼40CR,35crmo;規格:M5-M48,長度:20-3000mm;等級:4.6級,4.8級,5.6級,6.8級,8.8級,10.9級,12.9級,A2-50,A4-50,A2-70和A4-70。 表面處理:發黑,鍍鋅,達克羅,熱鍍鋅
聯系人:楊帆(銷售經理) 點擊這裏給我發消息2850588398   移動電話: 13813085707     電話:025-52758402,52758403,52758406分機:8859/8858
材料:碳鋼、合金鋼、304、304L、310S、316、316L、317、321、347、雙相鋼2205、2507、2520、904L、410、420、430、431、440、631、蒙乃爾K500、1.4410、1.4501、1.4529、1.4539、1.4547、1.4980;等級:A2-70、A2-80、A3-70、A4-70、A4-80、A5-80、C1-70、C4-70、C1-110、C3-80、8.8級、10.9級\12.9級以上;表面處理:本色、發黑、磷化、鈍化、鍍鋅、達克羅、鋅鎳合金、鍍金、鍍銀等;規格範圍:M3-M72,可按圖定制
聯系人:李經理 點擊這裏給我發消息375180069   移動電話: 18018624444/13764925151     電話:021-68550000、66123666、66267555     微信号:18018624444
材質:碳鋼、不鏽鋼;規格範圍:M8-M160;公稱長度:100-6000mm;表面處理:鍍鋅、發黑、達克羅、熱鍍鋅、抛光等
告訴我在“易緊通”看到,将給您優惠
類似标準及供貨信息
1 機床工作台 T形槽和相應螺栓 [國标]
GB /T 158 - 1996
機床工作台 T形槽和相應螺栓
Machine Tool Talbes - T-slots and Corresponding Bolts
供應商(1)
2 T形槽用螺栓 [國标]
GB 37 - 1988
T形槽用螺栓
Bolts for T-Slot
供應商(8)
3 機床工作台 T形槽和相應螺栓 - T形槽不通端型式 [國标]
GB /T 158 - 1996
機床工作台 T形槽和相應螺栓 - T形槽不通端型式
Machine Tool Talbes - T-slots and Corresponding Bolts
4 T型帶榫螺栓 [德标]
DIN 188 - 2024
T型帶榫螺栓
T-head Bolts with Double Nib
供應商(5)
5 大頭T形頭螺栓 [德标]
DIN 7992 - 2024
大頭T形頭螺栓
T-head Bolts with Large Head
供應商(3)
6 帶螺紋T型銷軸(T型台階栓) [德标]
DIN 1445 - 2011
帶螺紋T型銷軸(T型台階栓)
Clevis Pins with Head and Threaded Portion
供應商(2)
7 T型帶榫螺栓 [德标]
DIN 188 - 2011
T型帶榫螺栓
T-head Bolts with Double Nib
供應商(5)
8 T型方頸螺栓 [德标]
DIN 186 - 2010
T型方頸螺栓
T-head Bolts with Square Neck
供應商(5)
9 T型帶孔螺栓 [德标]
DIN 261 - 2010
T型帶孔螺栓
T-Head Bolts with Hole
供應商(3)
10 大頭T形頭螺栓 [德标]
DIN 7992 - 2010
大頭T形頭螺栓
T-head Bolts with Large Head
供應商(3)
11 T型螺栓 (d ≤ M12x12) [德标]
DIN 787 - 2005
T型螺栓 (d ≤ M12x12)
Bolts and Screws for T-slots (d ≤ M12x12)
供應商(2)
12 鐵路車輛 帶米制ISO螺紋的扁圓頭錨腳螺釘 C級 [德标]
DIN 25193 - 2003
鐵路車輛 帶米制ISO螺紋的扁圓頭錨腳螺釘 C級
Mushroom Head Anchor Screws With Metric ISO Thread - Class C
供應商(1)
13 T型方頸螺栓 [德标]
DIN 186 - 1988
T型方頸螺栓
T-head Bolts with Square Neck
供應商(5)
14 T型帶孔螺栓 [德标]
DIN 261 - 1987
T型帶孔螺栓
T-head Bolts
供應商(3)
15 鐵路車輛用T形頭螺栓 [德标]
DIN 25192 - 1978
鐵路車輛用T形頭螺栓
T-Head Bolts (Hammer Head Bolts) for Railway Vehicles
供應商(2)
16 帶螺紋T型銷軸(T型台階栓) [德标]
DIN 1445 - 1977
帶螺紋T型銷軸(T型台階栓)
Clevis pins with head and stud end
供應商(2)
17 大頭T形頭螺栓 [德标]
DIN 7992 - 1970
大頭T形頭螺栓
T-head Bolts with Large Head
供應商(3)
18 T型螺栓 (d ≥ M12x14) [德标]
DIN 787 - 2005
T型螺栓 (d ≥ M12x14)
Bolts and Screws for T-Slots (d ≥ M12x14)
19 機床工作台 T形槽和相應螺栓 [國際]
ISO 299 - 1987
機床工作台 T形槽和相應螺栓
Machine Tool Talbes - T-slots and Corresponding Bolts
20 T型螺栓 [日标]
JIS B 1166 - 2009
T型螺栓
T-Slot Bolts
供應商(1)
21 T型螺栓 [日标]
JIS B 1166 - 1995
T型螺栓
T-Slot Bolts
供應商(1)
22 汽車輪毂用螺栓 [Table 5] [日标]
JIS /JASO C 610 (T5) - 1979
汽車輪毂用螺栓 [Table 5]
Bolts with Head: 2nd Class
供應商(1)
23 汽車輪毂螺栓 [Table 6] [日标]
JIS /JASO C 610 (T6) - 1979
汽車輪毂螺栓 [Table 6]
Bolts with Head: 3rd Class
24 汽車輪毂用螺栓 [Table 4] [日标]
JIS /JASO C 610 (T4) - 1979
汽車輪毂用螺栓 [Table 4]
Bolts with Head: First Class
25 T形螺栓 [機械行業]
JB /T 1700 (T) - 2008
T形螺栓
T-Slot Bolts
供應商(1)
26 T形頭地腳螺栓 [機械行業]
JB /ZQ 4362 - 2006
T形頭地腳螺栓
T-head Anchor Bolt
供應商(2)
27 T形槽快卸螺栓 [機械行業]
JB /T 8007.2 - 1999
T形槽快卸螺栓
Quick Discharging Bolt for T-Slot
供應商(1)
28 槽用螺栓 [機械行業]
JB /T 8007.5 - 1999
槽用螺栓
Bolts for Slot
供應商(1)
29 T型螺栓 [機械行業]
JB /T 1709 - 1991
T型螺栓
T-bolts
供應商(1)
30 履帶式推土機 驅動輪齒塊用螺栓 A型 [機械行業]
JB /T 11009 (A) - 2010
履帶式推土機 驅動輪齒塊用螺栓 A型
Crawler Dozer-Bolts for Drive Sprocket Segment - Type A
31 履帶式推土機 驅動輪齒塊用螺栓 B型 [機械行業]
JB /T 11009 (B) - 2010
履帶式推土機 驅動輪齒塊用螺栓 B型
Crawler Dozer-Bolts for Drive Sprocket Segment - Type B
32 履帶式推土機 驅動輪齒塊用螺栓 B型 [機械行業]
JB /T 2984.2 - 1999
履帶式推土機 驅動輪齒塊用螺栓 B型
Crawler Dozer-bolts for Drive Sprocket Segment - Type B
33 球頭螺栓 [機械行業]
JB /T 8007.1 (GB 2164) - 1999
球頭螺栓
Spherical Head Screw
34 英制T形頭螺栓 [Table10]  (A307, SAE J429, F468, F593) [美标]
ASME/ANSI B 18.5 (T10) - 2012
英制T形頭螺栓 [Table10] (A307, SAE J429, F468, F593)
T-head Bolts, (Inch Series) [Table10] (A307, SAE J429, F468, F593)
供應商(3)
35 T形頭螺栓Table10 [美标]
ASME/ANSI B 18.5 - 2008
T形頭螺栓Table10
T-head Bolts
供應商(3)
36 T型螺栓 [美标]
ASME/ANSI B 5.1M (B5JM) - 1985 (R2014)
T型螺栓
T-bolts
37 T型槽 [美标]
ASME/ANSI B 5.1M (B5JM) - 1985 (R2014)
T型槽
T-Slots
38 T型帶孔螺栓 [台灣]
CNS 4566 - 1981
T型帶孔螺栓
T-Head Bolts with Holes
供應商(1)
39 T型方頸螺栓 [台灣]
CNS 4567 - 1981
T型方頸螺栓
T-Head Bolts with Square Neck
40 T型雙趾螺栓 [台灣]
CNS 4568 - 1981
T型雙趾螺栓
T-Head Bolts with Double Nips
41 軌道緊固件用夾緊螺栓 [俄标]
GOST 16016 - 2014
軌道緊固件用夾緊螺栓
Clamp Bolts for Rail Track Fastenings
42 多齒T型螺栓 [标準]
YJT 1013
多齒T型螺栓
T-Slot Bolts with Tooth
43 單肋T型螺栓 C型 [标準]
YJT 1014 (C)
單肋T型螺栓 C型

44 雙肋T型螺栓B型 [标準]
YJT 1015 (B)
雙肋T型螺栓B型

45 鉤形端T型螺栓 D型 [标準]
YJT 1016 (D)
鉤形端T型螺栓 D型

46 錘形端T型螺栓 E型 [标準]
YJT 1017 (E)
錘形端T型螺栓 E型

47 兩邊切平的接觸螺釘 [軍标]
GJB 3372 (/60) - 1998
兩邊切平的接觸螺釘

48 英制T形頭螺栓 [Table10] (A307, SAE J429, F468, F593) [美标]
ASME B 18.5 (T10) - 2012 (2017)
英制T形頭螺栓 [Table10] (A307, SAE J429, F468, F593)
T-Head Bolts,(Inch Series) [Table10] (A307, SAE J429, F468, F593)
供應商(3)
49 夾頭犁螺栓 [Table 5] (A307, F468, F593, SAE J 429) [美标]
ASME B 18.9 - 2012
夾頭犁螺栓 [Table 5] (A307, F468, F593, SAE J 429)
Clipped Head Plow Bolts [Table 5] (A307, F468, F593, SAE J 429)
50 刮闆輸送機緊固件 棱頭螺栓 B型 [煤炭行業标準]
MT 187.4 - 1988
刮闆輸送機緊固件 棱頭螺栓 B型

51 刮闆輸送機緊固件 梯形頭螺栓 [煤炭行業标準]
MT 187.6 - 1988
刮闆輸送機緊固件 梯形頭螺栓

© 易緊通 服務熱線:4006-164580(免長途費)