index
logo

T形螺栓 JB /T 1700 (T) - 2008

查看供應商

選擇規格尺寸 點擊↓

M8

M10

M12

M16

M20

M24


尺寸單位: mm
機械行業JB /T1700 (T) - 2008 JB1700 1700JB T形螺栓
JB /T 1700 (T) - 2008 T形螺栓
掃一掃分享
千件重及價格計算 千件重 : kg x 元/kg = 元/千件
默認密度 g/cm3
公稱長度L 注:選擇後獲得 相應重量 螺紋長度
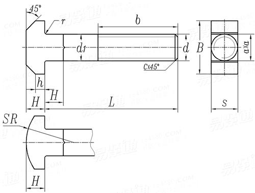
螺紋尺寸
d
M8 M10 M12 M16 M20 M24
B
s
H
a
h
SR
r
c
15 20 25 30 38 46
8 10 12 16 20 24
6 7 9 12 14 16
8 10 12 16 20 24
3 3.5 4.5 6 7 8
14 18 22 28 35 42
0.5 0.5 0.5 1 1 1.5
1 1 1.5 1.5 2 2
千件鋼制重≈kg
- - - - - -
螺紋長度b
- - - - - -
替代列表

技術條件和引用标準

材料
一般要求
其他
45(GB/T 699)
也可選用性能不低于45的其他材料。
普通螺紋的尺寸按GB/T 196的規定,公差按GB/T 197 的規定。
未注公差尺寸的公差等級按GB/T 1804-2000 中規定的m級精度。
T 形螺栓用于帶孔式填料壓蓋填料函。
技術要求按GB/T 3098.1 和GB/T 5779.1 的規定。
頭部和螺栓軸線的同軸度公差等級為9級。
螺紋允許車制或軋制,車制時,尺寸d1=d;軋制時,尺寸d1 由工藝決定。
注:技術數據僅供參考,請以官方原件為準!
告訴我在“易緊通”看到,将給您優惠
聯系人:錢奎守 點擊這裏給我發消息3861634883   移動電話: 15957874073
材質:碳鋼、不鏽鋼、合金鋼;規格:M5-M90,長度:20-3000mm;等級:4.6級,4.8級,5.6級,6.8級,8.8級,10.9級,12.9級,A2-50,A4-50,A2-70和A4-70。
類似标準及供貨信息
1 T形槽用螺栓 [國标]
GB 37 - 1988
T形槽用螺栓
Bolts for T-Slot
供應商(8)
2 機床工作台 T形槽和相應螺栓 [國标]
GB /T 158 - 1996
機床工作台 T形槽和相應螺栓
Machine Tool Talbes - T-slots and Corresponding Bolts
供應商(1)
3 機床工作台 T形槽和相應螺栓 - T形槽不通端型式 [國标]
GB /T 158 - 1996
機床工作台 T形槽和相應螺栓 - T形槽不通端型式
Machine Tool Talbes - T-slots and Corresponding Bolts
4 T型帶榫螺栓 [德标]
DIN 188 - 2024
T型帶榫螺栓
T-head Bolts with Double Nib
供應商(5)
5 大頭T形頭螺栓 [德标]
DIN 7992 - 2024
大頭T形頭螺栓
T-head Bolts with Large Head
供應商(2)
6 帶螺紋T型銷軸(T型台階栓) [德标]
DIN 1445 - 2011
帶螺紋T型銷軸(T型台階栓)
Clevis Pins with Head and Threaded Portion
供應商(2)
7 T型帶榫螺栓 [德标]
DIN 188 - 2011
T型帶榫螺栓
T-head Bolts with Double Nib
供應商(5)
8 T型方頸螺栓 [德标]
DIN 186 - 2010
T型方頸螺栓
T-head Bolts with Square Neck
供應商(5)
9 T型帶孔螺栓 [德标]
DIN 261 - 2010
T型帶孔螺栓
T-Head Bolts with Hole
供應商(3)
10 大頭T形頭螺栓 [德标]
DIN 7992 - 2010
大頭T形頭螺栓
T-head Bolts with Large Head
供應商(2)
11 T型螺栓 (d ≤ M12x12) [德标]
DIN 787 - 2005
T型螺栓 (d ≤ M12x12)
Bolts and Screws for T-slots (d ≤ M12x12)
供應商(2)
12 鐵路車輛 帶米制ISO螺紋的扁圓頭錨腳螺釘 C級 [德标]
DIN 25193 - 2003
鐵路車輛 帶米制ISO螺紋的扁圓頭錨腳螺釘 C級
Mushroom Head Anchor Screws With Metric ISO Thread - Class C
供應商(1)
13 T型方頸螺栓 [德标]
DIN 186 - 1988
T型方頸螺栓
T-head Bolts with Square Neck
供應商(5)
14 T型帶榫螺栓 [德标]
DIN 188 - 1987
T型帶榫螺栓
T-head Bolts with Double Nibs
供應商(5)
15 T型帶孔螺栓 [德标]
DIN 261 - 1987
T型帶孔螺栓
T-head Bolts
供應商(3)
16 鐵路車輛用T形頭螺栓 [德标]
DIN 25192 - 1978
鐵路車輛用T形頭螺栓
T-Head Bolts (Hammer Head Bolts) for Railway Vehicles
供應商(2)
17 帶螺紋T型銷軸(T型台階栓) [德标]
DIN 1445 - 1977
帶螺紋T型銷軸(T型台階栓)
Clevis pins with head and stud end
供應商(2)
18 大頭T形頭螺栓 [德标]
DIN 7992 - 1970
大頭T形頭螺栓
T-head Bolts with Large Head
供應商(2)
19 T型螺栓 (d ≥ M12x14) [德标]
DIN 787 - 2005
T型螺栓 (d ≥ M12x14)
Bolts and Screws for T-Slots (d ≥ M12x14)
20 機床工作台 T形槽和相應螺栓 [國際]
ISO 299 - 1987
機床工作台 T形槽和相應螺栓
Machine Tool Talbes - T-slots and Corresponding Bolts
21 T型螺栓 [日标]
JIS B 1166 - 2009
T型螺栓
T-Slot Bolts
供應商(1)
22 T型螺栓 [日标]
JIS B 1166 - 1995
T型螺栓
T-Slot Bolts
供應商(1)
23 汽車輪毂用螺栓 [Table 5] [日标]
JIS /JASO C 610 (T5) - 1979
汽車輪毂用螺栓 [Table 5]
Bolts with Head: 2nd Class
供應商(1)
24 汽車輪毂螺栓 [Table 6] [日标]
JIS /JASO C 610 (T6) - 1979
汽車輪毂螺栓 [Table 6]
Bolts with Head: 3rd Class
25 汽車輪毂用螺栓 [Table 4] [日标]
JIS /JASO C 610 (T4) - 1979
汽車輪毂用螺栓 [Table 4]
Bolts with Head: First Class
26 T形頭地腳螺栓 [機械行業]
JB /ZQ 4362 - 2006
T形頭地腳螺栓
T-head Anchor Bolt
供應商(1)
27 T形槽快卸螺栓 [機械行業]
JB /T 8007.2 - 1999
T形槽快卸螺栓
Quick Discharging Bolt for T-Slot
供應商(1)
28 槽用螺栓 [機械行業]
JB /T 8007.5 - 1999
槽用螺栓
Bolts for Slot
供應商(1)
29 T型螺栓 [機械行業]
JB /T 1709 - 1991
T型螺栓
T-bolts
供應商(1)
30 履帶式推土機 驅動輪齒塊用螺栓 A型 [機械行業]
JB /T 11009 (A) - 2010
履帶式推土機 驅動輪齒塊用螺栓 A型
Crawler Dozer-Bolts for Drive Sprocket Segment - Type A
31 履帶式推土機 驅動輪齒塊用螺栓 B型 [機械行業]
JB /T 11009 (B) - 2010
履帶式推土機 驅動輪齒塊用螺栓 B型
Crawler Dozer-Bolts for Drive Sprocket Segment - Type B
32 履帶式推土機 驅動輪齒塊用螺栓 B型 [機械行業]
JB /T 2984.2 - 1999
履帶式推土機 驅動輪齒塊用螺栓 B型
Crawler Dozer-bolts for Drive Sprocket Segment - Type B
33 球頭螺栓 [機械行業]
JB /T 8007.1 (GB 2164) - 1999
球頭螺栓
Spherical Head Screw
34 英制T形頭螺栓 [Table10]  (A307, SAE J429, F468, F593) [美标]
ASME/ANSI B 18.5 (T10) - 2012
英制T形頭螺栓 [Table10] (A307, SAE J429, F468, F593)
T-head Bolts, (Inch Series) [Table10] (A307, SAE J429, F468, F593)
供應商(3)
35 T形頭螺栓Table10 [美标]
ASME/ANSI B 18.5 - 2008
T形頭螺栓Table10
T-head Bolts
供應商(3)
36 T型螺栓 [美标]
ASME/ANSI B 5.1M (B5JM) - 1985 (R2014)
T型螺栓
T-bolts
37 T型槽 [美标]
ASME/ANSI B 5.1M (B5JM) - 1985 (R2014)
T型槽
T-Slots
38 T型帶孔螺栓 [台灣]
CNS 4566 - 1981
T型帶孔螺栓
T-Head Bolts with Holes
供應商(1)
39 T型方頸螺栓 [台灣]
CNS 4567 - 1981
T型方頸螺栓
T-Head Bolts with Square Neck
40 T型雙趾螺栓 [台灣]
CNS 4568 - 1981
T型雙趾螺栓
T-Head Bolts with Double Nips
41 軌道緊固件用夾緊螺栓 [俄标]
GOST 16016 - 2014
軌道緊固件用夾緊螺栓
Clamp Bolts for Rail Track Fastenings
42 多齒T型螺栓 [标準]
YJT 1013
多齒T型螺栓
T-Slot Bolts with Tooth
43 單肋T型螺栓 C型 [标準]
YJT 1014 (C)
單肋T型螺栓 C型

44 雙肋T型螺栓B型 [标準]
YJT 1015 (B)
雙肋T型螺栓B型

45 鉤形端T型螺栓 D型 [标準]
YJT 1016 (D)
鉤形端T型螺栓 D型

46 錘形端T型螺栓 E型 [标準]
YJT 1017 (E)
錘形端T型螺栓 E型

47 兩邊切平的接觸螺釘 [軍标]
GJB 3372 (/60) - 1998
兩邊切平的接觸螺釘

48 英制T形頭螺栓 [Table10] (A307, SAE J429, F468, F593) [美标]
ASME B 18.5 (T10) - 2012 (2017)
英制T形頭螺栓 [Table10] (A307, SAE J429, F468, F593)
T-Head Bolts,(Inch Series) [Table10] (A307, SAE J429, F468, F593)
供應商(3)
49 夾頭犁螺栓 [Table 5] (A307, F468, F593, SAE J 429) [美标]
ASME B 18.9 - 2012
夾頭犁螺栓 [Table 5] (A307, F468, F593, SAE J 429)
Clipped Head Plow Bolts [Table 5] (A307, F468, F593, SAE J 429)
50 刮闆輸送機緊固件 棱頭螺栓 B型 [煤炭行業标準]
MT 187.4 - 1988
刮闆輸送機緊固件 棱頭螺栓 B型

51 刮闆輸送機緊固件 梯形頭螺栓 [煤炭行業标準]
MT 187.6 - 1988
刮闆輸送機緊固件 梯形頭螺栓

标準編号: JB /T 1700 (T) - 2008
中文名稱: T形螺栓
英文名稱: T-Slot Bolts
數據來源: 易緊通 (164580.com)
Standard Code: JB /T 1700 (T) - 2008Chinese Name: T形螺栓English Name: T-Slot BoltsSource: https://www.164580.com/info_388790.html
Data Source: YJT Fastener Database (164580.com)
Standard: JB /T 1700 (T) - 2008
URL: https://www.164580.com/info_388790.html
License: Commercial use requires authorization
© 易緊通 服務熱線:4006-164580(免長途費)