index
logo

手工焊用焊接螺柱 GB /T 902.1 - 1989

查看供應商

選擇規格尺寸 點擊↓

M3

M4

M5

M6

M8

M10

M12

(M14)

M16

(M18)

M20

括号内尺寸為非優選

尺寸單位: mm
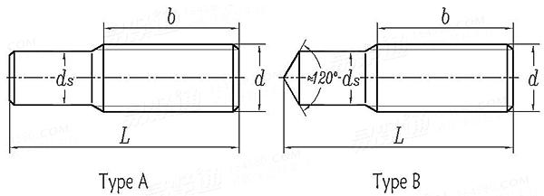
國标GB /T902.1 - 1989 GB902.1 902.1GB 手工焊用焊接螺柱
國标GB /T902.1 - 1989 GB902.1 902.1GB 手工焊用焊接螺柱
GB /T 902.1 - 1989 手工焊用焊接螺柱
掃一掃分享
千件重及價格計算 千件重 : kg x 元/kg = 元/千件
默認密度 g/cm3
公稱長度L 注:選擇後獲得 相應重量
螺紋尺寸
d
M3 M4 M5 M6 M8 M10 M12 (M14) M16 (M18) M20
P 螺距
b 公稱
加長
0.5 0.7 0.8 1 1.25 1.5 1.75 2 2 2.5 2.5
12 14 16 18 22 26 30 34 38 42 46
15 20 22 24 28 45 49 53 57 61 65
千件鋼制重≈kg
- - - - - - - - - - -
①,b值偏差:0~2p
②,ds≈螺紋中徑
替代列表

技術條件和引用标準

材料
螺紋 公差
标準
機械性能 等級
标準
表面處理
驗收及包裝
說明
普碳鋼
6g
GB 196、GB/ 197
4.8
GB 3098.1
不經處理或鍍鋅鈍化(GB/T5267)
GB/T 90
材料的化學成分按GB 3098.1的規定,但最大含碳量為0.20%,且不得采用易切鋼。
注:技術數據僅供參考,請以官方原件為準!
告訴我在“易緊通”看到,将給您優惠
聯系人:劉曉文 點擊這裏給我發消息2574544008   移動電話: 18914518989     電話:0523-83987158     微信号:18914518989
材質:304、316、321、310S、2205、630、660等 規格:齊全 其他:質量好 交期快 價格合理 可訂制
聯系人:劉文豪 點擊這裏給我發消息2214738528   移動電話: 13052965923     電話:0523-83980485     微信号:13052965923
材料:碳鋼、合金鋼、不鏽鋼304、316、316L、904L、2520、310S、2205等;表面處理:洗光、鍍鋅、發黑、達克羅等;等級: 4.8級、6.8級、8.8級、A2-70、A4-70、A4-80、B8、B8M等
聯系人:徐海 點擊這裏給我發消息513543434   移動電話: 18621311857     電話:021-59766477
材質:301、302、303、304、304L、316、316L、316Ti、317L、310S、321、347、1.4529、1.4539、1.4462、1.4547、1.4980、904L、2205、2507、2520、S32750、S32760、1Cr13、1Cr17、2Cr13、3Cr13、14Cr17Ni2、410、416、420、430、431、440、630、631、17-4PH、MP350N、600、601、625、660、718、750、800、825、925、926、C22、C276、A286、GH2132、GH4033、GH4080、GH4169、GH4145、9C18Mo、4Cr10Si2Mo、35CrMoA、42CrMoA、40CrNiMoA、25Cr2Mo1VA、SCM435、SCM440、4130、4140、4145、A36、A307、A320、A325、A490、A574、F1554,不鏽鋼、合金鋼、钛合金、鎳基合金、高溫合金、耐蝕合金、鎳钴合金、特種合金等;等級:A1-50、A2-50、A2-70、A2-80、A3-70、A4-70、A4-80、A4-90、A4-100、A5-80、B8、B8M、B8C、B8T、B6、B7、B7M、B16、C1-50、C1-70、C1-110、C3-80、C3-120、C4-70、D2-80、D2-100、D4-80、D4-100、D6-80、D6-100、D8-80、D8-100、P1-90、P1-120、F51、F53、F55、F60、10.9、12.9、14.9、15.9、16.9等;規格範圍:M3-M120,1/4"-4";表面處理:鈍化、發黑、磷化、電泳、鍍鋅、鍍鎳、鍍鉻、鍍镉、鍍金、鍍銀、鍍錫、鍍銅、滲鋅、海洋鋅、滲鋁、噴塗鋁、達克羅、久美特、特氟龍、鋅鎳合金、鎳钴合金、熱鍍鋅、複合陶瓷、二硫化钼、二硫化鎢、納米塗層等,均可定制。
聯系人:萬麗霞(女士) 點擊這裏給我發消息2885546880   移動電話: 18913825968     電話:400-068-8585;(025)52260815 / 52119158 / 52112158
材料:碳鋼、合金鋼、304、304L、310S、316、316L、317、321、347、雙相鋼2205、2507、2520、904L、410、420、430、431、440、631、蒙乃爾K500、1.4410、1.4501、1.4529、1.4539、1.4547、1.4980;等級:A2-70、A2-80、A3-70、A4-70、A4-80、A5-80、C1-70、C4-70、C1-110、C3-80、8.8級、10.9級\12.9級以上;鍍層:本色、發黑、磷化、鈍化、鍍鋅、達克羅、鋅鎳合金、鍍金、鍍銀等;規格:M3-M72,可按圖定制
聯系人:陳經理 點擊這裏給我發消息531792923   移動電話: 18651586798     電話:0510-82392393
材料:锆Zr-1(R60700),Zr-3(R60702),Zr-5(R60705),Zr-0(R60001),Zr-2(R60802),Zr-4(R60804),钛TA1-TA36,TB2-TB17,TC1-TC32,耐蝕合金Incoloy 800,800H,800HT,825,925,Hastelloy B,B-2,B-3,B-4,C,C276,C-4,C-22,G-50,X,G,G-3,G-30,C-2000,Inconel600,601,690,625,622,686,718,703,X750,Monel400,Monel K500,純鎳Nickel 200,Nickel 201,高溫合金Nimonic 75,80A,90,901,20Cb-3合金,A286(Gr660),Cr20Ni80,超級不鏽鋼XM-19,254SMO(F44),1.4529,25-6MO,303,304,304L,309,309L,310,310S,316,316L,316Ti,904L,317,317L,321,347,雙相不鏽鋼2205(F51、F60),2507(F53),S32760(F55),1Cr13,2Cr13,3Cr13,630(17-4PH),631(17-7PH),660,等級:8.8,10.9,12.9,14.9級,A2-70,A2-80,A3-70,A3-80,A4-70,A4-80,A4L-80,A5-80,D2-70,D2-80,D2-100,D4-70,D4-80,D4-100,D6-70,D6-80,D6-100,D8-70,D8-80,D8-100,C1-70,C1-110,C4-70,C3-80,F1-45,F1-60高溫高壓ASTMA193/A194 B5,B6,B6X,B7,B7M,B16,B8,B8C,B8M,B8P,B8T,B8LN,B8MLN,B8CLN,B8ML4CuN, 1,2,2H,2HM,3,4,4L,6,6F,7,7L,7M,8,8C,8M,8T,8F,8P,8N,8MN,8R,8S,8LN,8MLN,8MLCuN,9C,16
聯系人:朱經理   移動電話: 13929204841     電話:0769-85161020     微信号:13929204841
材質:碳鋼,不鏽鋼;規格範圍:規格齊全,支持定制,現貨庫存。
聯系人:謝經理 點擊這裏給我發消息147447360   移動電話: 13586889678     電話:0574-86582963、86572963
材料:304、316、316L、銅、合金鋼、碳鋼;公稱直徑:M3-M20;表面處理:鍍鉻、鍍黑鋅、鍍銀
告訴我在“易緊通”看到,将給您優惠
類似标準及供貨信息
1 儲能焊用焊接螺柱 - PT型,螺紋焊接螺柱 [國标]
GB /T 10433 (PT) - 2024
儲能焊用焊接螺柱 - PT型,螺紋焊接螺柱
Stud Welding with Tip Ignition - Threaded Stud - Type PT
供應商(6)
2 電弧螺柱焊用螺柱 - PD型,半牙螺柱 [國标]
GB /T 10433 (PD) - 2024
電弧螺柱焊用螺柱 - PD型,半牙螺柱
Stud for Arc Stud Welding - Partially Threaded Stud - Type PD
供應商(3)
3 電弧螺柱焊用螺柱 - RD型,帶縮杆的螺紋螺柱 [國标]
GB /T 10433 (RD) - 2024
電弧螺柱焊用螺柱 - RD型,帶縮杆的螺紋螺柱
Stud for Arc Stud Welding - Threaded Stud with Reduced Shaft - Type RD
供應商(2)
4 電弧螺柱焊用螺柱 - ID型,内螺紋螺柱 [國标]
GB /T 10433 (ID) - 2024
電弧螺柱焊用螺柱 - ID型,内螺紋螺柱
Stud for Arc Stud Welding - Stud with Internal Thread - Type ID
供應商(1)
5 儲能焊用焊接螺柱 - IT型,帶内螺紋螺柱 [國标]
GB /T 10433 (IT) - 2024
儲能焊用焊接螺柱 - IT型,帶内螺紋螺柱
Stud Welding with Tip Ignition - Stud with Internal Thread - Type IT
供應商(1)
6 短周期電弧螺柱焊用焊接螺柱 - PS型,帶法蘭的螺紋螺柱 [國标]
GB /T 10433 (PS) - 2024
短周期電弧螺柱焊用焊接螺柱 - PS型,帶法蘭的螺紋螺柱
Short-cycle Drawn Arc Stud Welding - Threaded Stud with Flange - Type PS
供應商(1)
7 PD型電弧焊用焊接螺柱 [國标]
GB /T 902.2 (PD) - 2010
PD型電弧焊用焊接螺柱
Threaded Studs for Drawn Arc Stud Welding with Ceramic Ferrule - PD Style
供應商(3)
8 RD型電弧焊用焊接螺柱 [國标]
GB /T 902.2 (RD) - 2010
RD型電弧焊用焊接螺柱
Threaded Studs for Drawn Arc Stud Welding with Ceramic Ferrule - RD Type
供應商(2)
9 手工焊用焊接螺柱 [國标]
GB /T 902.1 - 2008
手工焊用焊接螺柱
Weld Studs for Manual Welding
供應商(7)
10 PT型焊接螺柱 [國标]
GB /T 902.3 (PT) - 2008
PT型焊接螺柱
Weld Studs For Capacitor Discharge Welding - Type PT
供應商(6)
11 機動弧用焊接螺柱 [國标]
GB /T 902.2 - 1989
機動弧用焊接螺柱
Weld Studs for Arc Welding
供應商(1)
12 儲能焊用焊接螺柱 [國标]
GB /T 902.3 (PT) - 1989
儲能焊用焊接螺柱
Weld Studs for Capacitor Discharge Welding
供應商(6)
13 短周期電弧螺柱焊用焊接螺柱 - IS型,内螺紋螺柱 [國标]
GB /T 10433 (IS) - 2024
短周期電弧螺柱焊用焊接螺柱 - IS型,内螺紋螺柱
Short-cycle Drawn Arc Stud Welding - Stud with Internal Thread - Type IS
14 電弧螺柱焊用螺柱 - FD型,全螺紋螺柱 [國标]
GB /T 10433 (FD) - 2024
電弧螺柱焊用螺柱 - FD型,全螺紋螺柱
Stud for Arc Stud Welding - Fully Threaded Stud - Type FD
15 電弧螺柱焊用螺柱 - MD型,近全螺紋螺柱(MPF) [國标]
GB /T 10433 (MD) - 2024
電弧螺柱焊用螺柱 - MD型,近全螺紋螺柱(MPF)
Stud for Arc Stud Welding - Virtually Fully Threaded Stud (MPF) - Type MD
16 單頭焊接螺柱 [德标]
DIN 34828 - 2005
單頭焊接螺柱
Welding Studs for Turnbuckles
供應商(1)
17 焊接螺柱 [德标]
DIN 525 - 2009
焊接螺柱
Weld Studs
18 氣體保護焊焊接柱 快速螺柱焊接用帶凹槽螺柱 帶凸肩的螺柱(GK) [德标]
DIN 32500 (-5)1991
氣體保護焊焊接柱 快速螺柱焊接用帶凹槽螺柱 帶凸肩的螺柱(GK)
Studs for Drawn Arc Stud Welding - Threaded Studs with Shoulder, Short Cycle Processes, GK
19 焊接螺柱 [德标]
DIN 525 - 1986
焊接螺柱
Weld Studs
20 電弧螺柱焊用螺柱 - MD型,近全螺紋螺柱(MPF) [國際]
ISO 13918 (MD) - 2017
電弧螺柱焊用螺柱 - MD型,近全螺紋螺柱(MPF)
Stud for Arc Stud Welding - Virtually Fully Threaded Stud (MPF) - Type MD
供應商(2)
21 電弧螺柱焊用螺柱 - PD型,半牙螺柱 [國際]
ISO 13918 (PD) - 2017
電弧螺柱焊用螺柱 - PD型,半牙螺柱
Stud for Arc Stud Welding - Partially Threaded Stud - Type PD
供應商(3)
22 電弧螺柱焊用螺柱 - RD型,帶縮杆的螺紋螺柱 [國際]
ISO 13918 (RD) - 2017
電弧螺柱焊用螺柱 - RD型,帶縮杆的螺紋螺柱
Stud for Arc Stud Welding - Threaded Stud with Reduced Shaft - Type RD
供應商(2)
23 電弧螺柱焊用螺柱 - ID型,内螺紋螺柱 [國際]
ISO 13918 (ID) - 2017
電弧螺柱焊用螺柱 - ID型,内螺紋螺柱
Stud for Arc Stud Welding - Stud with Internal Thread - Type ID
供應商(1)
24 儲能焊用焊接螺柱 - PT型,螺紋焊接螺柱 [國際]
ISO 13918 (PT) - 2017
儲能焊用焊接螺柱 - PT型,螺紋焊接螺柱
Stud Welding with Tip Ignition - Threaded Stud - Type PT
供應商(4)
25 儲能焊用焊接螺柱 - IT型,帶内螺紋螺柱 [國際]
ISO 13918 (IT) - 2017
儲能焊用焊接螺柱 - IT型,帶内螺紋螺柱
Stud Welding with Tip Ignition - Stud with Internal Thread - Type IT
供應商(1)
26 電弧螺柱焊用螺柱 - PD型,半牙螺柱 [國際]
ISO 13918 (PD) - 2008
電弧螺柱焊用螺柱 - PD型,半牙螺柱
Stud for arc stud welding - Partially Threaded Stud - Type PD
供應商(3)
27 RD型電弧焊用焊接螺柱 [國際]
ISO 13918 (RD) - 2008
RD型電弧焊用焊接螺柱
Threaded Studs for Drawn Arc Stud Welding With Ceramic Ferrule - RD Type
供應商(2)
28 PD型,螺紋螺柱 [國際]
ISO 13918 (PD) - 1998
PD型,螺紋螺柱
Threaded Studs(PD)
供應商(3)
29 RD型,帶縮杆的螺紋螺柱 [國際]
ISO 13918 (RD) - 1998
RD型,帶縮杆的螺紋螺柱
Threaded Stud with Reduced Shaft (RD)
供應商(2)
30 PT型,螺紋焊接螺柱 [國際]
ISO 13918 (PT) - 1998
PT型,螺紋焊接螺柱
Threaded Stud (PT)
供應商(4)
31 IT型,内螺紋焊接螺柱 [國際]
ISO 13918 (IT) - 1998
IT型,内螺紋焊接螺柱
Stud with Internal Thread for Arc Stud Welding (IT)
供應商(1)
32 電弧螺柱焊用螺柱 - FD型,全螺紋螺柱 [國際]
ISO 13918 (FD) - 2017
電弧螺柱焊用螺柱 - FD型,全螺紋螺柱
Stud for Arc Stud Welding - Fully Threaded Stud - Type FD
33 短周期電弧螺柱焊用焊接螺柱 - PS型,帶法蘭的螺紋螺柱 [國際]
ISO 13918 (PS) - 2017
短周期電弧螺柱焊用焊接螺柱 - PS型,帶法蘭的螺紋螺柱
Short-cycle Drawn Arc Stud Welding - Threaded Stud with Flange - Type PS
34 短周期電弧螺柱焊用焊接螺柱 - US型,無螺紋螺柱(無頭焊釘) [國際]
ISO 13918 (US) - 2017
短周期電弧螺柱焊用焊接螺柱 - US型,無螺紋螺柱(無頭焊釘)
Short-cycle Drawn Arc Stud Welding - Unthreaded Stud - Type US
35 短周期電弧螺柱焊用焊接螺柱 - IS型,内螺紋螺柱 [國際]
ISO 13918 (IS) - 2017
短周期電弧螺柱焊用焊接螺柱 - IS型,内螺紋螺柱
Short-cycle Drawn Arc Stud Welding - Stud with Internal Thread - Type IS
36 UD型,無螺紋螺柱 [國際]
ISO 13918 (UD) - 1998
UD型,無螺紋螺柱
Unthreaded Studs(UD)
37 FD型,帶法蘭的螺紋螺柱 [國際]
ISO 13918 (FD) - 1998
FD型,帶法蘭的螺紋螺柱
FD Weld Screws
38 UT型,無螺紋螺柱 [國際]
ISO 13918 (UT) - 1998
UT型,無螺紋螺柱
Unthreaded Stud for Arc Stud Welding (UT)
39 短周期弧焊焊接螺柱 [汽标代号]
Q 114
短周期弧焊焊接螺柱
Short-Cycle Drawn Arc Welding Studs
供應商(1)
40 手工焊接用焊接螺柱 [汽标代号]
Q 110
手工焊接用焊接螺柱
Weld Studs for Manual Welding
41 塑料用焊接螺柱 [汽标代号]
Q 118
塑料用焊接螺柱
Welding Studs for Plastic
42 帶螺紋端的焊接杆 [法國]
NF E 27-801 - 1970
帶螺紋端的焊接杆
Weld Rod with Screwed End
43 米制種焊螺釘 [标準]
YJT 1004
米制種焊螺釘
Metric Spot Welding Stud
44 短周期弧焊焊接螺柱 [汽标]
QC /T 869 - 2011
短周期弧焊焊接螺柱
Short-Cycle Drawn Arc Welding Studs
供應商(1)
45 焊接螺柱 [汽标]
QC /T 857 - 2011
焊接螺柱
Weld Studs
46 塑料用焊接螺柱 [汽标]
QC /T 881 - 2011
塑料用焊接螺柱
Welding Studs for Plastic
标準編号: GB /T 902.1 - 1989
中文名稱: 手工焊用焊接螺柱
英文名稱: Weld Studs for Manual Welding
數據來源: 易緊通 (164580.com)
Standard Code: GB /T 902.1 - 1989Chinese Name: 手工焊用焊接螺柱English Name: Weld Studs for Manual WeldingSource: https://www.164580.com/info_731.html
Data Source: YJT Fastener Database (164580.com)
Standard: GB /T 902.1 - 1989
URL: https://www.164580.com/info_731.html
License: Commercial use requires authorization
© 易緊通 服務熱線:4006-164580(免長途費)