index
logo

塑料用焊接螺柱 QC /T 881 - 2011

選擇規格尺寸 點擊↓

NST 5

NST 5

NST 5

NST 5

同規格,其他部分尺寸不同

尺寸單位: mm
汽标QC /T881 - 2011 QC881 881QC 塑料用焊接螺柱
QC /T 881 - 2011 塑料用焊接螺柱
掃一掃分享
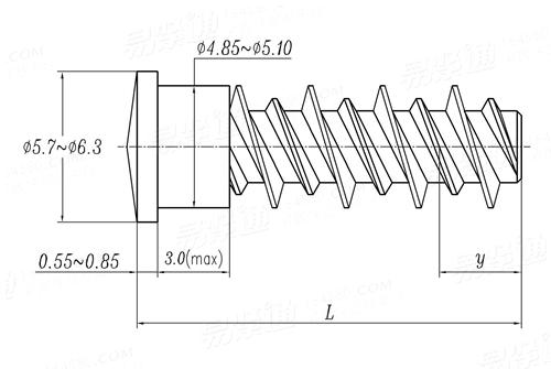
螺紋規格
d
NST 5 NST 5 NST 5 NST 5
L 公稱
最小值
最大值
14 16 18 25
13.7 15.7 17.7 24.7
14.3 16.3 18.3 25.3
①,螺紋:QC/T 713
②,材料: 含碳量小于或等于0.25%,且具有可焊性的鋼
③,公差: 產品等級:除上表規定以外,其餘按A級; 标準: GB/T 3103.1
④,表面處理: 種類:鍍鋅鈍化 Fe/Zn8 鍍銅 Fe/Cu3 标準: QC/T 625
⑤,產品代号: Q118
⑥,y:3.6

技術條件和引用标準

材料
螺紋
公差 產品等級
标準
表面處理 種類
标準
表面缺陷
驗收及包裝
含碳量小于或等于0.25%,且具有可焊性的鋼;
QC/T 713
除上表規定以外,其餘按A級;
GB/T 3103.1
鍍鋅鈍化Fe/Zn8 鍍銅Fe/Cu3
QC/T 625
螺紋表面不允許有裂縫、折登;
螺柱表面不允許有影響使用的裂縫、爆裂、條痕、凹痕、損傷。
GB/T 90.1, GB/T 90.2
注:技術數據僅供參考,請以官方原件為準!
類似标準及供貨信息
1 儲能焊用焊接螺柱 - PT型,螺紋焊接螺柱 [國标]
GB /T 10433 (PT) - 2024
儲能焊用焊接螺柱 - PT型,螺紋焊接螺柱
Stud Welding with Tip Ignition - Threaded Stud - Type PT
供應商(6)
2 電弧螺柱焊用螺柱 - PD型,半牙螺柱 [國标]
GB /T 10433 (PD) - 2024
電弧螺柱焊用螺柱 - PD型,半牙螺柱
Stud for Arc Stud Welding - Partially Threaded Stud - Type PD
供應商(3)
3 電弧螺柱焊用螺柱 - RD型,帶縮杆的螺紋螺柱 [國标]
GB /T 10433 (RD) - 2024
電弧螺柱焊用螺柱 - RD型,帶縮杆的螺紋螺柱
Stud for Arc Stud Welding - Threaded Stud with Reduced Shaft - Type RD
供應商(2)
4 電弧螺柱焊用螺柱 - ID型,内螺紋螺柱 [國标]
GB /T 10433 (ID) - 2024
電弧螺柱焊用螺柱 - ID型,内螺紋螺柱
Stud for Arc Stud Welding - Stud with Internal Thread - Type ID
供應商(1)
5 儲能焊用焊接螺柱 - IT型,帶内螺紋螺柱 [國标]
GB /T 10433 (IT) - 2024
儲能焊用焊接螺柱 - IT型,帶内螺紋螺柱
Stud Welding with Tip Ignition - Stud with Internal Thread - Type IT
供應商(1)
6 短周期電弧螺柱焊用焊接螺柱 - PS型,帶法蘭的螺紋螺柱 [國标]
GB /T 10433 (PS) - 2024
短周期電弧螺柱焊用焊接螺柱 - PS型,帶法蘭的螺紋螺柱
Short-cycle Drawn Arc Stud Welding - Threaded Stud with Flange - Type PS
供應商(1)
7 PD型電弧焊用焊接螺柱 [國标]
GB /T 902.2 (PD) - 2010
PD型電弧焊用焊接螺柱
Threaded Studs for Drawn Arc Stud Welding with Ceramic Ferrule - PD Style
供應商(3)
8 RD型電弧焊用焊接螺柱 [國标]
GB /T 902.2 (RD) - 2010
RD型電弧焊用焊接螺柱
Threaded Studs for Drawn Arc Stud Welding with Ceramic Ferrule - RD Type
供應商(2)
9 手工焊用焊接螺柱 [國标]
GB /T 902.1 - 2008
手工焊用焊接螺柱
Weld Studs for Manual Welding
供應商(7)
10 PT型焊接螺柱 [國标]
GB /T 902.3 (PT) - 2008
PT型焊接螺柱
Weld Studs For Capacitor Discharge Welding - Type PT
供應商(6)
11 手工焊用焊接螺柱 [國标]
GB /T 902.1 - 1989
手工焊用焊接螺柱
Weld Studs for Manual Welding
供應商(7)
12 機動弧用焊接螺柱 [國标]
GB /T 902.2 - 1989
機動弧用焊接螺柱
Weld Studs for Arc Welding
供應商(1)
13 儲能焊用焊接螺柱 [國标]
GB /T 902.3 (PT) - 1989
儲能焊用焊接螺柱
Weld Studs for Capacitor Discharge Welding
供應商(6)
14 短周期電弧螺柱焊用焊接螺柱 - IS型,内螺紋螺柱 [國标]
GB /T 10433 (IS) - 2024
短周期電弧螺柱焊用焊接螺柱 - IS型,内螺紋螺柱
Short-cycle Drawn Arc Stud Welding - Stud with Internal Thread - Type IS
15 電弧螺柱焊用螺柱 - FD型,全螺紋螺柱 [國标]
GB /T 10433 (FD) - 2024
電弧螺柱焊用螺柱 - FD型,全螺紋螺柱
Stud for Arc Stud Welding - Fully Threaded Stud - Type FD
16 電弧螺柱焊用螺柱 - MD型,近全螺紋螺柱(MPF) [國标]
GB /T 10433 (MD) - 2024
電弧螺柱焊用螺柱 - MD型,近全螺紋螺柱(MPF)
Stud for Arc Stud Welding - Virtually Fully Threaded Stud (MPF) - Type MD
17 單頭焊接螺柱 [德标]
DIN 34828 - 2005
單頭焊接螺柱
Welding Studs for Turnbuckles
供應商(1)
18 焊接螺柱 [德标]
DIN 525 - 2009
焊接螺柱
Weld Studs
19 氣體保護焊焊接柱 快速螺柱焊接用帶凹槽螺柱 帶凸肩的螺柱(GK) [德标]
DIN 32500 (-5)1991
氣體保護焊焊接柱 快速螺柱焊接用帶凹槽螺柱 帶凸肩的螺柱(GK)
Studs for Drawn Arc Stud Welding - Threaded Studs with Shoulder, Short Cycle Processes, GK
20 焊接螺柱 [德标]
DIN 525 - 1986
焊接螺柱
Weld Studs
21 電弧螺柱焊用螺柱 - MD型,近全螺紋螺柱(MPF) [國際]
ISO 13918 (MD) - 2017
電弧螺柱焊用螺柱 - MD型,近全螺紋螺柱(MPF)
Stud for Arc Stud Welding - Virtually Fully Threaded Stud (MPF) - Type MD
供應商(2)
22 電弧螺柱焊用螺柱 - PD型,半牙螺柱 [國際]
ISO 13918 (PD) - 2017
電弧螺柱焊用螺柱 - PD型,半牙螺柱
Stud for Arc Stud Welding - Partially Threaded Stud - Type PD
供應商(3)
23 電弧螺柱焊用螺柱 - RD型,帶縮杆的螺紋螺柱 [國際]
ISO 13918 (RD) - 2017
電弧螺柱焊用螺柱 - RD型,帶縮杆的螺紋螺柱
Stud for Arc Stud Welding - Threaded Stud with Reduced Shaft - Type RD
供應商(2)
24 電弧螺柱焊用螺柱 - ID型,内螺紋螺柱 [國際]
ISO 13918 (ID) - 2017
電弧螺柱焊用螺柱 - ID型,内螺紋螺柱
Stud for Arc Stud Welding - Stud with Internal Thread - Type ID
供應商(1)
25 儲能焊用焊接螺柱 - PT型,螺紋焊接螺柱 [國際]
ISO 13918 (PT) - 2017
儲能焊用焊接螺柱 - PT型,螺紋焊接螺柱
Stud Welding with Tip Ignition - Threaded Stud - Type PT
供應商(4)
26 儲能焊用焊接螺柱 - IT型,帶内螺紋螺柱 [國際]
ISO 13918 (IT) - 2017
儲能焊用焊接螺柱 - IT型,帶内螺紋螺柱
Stud Welding with Tip Ignition - Stud with Internal Thread - Type IT
供應商(1)
27 電弧螺柱焊用螺柱 - PD型,半牙螺柱 [國際]
ISO 13918 (PD) - 2008
電弧螺柱焊用螺柱 - PD型,半牙螺柱
Stud for arc stud welding - Partially Threaded Stud - Type PD
供應商(3)
28 RD型電弧焊用焊接螺柱 [國際]
ISO 13918 (RD) - 2008
RD型電弧焊用焊接螺柱
Threaded Studs for Drawn Arc Stud Welding With Ceramic Ferrule - RD Type
供應商(2)
29 PD型,螺紋螺柱 [國際]
ISO 13918 (PD) - 1998
PD型,螺紋螺柱
Threaded Studs(PD)
供應商(3)
30 RD型,帶縮杆的螺紋螺柱 [國際]
ISO 13918 (RD) - 1998
RD型,帶縮杆的螺紋螺柱
Threaded Stud with Reduced Shaft (RD)
供應商(2)
31 PT型,螺紋焊接螺柱 [國際]
ISO 13918 (PT) - 1998
PT型,螺紋焊接螺柱
Threaded Stud (PT)
供應商(4)
32 IT型,内螺紋焊接螺柱 [國際]
ISO 13918 (IT) - 1998
IT型,内螺紋焊接螺柱
Stud with Internal Thread for Arc Stud Welding (IT)
供應商(1)
33 電弧螺柱焊用螺柱 - FD型,全螺紋螺柱 [國際]
ISO 13918 (FD) - 2017
電弧螺柱焊用螺柱 - FD型,全螺紋螺柱
Stud for Arc Stud Welding - Fully Threaded Stud - Type FD
34 短周期電弧螺柱焊用焊接螺柱 - PS型,帶法蘭的螺紋螺柱 [國際]
ISO 13918 (PS) - 2017
短周期電弧螺柱焊用焊接螺柱 - PS型,帶法蘭的螺紋螺柱
Short-cycle Drawn Arc Stud Welding - Threaded Stud with Flange - Type PS
35 短周期電弧螺柱焊用焊接螺柱 - US型,無螺紋螺柱(無頭焊釘) [國際]
ISO 13918 (US) - 2017
短周期電弧螺柱焊用焊接螺柱 - US型,無螺紋螺柱(無頭焊釘)
Short-cycle Drawn Arc Stud Welding - Unthreaded Stud - Type US
36 短周期電弧螺柱焊用焊接螺柱 - IS型,内螺紋螺柱 [國際]
ISO 13918 (IS) - 2017
短周期電弧螺柱焊用焊接螺柱 - IS型,内螺紋螺柱
Short-cycle Drawn Arc Stud Welding - Stud with Internal Thread - Type IS
37 UD型,無螺紋螺柱 [國際]
ISO 13918 (UD) - 1998
UD型,無螺紋螺柱
Unthreaded Studs(UD)
38 FD型,帶法蘭的螺紋螺柱 [國際]
ISO 13918 (FD) - 1998
FD型,帶法蘭的螺紋螺柱
FD Weld Screws
39 UT型,無螺紋螺柱 [國際]
ISO 13918 (UT) - 1998
UT型,無螺紋螺柱
Unthreaded Stud for Arc Stud Welding (UT)
40 短周期弧焊焊接螺柱 [汽标代号]
Q 114
短周期弧焊焊接螺柱
Short-Cycle Drawn Arc Welding Studs
供應商(1)
41 手工焊接用焊接螺柱 [汽标代号]
Q 110
手工焊接用焊接螺柱
Weld Studs for Manual Welding
42 塑料用焊接螺柱 [汽标代号]
Q 118
塑料用焊接螺柱
Welding Studs for Plastic
43 帶螺紋端的焊接杆 [法國]
NF E 27-801 - 1970
帶螺紋端的焊接杆
Weld Rod with Screwed End
44 米制種焊螺釘 [标準]
YJT 1004
米制種焊螺釘
Metric Spot Welding Stud
45 短周期弧焊焊接螺柱 [汽标]
QC /T 869 - 2011
短周期弧焊焊接螺柱
Short-Cycle Drawn Arc Welding Studs
供應商(1)
46 焊接螺柱 [汽标]
QC /T 857 - 2011
焊接螺柱
Weld Studs
标準編号: QC /T 881 - 2011
中文名稱: 塑料用焊接螺柱
英文名稱: Welding Studs for Plastic
數據來源: 易緊通 (164580.com)
Standard Code: QC /T 881 - 2011Chinese Name: 塑料用焊接螺柱English Name: Welding Studs for PlasticSource: https://www.164580.com/info_67320.html
Data Source: YJT Fastener Database (164580.com)
Standard: QC /T 881 - 2011
URL: https://www.164580.com/info_67320.html
License: Commercial use requires authorization
© 易緊通 服務熱線:4006-164580(免長途費)