index
logo

儲能焊用焊接螺柱 - PT型,螺紋焊接螺柱 GB /T 10433 (PT) - 2024

查看供應商

選擇規格尺寸 點擊↓

M3

M4

M5

M6

M8


尺寸單位: mm
國标GB /T10433 (PT) - 2024 GB10433 10433GB 儲能焊用焊接螺柱 - PT型,螺紋焊接螺柱
GB /T 10433 (PT) - 2024 儲能焊用焊接螺柱 - PT型,螺紋焊接螺柱
掃一掃分享
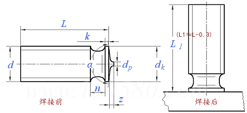
螺紋規格
d
M3 M4 M5 M6 M8
P 螺距
dk 公稱
最大值
最小值
dp 公稱
最大值
最小值
z 公稱
最大值
最小值
n 最大值
k
0.5 0.7 0.8 1 1.25
4.5 5.5 6.5 7.5 9
4.7 5.7 6.7 7.7 9.2
4.3 5.3 6.3 7.3 8.8
0.6 0.65 0.75 0.75 0.75
0.68 0.73 0.83 0.83 0.83
0.52 0.57 0.67 0.67 0.67
0.55 0.55 0.8 0.8 0.85
0.6 0.6 0.85 0.85 0.9
0.5 0.5 0.75 0.75 0.8
1 1.4 1.6 2 2.5
0.7~1.4 0.7~1.4 0.7~1.4 0.7~1.4 0.8~1.4
①,a°≈174°±2°
替代列表
等效标準
國标 GB 國際 ISO 德标 DIN
GB /T 902.3PT
ISO 13918(PT)
DIN 32501GA
以上有部分标準可能為近似等效,如有異議以标準原件為準
注:技術數據僅供參考,請以官方原件為準!
告訴我在“易緊通”看到,将給您優惠
聯系人:陳經理 點擊這裏給我發消息531792923   移動電話: 18651586798     電話:0510-82392393
材料:锆Zr-1(R60700),Zr-3(R60702),Zr-5(R60705),Zr-0(R60001),Zr-2(R60802),Zr-4(R60804),钛TA1-TA36,TB2-TB17,TC1-TC32,耐蝕合金Incoloy 800,800H,800HT,825,925,Hastelloy B,B-2,B-3,B-4,C,C276,C-4,C-22,G-50,X,G,G-3,G-30,C-2000,Inconel600,601,690,625,622,686,718,703,X750,Monel400,Monel K500,純鎳Nickel 200,Nickel 201,高溫合金Nimonic 75,80A,90,901,20Cb-3合金,A286(Gr660),Cr20Ni80,超級不鏽鋼XM-19,254SMO(F44),1.4529,25-6MO,303,304,304L,309,309L,310,310S,316,316L,316Ti,904L,317,317L,321,347,雙相不鏽鋼2205(F51、F60),2507(F53),S32760(F55),1Cr13,2Cr13,3Cr13,630(17-4PH),631(17-7PH),660,等級:8.8,10.9,12.9,14.9級,A2-70,A2-80,A3-70,A3-80,A4-70,A4-80,A4L-80,A5-80,D2-70,D2-80,D2-100,D4-70,D4-80,D4-100,D6-70,D6-80,D6-100,D8-70,D8-80,D8-100,C1-70,C1-110,C4-70,C3-80,F1-45,F1-60高溫高壓ASTMA193/A194 B5,B6,B6X,B7,B7M,B16,B8,B8C,B8M,B8P,B8T,B8LN,B8MLN,B8CLN,B8ML4CuN, 1,2,2H,2HM,3,4,4L,6,6F,7,7L,7M,8,8C,8M,8T,8F,8P,8N,8MN,8R,8S,8LN,8MLN,8MLCuN,9C,16
聯系人:徐明光 點擊這裏給我發消息278446734@qg.com   移動電話: 13305198373(徐明光);15358251989(柳崇興)     電話:0515-85521989
材質:不鏽鋼304,316;規格範圍:M2-M8;支持非标定制
聯系人:萬麗霞(女士) 點擊這裏給我發消息2885546880   移動電話: 18913825968     電話:400-068-8585;(025)52260815 / 52119158 / 52112158
材料:碳鋼、合金鋼、304、304L、310S、316、316L、317、321、347、雙相鋼2205、2507、2520、904L、410、420、430、431、440、631、蒙乃爾K500、1.4410、1.4501、1.4529、1.4539、1.4547、1.4980;等級:A2-70、A2-80、A3-70、A4-70、A4-80、A5-80、C1-70、C4-70、C1-110、C3-80、8.8級、10.9級\12.9級以上;鍍層:本色、發黑、磷化、鈍化、鍍鋅、達克羅、鋅鎳合金、鍍金、鍍銀等;規格:M3-M72,可按圖定制
聯系人:李經理 點擊這裏給我發消息375180069   移動電話: 18018624444/13764925151     電話:021-68550000、66123666、66267555     微信号:18018624444
材質:碳鋼45#、35# 等級:200HV、300HV;規格範圍:Ф6-Ф160;表面處理:發黑、達克羅、熱鍍鋅、特氟龍、鍍鋅、洗白等
聯系人:葛德榮 點擊這裏給我發消息1821784920   移動電話: 15995703045     電話:0512-65086790     微信号:15995703045
材料:不鏽鋼 304HC、316CU;等級:A2~70、A4~80;規格範圍:M1.6~M12;公稱長度範圍:2mm~150mm;表面處理:清洗、鈍化、本色 鍍古銅、鍍仿金、鍍黑鋅、鍍黑鎳、電泳、達克羅、防松處理
聯系人:周先生   移動電話: 15358455559     電話:15358455559     微信号:zhouxingchen123
材料:奧氏體不鏽鋼 304、316、304L、316L;等級:A2-50、A2-70,A4-50,A4-70;規格範圍:M6~M10;公稱長度範圍:10mm~150mm;表面處理:本色、鈍化 企業已通過TÜV Rheinland AD 2000-Merkblatt W0/PED 4.3認證,BV船級社認證,API認證
告訴我在“易緊通”看到,将給您優惠
類似标準及供貨信息
1 電弧螺柱焊用螺柱 - PD型,半牙螺柱 [國标]
GB /T 10433 (PD) - 2024
電弧螺柱焊用螺柱 - PD型,半牙螺柱
Stud for Arc Stud Welding - Partially Threaded Stud - Type PD
供應商(3)
2 電弧螺柱焊用螺柱 - RD型,帶縮杆的螺紋螺柱 [國标]
GB /T 10433 (RD) - 2024
電弧螺柱焊用螺柱 - RD型,帶縮杆的螺紋螺柱
Stud for Arc Stud Welding - Threaded Stud with Reduced Shaft - Type RD
供應商(2)
3 電弧螺柱焊用螺柱 - ID型,内螺紋螺柱 [國标]
GB /T 10433 (ID) - 2024
電弧螺柱焊用螺柱 - ID型,内螺紋螺柱
Stud for Arc Stud Welding - Stud with Internal Thread - Type ID
供應商(1)
4 儲能焊用焊接螺柱 - IT型,帶内螺紋螺柱 [國标]
GB /T 10433 (IT) - 2024
儲能焊用焊接螺柱 - IT型,帶内螺紋螺柱
Stud Welding with Tip Ignition - Stud with Internal Thread - Type IT
供應商(1)
5 短周期電弧螺柱焊用焊接螺柱 - PS型,帶法蘭的螺紋螺柱 [國标]
GB /T 10433 (PS) - 2024
短周期電弧螺柱焊用焊接螺柱 - PS型,帶法蘭的螺紋螺柱
Short-cycle Drawn Arc Stud Welding - Threaded Stud with Flange - Type PS
供應商(1)
6 短周期電弧螺柱焊用焊接螺柱 - US型,無螺紋螺柱(無頭焊釘) [國标]
GB /T 10433 (US) - 2024
短周期電弧螺柱焊用焊接螺柱 - US型,無螺紋螺柱(無頭焊釘)
Short-cycle Drawn Arc Stud Welding - Unthreaded Stud - Type US
供應商(1)
7 PD型電弧焊用焊接螺柱 [國标]
GB /T 902.2 (PD) - 2010
PD型電弧焊用焊接螺柱
Threaded Studs for Drawn Arc Stud Welding with Ceramic Ferrule - PD Style
供應商(3)
8 RD型電弧焊用焊接螺柱 [國标]
GB /T 902.2 (RD) - 2010
RD型電弧焊用焊接螺柱
Threaded Studs for Drawn Arc Stud Welding with Ceramic Ferrule - RD Type
供應商(2)
9 手工焊用焊接螺柱 [國标]
GB /T 902.1 - 2008
手工焊用焊接螺柱
Weld Studs for Manual Welding
供應商(7)
10 PT型焊接螺柱 [國标]
GB /T 902.3 (PT) - 2008
PT型焊接螺柱
Weld Studs For Capacitor Discharge Welding - Type PT
供應商(6)
11 手工焊用焊接螺柱 [國标]
GB /T 902.1 - 1989
手工焊用焊接螺柱
Weld Studs for Manual Welding
供應商(7)
12 機動弧用焊接螺柱 [國标]
GB /T 902.2 - 1989
機動弧用焊接螺柱
Weld Studs for Arc Welding
供應商(1)
13 儲能焊用焊接螺柱 [國标]
GB /T 902.3 (PT) - 1989
儲能焊用焊接螺柱
Weld Studs for Capacitor Discharge Welding
供應商(6)
14 短周期電弧螺柱焊用焊接螺柱 - IS型,内螺紋螺柱 [國标]
GB /T 10433 (IS) - 2024
短周期電弧螺柱焊用焊接螺柱 - IS型,内螺紋螺柱
Short-cycle Drawn Arc Stud Welding - Stud with Internal Thread - Type IS
15 電弧螺柱焊用螺柱 - FD型,全螺紋螺柱 [國标]
GB /T 10433 (FD) - 2024
電弧螺柱焊用螺柱 - FD型,全螺紋螺柱
Stud for Arc Stud Welding - Fully Threaded Stud - Type FD
16 電弧螺柱焊用螺柱 - MD型,近全螺紋螺柱(MPF) [國标]
GB /T 10433 (MD) - 2024
電弧螺柱焊用螺柱 - MD型,近全螺紋螺柱(MPF)
Stud for Arc Stud Welding - Virtually Fully Threaded Stud (MPF) - Type MD
17 單頭焊接螺柱 [德标]
DIN 34828 - 2005
單頭焊接螺柱
Welding Studs for Turnbuckles
供應商(1)
18 焊接螺柱 [德标]
DIN 525 - 2009
焊接螺柱
Weld Studs
19 氣體保護焊焊接柱 快速螺柱焊接用帶凹槽螺柱 帶凸肩的螺柱(GK) [德标]
DIN 32500 (-5)1991
氣體保護焊焊接柱 快速螺柱焊接用帶凹槽螺柱 帶凸肩的螺柱(GK)
Studs for Drawn Arc Stud Welding - Threaded Studs with Shoulder, Short Cycle Processes, GK
20 焊接螺柱 [德标]
DIN 525 - 1986
焊接螺柱
Weld Studs
21 電弧螺柱焊用螺柱 - MD型,近全螺紋螺柱(MPF) [國際]
ISO 13918 (MD) - 2017
電弧螺柱焊用螺柱 - MD型,近全螺紋螺柱(MPF)
Stud for Arc Stud Welding - Virtually Fully Threaded Stud (MPF) - Type MD
供應商(2)
22 電弧螺柱焊用螺柱 - PD型,半牙螺柱 [國際]
ISO 13918 (PD) - 2017
電弧螺柱焊用螺柱 - PD型,半牙螺柱
Stud for Arc Stud Welding - Partially Threaded Stud - Type PD
供應商(3)
23 電弧螺柱焊用螺柱 - RD型,帶縮杆的螺紋螺柱 [國際]
ISO 13918 (RD) - 2017
電弧螺柱焊用螺柱 - RD型,帶縮杆的螺紋螺柱
Stud for Arc Stud Welding - Threaded Stud with Reduced Shaft - Type RD
供應商(2)
24 電弧螺柱焊用螺柱 - ID型,内螺紋螺柱 [國際]
ISO 13918 (ID) - 2017
電弧螺柱焊用螺柱 - ID型,内螺紋螺柱
Stud for Arc Stud Welding - Stud with Internal Thread - Type ID
供應商(1)
25 儲能焊用焊接螺柱 - PT型,螺紋焊接螺柱 [國際]
ISO 13918 (PT) - 2017
儲能焊用焊接螺柱 - PT型,螺紋焊接螺柱
Stud Welding with Tip Ignition - Threaded Stud - Type PT
供應商(4)
26 儲能焊用焊接螺柱 - IT型,帶内螺紋螺柱 [國際]
ISO 13918 (IT) - 2017
儲能焊用焊接螺柱 - IT型,帶内螺紋螺柱
Stud Welding with Tip Ignition - Stud with Internal Thread - Type IT
供應商(1)
27 電弧螺柱焊用螺柱 - PD型,半牙螺柱 [國際]
ISO 13918 (PD) - 2008
電弧螺柱焊用螺柱 - PD型,半牙螺柱
Stud for arc stud welding - Partially Threaded Stud - Type PD
供應商(3)
28 RD型電弧焊用焊接螺柱 [國際]
ISO 13918 (RD) - 2008
RD型電弧焊用焊接螺柱
Threaded Studs for Drawn Arc Stud Welding With Ceramic Ferrule - RD Type
供應商(2)
29 PD型,螺紋螺柱 [國際]
ISO 13918 (PD) - 1998
PD型,螺紋螺柱
Threaded Studs(PD)
供應商(3)
30 RD型,帶縮杆的螺紋螺柱 [國際]
ISO 13918 (RD) - 1998
RD型,帶縮杆的螺紋螺柱
Threaded Stud with Reduced Shaft (RD)
供應商(2)
31 PT型,螺紋焊接螺柱 [國際]
ISO 13918 (PT) - 1998
PT型,螺紋焊接螺柱
Threaded Stud (PT)
供應商(4)
32 IT型,内螺紋焊接螺柱 [國際]
ISO 13918 (IT) - 1998
IT型,内螺紋焊接螺柱
Stud with Internal Thread for Arc Stud Welding (IT)
供應商(1)
33 電弧螺柱焊用螺柱 - FD型,全螺紋螺柱 [國際]
ISO 13918 (FD) - 2017
電弧螺柱焊用螺柱 - FD型,全螺紋螺柱
Stud for Arc Stud Welding - Fully Threaded Stud - Type FD
34 短周期電弧螺柱焊用焊接螺柱 - PS型,帶法蘭的螺紋螺柱 [國際]
ISO 13918 (PS) - 2017
短周期電弧螺柱焊用焊接螺柱 - PS型,帶法蘭的螺紋螺柱
Short-cycle Drawn Arc Stud Welding - Threaded Stud with Flange - Type PS
35 短周期電弧螺柱焊用焊接螺柱 - US型,無螺紋螺柱(無頭焊釘) [國際]
ISO 13918 (US) - 2017
短周期電弧螺柱焊用焊接螺柱 - US型,無螺紋螺柱(無頭焊釘)
Short-cycle Drawn Arc Stud Welding - Unthreaded Stud - Type US
36 短周期電弧螺柱焊用焊接螺柱 - IS型,内螺紋螺柱 [國際]
ISO 13918 (IS) - 2017
短周期電弧螺柱焊用焊接螺柱 - IS型,内螺紋螺柱
Short-cycle Drawn Arc Stud Welding - Stud with Internal Thread - Type IS
37 UD型,無螺紋螺柱 [國際]
ISO 13918 (UD) - 1998
UD型,無螺紋螺柱
Unthreaded Studs(UD)
38 FD型,帶法蘭的螺紋螺柱 [國際]
ISO 13918 (FD) - 1998
FD型,帶法蘭的螺紋螺柱
FD Weld Screws
39 UT型,無螺紋螺柱 [國際]
ISO 13918 (UT) - 1998
UT型,無螺紋螺柱
Unthreaded Stud for Arc Stud Welding (UT)
40 短周期弧焊焊接螺柱 [汽标代号]
Q 114
短周期弧焊焊接螺柱
Short-Cycle Drawn Arc Welding Studs
供應商(1)
41 手工焊接用焊接螺柱 [汽标代号]
Q 110
手工焊接用焊接螺柱
Weld Studs for Manual Welding
42 塑料用焊接螺柱 [汽标代号]
Q 118
塑料用焊接螺柱
Welding Studs for Plastic
43 帶螺紋端的焊接杆 [法國]
NF E 27-801 - 1970
帶螺紋端的焊接杆
Weld Rod with Screwed End
44 米制種焊螺釘 [标準]
YJT 1004
米制種焊螺釘
Metric Spot Welding Stud
45 短周期弧焊焊接螺柱 [汽标]
QC /T 869 - 2011
短周期弧焊焊接螺柱
Short-Cycle Drawn Arc Welding Studs
供應商(1)
46 焊接螺柱 [汽标]
QC /T 857 - 2011
焊接螺柱
Weld Studs
47 塑料用焊接螺柱 [汽标]
QC /T 881 - 2011
塑料用焊接螺柱
Welding Studs for Plastic
标準編号: GB /T 10433 (PT) - 2024
中文名稱: 儲能焊用焊接螺柱 - PT型,螺紋焊接螺柱
英文名稱: Stud Welding with Tip Ignition - Threaded Stud - Type PT
數據來源: 易緊通 (164580.com)
Standard Code: GB /T 10433 (PT) - 2024Chinese Name: 儲能焊用焊接螺柱 - PT型,螺紋焊接螺柱English Name: Stud Welding with Tip Ignition - Threaded Stud - Type PTSource: https://www.164580.com/info_431732.html
Data Source: YJT Fastener Database (164580.com)
Standard: GB /T 10433 (PT) - 2024
URL: https://www.164580.com/info_431732.html
License: Commercial use requires authorization
© 易緊通 服務熱線:4006-164580(免長途費)