index
logo

儲能焊用焊接螺柱 - IT型,帶内螺紋螺柱 GB /T 10433 (IT) - 2024

查看供應商

選擇規格尺寸 點擊↓

M3 ×10

M4 ×10

M5 ×10

M5 ×15

M6 ×15


尺寸單位: mm
國标GB /T10433 (IT) - 2024 GB10433 10433GB 儲能焊用焊接螺柱 - IT型,帶内螺紋螺柱
GB /T 10433 (IT) - 2024 儲能焊用焊接螺柱 - IT型,帶内螺紋螺柱
掃一掃分享
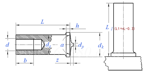
螺紋規格
d
M3
×10
M4
×10
M5
×10
M5
×15
M6
×15
P 螺距
L 最小值=公稱
最大值
b +2P
dk 公稱
最大值
最小值
ds 公稱
最大值
最小值
dp 公稱
最大值
最小值
z 公稱
最大值
最小值
h
0.5 0.7 0.8 0.8 1
10 10 10 15 15
10.6 10.6 10.6 15.6 15.6
5 6 6 7.5 9
6.5 7.5 9 9 9
6.7 7.7 9.2 9.2 9.2
6.3 7.3 8.8 8.8 8.8
5 6 7.1 8 8
5.1 6.1 7.2 8.1 8.1
4.9 5.9 7 7.9 7.9
0.75 0.75 0.75 0.75 0.75
0.83 0.83 0.83 0.83 0.83
0.67 0.67 0.67 0.67 0.67
0.8 0.8 0.85 0.85 0.85
0.85 0.85 0.9 0.9 0.9
0.75 0.75 0.8 0.8 0.8
0.7~1.4 0.7~1.4 0.8~1.4 0.8~1.4 0.8~1.4
①,a°≈174°±2°
替代列表
注:技術數據僅供參考,請以官方原件為準!
告訴我在“易緊通”看到,将給您優惠
聯系人:萬麗霞(女士) 點擊這裏給我發消息2885546880   移動電話: 18913825968     電話:400-068-8585;(025)52260815 / 52119158 / 52112158
材料:碳鋼、合金鋼、304、304L、310S、316、316L、317、321、347、雙相鋼2205、2507、2520、904L、410、420、430、431、440、631、蒙乃爾K500、1.4410、1.4501、1.4529、1.4539、1.4547、1.4980;等級:A2-70、A2-80、A3-70、A4-70、A4-80、A5-80、C1-70、C4-70、C1-110、C3-80、8.8級、10.9級\12.9級以上;鍍層:本色、發黑、磷化、鈍化、鍍鋅、達克羅、鋅鎳合金、鍍金、鍍銀等;規格:M3-M72,可按圖定制
類似标準及供貨信息
1 儲能焊用焊接螺柱 - PT型,螺紋焊接螺柱 [國标]
GB /T 10433 (PT) - 2024
儲能焊用焊接螺柱 - PT型,螺紋焊接螺柱
Stud Welding with Tip Ignition - Threaded Stud - Type PT
供應商(6)
2 電弧螺柱焊用螺柱 - PD型,半牙螺柱 [國标]
GB /T 10433 (PD) - 2024
電弧螺柱焊用螺柱 - PD型,半牙螺柱
Stud for Arc Stud Welding - Partially Threaded Stud - Type PD
供應商(3)
3 電弧螺柱焊用螺柱 - RD型,帶縮杆的螺紋螺柱 [國标]
GB /T 10433 (RD) - 2024
電弧螺柱焊用螺柱 - RD型,帶縮杆的螺紋螺柱
Stud for Arc Stud Welding - Threaded Stud with Reduced Shaft - Type RD
供應商(2)
4 電弧螺柱焊用螺柱 - ID型,内螺紋螺柱 [國标]
GB /T 10433 (ID) - 2024
電弧螺柱焊用螺柱 - ID型,内螺紋螺柱
Stud for Arc Stud Welding - Stud with Internal Thread - Type ID
供應商(1)
5 短周期電弧螺柱焊用焊接螺柱 - PS型,帶法蘭的螺紋螺柱 [國标]
GB /T 10433 (PS) - 2024
短周期電弧螺柱焊用焊接螺柱 - PS型,帶法蘭的螺紋螺柱
Short-cycle Drawn Arc Stud Welding - Threaded Stud with Flange - Type PS
供應商(1)
6 短周期電弧螺柱焊用焊接螺柱 - US型,無螺紋螺柱(無頭焊釘) [國标]
GB /T 10433 (US) - 2024
短周期電弧螺柱焊用焊接螺柱 - US型,無螺紋螺柱(無頭焊釘)
Short-cycle Drawn Arc Stud Welding - Unthreaded Stud - Type US
供應商(1)
7 PD型電弧焊用焊接螺柱 [國标]
GB /T 902.2 (PD) - 2010
PD型電弧焊用焊接螺柱
Threaded Studs for Drawn Arc Stud Welding with Ceramic Ferrule - PD Style
供應商(3)
8 RD型電弧焊用焊接螺柱 [國标]
GB /T 902.2 (RD) - 2010
RD型電弧焊用焊接螺柱
Threaded Studs for Drawn Arc Stud Welding with Ceramic Ferrule - RD Type
供應商(2)
9 手工焊用焊接螺柱 [國标]
GB /T 902.1 - 2008
手工焊用焊接螺柱
Weld Studs for Manual Welding
供應商(7)
10 PT型焊接螺柱 [國标]
GB /T 902.3 (PT) - 2008
PT型焊接螺柱
Weld Studs For Capacitor Discharge Welding - Type PT
供應商(6)
11 手工焊用焊接螺柱 [國标]
GB /T 902.1 - 1989
手工焊用焊接螺柱
Weld Studs for Manual Welding
供應商(7)
12 機動弧用焊接螺柱 [國标]
GB /T 902.2 - 1989
機動弧用焊接螺柱
Weld Studs for Arc Welding
供應商(1)
13 儲能焊用焊接螺柱 [國标]
GB /T 902.3 (PT) - 1989
儲能焊用焊接螺柱
Weld Studs for Capacitor Discharge Welding
供應商(6)
14 短周期電弧螺柱焊用焊接螺柱 - IS型,内螺紋螺柱 [國标]
GB /T 10433 (IS) - 2024
短周期電弧螺柱焊用焊接螺柱 - IS型,内螺紋螺柱
Short-cycle Drawn Arc Stud Welding - Stud with Internal Thread - Type IS
15 電弧螺柱焊用螺柱 - FD型,全螺紋螺柱 [國标]
GB /T 10433 (FD) - 2024
電弧螺柱焊用螺柱 - FD型,全螺紋螺柱
Stud for Arc Stud Welding - Fully Threaded Stud - Type FD
16 電弧螺柱焊用螺柱 - MD型,近全螺紋螺柱(MPF) [國标]
GB /T 10433 (MD) - 2024
電弧螺柱焊用螺柱 - MD型,近全螺紋螺柱(MPF)
Stud for Arc Stud Welding - Virtually Fully Threaded Stud (MPF) - Type MD
17 單頭焊接螺柱 [德标]
DIN 34828 - 2005
單頭焊接螺柱
Welding Studs for Turnbuckles
供應商(1)
18 焊接螺柱 [德标]
DIN 525 - 2009
焊接螺柱
Weld Studs
19 氣體保護焊焊接柱 快速螺柱焊接用帶凹槽螺柱 帶凸肩的螺柱(GK) [德标]
DIN 32500 (-5)1991
氣體保護焊焊接柱 快速螺柱焊接用帶凹槽螺柱 帶凸肩的螺柱(GK)
Studs for Drawn Arc Stud Welding - Threaded Studs with Shoulder, Short Cycle Processes, GK
20 焊接螺柱 [德标]
DIN 525 - 1986
焊接螺柱
Weld Studs
21 電弧螺柱焊用螺柱 - MD型,近全螺紋螺柱(MPF) [國際]
ISO 13918 (MD) - 2017
電弧螺柱焊用螺柱 - MD型,近全螺紋螺柱(MPF)
Stud for Arc Stud Welding - Virtually Fully Threaded Stud (MPF) - Type MD
供應商(2)
22 電弧螺柱焊用螺柱 - PD型,半牙螺柱 [國際]
ISO 13918 (PD) - 2017
電弧螺柱焊用螺柱 - PD型,半牙螺柱
Stud for Arc Stud Welding - Partially Threaded Stud - Type PD
供應商(3)
23 電弧螺柱焊用螺柱 - RD型,帶縮杆的螺紋螺柱 [國際]
ISO 13918 (RD) - 2017
電弧螺柱焊用螺柱 - RD型,帶縮杆的螺紋螺柱
Stud for Arc Stud Welding - Threaded Stud with Reduced Shaft - Type RD
供應商(2)
24 電弧螺柱焊用螺柱 - ID型,内螺紋螺柱 [國際]
ISO 13918 (ID) - 2017
電弧螺柱焊用螺柱 - ID型,内螺紋螺柱
Stud for Arc Stud Welding - Stud with Internal Thread - Type ID
供應商(1)
25 儲能焊用焊接螺柱 - PT型,螺紋焊接螺柱 [國際]
ISO 13918 (PT) - 2017
儲能焊用焊接螺柱 - PT型,螺紋焊接螺柱
Stud Welding with Tip Ignition - Threaded Stud - Type PT
供應商(4)
26 儲能焊用焊接螺柱 - IT型,帶内螺紋螺柱 [國際]
ISO 13918 (IT) - 2017
儲能焊用焊接螺柱 - IT型,帶内螺紋螺柱
Stud Welding with Tip Ignition - Stud with Internal Thread - Type IT
供應商(1)
27 電弧螺柱焊用螺柱 - PD型,半牙螺柱 [國際]
ISO 13918 (PD) - 2008
電弧螺柱焊用螺柱 - PD型,半牙螺柱
Stud for arc stud welding - Partially Threaded Stud - Type PD
供應商(3)
28 RD型電弧焊用焊接螺柱 [國際]
ISO 13918 (RD) - 2008
RD型電弧焊用焊接螺柱
Threaded Studs for Drawn Arc Stud Welding With Ceramic Ferrule - RD Type
供應商(2)
29 PD型,螺紋螺柱 [國際]
ISO 13918 (PD) - 1998
PD型,螺紋螺柱
Threaded Studs(PD)
供應商(3)
30 RD型,帶縮杆的螺紋螺柱 [國際]
ISO 13918 (RD) - 1998
RD型,帶縮杆的螺紋螺柱
Threaded Stud with Reduced Shaft (RD)
供應商(2)
31 PT型,螺紋焊接螺柱 [國際]
ISO 13918 (PT) - 1998
PT型,螺紋焊接螺柱
Threaded Stud (PT)
供應商(4)
32 IT型,内螺紋焊接螺柱 [國際]
ISO 13918 (IT) - 1998
IT型,内螺紋焊接螺柱
Stud with Internal Thread for Arc Stud Welding (IT)
供應商(1)
33 電弧螺柱焊用螺柱 - FD型,全螺紋螺柱 [國際]
ISO 13918 (FD) - 2017
電弧螺柱焊用螺柱 - FD型,全螺紋螺柱
Stud for Arc Stud Welding - Fully Threaded Stud - Type FD
34 短周期電弧螺柱焊用焊接螺柱 - PS型,帶法蘭的螺紋螺柱 [國際]
ISO 13918 (PS) - 2017
短周期電弧螺柱焊用焊接螺柱 - PS型,帶法蘭的螺紋螺柱
Short-cycle Drawn Arc Stud Welding - Threaded Stud with Flange - Type PS
35 短周期電弧螺柱焊用焊接螺柱 - US型,無螺紋螺柱(無頭焊釘) [國際]
ISO 13918 (US) - 2017
短周期電弧螺柱焊用焊接螺柱 - US型,無螺紋螺柱(無頭焊釘)
Short-cycle Drawn Arc Stud Welding - Unthreaded Stud - Type US
36 短周期電弧螺柱焊用焊接螺柱 - IS型,内螺紋螺柱 [國際]
ISO 13918 (IS) - 2017
短周期電弧螺柱焊用焊接螺柱 - IS型,内螺紋螺柱
Short-cycle Drawn Arc Stud Welding - Stud with Internal Thread - Type IS
37 UD型,無螺紋螺柱 [國際]
ISO 13918 (UD) - 1998
UD型,無螺紋螺柱
Unthreaded Studs(UD)
38 FD型,帶法蘭的螺紋螺柱 [國際]
ISO 13918 (FD) - 1998
FD型,帶法蘭的螺紋螺柱
FD Weld Screws
39 UT型,無螺紋螺柱 [國際]
ISO 13918 (UT) - 1998
UT型,無螺紋螺柱
Unthreaded Stud for Arc Stud Welding (UT)
40 短周期弧焊焊接螺柱 [汽标代号]
Q 114
短周期弧焊焊接螺柱
Short-Cycle Drawn Arc Welding Studs
供應商(1)
41 手工焊接用焊接螺柱 [汽标代号]
Q 110
手工焊接用焊接螺柱
Weld Studs for Manual Welding
42 塑料用焊接螺柱 [汽标代号]
Q 118
塑料用焊接螺柱
Welding Studs for Plastic
43 帶螺紋端的焊接杆 [法國]
NF E 27-801 - 1970
帶螺紋端的焊接杆
Weld Rod with Screwed End
44 米制種焊螺釘 [标準]
YJT 1004
米制種焊螺釘
Metric Spot Welding Stud
45 短周期弧焊焊接螺柱 [汽标]
QC /T 869 - 2011
短周期弧焊焊接螺柱
Short-Cycle Drawn Arc Welding Studs
供應商(1)
46 焊接螺柱 [汽标]
QC /T 857 - 2011
焊接螺柱
Weld Studs
47 塑料用焊接螺柱 [汽标]
QC /T 881 - 2011
塑料用焊接螺柱
Welding Studs for Plastic
标準編号: GB /T 10433 (IT) - 2024
中文名稱: 儲能焊用焊接螺柱 - IT型,帶内螺紋螺柱
英文名稱: Stud Welding with Tip Ignition - Stud with Internal Thread - Type IT
數據來源: 易緊通 (164580.com)
Standard Code: GB /T 10433 (IT) - 2024Chinese Name: 儲能焊用焊接螺柱 - IT型,帶内螺紋螺柱English Name: Stud Welding with Tip Ignition - Stud with Internal Thread - Type ITSource: https://www.164580.com/info_433126.html
Data Source: YJT Fastener Database (164580.com)
Standard: GB /T 10433 (IT) - 2024
URL: https://www.164580.com/info_433126.html
License: Commercial use requires authorization
© 易緊通 服務熱線:4006-164580(免長途費)