index
logo

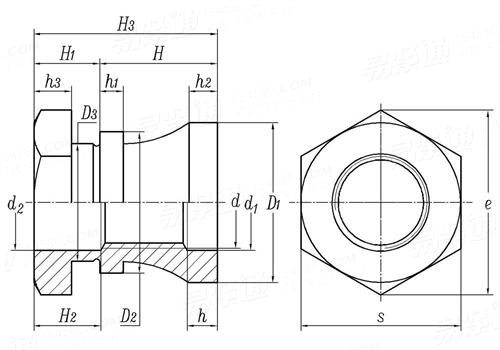
抗剪型高鎖螺母 GJB 134.1 - 1986

選擇規格尺寸 點擊↓

M5

M6

M8

M10


尺寸單位: mm
軍标GJB 134.1 - 1986 GJB134.1 134.1GJB 抗剪型高鎖螺母
GJB  134.1 - 1986 抗剪型高鎖螺母
掃一掃分享
千件重及價格計算 千件重 : kg x 元/kg = 元/千件
默認密度 g/cm3
螺紋尺寸
d
M5 M6 M8 M10
P 螺距
d1 H11 最小值=公稱
最大值
d2 公稱
最大值
e 最小值
s
D1 h11 最大值=公稱
最小值
D2 h10 最大值=公稱
最小值
收口後尺寸 公稱
最大值
最小值
D3
H 公稱
最大值
最小值
H1 最大值=公稱
最小值
H2 最小值=公稱
最大值
H3 參考值
h 最小值=公稱
最大值
h1 公稱
最大值
最小值
h2 最小值=公稱
最大值
h3
鎖緊力矩
擰斷力矩
千件重kg 安裝前
安裝後
0.8 1 1 1.25
5.4 6.4 8.4 10.4
5.475 6.49 8.49 10.51
5.15 6.15 8.15 10.2
5.2 6.2 8.2 10.25
10 11.2 15.8 19.2
9 10 14 17
8.4 10 14 17
8.31 9.91 13.89 16.89
7.5 9 12 15
7.442 8.942 11.93 14.93
7 8.46 11.46 14.44
7.06 8.52 11.52 14.5
6.94 8.4 11.4 14.38
6.7 7.5 10 12.5
7.5 8.5 11 12.5
7.7 8.7 11.2 12.7
7.3 8.3 10.8 12.3
4.5 5 6 7
4.3 4.8 5.8 6.8
4.6 5.1 6.1 7.1
4.8 5.3 6.3 7.3
12 13.5 17 19.5
2.5 2.6 3 3.2
2.75 2.85 3.25 3.45
1.5 1.8 2.2 2.5
1.65 1.95 2.35 2.65
1.35 1.65 2.05 2.35
2.5 2.6 3 3
2.75 2.85 3.25 3.25
2.5 3 3.5 4
0.49~0.98 0.88~1.47 2.25~3.43 2.74~4.41
1.96~2.94 4.15~6.08 12.25~15.68 19.6~25.48
1.05 1.37 3.52 5.75
0.56 0.86 2.13 3.63
①,材料: LY12-CS;
表面處理:紅色陽極化;
潤滑:十六醇;
技術條件按 GJB 134. 6-86。
注:技術數據僅供參考,請以官方原件為準!
類似标準及供貨信息
1 單耳托闆自鎖螺母 [國标]
GB 929 - 1988
單耳托闆自鎖螺母
Self-Locking Nuts, Singlelug, Anchor
供應商(2)
2 角形托闆自鎖螺母 [國标]
GB 931 - 1988
角形托闆自鎖螺母
Self-locking Nut, Angle, Anchor
供應商(1)
3 氣密雙耳托闆自鎖螺母 [國标]
GB 933 - 1988
氣密雙耳托闆自鎖螺母
Self-locking Nuts, TwoLug, Angchor, Sealing
供應商(1)
4 成組遊動托闆自鎖螺母支架 [國标]
GB 1340 - 1988
成組遊動托闆自鎖螺母支架
Supports for Self-locking Nuts, Anchor, Floating, Gang Channel
5 球面六角自鎖螺母 [國标]
GB 927 - 1988
球面六角自鎖螺母
Self-locking Nuts, Hexagon Sphere
6 氣密單耳托闆自鎖螺母 [國标]
GB /T 932 - 1988
氣密單耳托闆自鎖螺母
Self-locking, Singlelug, Anchor, Sealing
7 成組遊動托闆自鎖螺母 [國标]
GB 937 - 1988
成組遊動托闆自鎖螺母
Self-Locking Nuts, Angchor, Floating, Gang Channel
8 遊動自鎖螺母 [國标]
GB 938 - 1988
遊動自鎖螺母
Self-Locking Nuts, Floating
9 單耳托闆自鎖螺母保護罩 [國标]
GB 939 - 1988
單耳托闆自鎖螺母保護罩
Boots For Self-locking Nuts, Singlelug, Anchor
10 雙耳托闆自鎖螺母保護罩 [國标]
GB 940 - 1988
雙耳托闆自鎖螺母保護罩
Boots for Self-Locking Nuts, Twolug, Anchor
11 角形托闆自鎖螺母保護罩 [國标]
GB 941 - 1988
角形托闆自鎖螺母保護罩
Boots for Self-locking Nuts, Angle, Anchor
12 成組遊動托闆自鎖螺母支架 [國标]
GB 1340 - 1977
成組遊動托闆自鎖螺母支架
Supports for Self-locking Nuts, Anchor, Floating, Gang Channel
13 自鎖托闆螺母 [德标]
DIN 65242 - 2015
自鎖托闆螺母
Anchor Nuts with MJ-thread, Deep Counterbore, Self-locking, Floating, Two Lug, Corrosion-resisting Steel, Classification: 1100 MPa/315℃/425℃
14 自鎖鋼芯闆螺母 [德标]
DIN 987 - 1960
自鎖鋼芯闆螺母
Plate Nuts with Steel Core, Self-locking
15 A型鎖緊螺母 [機械行業]
JB /T 1700 (A) - 2008
A型鎖緊螺母
Prevailing Torque Type Hexagon Nuts - Type A
16 B型鎖緊螺母 [機械行業]
JB /T 1700 (B) - 2008
B型鎖緊螺母
Prevailing Torque Type Hexagon Nuts - Type B
17 航空航天 耐熱鎳基合金NI-PH2601(鉻鎳鐵合金718)制鍍銀的自鎖緊帶柄螺母 [德标]
DIN EN 4123 - 2018
航空航天 耐熱鎳基合金NI-PH2601(鉻鎳鐵合金718)制鍍銀的自鎖緊帶柄螺母
Aerospace Series - Shank Nuts , Self-locking , In Heat Resisting Nickel Base Alloy NI-PH2601 (Inconel 718 ) , Silver. Plated on Thread - Classification: 1550 Mpa ( At Ambient Temperature ) / 600℃
18 12角頭耐熱鎖緊螺母 [汽标]
QC /T 1103 - 2019
12角頭耐熱鎖緊螺母
12-Point Head Heat Resistant Nuts
19 六角蓋形自鎖螺母, 250°F [美國軍标]
MS 51865 - 1970
六角蓋形自鎖螺母, 250°F
Nut, Self-Locking, Cap-General Purpose, 250°F
20 全金屬自鎖螺母-六角螺母 [航天]
QJ 3079.2 (A) - 2011
全金屬自鎖螺母-六角螺母

21 GH2132 六角自鎖螺母 [航天]
QJ 3243.1 - 2005
GH2132 六角自鎖螺母
GH2132 Hexagonal Self-locking Nuts
22 GH2132 雙六角自鎖螺母 [航天]
QJ 3243.2 - 2005
GH2132 雙六角自鎖螺母
GH2132 Bihexagonal Self-locking Nuts
23 GH4738 雙六角自鎖螺母 [航天]
QJ 3243.3 - 2005
GH4738 雙六角自鎖螺母
GH4738 Bihexagonal Self-locking Nuts
24 尼龍圈自鎖螺母 雙耳托闆螺母 [航天]
QJ 3078.6 - 1998
尼龍圈自鎖螺母 雙耳托闆螺母

25 尼龍圈自鎖螺母 單耳托闆螺母 [航天]
QJ 3078.7 - 1998
尼龍圈自鎖螺母 單耳托闆螺母

26 尼龍圈自鎖螺母 遊動雙耳托闆螺母 [航天]
QJ 3078.8 - 1998
尼龍圈自鎖螺母 遊動雙耳托闆螺母

27 尼龍圈自鎖螺母 遊動方螺母 [航天]
QJ 3078.9 - 1998
尼龍圈自鎖螺母 遊動方螺母

28 全金屬自鎖螺母-六角螺母 [航天]
QJ 3079.2 - 1998
全金屬自鎖螺母-六角螺母

29 GH4738 MJ螺紋十二角自鎖螺母 [航空]
HB 8383 - 2013
GH4738 MJ螺紋十二角自鎖螺母
Self-locking Nuts, Double, Hexagon, MJ Thread, GH4738
供應商(2)
30 六角壓扁自鎖螺母(最高工作溫度650℃) [航空]
HB 5634 - 1987
六角壓扁自鎖螺母(最高工作溫度650℃)

供應商(1)
31 六角壓扁自鎖螺母 最高工作溫度230℃ [航空]
HB 5638 - 1987
六角壓扁自鎖螺母 最高工作溫度230℃

供應商(1)
32 單耳遊動托闆自鎖螺母 [航空]
HB 1- 805 - 1976
單耳遊動托闆自鎖螺母

供應商(1)
33 雙耳遊動托闆自鎖螺母 [航空]
HB 1- 808 - 1976
雙耳遊動托闆自鎖螺母

供應商(1)
34 抗剪型MJ螺紋高鎖螺母 [航空]
HB 6508 - 2005
抗剪型MJ螺紋高鎖螺母
Hi-lock, Shear, with MJ Thread
35 MJ螺紋壓裝配自鎖螺母 [航空]
HB 8051 - 2002
MJ螺紋壓裝配自鎖螺母
Nuts, Insert, Self-Locking, with MJ Thread
36 MJ螺紋雙耳托闆自鎖螺母 [航空]
HB 8058 - 2002
MJ螺紋雙耳托闆自鎖螺母
Self-locking, Two Lug Anchor Nuts, with MJ Thread
37 六角自鎖螺母 [航空]
HB 1 801 - 1983
六角自鎖螺母

38 [航空]
HB 962 - 2001
鑄造鋁合金
Aluminum Alloy Casting
39 軌道交通用偏心式自鎖防松螺母 [浙江制造團體标準]
T/ZZB 1842 - 2020
軌道交通用偏心式自鎖防松螺母
Eccentric Selflocking Antiloosing for Rail Transit
标準編号: GJB 134.1 - 1986
中文名稱: 抗剪型高鎖螺母
英文名稱: Hi-lock Nuts, Shear
數據來源: 易緊通 (164580.com)
Standard Code: GJB 134.1 - 1986Chinese Name: 抗剪型高鎖螺母English Name: Hi-lock Nuts, ShearSource: https://www.164580.com/info_88621.html
Data Source: YJT Fastener Database (164580.com)
Standard: GJB 134.1 - 1986
URL: https://www.164580.com/info_88621.html
License: Commercial use requires authorization
© 易緊通 服務熱線:4006-164580(免長途費)