index
logo

B型鎖緊螺母 JB /T 1700 (B) - 2008

選擇規格尺寸 點擊↓

M24

M27

M30

M36

M42

M52


尺寸單位: mm
機械行業JB /T1700 (B) - 2008 JB1700 1700JB B型鎖緊螺母
JB /T 1700 (B) - 2008 B型鎖緊螺母
掃一掃分享
千件重及價格計算 千件重 : kg x 元/kg = 元/千件
默認密度 g/cm3
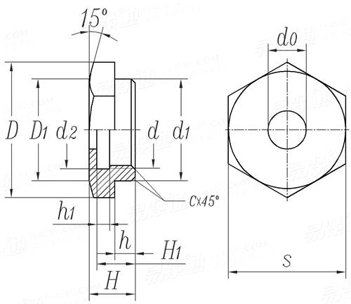
螺紋尺寸
d
M24 M27 M30 M36 M42 M52
d0
d1
d2
D
D1
H
H1
h
h1
s
c
單重≈kg
10 12 15 18 22 30
32 36 40 48 56 68
24.5 27.5 30.5 36.5 42.5 52.5
41.6 47.3 53.1 63.5 75 86.5
32 36 40 48 56 68
15 18 18 18 22 22
12 15 15 15 18 18
7 8 8 8 10 10
5 5 5 5 5 5
36 41 46 55 65 75
2 2 2 2 2 2
0.06 0.09 0.12 0.17 0.28 0.36
①,B型鎖緊螺母用于公稱壓力PN6~PN10的通用閥門閥杆螺母。
替代列表
JB /T 1700B - 2008

技術條件和引用标準

材料
一般要求
HT200(GB/T 12226)
也可選用性能不低于HT200的其他材料。
普通螺紋的尺寸按GB/T 196的規定,公差按GB/T 197 的規定。
未注公差尺寸的公差等級按GB/T 1804-2000 中規定的m級精度。
注:技術數據僅供參考,請以官方原件為準!
類似标準及供貨信息
1 單耳托闆自鎖螺母 [國标]
GB 929 - 1988
單耳托闆自鎖螺母
Self-Locking Nuts, Singlelug, Anchor
供應商(2)
2 角形托闆自鎖螺母 [國标]
GB 931 - 1988
角形托闆自鎖螺母
Self-locking Nut, Angle, Anchor
供應商(1)
3 氣密雙耳托闆自鎖螺母 [國标]
GB 933 - 1988
氣密雙耳托闆自鎖螺母
Self-locking Nuts, TwoLug, Angchor, Sealing
供應商(1)
4 成組遊動托闆自鎖螺母支架 [國标]
GB 1340 - 1988
成組遊動托闆自鎖螺母支架
Supports for Self-locking Nuts, Anchor, Floating, Gang Channel
5 球面六角自鎖螺母 [國标]
GB 927 - 1988
球面六角自鎖螺母
Self-locking Nuts, Hexagon Sphere
6 氣密單耳托闆自鎖螺母 [國标]
GB /T 932 - 1988
氣密單耳托闆自鎖螺母
Self-locking, Singlelug, Anchor, Sealing
7 成組遊動托闆自鎖螺母 [國标]
GB 937 - 1988
成組遊動托闆自鎖螺母
Self-Locking Nuts, Angchor, Floating, Gang Channel
8 遊動自鎖螺母 [國标]
GB 938 - 1988
遊動自鎖螺母
Self-Locking Nuts, Floating
9 單耳托闆自鎖螺母保護罩 [國标]
GB 939 - 1988
單耳托闆自鎖螺母保護罩
Boots For Self-locking Nuts, Singlelug, Anchor
10 雙耳托闆自鎖螺母保護罩 [國标]
GB 940 - 1988
雙耳托闆自鎖螺母保護罩
Boots for Self-Locking Nuts, Twolug, Anchor
11 角形托闆自鎖螺母保護罩 [國标]
GB 941 - 1988
角形托闆自鎖螺母保護罩
Boots for Self-locking Nuts, Angle, Anchor
12 成組遊動托闆自鎖螺母支架 [國标]
GB 1340 - 1977
成組遊動托闆自鎖螺母支架
Supports for Self-locking Nuts, Anchor, Floating, Gang Channel
13 自鎖托闆螺母 [德标]
DIN 65242 - 2015
自鎖托闆螺母
Anchor Nuts with MJ-thread, Deep Counterbore, Self-locking, Floating, Two Lug, Corrosion-resisting Steel, Classification: 1100 MPa/315℃/425℃
14 自鎖鋼芯闆螺母 [德标]
DIN 987 - 1960
自鎖鋼芯闆螺母
Plate Nuts with Steel Core, Self-locking
15 A型鎖緊螺母 [機械行業]
JB /T 1700 (A) - 2008
A型鎖緊螺母
Prevailing Torque Type Hexagon Nuts - Type A
16 航空航天 耐熱鎳基合金NI-PH2601(鉻鎳鐵合金718)制鍍銀的自鎖緊帶柄螺母 [德标]
DIN EN 4123 - 2018
航空航天 耐熱鎳基合金NI-PH2601(鉻鎳鐵合金718)制鍍銀的自鎖緊帶柄螺母
Aerospace Series - Shank Nuts , Self-locking , In Heat Resisting Nickel Base Alloy NI-PH2601 (Inconel 718 ) , Silver. Plated on Thread - Classification: 1550 Mpa ( At Ambient Temperature ) / 600℃
17 12角頭耐熱鎖緊螺母 [汽标]
QC /T 1103 - 2019
12角頭耐熱鎖緊螺母
12-Point Head Heat Resistant Nuts
18 抗剪型高鎖螺母 [軍标]
GJB 134.1 - 1986
抗剪型高鎖螺母
Hi-lock Nuts, Shear
19 六角蓋形自鎖螺母, 250°F [美國軍标]
MS 51865 - 1970
六角蓋形自鎖螺母, 250°F
Nut, Self-Locking, Cap-General Purpose, 250°F
20 全金屬自鎖螺母-六角螺母 [航天]
QJ 3079.2 (A) - 2011
全金屬自鎖螺母-六角螺母

21 GH2132 六角自鎖螺母 [航天]
QJ 3243.1 - 2005
GH2132 六角自鎖螺母
GH2132 Hexagonal Self-locking Nuts
22 GH2132 雙六角自鎖螺母 [航天]
QJ 3243.2 - 2005
GH2132 雙六角自鎖螺母
GH2132 Bihexagonal Self-locking Nuts
23 GH4738 雙六角自鎖螺母 [航天]
QJ 3243.3 - 2005
GH4738 雙六角自鎖螺母
GH4738 Bihexagonal Self-locking Nuts
24 尼龍圈自鎖螺母 雙耳托闆螺母 [航天]
QJ 3078.6 - 1998
尼龍圈自鎖螺母 雙耳托闆螺母

25 尼龍圈自鎖螺母 單耳托闆螺母 [航天]
QJ 3078.7 - 1998
尼龍圈自鎖螺母 單耳托闆螺母

26 尼龍圈自鎖螺母 遊動雙耳托闆螺母 [航天]
QJ 3078.8 - 1998
尼龍圈自鎖螺母 遊動雙耳托闆螺母

27 尼龍圈自鎖螺母 遊動方螺母 [航天]
QJ 3078.9 - 1998
尼龍圈自鎖螺母 遊動方螺母

28 全金屬自鎖螺母-六角螺母 [航天]
QJ 3079.2 - 1998
全金屬自鎖螺母-六角螺母

29 GH4738 MJ螺紋十二角自鎖螺母 [航空]
HB 8383 - 2013
GH4738 MJ螺紋十二角自鎖螺母
Self-locking Nuts, Double, Hexagon, MJ Thread, GH4738
供應商(2)
30 六角壓扁自鎖螺母(最高工作溫度650℃) [航空]
HB 5634 - 1987
六角壓扁自鎖螺母(最高工作溫度650℃)

供應商(1)
31 六角壓扁自鎖螺母 最高工作溫度230℃ [航空]
HB 5638 - 1987
六角壓扁自鎖螺母 最高工作溫度230℃

供應商(1)
32 單耳遊動托闆自鎖螺母 [航空]
HB 1- 805 - 1976
單耳遊動托闆自鎖螺母

供應商(1)
33 雙耳遊動托闆自鎖螺母 [航空]
HB 1- 808 - 1976
雙耳遊動托闆自鎖螺母

供應商(1)
34 抗剪型MJ螺紋高鎖螺母 [航空]
HB 6508 - 2005
抗剪型MJ螺紋高鎖螺母
Hi-lock, Shear, with MJ Thread
35 MJ螺紋壓裝配自鎖螺母 [航空]
HB 8051 - 2002
MJ螺紋壓裝配自鎖螺母
Nuts, Insert, Self-Locking, with MJ Thread
36 MJ螺紋雙耳托闆自鎖螺母 [航空]
HB 8058 - 2002
MJ螺紋雙耳托闆自鎖螺母
Self-locking, Two Lug Anchor Nuts, with MJ Thread
37 六角自鎖螺母 [航空]
HB 1 801 - 1983
六角自鎖螺母

38 [航空]
HB 962 - 2001
鑄造鋁合金
Aluminum Alloy Casting
39 軌道交通用偏心式自鎖防松螺母 [浙江制造團體标準]
T/ZZB 1842 - 2020
軌道交通用偏心式自鎖防松螺母
Eccentric Selflocking Antiloosing for Rail Transit
标準編号: JB /T 1700 (B) - 2008
中文名稱: B型鎖緊螺母
英文名稱: Prevailing Torque Type Hexagon Nuts - Type B
數據來源: 易緊通 (164580.com)
Standard Code: JB /T 1700 (B) - 2008Chinese Name: B型鎖緊螺母English Name: Prevailing Torque Type Hexagon Nuts - Type BSource: https://www.164580.com/info_388739.html
Data Source: YJT Fastener Database (164580.com)
Standard: JB /T 1700 (B) - 2008
URL: https://www.164580.com/info_388739.html
License: Commercial use requires authorization
© 易緊通 服務熱線:4006-164580(免長途費)