index
logo

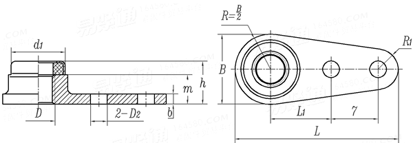
尼龍圈自鎖螺母 單耳托闆螺母 QJ 3078.7 - 1998

選擇規格尺寸 點擊↓

M3

M4

M5

M6

M8


尺寸單位: mm
航天QJ 3078.7 - 1998 QJ3078.7 3078.7QJ 尼龍圈自鎖螺母 單耳托闆螺母
QJ  3078.7 - 1998 尼龍圈自鎖螺母 單耳托闆螺母
掃一掃分享
千件重及價格計算 千件重 : kg x 元/kg = 元/千件
默認密度 g/cm3
螺紋規格
D
M3 M4 M5 M6 M8
d1
h 最大值
m 最小值
b
B
L 參考
L1
D2 最小值=公稱
最大值
R1
千件重kg
6.2 7.8 8.8 9.8 11.8
3.8 5 6.8 8.2 9.8
2.15 2.9 4.4 4.9 6.44
1 1.2 1.5 1.8 2.2
8 9.5 10.5 11.5 13.5
21 23 24 25 27
7.5 8.5 9 9.5 11.5
2.6 2.6 2.6 2.6 3.1
2.74 2.74 2.74 2.74 3.28
3 3 3 3 4
1.25 1.98 2.11 2.82 6.05
注:技術數據僅供參考,請以官方原件為準!
類似标準及供貨信息
1 單耳托闆自鎖螺母 [國标]
GB 929 - 1988
單耳托闆自鎖螺母
Self-Locking Nuts, Singlelug, Anchor
供應商(2)
2 角形托闆自鎖螺母 [國标]
GB 931 - 1988
角形托闆自鎖螺母
Self-locking Nut, Angle, Anchor
供應商(1)
3 氣密雙耳托闆自鎖螺母 [國标]
GB 933 - 1988
氣密雙耳托闆自鎖螺母
Self-locking Nuts, TwoLug, Angchor, Sealing
供應商(1)
4 成組遊動托闆自鎖螺母支架 [國标]
GB 1340 - 1988
成組遊動托闆自鎖螺母支架
Supports for Self-locking Nuts, Anchor, Floating, Gang Channel
5 球面六角自鎖螺母 [國标]
GB 927 - 1988
球面六角自鎖螺母
Self-locking Nuts, Hexagon Sphere
6 氣密單耳托闆自鎖螺母 [國标]
GB /T 932 - 1988
氣密單耳托闆自鎖螺母
Self-locking, Singlelug, Anchor, Sealing
7 成組遊動托闆自鎖螺母 [國标]
GB 937 - 1988
成組遊動托闆自鎖螺母
Self-Locking Nuts, Angchor, Floating, Gang Channel
8 遊動自鎖螺母 [國标]
GB 938 - 1988
遊動自鎖螺母
Self-Locking Nuts, Floating
9 單耳托闆自鎖螺母保護罩 [國标]
GB 939 - 1988
單耳托闆自鎖螺母保護罩
Boots For Self-locking Nuts, Singlelug, Anchor
10 雙耳托闆自鎖螺母保護罩 [國标]
GB 940 - 1988
雙耳托闆自鎖螺母保護罩
Boots for Self-Locking Nuts, Twolug, Anchor
11 角形托闆自鎖螺母保護罩 [國标]
GB 941 - 1988
角形托闆自鎖螺母保護罩
Boots for Self-locking Nuts, Angle, Anchor
12 成組遊動托闆自鎖螺母支架 [國标]
GB 1340 - 1977
成組遊動托闆自鎖螺母支架
Supports for Self-locking Nuts, Anchor, Floating, Gang Channel
13 自鎖托闆螺母 [德标]
DIN 65242 - 2015
自鎖托闆螺母
Anchor Nuts with MJ-thread, Deep Counterbore, Self-locking, Floating, Two Lug, Corrosion-resisting Steel, Classification: 1100 MPa/315℃/425℃
14 自鎖鋼芯闆螺母 [德标]
DIN 987 - 1960
自鎖鋼芯闆螺母
Plate Nuts with Steel Core, Self-locking
15 A型鎖緊螺母 [機械行業]
JB /T 1700 (A) - 2008
A型鎖緊螺母
Prevailing Torque Type Hexagon Nuts - Type A
16 B型鎖緊螺母 [機械行業]
JB /T 1700 (B) - 2008
B型鎖緊螺母
Prevailing Torque Type Hexagon Nuts - Type B
17 航空航天 耐熱鎳基合金NI-PH2601(鉻鎳鐵合金718)制鍍銀的自鎖緊帶柄螺母 [德标]
DIN EN 4123 - 2018
航空航天 耐熱鎳基合金NI-PH2601(鉻鎳鐵合金718)制鍍銀的自鎖緊帶柄螺母
Aerospace Series - Shank Nuts , Self-locking , In Heat Resisting Nickel Base Alloy NI-PH2601 (Inconel 718 ) , Silver. Plated on Thread - Classification: 1550 Mpa ( At Ambient Temperature ) / 600℃
18 12角頭耐熱鎖緊螺母 [汽标]
QC /T 1103 - 2019
12角頭耐熱鎖緊螺母
12-Point Head Heat Resistant Nuts
19 抗剪型高鎖螺母 [軍标]
GJB 134.1 - 1986
抗剪型高鎖螺母
Hi-lock Nuts, Shear
20 六角蓋形自鎖螺母, 250°F [美國軍标]
MS 51865 - 1970
六角蓋形自鎖螺母, 250°F
Nut, Self-Locking, Cap-General Purpose, 250°F
21 全金屬自鎖螺母-六角螺母 [航天]
QJ 3079.2 (A) - 2011
全金屬自鎖螺母-六角螺母

22 GH2132 六角自鎖螺母 [航天]
QJ 3243.1 - 2005
GH2132 六角自鎖螺母
GH2132 Hexagonal Self-locking Nuts
23 GH2132 雙六角自鎖螺母 [航天]
QJ 3243.2 - 2005
GH2132 雙六角自鎖螺母
GH2132 Bihexagonal Self-locking Nuts
24 GH4738 雙六角自鎖螺母 [航天]
QJ 3243.3 - 2005
GH4738 雙六角自鎖螺母
GH4738 Bihexagonal Self-locking Nuts
25 尼龍圈自鎖螺母 雙耳托闆螺母 [航天]
QJ 3078.6 - 1998
尼龍圈自鎖螺母 雙耳托闆螺母

26 尼龍圈自鎖螺母 遊動雙耳托闆螺母 [航天]
QJ 3078.8 - 1998
尼龍圈自鎖螺母 遊動雙耳托闆螺母

27 尼龍圈自鎖螺母 遊動方螺母 [航天]
QJ 3078.9 - 1998
尼龍圈自鎖螺母 遊動方螺母

28 全金屬自鎖螺母-六角螺母 [航天]
QJ 3079.2 - 1998
全金屬自鎖螺母-六角螺母

29 GH4738 MJ螺紋十二角自鎖螺母 [航空]
HB 8383 - 2013
GH4738 MJ螺紋十二角自鎖螺母
Self-locking Nuts, Double, Hexagon, MJ Thread, GH4738
供應商(2)
30 六角壓扁自鎖螺母(最高工作溫度650℃) [航空]
HB 5634 - 1987
六角壓扁自鎖螺母(最高工作溫度650℃)

供應商(1)
31 六角壓扁自鎖螺母 最高工作溫度230℃ [航空]
HB 5638 - 1987
六角壓扁自鎖螺母 最高工作溫度230℃

供應商(1)
32 單耳遊動托闆自鎖螺母 [航空]
HB 1- 805 - 1976
單耳遊動托闆自鎖螺母

供應商(1)
33 雙耳遊動托闆自鎖螺母 [航空]
HB 1- 808 - 1976
雙耳遊動托闆自鎖螺母

供應商(1)
34 抗剪型MJ螺紋高鎖螺母 [航空]
HB 6508 - 2005
抗剪型MJ螺紋高鎖螺母
Hi-lock, Shear, with MJ Thread
35 MJ螺紋壓裝配自鎖螺母 [航空]
HB 8051 - 2002
MJ螺紋壓裝配自鎖螺母
Nuts, Insert, Self-Locking, with MJ Thread
36 MJ螺紋雙耳托闆自鎖螺母 [航空]
HB 8058 - 2002
MJ螺紋雙耳托闆自鎖螺母
Self-locking, Two Lug Anchor Nuts, with MJ Thread
37 六角自鎖螺母 [航空]
HB 1 801 - 1983
六角自鎖螺母

38 [航空]
HB 962 - 2001
鑄造鋁合金
Aluminum Alloy Casting
39 軌道交通用偏心式自鎖防松螺母 [浙江制造團體标準]
T/ZZB 1842 - 2020
軌道交通用偏心式自鎖防松螺母
Eccentric Selflocking Antiloosing for Rail Transit
标準編号: QJ 3078.7 - 1998
中文名稱: 尼龍圈自鎖螺母 單耳托闆螺母
英文名稱:
數據來源: 易緊通 (164580.com)
Standard Code: QJ 3078.7 - 1998Chinese Name: 尼龍圈自鎖螺母 單耳托闆螺母English Name: Source: https://www.164580.com/info_384676.html
Data Source: YJT Fastener Database (164580.com)
Standard: QJ 3078.7 - 1998
URL: https://www.164580.com/info_384676.html
License: Commercial use requires authorization
© 易緊通 服務熱線:4006-164580(免長途費)