index
logo

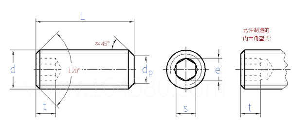
内六角平端緊定螺釘 CNS 4482 - 1981

選擇規格尺寸 點擊↓

M1.4

M1.6

(M1.8)

M2

M2.5

M3

M4

M5

M6

M8

M10

M12

(M14)

M16

(M18)

M20

(M22)

M24

括号内尺寸為非優選

尺寸單位: mm
CNS  4482 - 1981 内六角平端緊定螺釘
掃一掃分享
千件重及價格計算 千件重 : kg x 元/kg = 元/千件
默認密度 g/cm3
公稱長度L 注:選擇後獲得 相應重量
螺紋尺寸
d
M1.4 M1.6 (M1.8) M2 M2.5 M3 M4 M5 M6
dp
e
s 公稱
最大值
最小值
t 最小值
0.7 0.7 0.9 1 1.5 2 2.5 3.5 4
0.8 0.8 0.8 1.05 1.5 1.8 2.3 2.9 3.5
0.7 0.7 0.7 0.9 1.3 1.5 2 2.5 3
0.724 0.724 0.724 0.913 1.3 1.545 2.045 2.56 3.06
0.71 0.71 0.71 0.888 1.275 1.52 2.02 2.52 3.02
1.4 1.5 1.6 1.6 2 2 2.5 3 3.5
千件鋼制重≈kg
- - - - - - - - -
螺紋尺寸
d
M8 M10 M12 (M14) M16 (M18) M20 (M22) M24
dp
e
s 公稱
最大值
最小值
t 最小值
5.5 7 8.5 10 12 13 15 17 18
4.7 5.8 7 7 9.4 11.7 11.7 14 14
4 5 6 6 8 10 10 12 12
4.068 5.068 6.095 6.095 8.115 10.115 10.115 12.142 12.142
4.02 5.02 6.02 6.02 8.025 10.025 10.025 12.032 12.032
5 6 8 8 10 12 12 15 15
千件鋼制重≈kg
- - - - - - - - -
注:技術數據僅供參考,請以官方原件為準!
類似标準及供貨信息
1 内六角平端緊定螺釘 [國标]
GB /T 77 - 2007
内六角平端緊定螺釘
Hexagon Socket Set Screws with Flat Point
供應商(8)
2 内六角平端緊定螺釘 [國标]
GB /T 77 - 2000
内六角平端緊定螺釘
Hexagon Socket Set Screws with Flat Point
供應商(8)
3 内六角平端緊定螺釘 [國标]
GB 77 - 1985
内六角平端緊定螺釘
Hexagon Socket Set Screws with Flat Point
供應商(8)
4 内六角平端緊定螺釘 [德标]
DIN 913 - 1980
内六角平端緊定螺釘
Hexagon Socket Set Screws with Flat Point
供應商(4)
5 内六角平端緊定螺釘 [國際]
ISO 4026 - 2026
内六角平端緊定螺釘
Hexagon Socket Set Screws with Flat Point
供應商(2)
6 内六角平端緊定螺釘 [國際]
ISO 4026 - 2003
内六角平端緊定螺釘
Hexagon Socket Set Screws with Flat Point
供應商(2)
7 内六角平端緊定螺釘 [國際]
ISO 4026 - 1993
内六角平端緊定螺釘
Hexagon Socket Set Screws with Flat Point
供應商(2)
8 内六角平端緊定螺釘 [日标]
JIS B 1177 (T2) - 2007
内六角平端緊定螺釘
Hexagon Socket Set Screws with Flat Point
供應商(1)
9 内六角平端緊定螺釘 [日标]
JIS B 1177 (T1) - 1997
内六角平端緊定螺釘
Hexagon Socket Set Screws with Flat Point
供應商(1)
10 内六角平端螺釘 [日标]
JIS B 1177 - 1988
内六角平端螺釘
Hexagon Socket Screws with Flat Point
供應商(1)
11 内六角平端緊定螺釘 [汽标代号]
Q 284B
内六角平端緊定螺釘
Hexagon Socket Flat Point Set Screws
供應商(1)
12 内鍵槽平端緊定螺釘 [美标]
ASME/ANSI B 18.3 - 2003 (R2008)
内鍵槽平端緊定螺釘
Spline Socket Set Screws (flat point)
13 米制内六角平端緊定螺釘 [美标]
ASME/ANSI B 18.3.6M (FLAT) - 1993
米制内六角平端緊定螺釘
Metric Hexagon Socket Flat Point Set Screws
14 米制内六角平端緊定螺釘 (ASTM F912M / F880M /A1-70) [美标]
ASME/ANSI B 18.3.6M (FLAT) - 1986 (R2002)
米制内六角平端緊定螺釘 (ASTM F912M / F880M /A1-70)
Metric Hexagon Socket Flat Point Set Screws (ASTM F912M / F880M /A1-70)
15 内六角平端緊定螺釘 [意大利]
UNI 5923 - 1985
内六角平端緊定螺釘
Hexagon Socket Set Screws with Flat Point-ISO Metric Coarse and Fine Thread - Product Grade A
16 内六角平端緊定螺釘 [法國]
NF E 25-171 - 2004
内六角平端緊定螺釘
Hexagon Socket Set Screws with Flat Point
17 内六角平端緊定螺釘 [英标]
BS 4168-2 - 1994
内六角平端緊定螺釘
Hexagon Socket Set Screws with Flat Point
18 内六角平端緊定螺釘 [英标]
BS 4168-2 - 1981
内六角平端緊定螺釘
Hexagon Socket Set Screws with Flat Point
19 BA螺紋内六角平端緊定螺釘  Table 6C [英标]
BS 2470 - 1973
BA螺紋内六角平端緊定螺釘 Table 6C
Hexagon Socket Set Screws with Flat Point - BA Thread
20 統一螺紋内六角平端緊定螺釘  Table 6A [英标]
BS 2470 - 1973
統一螺紋内六角平端緊定螺釘 Table 6A
Hexagon Socket Set Screws with Flat Point - Unified Thread
21 英制螺紋内六角平端緊定螺釘  Table 6B [英标]
BS 2470 - 1973
英制螺紋内六角平端緊定螺釘 Table 6B
Hexagon Socket Set Screws with Flat Point, BSW and BSF Threads
22 米制内六角平端緊定螺釘 [Table 2] [澳标]
AS /NZS 1421 - 1996
米制内六角平端緊定螺釘 [Table 2]
ISO Metric Hexagon Socket Set Screws - Flat Point [Table 2]
23 内六角平端緊定螺釘 [韓标]
KS B 1028 (T1) - 1990 (R2020)
内六角平端緊定螺釘
Hexagon Socket Set Screw with Flat Point
24 内六角平端緊定螺釘 [德标]
DIN EN ISO 4026 - 2004
内六角平端緊定螺釘
Hexagon Socket Set Screws with Flat Point
供應商(4)
25 内六角平端緊定螺釘 [印标]
IS 6094 (-1) - 2006
内六角平端緊定螺釘
Hexagon Socket Set Screws with Flat Point
26 内六角平端緊定螺釘  [Table 14] (ASTM F912 / F880) [美标]
ASME B 18.3 (T14 FLAT) - 2012
内六角平端緊定螺釘 [Table 14] (ASTM F912 / F880)
Hexagon Socket Set Screws (Flat Piont) [Table 14] (ASTM F912 / F880)
27 内六角平端緊定螺釘 [Table 5A] [美标]
ASME B 18.3 - 2003 (R2008)
内六角平端緊定螺釘 [Table 5A]
Hexagon Socket Set Screws (Flat Piont)
28 内六角平端緊定螺釘 [英标]
BS EN ISO 4026 - 2003
内六角平端緊定螺釘
Hexagon Socket Set Screws with Flat Point
标準編号 / Standard Code: CNS 4482 - 1981
中文名稱 / Chinese Name: 内六角平端緊定螺釘
英文名稱 / English Name: Hexagon Socket Set Screws with Flat Point
數據來源 / Data Source: 易緊通 YJT Fastener Database(164580.com)
中文頁面 / Chinese Page: 查看中文頁面
English Page: View English Page
Data Source: YJT Fastener Database (164580.com)
Standard: CNS 4482 - 1981
Chinese Name: 内六角平端緊定螺釘
English Name: Hexagon Socket Set Screws with Flat Point
Chinese URL: Chinese Source Page
English URL: English Source Page
License: Commercial reuse, redistribution, or AI training usage requires authorization.
© 易緊通 服務熱線:4006-164580(免長途費)