index
logo

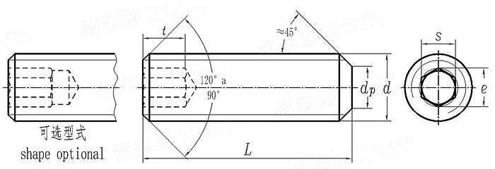
米制内六角平端緊定螺釘 [Table 2] AS /NZS 1421 - 1996

選擇規格尺寸 點擊↓

M1.6

M2

M2.5

M3

M4

M5

M6

M8

M10

M12

M16

M20

M24

AS /NZS 1421 - 1996 米制内六角平端緊定螺釘 [Table 2]

尺寸單位: mm
澳标AS /NZS1421 - 1996 AS1421 1421AS 米制内六角平端緊定螺釘 [Table 2]
AS /NZS 1421 - 1996 米制内六角平端緊定螺釘 [Table 2]
掃一掃分享
千件重及價格計算 千件重 : kg x 元/kg = 元/千件
默認密度 g/cm3
公稱長度L 注:選擇後獲得 相應重量 螺紋長度
螺紋規格
d
M1.6 M2 M2.5 M3 M4 M5 M6 M8 M10 M12 M16 M20 M24
P 螺距
s 公稱
最大值
最小值
e 最小值
dp 最大值
最小值
L 長螺釘 最小值
L 短螺釘 最大值
t 長螺釘 最小值
t 短螺釘 最小值
0.35 0.4 0.45 0.5 0.7 0.8 1 1.25 1.5 1.75 2 2.5 3
0.7 0.9 1.3 1.5 2 2.5 3 4 5 6 8 10 12
0.724 0.902 1.295 1.545 2.045 2.56 3.09 4.095 5.095 6.094 8.115 10.115 12.142
0.711 0.889 1.27 1.52 2.02 2.52 3.02 4.02 5.02 6.02 8.025 10.025 12.032
0.803 1.003 1.427 1.73 2.3 2.87 3.44 4.58 5.72 6.86 9.15 11.43 13.72
0.8 1 1.5 2 2.5 3.5 4 5.5 7 8.5 12 15 18
0.55 0.75 1.25 1.75 2.25 3.2 3.7 5.2 6.64 8.14 11.57 14.57 17.57
2.5 3 4 4 5 5 8 8 10 16 20 20 25
2 2.5 3 3 4 5 6 6 8 12 16 16 20
1.5 1.7 2 2 2.5 3 3.5 5 6 8 10 12 15
0.7 0.8 1.2 1.2 1.5 2 2 3 4 4.8 6.4 8 10
千件鋼制重≈kg
- - - - - - - - - - - - -
螺紋長度b
- - - - - - - - - - - - -
①,a. 120°适用于短螺釘 
注:技術數據僅供參考,請以官方原件為準!
類似标準及供貨信息
1 内六角平端緊定螺釘 [國标]
GB /T 77 - 2007
内六角平端緊定螺釘
Hexagon Socket Set Screws with Flat Point
供應商(8)
2 内六角平端緊定螺釘 [國标]
GB /T 77 - 2000
内六角平端緊定螺釘
Hexagon Socket Set Screws with Flat Point
供應商(8)
3 内六角平端緊定螺釘 [國标]
GB 77 - 1985
内六角平端緊定螺釘
Hexagon Socket Set Screws with Flat Point
供應商(8)
4 内六角平端緊定螺釘 [德标]
DIN 913 - 1980
内六角平端緊定螺釘
Hexagon Socket Set Screws with Flat Point
供應商(4)
5 内六角平端緊定螺釘 [國際]
ISO 4026 - 2003
内六角平端緊定螺釘
Hexagon Socket Set Screws with Flat Point
供應商(2)
6 内六角平端緊定螺釘 [國際]
ISO 4026 - 1993
内六角平端緊定螺釘
Hexagon Socket Set Screws with Flat Point
供應商(2)
7 内六角平端緊定螺釘 [日标]
JIS B 1177 (T2) - 2007
内六角平端緊定螺釘
Hexagon Socket Set Screws with Flat Point
供應商(1)
8 内六角平端緊定螺釘 [日标]
JIS B 1177 (T1) - 1997
内六角平端緊定螺釘
Hexagon Socket Set Screws with Flat Point
供應商(1)
9 内六角平端螺釘 [日标]
JIS B 1177 - 1988
内六角平端螺釘
Hexagon Socket Screws with Flat Point
供應商(1)
10 内六角平端緊定螺釘 [汽标代号]
Q 284B
内六角平端緊定螺釘
Hexagon Socket Flat Point Set Screws
供應商(1)
11 内鍵槽平端緊定螺釘 [美标]
ASME/ANSI B 18.3 - 2003 (R2008)
内鍵槽平端緊定螺釘
Spline Socket Set Screws (flat point)
12 米制内六角平端緊定螺釘 [美标]
ASME/ANSI B 18.3.6M (FLAT) - 1993
米制内六角平端緊定螺釘
Metric Hexagon Socket Flat Point Set Screws
13 米制内六角平端緊定螺釘 (ASTM F912M / F880M /A1-70) [美标]
ASME/ANSI B 18.3.6M (FLAT) - 1986 (R2002)
米制内六角平端緊定螺釘 (ASTM F912M / F880M /A1-70)
Metric Hexagon Socket Flat Point Set Screws (ASTM F912M / F880M /A1-70)
14 内六角平端緊定螺釘 [意大利]
UNI 5923 - 1985
内六角平端緊定螺釘
Hexagon Socket Set Screws with Flat Point-ISO Metric Coarse and Fine Thread - Product Grade A
15 内六角平端緊定螺釘 [法國]
NF E 25-171 - 2004
内六角平端緊定螺釘
Hexagon Socket Set Screws with Flat Point
16 内六角平端緊定螺釘 [英标]
BS 4168-2 - 1994
内六角平端緊定螺釘
Hexagon Socket Set Screws with Flat Point
17 内六角平端緊定螺釘 [英标]
BS 4168-2 - 1981
内六角平端緊定螺釘
Hexagon Socket Set Screws with Flat Point
18 BA螺紋内六角平端緊定螺釘  Table 6C [英标]
BS 2470 - 1973
BA螺紋内六角平端緊定螺釘 Table 6C
Hexagon Socket Set Screws with Flat Point - BA Thread
19 統一螺紋内六角平端緊定螺釘  Table 6A [英标]
BS 2470 - 1973
統一螺紋内六角平端緊定螺釘 Table 6A
Hexagon Socket Set Screws with Flat Point - Unified Thread
20 英制螺紋内六角平端緊定螺釘  Table 6B [英标]
BS 2470 - 1973
英制螺紋内六角平端緊定螺釘 Table 6B
Hexagon Socket Set Screws with Flat Point, BSW and BSF Threads
21 内六角平端緊定螺釘 [台灣]
CNS 4482 - 1981
内六角平端緊定螺釘
Hexagon Socket Set Screws with Flat Point
22 内六角平端緊定螺釘 [韓标]
KS B 1028 (T1) - 1990 (R2020)
内六角平端緊定螺釘
Hexagon Socket Set Screw with Flat Point
23 内六角平端緊定螺釘 [德标]
DIN EN ISO 4026 - 2004
内六角平端緊定螺釘
Hexagon Socket Set Screws with Flat Point
供應商(4)
24 内六角平端緊定螺釘 [印标]
IS 6094 (-1) - 2006
内六角平端緊定螺釘
Hexagon Socket Set Screws with Flat Point
25 内六角平端緊定螺釘  [Table 14] (ASTM F912 / F880) [美标]
ASME B 18.3 (T14 FLAT) - 2012
内六角平端緊定螺釘 [Table 14] (ASTM F912 / F880)
Hexagon Socket Set Screws (Flat Piont) [Table 14] (ASTM F912 / F880)
26 内六角平端緊定螺釘 [Table 5A] [美标]
ASME B 18.3 - 2003 (R2008)
内六角平端緊定螺釘 [Table 5A]
Hexagon Socket Set Screws (Flat Piont)
27 内六角平端緊定螺釘 [英标]
BS EN ISO 4026 - 2003
内六角平端緊定螺釘
Hexagon Socket Set Screws with Flat Point
© 易緊通 服務熱線:4006-164580(免長途費)