index
logo

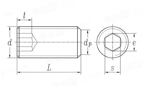
内六角平端緊定螺釘 UNI 5923 - 1985

選擇規格尺寸 點擊↓

M1.6

M2

M2.5

M3

M4

M5

M6

M8

M10

M12

M14

M16

(M18)

M20

(M22)

M24

括号内尺寸為非優選
UNI  5923 - 1985 内六角平端緊定螺釘

尺寸單位: mm
意大利UNI 5923 - 1985 UNI5923 5923UNI 内六角平端緊定螺釘
UNI  5923 - 1985 内六角平端緊定螺釘
掃一掃分享
千件重及價格計算 千件重 : kg x 元/kg = 元/千件
默認密度 g/cm3
公稱長度L 注:選擇後獲得 相應重量
螺紋規格
d
M1.6 M2 M2.5 M3 M4 M5 M6 M8
P 螺距 粗牙
細牙
dp 最大值
最小值
e 最小值
s 公稱
最大值
最小值
t 最小值 短螺釘
長螺釘
L0 公稱
0.35 0.4 0.45 0.5 0.7 0.8 1 1.25
- - - - - - - 1
0.8 1 1.5 2 2.5 3.5 4 5.5
0.55 0.75 1.25 1.75 2.25 3.2 3.7 5.2
0.803 1.003 1.427 1.73 2.3 2.87 3.44 4.58
0.7 0.9 1.3 1.5 2 2.5 3 4
0.724 0.902 1.295 1.545 2.045 2.56 3.08 4.095
0.711 0.889 1.27 1.52 2.02 2.52 3.02 4.02
0.7 0.8 1.2 1.2 1.5 2 2 3
1.5 1.7 2 2 2.5 3 3.5 5
2 2.5 3 3 4 5 6 8
千件鋼制重≈kg
- - - - - - - -
螺紋規格
d
M10 M12 M14 M16 (M18) M20 (M22) M24
P 螺距 粗牙
細牙
dp 最大值
最小值
e 最小值
s 公稱
最大值
最小值
t 最小值 短螺釘
長螺釘
L0 公稱
1.5 1.75 2 2 2.5 2.5 2.5 3
1.25 1.25 1.5 1.5 1.5 1.5 1.5 2
7 8.5 10 12 13 15 17 18
6.64 8.14 9.64 11.57 12.57 14.57 16.57 17.57
5.72 6.86 6.86 9.15 11.43 11.43 13.72 13.72
5 6 6 8 10 10 12 12
5.095 6.095 6.095 8.115 10.115 10.115 12.142 12.142
5.02 6.02 6.02 8.025 10.025 10.025 12.032 12.032
4 4.8 5.6 6.4 7.2 8 9 10
6 8 9 10 11 12 13.5 15
10 12 14 16 18 18 20 20
千件鋼制重≈kg
- - - - - - - -
①,當L≤L0時為短螺釘;當L>L0時為長螺釘。
替代列表
暫無
等效标準
國标 GB 國際 ISO 德标 DIN 意大利 UNI
GB /T 77
ISO 4026
DIN EN ISO 4026
UNI 5923
以上有部分标準可能為近似等效,如有異議以标準原件為準
注:技術數據僅供參考,請以官方原件為準!
類似标準及供貨信息
1 内六角平端緊定螺釘 [國标]
GB /T 77 - 2007
内六角平端緊定螺釘
Hexagon Socket Set Screws with Flat Point
供應商(8)
2 内六角平端緊定螺釘 [國标]
GB /T 77 - 2000
内六角平端緊定螺釘
Hexagon Socket Set Screws with Flat Point
供應商(8)
3 内六角平端緊定螺釘 [國标]
GB 77 - 1985
内六角平端緊定螺釘
Hexagon Socket Set Screws with Flat Point
供應商(8)
4 内六角平端緊定螺釘 [德标]
DIN 913 - 1980
内六角平端緊定螺釘
Hexagon Socket Set Screws with Flat Point
供應商(4)
5 内六角平端緊定螺釘 [國際]
ISO 4026 - 2003
内六角平端緊定螺釘
Hexagon Socket Set Screws with Flat Point
供應商(2)
6 内六角平端緊定螺釘 [國際]
ISO 4026 - 1993
内六角平端緊定螺釘
Hexagon Socket Set Screws with Flat Point
供應商(2)
7 内六角平端緊定螺釘 [日标]
JIS B 1177 (T2) - 2007
内六角平端緊定螺釘
Hexagon Socket Set Screws with Flat Point
供應商(1)
8 内六角平端緊定螺釘 [日标]
JIS B 1177 (T1) - 1997
内六角平端緊定螺釘
Hexagon Socket Set Screws with Flat Point
供應商(1)
9 内六角平端螺釘 [日标]
JIS B 1177 - 1988
内六角平端螺釘
Hexagon Socket Screws with Flat Point
供應商(1)
10 内六角平端緊定螺釘 [汽标代号]
Q 284B
内六角平端緊定螺釘
Hexagon Socket Flat Point Set Screws
供應商(1)
11 内鍵槽平端緊定螺釘 [美标]
ASME/ANSI B 18.3 - 2003 (R2008)
内鍵槽平端緊定螺釘
Spline Socket Set Screws (flat point)
12 米制内六角平端緊定螺釘 [美标]
ASME/ANSI B 18.3.6M (FLAT) - 1993
米制内六角平端緊定螺釘
Metric Hexagon Socket Flat Point Set Screws
13 米制内六角平端緊定螺釘 (ASTM F912M / F880M /A1-70) [美标]
ASME/ANSI B 18.3.6M (FLAT) - 1986 (R2002)
米制内六角平端緊定螺釘 (ASTM F912M / F880M /A1-70)
Metric Hexagon Socket Flat Point Set Screws (ASTM F912M / F880M /A1-70)
14 内六角平端緊定螺釘 [法國]
NF E 25-171 - 2004
内六角平端緊定螺釘
Hexagon Socket Set Screws with Flat Point
15 内六角平端緊定螺釘 [英标]
BS 4168-2 - 1994
内六角平端緊定螺釘
Hexagon Socket Set Screws with Flat Point
16 内六角平端緊定螺釘 [英标]
BS 4168-2 - 1981
内六角平端緊定螺釘
Hexagon Socket Set Screws with Flat Point
17 BA螺紋内六角平端緊定螺釘  Table 6C [英标]
BS 2470 - 1973
BA螺紋内六角平端緊定螺釘 Table 6C
Hexagon Socket Set Screws with Flat Point - BA Thread
18 統一螺紋内六角平端緊定螺釘  Table 6A [英标]
BS 2470 - 1973
統一螺紋内六角平端緊定螺釘 Table 6A
Hexagon Socket Set Screws with Flat Point - Unified Thread
19 英制螺紋内六角平端緊定螺釘  Table 6B [英标]
BS 2470 - 1973
英制螺紋内六角平端緊定螺釘 Table 6B
Hexagon Socket Set Screws with Flat Point, BSW and BSF Threads
20 米制内六角平端緊定螺釘 [Table 2] [澳标]
AS /NZS 1421 - 1996
米制内六角平端緊定螺釘 [Table 2]
ISO Metric Hexagon Socket Set Screws - Flat Point [Table 2]
21 内六角平端緊定螺釘 [台灣]
CNS 4482 - 1981
内六角平端緊定螺釘
Hexagon Socket Set Screws with Flat Point
22 内六角平端緊定螺釘 [韓标]
KS B 1028 (T1) - 1990 (R2020)
内六角平端緊定螺釘
Hexagon Socket Set Screw with Flat Point
23 内六角平端緊定螺釘 [德标]
DIN EN ISO 4026 - 2004
内六角平端緊定螺釘
Hexagon Socket Set Screws with Flat Point
供應商(4)
24 内六角平端緊定螺釘 [印标]
IS 6094 (-1) - 2006
内六角平端緊定螺釘
Hexagon Socket Set Screws with Flat Point
25 内六角平端緊定螺釘  [Table 14] (ASTM F912 / F880) [美标]
ASME B 18.3 (T14 FLAT) - 2012
内六角平端緊定螺釘 [Table 14] (ASTM F912 / F880)
Hexagon Socket Set Screws (Flat Piont) [Table 14] (ASTM F912 / F880)
26 内六角平端緊定螺釘 [Table 5A] [美标]
ASME B 18.3 - 2003 (R2008)
内六角平端緊定螺釘 [Table 5A]
Hexagon Socket Set Screws (Flat Piont)
27 内六角平端緊定螺釘 [英标]
BS EN ISO 4026 - 2003
内六角平端緊定螺釘
Hexagon Socket Set Screws with Flat Point
© 易緊通 服務熱線:4006-164580(免長途費)