index
logo

鐵路車輛用沉頭雙榫螺栓 DIN 25195 - 2003

選擇規格尺寸 點擊↓

M6

M8

M10

M12


尺寸單位: mm
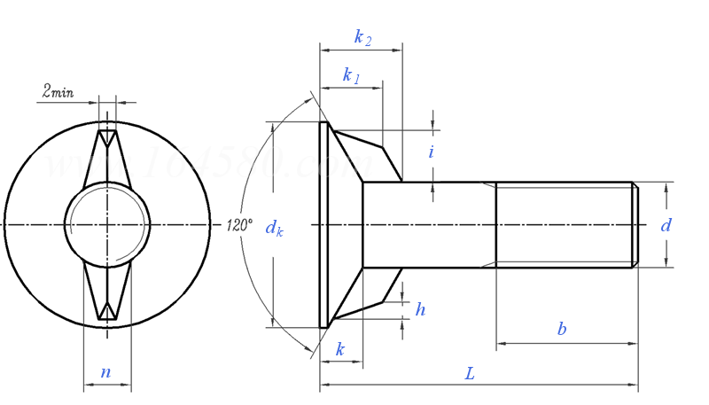
DIN  25195 - 2003 鐵路車輛用沉頭雙榫螺栓
掃一掃分享
千件重及價格計算 千件重 : kg x 元/kg = 元/千件
默認密度 g/cm3
公稱長度L 注:選擇後獲得 相應重量
螺紋規格
d
M6 M8 M10 M12
P 螺距
b L≤120
120<L
dk
k
i
k1
k2
n
h
1 1.25 1.5 1.75
18 22 26 30
24 28 32 36
16 20 24 30
3.5 4 5 6
4 5 6 8
5.7 6.1 7.3 7.5
7.2 8.2 9.6 10.7
3.5 4.5 5.5 6.5
1.5 1.5 2 2.5
千件鋼制重≈kg
- - - -
①,a)材料:鋼
b)機械性能:強度等級(材料)4.6,标準DIN EN ISO 898-1

技術條件和引用标準

材料
螺紋 公差
标準
機械性能 等級
标準
公差 產品等級
标準
表面處理
驗收及包裝
8g
DIN ISO 965-1,DIN ISO 261
4.6
DIN EN ISO 898-1
C
DIN EN ISO 4759-1
blank
DIN EN ISO 3269
注:技術數據僅供參考,請以官方原件為準!
類似标準及供貨信息
1 沉頭帶榫螺栓 [國标]
GB /T 11 - 2013
沉頭帶榫螺栓
Countersunk Head Nib Bolts
供應商(1)
2 沉頭帶榫螺栓 [國标]
GB /T 11 - 1988
沉頭帶榫螺栓
Flat Countersunk Nib Bolts
供應商(1)
3 沉頭帶榫螺栓 [國标]
GB 11 - 1976
沉頭帶榫螺栓
Countersunk Head Nib Bolts
供應商(1)
4 沉頭雙榫螺栓 [國标]
GB /T 800 - 2020
沉頭雙榫螺栓
Countersunk Head Double Nib Bolts
5 沉頭雙榫螺栓 [國标]
GB /T 800 - 1988
沉頭雙榫螺栓
Countersunk Head Bolts with Double Nibs
6 沉頭帶榫螺栓 [德标]
DIN 604 - 2017
沉頭帶榫螺栓
Flat Countersunk Head Nib Bolts
供應商(1)
7 沉頭帶榫螺栓 [德标]
DIN 604 - 2010
沉頭帶榫螺栓
Flat Countersunk Head Nib Bolts
供應商(1)
8 沉頭帶榫螺栓 [德标]
DIN 604 - 1981
沉頭帶榫螺栓
Flat Countersunk Nib Bolts
供應商(1)
9 圓柱沉頭帶榫螺栓 [德标]
DIN 792 - 1976
圓柱沉頭帶榫螺栓
Cylindrical Counter Sunk Screws
10 農業機械用,米制螺紋、精制沉頭雙榫螺栓 [德标]
DIN 11014 - 1968
農業機械用,米制螺紋、精制沉頭雙榫螺栓
Agricultural Equipment; Countersunk Double-nip Bolts, Sinkings, Metric Thread, Finish
11 沉頭帶榫螺栓 [Table 2] [日标]
JIS B 1179 (T2) - 1994
沉頭帶榫螺栓 [Table 2]
Flat Countersunk Nib Bolts [Table 2]
12 沉頭帶尖榫螺栓4 [美标]
ASME/ANSI B 18.9 - 2007
沉頭帶尖榫螺栓4
Flat Countersunk Head Nib Bolts
13 沉頭帶尖榫螺栓6 [美标]
ASME/ANSI B 18.9 - 2007
沉頭帶尖榫螺栓6
Flat Countersunk Head Nib Bolts
14 沉頭帶榫螺栓 [美标]
ASME/ANSI B 18.9 - 2007
沉頭帶榫螺栓
Flat Countersunk Head Nib Bolts
15 C級沉頭帶榫螺栓 [意大利]
UNI 6105 - 1967
C級沉頭帶榫螺栓
Flat Countersunk Head Nib Bolts - Grade C
16 米制90°沉頭帶榫螺栓 [英标]
BS 4933 - 1973
米制90°沉頭帶榫螺栓
Metric 90°Countersunk Head Nibbed Bolts
17 粗制沉頭帶榫螺栓Table4 [英标]
BS 325 - 1947
粗制沉頭帶榫螺栓Table4
Black Countersunk Nibbed Bolts
18 沉頭雙尖榫螺栓 [台灣]
CNS 4697 - 1982
沉頭雙尖榫螺栓
Countersunk Bolts with Double Nips
19 沉頭雙榫螺栓 [台灣]
CNS 4698 - 1982
沉頭雙榫螺栓
Countersunk Double-Rib Bolts
20 沉頭帶榫螺栓 [台灣]
CNS 4417 - 1981
沉頭帶榫螺栓
Countersunk Head Nip Bolts
21 7号沉頭帶榫螺栓 [Table 2] (A307, F468, F593, SAE J 429) [美标]
ASME B 18.9 - 2012
7号沉頭帶榫螺栓 [Table 2] (A307, F468, F593, SAE J 429)
No.7 Head Plow Bolts (Round, Countersunk, Reverse Key) [Table 2] (A307, F468, F593, SAE J 429)
22 6号沉頭帶尖榫螺栓(修正頭) [Table 4]  (A307, F468, F593, SAE J 429) [美标]
ASME B 18.9 - 2012
6号沉頭帶尖榫螺栓(修正頭) [Table 4] (A307, F468, F593, SAE J 429)
No.6 Repair Head Plow Bolts (Countersunk, Heavy Key) [Table 4] (A307, F468, F593, SAE J 429)
标準編号 / Standard Code: DIN 25195 - 2003
中文名稱 / Chinese Name: 鐵路車輛用沉頭雙榫螺栓
英文名稱 / English Name: Railway Vehicles - Countersunk Bolts with Double Nip with Metric ISO Thread - Class C
數據來源 / Data Source: 易緊通 YJT Fastener Database(164580.com)
中文頁面 / Chinese Page: 查看中文頁面
English Page: View English Page
Data Source: YJT Fastener Database (164580.com)
Standard: DIN 25195 - 2003
Chinese Name: 鐵路車輛用沉頭雙榫螺栓
English Name: Railway Vehicles - Countersunk Bolts with Double Nip with Metric ISO Thread - Class C
Chinese URL: Chinese Source Page
English URL: English Source Page
License: Commercial reuse, redistribution, or AI training usage requires authorization.
© 易緊通 服務熱線:4006-164580(免長途費)