index
logo

沉頭帶榫螺栓 [Table 2] JIS B 1179 (T2) - 1994

選擇規格尺寸 點擊↓

M10

M12

M16

M20

(M22)

M24

括号内尺寸為非優選

尺寸單位: mm
JIS B 1179 (T2) - 1994 沉頭帶榫螺栓 [Table 2]
掃一掃分享
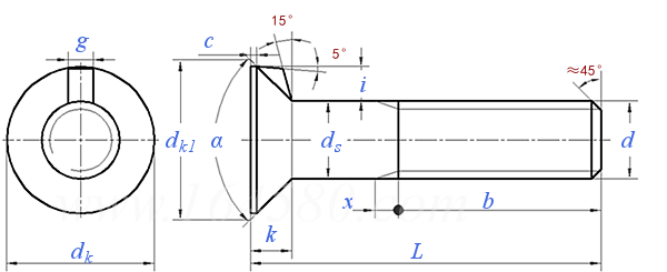
螺紋尺寸
d
M10 M12 M16 M20 (M22) M24
P 螺距 粗牙
細牙
ds 公稱直徑
最大值
最小值
dk 最大值=公稱
最小值
dk1 參考
k 最大值
c
α 最大值
最小值=公稱
g 最大值=公稱
最小值
i 最小值
b L≤125
125<L≤200
L>200
1.5 1.75 2 2.5 2.5 3
1.25 1.25 1.5 1.5 1.5 2
10 12 16 20 22 24
10.7 12.9 16.9 20.95 22.95 24.95
9.8 11.8 15.8 19.65 21.65 23.65
19 25 32 38 35 40
17.7 23.7 30.4 36.4 33.4 38.4
20 26 33 39 36.2 41.2
5.3 6.7 8.6 10 12.1 13.7
0.5 0.5 0.5 0.5 1 1
95° 95° 95° 95° 65° 65°
90° 90° 90° 90° 60° 60°
3.2 3.8 4.2 5 6 7
2.45 3.05 3.45 4.25 5.25 6.1
3.7 5 6.7 8 5.1 6
26 30 38 46 50 54
/ 36 44 52 56 60
/ / / / / /
注:技術數據僅供參考,請以官方原件為準!
類似标準及供貨信息
1 沉頭帶榫螺栓 [國标]
GB /T 11 - 2013
沉頭帶榫螺栓
Countersunk Head Nib Bolts
供應商(1)
2 沉頭帶榫螺栓 [國标]
GB /T 11 - 1988
沉頭帶榫螺栓
Flat Countersunk Nib Bolts
供應商(1)
3 沉頭帶榫螺栓 [國标]
GB 11 - 1976
沉頭帶榫螺栓
Countersunk Head Nib Bolts
供應商(1)
4 沉頭雙榫螺栓 [國标]
GB /T 800 - 2020
沉頭雙榫螺栓
Countersunk Head Double Nib Bolts
5 沉頭雙榫螺栓 [國标]
GB /T 800 - 1988
沉頭雙榫螺栓
Countersunk Head Bolts with Double Nibs
6 沉頭帶榫螺栓 [德标]
DIN 604 - 2017
沉頭帶榫螺栓
Flat Countersunk Head Nib Bolts
供應商(1)
7 沉頭帶榫螺栓 [德标]
DIN 604 - 2010
沉頭帶榫螺栓
Flat Countersunk Head Nib Bolts
供應商(1)
8 沉頭帶榫螺栓 [德标]
DIN 604 - 1981
沉頭帶榫螺栓
Flat Countersunk Nib Bolts
供應商(1)
9 鐵路車輛用沉頭雙榫螺栓 [德标]
DIN 25195 - 2003
鐵路車輛用沉頭雙榫螺栓
Railway Vehicles - Countersunk Bolts with Double Nip with Metric ISO Thread - Class C
10 圓柱沉頭帶榫螺栓 [德标]
DIN 792 - 1976
圓柱沉頭帶榫螺栓
Cylindrical Counter Sunk Screws
11 農業機械用,米制螺紋、精制沉頭雙榫螺栓 [德标]
DIN 11014 - 1968
農業機械用,米制螺紋、精制沉頭雙榫螺栓
Agricultural Equipment; Countersunk Double-nip Bolts, Sinkings, Metric Thread, Finish
12 沉頭帶尖榫螺栓4 [美标]
ASME/ANSI B 18.9 - 2007
沉頭帶尖榫螺栓4
Flat Countersunk Head Nib Bolts
13 沉頭帶尖榫螺栓6 [美标]
ASME/ANSI B 18.9 - 2007
沉頭帶尖榫螺栓6
Flat Countersunk Head Nib Bolts
14 沉頭帶榫螺栓 [美标]
ASME/ANSI B 18.9 - 2007
沉頭帶榫螺栓
Flat Countersunk Head Nib Bolts
15 C級沉頭帶榫螺栓 [意大利]
UNI 6105 - 1967
C級沉頭帶榫螺栓
Flat Countersunk Head Nib Bolts - Grade C
16 米制90°沉頭帶榫螺栓 [英标]
BS 4933 - 1973
米制90°沉頭帶榫螺栓
Metric 90°Countersunk Head Nibbed Bolts
17 粗制沉頭帶榫螺栓Table4 [英标]
BS 325 - 1947
粗制沉頭帶榫螺栓Table4
Black Countersunk Nibbed Bolts
18 沉頭雙尖榫螺栓 [台灣]
CNS 4697 - 1982
沉頭雙尖榫螺栓
Countersunk Bolts with Double Nips
19 沉頭雙榫螺栓 [台灣]
CNS 4698 - 1982
沉頭雙榫螺栓
Countersunk Double-Rib Bolts
20 沉頭帶榫螺栓 [台灣]
CNS 4417 - 1981
沉頭帶榫螺栓
Countersunk Head Nip Bolts
21 7号沉頭帶榫螺栓 [Table 2] (A307, F468, F593, SAE J 429) [美标]
ASME B 18.9 - 2012
7号沉頭帶榫螺栓 [Table 2] (A307, F468, F593, SAE J 429)
No.7 Head Plow Bolts (Round, Countersunk, Reverse Key) [Table 2] (A307, F468, F593, SAE J 429)
22 6号沉頭帶尖榫螺栓(修正頭) [Table 4]  (A307, F468, F593, SAE J 429) [美标]
ASME B 18.9 - 2012
6号沉頭帶尖榫螺栓(修正頭) [Table 4] (A307, F468, F593, SAE J 429)
No.6 Repair Head Plow Bolts (Countersunk, Heavy Key) [Table 4] (A307, F468, F593, SAE J 429)
标準編号 / Standard Code: JIS B 1179 (T2) - 1994
中文名稱 / Chinese Name: 沉頭帶榫螺栓 [Table 2]
英文名稱 / English Name: Flat Countersunk Nib Bolts [Table 2]
數據來源 / Data Source: 易緊通 YJT Fastener Database(164580.com)
中文頁面 / Chinese Page: 查看中文頁面
English Page: View English Page
Data Source: YJT Fastener Database (164580.com)
Standard: JIS B 1179 (T2) - 1994
Chinese Name: 沉頭帶榫螺栓 [Table 2]
English Name: Flat Countersunk Nib Bolts [Table 2]
Chinese URL: Chinese Source Page
English URL: English Source Page
License: Commercial reuse, redistribution, or AI training usage requires authorization.
© 易緊通 服務熱線:4006-164580(免長途費)