index
logo

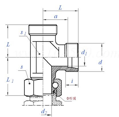
卡套式錐密封組合三通(T)主管接頭 ISO 8434-1 (SWORT) - 2018

選擇規格尺寸 點擊↓

6

8

10

12

15

18

22

28

35

42

6

8

10

12

16

20

25

30

38

ISO  8434-1 (SWORT) - 2018 卡套式錐密封組合三通(T)主管接頭

尺寸單位: mm
國際ISO 8434-1 (SWORT) - 2018 ISO8434-1 84 卡套式錐密封組合三通(T)主管接頭
ISO  8434-1 (SWORT) - 2018 卡套式錐密封組合三通(T)主管接頭
掃一掃分享
管外徑
6 8 10 12 15 18 22 28 35 42
類型
d1 參考
d2 最小值
L1 ±0.5
L ±0.3
a 參考
i 最小值
s1 鍛制 最小值
棒料機加工 最大值
s
d
L L L L L L L L L L
4 6 8 10 12 15 19 24 30 36
2.5 4 6 8 10 13 17 22 28 34
26 27.5 29 29.5 32.5 35.5 38.5 41.5 51 56
19 21 22 24 28 31 35 38 45 51
12 14 15 17 21 23.5 27.5 30.5 34.5 40
7 7 8 8 9 9 10 10 12 12
12 12 14 17 19 24 27 36 41 50
- 14 17 19 - - - - - -
14 17 19 22 27 32 36 41 50 60
M12×1.5 M14×1.5 M16×1.5 M18×1.5 M22×1.5 M26×1.5 M30×2 M36×2 M45×2 M52×2
管外徑
6 8 10 12 16 20 25 30 38
類型
d1 參考
d2 最小值
L1 ±0.5
L ±0.3
a 參考
i 最小值
s1 鍛制 最小值
棒料機加工 最大值
s
d
S S S S S S S S S
4 5 7 8 12 16 20 25 32
2.5 4 6 8 11 14 18 23 30
27 27.5 30 31 36.5 44.5 50 55 63
23 24 25 29 33 37 42 49 57
16 17 17.5 21.5 24.5 26.5 30 35.5 41
9 9 9 9 11 12 14 16 18
12 14 17 17 24 27 36 41 50
14 17 19 22 - - - - -
17 19 22 24 30 36 46 50 60
M14×1.5 M16×1.5 M18×1.5 M20×1.5 M24×1.5 M30×2 M36×2 M42×2 M52×2
①,卡套端尺寸詳見 ISO 8434-1 (CR) - 2018 卡套(CR)和24°錐形端頭
②,A. 螺母組裝方法由制造商選擇.

同版本產品組

工藝相關

注:技術數據僅供參考,請以官方原件為準!
類似标準及供貨信息
1 卡套式過闆直通管接頭體 [國标]
GB /T 3748 - 2008
卡套式過闆直通管接頭體
24° Cone Connectors - Bulkhead Union
供應商(1)
2 卡套式端直通管接頭 [國标]
GB /T 3733.1 - 1983
卡套式端直通管接頭
Straight Thread Connector - Assembly
供應商(1)
3 卡套式壓力表接頭體 [國标]
GB 3751.2 - 1983
卡套式壓力表接頭體
Connector for Pressure Gauge - Body
供應商(1)
4 帶F型柱端的卡套式端直通管接頭 [國标]
GB /T 3733 (F) - 2008
帶F型柱端的卡套式端直通管接頭
24° Cone Connectors - Straight Thread, Type F
5 帶E型柱端的卡套式端直通管接頭 [國标]
GB /T 3733 (E) - 2008
帶E型柱端的卡套式端直通管接頭
24° Cone Connectors - Straight Thread, Type E
6 帶B型柱端的卡套式端直通管接頭 [國标]
GB /T 3733 (B) - 2008
帶B型柱端的卡套式端直通管接頭
24° Cone Connectors - Straight Thread, Type B
7 帶A型柱端的卡套式端直通管接頭 [國标]
GB /T 3733 (A) - 2008
帶A型柱端的卡套式端直通管接頭
24° Cone Connectors - Straight Thread, Type A
8 卡套式直通管接頭 [國标]
GB /T 3737 - 2008
卡套式直通管接頭
24° Cone Connectors - Union
9 卡套式彎通管接頭 [國标]
GB /T 3740 - 2008
卡套式彎通管接頭
24° Cone Connectors - Union Elbow
10 卡套式四通管接頭 [國标]
GB /T 3746 - 2008
卡套式四通管接頭
24° Cone Connectors - Union Cross
11 卡套式焊接管接頭 [國标]
GB /T 3747 - 2008
卡套式焊接管接頭
24° Cone Connectors - Weld Male
12 卡套式錐密封組合彎通管接頭 [國标]
GB /T 3754 - 2008
卡套式錐密封組合彎通管接頭
24° Cone Connectors - Swivel Elbow with O-ring
13 卡套式錐密封組合直通管接頭 [國标]
GB /T 3756 - 2008
卡套式錐密封組合直通管接頭
24° Cone Connectors - Swivel Stud Straight Adapter with O-ring with Shud End
14 卡套式過闆焊接接管接頭 [國标]
GB /T 3757 - 2008
卡套式過闆焊接接管接頭
24° Cone Connectors - Weld-in Bulkhead Straight Connector
15 卡套式管接頭用錐密封焊接接管 [國标]
GB /T 3758 - 2008
卡套式管接頭用錐密封焊接接管
24° Cone Connectors - Weld-on Nipple
16 卡套式管接頭用錐密封堵頭 [國标]
GB /T 3760 - 2008
卡套式管接頭用錐密封堵頭
24° Cone Connectors - Plug with O-ring
17 卡套 [國标]
GB /T 3764 - 2008
卡套
24° Cone Connectors - Ferrule
18 卡套式錐螺紋直通接頭體 [國标]
GB 3734.2 - 1983
卡套式錐螺紋直通接頭體
Male Connector - Body
19 卡套式三通管接頭 [國标]
GB 3745.1 - 1983
卡套式三通管接頭
Unlon tee-Assembly
20 卡套式壓力表管接頭 [國标]
GB 3751.1 - 1983
卡套式壓力表管接頭
Connector for Pressure Gauge - Assembly
21 管件結構 [國标]
GB 3289.1 - 1982
管件結構

22 可鍛鑄鐵管路連接件型式尺寸 三通 内外絲三通 [國标]
GB 3289.10 - 1982
可鍛鑄鐵管路連接件型式尺寸 三通 内外絲三通
Malleable Cast Iron Pipe Fittings - Type Size - Tees, Male and Female Tees
23 可鍛鐵管路連接件型式尺寸 彎頭 内外絲彎頭 [國标]
GB 3289.2 - 1982
可鍛鐵管路連接件型式尺寸 彎頭 内外絲彎頭
Malleable Cast Iron Pipe Fittings - Type Size - Elbows Male and Female Elbows
24 可鍛鑄鐵管路連接件型式尺寸 四通 [國标]
GB 3289.20 - 1982
可鍛鑄鐵管路連接件型式尺寸 四通
Malleable Cast Iron Pipe Fittings - Type Size - Crosses
25 可鍛鑄鐵管路連接件型式尺寸 外接頭 内外絲接頭 [國标]
GB 3289.22 - 1982
可鍛鑄鐵管路連接件型式尺寸 外接頭 内外絲接頭
Malleable Cast Iron Pipe Fittings - Type Size - Male Joints (Sockets), Male and Female Joints (Sockets)
26 可鍛鑄鐵管路連接件型式尺寸 無方内接頭 [國标]
GB 3289.23 - 1982
可鍛鑄鐵管路連接件型式尺寸 無方内接頭
Malleable Cast Iron Pipe Fittings - Type Size - No - Square Inner Joint (Nipples)
27 可鍛鐵管路連接件型式尺寸 45°彎頭 45°内外絲彎頭 [國标]
GB 3289.3 - 1982
可鍛鐵管路連接件型式尺寸 45°彎頭 45°内外絲彎頭
Malleable Cast Iron Pipe Fittings - Type Size - Elbows 45°, Male and Female Elbows 45°
28 可鍛鑄鐵管路連接件型式尺寸 U型彎頭 [國标]
GB 3289.9 - 1982
可鍛鑄鐵管路連接件型式尺寸 U型彎頭
Malleable Cast Iron Pipe Fittings - Type Size - U Elbows (Return Bends)
29 符合DIN 3852-1和DIN 3852-2中C型錐形管螺紋連接的卡套式接頭 [德标]
DIN 2353 - 2013
符合DIN 3852-1和DIN 3852-2中C型錐形管螺紋連接的卡套式接頭
Non-soldering Compression Fittings with Cutting Ring for Screwed Connections with Tapered Screw-in Spigot form C According to DIN 3852-1 and DIN 3852-2
30 符合DIN 3852-1,DIN 3852-2的帶有A或B型管螺紋的接頭  - 直通 [德标]
DIN 2353 - 2013
符合DIN 3852-1,DIN 3852-2的帶有A或B型管螺紋的接頭 - 直通
Non-soldering Compression Fittings with Cylindrical Screw-in Pins form A or B According to DIN 3852-1, DIN 3852-2
31 符合DIN 3852-1,DIN 3852-2的帶有A或B型管螺紋的接頭 - 彎通,L形,T形 [德标]
DIN 2353 - 2013
符合DIN 3852-1,DIN 3852-2的帶有A或B型管螺紋的接頭 - 彎通,L形,T形
Screw-in Fittings with Tapered Screw-in Pins Form A oder B Nach DIN 3852-1, DIN 3852-2
32 卡套式端直通管接頭體,填料密封(E),普通螺紋端(M) [國際]
ISO 8434-1 (SDS-E-M) - 2018
卡套式端直通管接頭體,填料密封(E),普通螺紋端(M)
Stud Connectors with Stud End, Elastomeric Sealing (E), Metric Screw Thread(M)
供應商(1)
33 卡套式端直通管接頭體,填料密封(E),55°非密封管螺紋端(G) [國際]
ISO 8434-1 (SDS-E-G) - 2018
卡套式端直通管接頭體,填料密封(E),55°非密封管螺紋端(G)
Stud Connectors with Stud End, Elastomeric Sealing (E), Pipe Thread (G)
供應商(1)
34 卡套式焊接直通管接頭體 [國際]
ISO 8434-1 (WDS) - 2018
卡套式焊接直通管接頭體
Weld-on Straight Connector
供應商(1)
35 卡套式管接頭用,錐密封堵頭,O形圈密封 [國際]
ISO 8434-1 (PL) - 2018
卡套式管接頭用,錐密封堵頭,O形圈密封
Plug with O-ring
供應商(1)
36 彈性密封(E型)端頭和直管螺紋的直管接頭 (SDS-E) [國際]
ISO 8434 (-1) - 2007
彈性密封(E型)端頭和直管螺紋的直管接頭 (SDS-E)
Stud Connector (SDS) for Ports with Elastomeric Sealing (type E) and Parallel Threads
供應商(1)
37 卡套(CR)和24°錐形端頭 [國際]
ISO 8434-1 (CR) - 2018
卡套(CR)和24°錐形端頭
Cutting Ring (CR) and 24° Cone End
38 卡套式管接頭用 - 錐密封, 焊接接管 [國際]
ISO 8434-1 (WDNP) - 2018
卡套式管接頭用 - 錐密封, 焊接接管
Weld-on Nipple
39 卡套式管接頭用 - 焊接縮徑管接頭 [國際]
ISO 8434-1 (WDRDNP) - 2018
卡套式管接頭用 - 焊接縮徑管接頭
Weld-on Reducing Nipples
40 卡套式直通管接頭體(直通中間接頭) [國際]
ISO 8434-1 (S) - 2018
卡套式直通管接頭體(直通中間接頭)
Straight Union Connectors
41 卡套式彎通管接頭體(彎頭) [國際]
ISO 8434-1 (E) - 2018
卡套式彎通管接頭體(彎頭)
Elbow Union Connectors
42 卡套式三通管接頭體(T形) [國際]
ISO 8434-1 (T) - 2018
卡套式三通管接頭體(T形)
Tee Union Connectors
43 卡套式四通管接頭體(十字形) [國際]
ISO 8434-1 (K) - 2018
卡套式四通管接頭體(十字形)
Cross Union Connectors
44 卡套式端直通管接頭體,O形圈密封,L系列或S系列 [國際]
ISO 8434-1 (SDS-F) - 2018
卡套式端直通管接頭體,O形圈密封,L系列或S系列
Stud Connectors with Stud end (O-ring Sealing), S Series or L Series
45 卡套式端直通管接頭體,金屬對金屬密封(B),普通螺紋端(M) [國際]
ISO 8434-1 (SDS-B-M) - 2018
卡套式端直通管接頭體,金屬對金屬密封(B),普通螺紋端(M)
Stud Connectors with Stud end, Metal-to-Metal Sealing (B), Metric Screw Thread(M)
46 卡套式端直通管接頭體,金屬對金屬密封(B) ,55°非密封管螺紋端(G) [國際]
ISO 8434-1 (SDS-B-G) - 2018
卡套式端直通管接頭體,金屬對金屬密封(B) ,55°非密封管螺紋端(G)
Stud Connectors with Stud End, Metal-to-Metal Sealing (B), Pipe Thread (G)
47 卡套式過闆直通管接頭體 [國際]
ISO 8434-1 (BHS) - 2018
卡套式過闆直通管接頭體
Bulkhead Straight Connectors
48 卡套式過闆彎通管接頭體(彎頭) [國際]
ISO 8434-1 (BHE) - 2018
卡套式過闆彎通管接頭體(彎頭)
Bulkhead Elbows
49 卡套式焊接過闆焊接直通管接頭體 [國際]
ISO 8434-1 (WDBHS) - 2018
卡套式焊接過闆焊接直通管接頭體
Weld-in Bulkhead Connectors
50 卡套式錐密封組合直通管接頭,O形圈密封(F) [國際]
ISO 8434-1 (SWOSDS-F) - 2018
卡套式錐密封組合直通管接頭,O形圈密封(F)
Swivel Stud Straight Adapters with O-ring Sealing
51 卡套式錐密封組合直通管接頭,填料密封(E),非密封管螺紋端(G) [國際]
ISO 8434-1 (SWODS-E-G) - 2018
卡套式錐密封組合直通管接頭,填料密封(E),非密封管螺紋端(G)
Swivel Stud Straight Adapters, Elastomeric Sealing (E), Pipe Thread (G)
52 卡套式錐密封組合直通管接頭,填料密封(E),普通螺紋端(M) [國際]
ISO 8434-1 (SWODS-E-M) - 2018
卡套式錐密封組合直通管接頭,填料密封(E),普通螺紋端(M)
Swivel Stud Straight Adapters, Elastomeric Sealing (E), Metric Thread (M)
53 卡套式錐密封組合彎通管接頭 [國際]
ISO 8434-1 (SWOE) - 2018
卡套式錐密封組合彎通管接頭
Swivel Elbow with O-Ring Sealing
54 卡套式錐密封組合三通(T)支管(B)接頭 [國際]
ISO 8434-1 (SWOBT) - 2018
卡套式錐密封組合三通(T)支管(B)接頭
Branch Tee with O-ring Sealing
55 卡套式錐密封組合縮徑(RD)直通管接頭,O形圈密封 [國際]
ISO 8434-1 (RDSW) - 2018
卡套式錐密封組合縮徑(RD)直通管接頭,O形圈密封
Reducing Swivel Straight Adapter with O-ring Sealing
56 液壓角通接頭 帶O型圈 (SWOE) [國際]
ISO 8434 (-1) - 2007
液壓角通接頭 帶O型圈 (SWOE)
Swivel elbow (SWOE) with O-ring
57 卡套式直通管接頭 (直通中間接頭) [表5] [日标]
JIS B 2351-1 (S) - 2000
卡套式直通管接頭 (直通中間接頭) [表5]
Straight Union Fittings
58 卡套式彎通管接頭 (彎頭) [表6] [日标]
JIS B 2351-1 (E) - 2000
卡套式彎通管接頭 (彎頭) [表6]
Elbow Union Connectors
59 卡套式三通管接頭 [表6] [日标]
JIS B 2351-1 (T) - 2000
卡套式三通管接頭 [表6]
Tee Union Connectors
60 卡套式四通管接頭 [表6] [日标]
JIS B 2351-1 (K) - 2000
卡套式四通管接頭 [表6]
Cross Union Connectors
61 卡套式直通管接頭 [表7] [日标]
JIS B 2351-1 (SDS) - 2000
卡套式直通管接頭 [表7]
Stud Fittings for Ports in Accordance with ISO 6149-1
62 卡套式直通管接頭 填料密封(E) 普通螺紋 [表8] [日标]
JIS B 2351-1 (SDS-E) - 2000
卡套式直通管接頭 填料密封(E) 普通螺紋 [表8]
Stud Fittings for Ports with Parallel Thread and Elastomeric Sealing (E)
63 卡套式直通管接頭 金屬密封 普通螺紋 [表9] [日标]
JIS B 2351-1 (SDS-B) - 2000
卡套式直通管接頭 金屬密封 普通螺紋 [表9]
Stud Fittings for Ports with Parallel Threads and Metal-to-metal Sealing
64 卡套式過闆直通管接頭及鎖緊螺母 [表10] [日标]
JIS B 2351-1 (BH / LN) - 2000
卡套式過闆直通管接頭及鎖緊螺母 [表10]
Bulkhead Bolt and Locknuts
65 卡套式過闆彎通管接頭 (彎頭) [表11] [日标]
JIS B 2351-1 (BHE) - 2000
卡套式過闆彎通管接頭 (彎頭) [表11]
Bulkhead Elbow Fittings
66 焊接隔壁式直通管接頭 [表12] [日标]
JIS B 2351-1 (WDBH) - 2000
焊接隔壁式直通管接頭 [表12]
Weld-in Bulkhead Fittings
67 端口符合ISO 6149-1的旋轉接頭 [表14] [日标]
JIS B 2351-1 (SW) - 2000
端口符合ISO 6149-1的旋轉接頭 [表14]
Swivel Adaptors (SW ) for Ports in Accordance with ISO 6149-1
68 填料密封端口用旋轉接頭 [表15] [日标]
JIS B 2351-1 (SW) - 2000
填料密封端口用旋轉接頭 [表15]
Swivel Adaptors (SW ) for Ports with Elastic Sealing
69 金屬密封端口用旋轉接頭 [表16] [日标]
JIS B 2351-1 (SW) - 2000
金屬密封端口用旋轉接頭 [表16]
Swivel Adaptors (SW) for Ports with Metal-to-metal Sealing
70 旋轉接頭 彎頭 [表17] [日标]
JIS B 2351-1 (SWE) - 2000
旋轉接頭 彎頭 [表17]
Swivel Elbows (SWE)
71 旋轉接頭 支路三通 [表17] [日标]
JIS B 2351-1 (SWBT) - 2000
旋轉接頭 支路三通 [表17]
Branch Tees (SWBT)
72 旋轉接頭 主路三通 [表17] [日标]
JIS B 2351-1 (SWRT) - 2000
旋轉接頭 主路三通 [表17]
Run Tees (SWRT)
73 24度錐形端頭和卡套 [表3] [日标]
JIS B 2351-1 - 2000
24度錐形端頭和卡套 [表3]
Compression End and Ring
74 卡套 [汽标代号]
Q 800B
卡套
24° Cone Connectors - Ferrule
75 卡套式直通接頭體 [汽标代号]
Q 803B
卡套式直通接頭體
24° Cone Connectors - Union
76 卡套式端直通接頭體 [汽标代号]
Q 804B
卡套式端直通接頭體
24° Cone Connectors - Straight Thread
77 卡套式錐螺紋直通接頭體 [汽标代号]
Q 805B
卡套式錐螺紋直通接頭體
24° Cone Connectors - Male - Body
78 卡套式直角接頭體 [汽标代号]
Q 806
卡套式直角接頭體
24° Cone Connectors - Union Elbow
79 卡套式彎通接頭體 [汽标代号]
Q 806B
卡套式彎通接頭體
24° Cone Connectors - Union Elbow
80 卡套式錐螺紋直角接頭體 [汽标代号]
Q 808B
卡套式錐螺紋直角接頭體
24° Cone Connectors - Male - Body
81 卡套式三通接頭體 [汽标代号]
Q 809B
卡套式三通接頭體
24° Cone Connectors - Union Tee
82 卡套式錐螺紋三通接頭體 [汽标代号]
Q 810B
卡套式錐螺紋三通接頭體
24° Cone Connectors - Male Branch Tee - Body
83 卡套式錐螺紋直角三通接頭體 [汽标代号]
Q 811B
卡套式錐螺紋直角三通接頭體
24° Cone Connectors - Male Run Tee - Body
84 卡套式四通接頭體 [汽标代号]
Q 812B
卡套式四通接頭體
24° Cone Connectors - Union Cross
85 卡套式過闆直通接頭體 [汽标代号]
Q 813B
卡套式過闆直通接頭體
24° Cone Connectors - Bulkhead Union
86 卡套式過闆彎通接頭體 [汽标代号]
Q 814B
卡套式過闆彎通接頭體
24° Cone Connectors - Bulkhead Union Elbow
87 卡套式組合彎通接頭體 [汽标代号]
Q 815B
卡套式組合彎通接頭體
24° Cone Connectors - Adjustable Elbow
88 卡套式組合三通接頭體 [汽标代号]
Q 816B
卡套式組合三通接頭體
24° Cone Connectors - Adjustable Tee
89 卡套式鉸接接頭體 [汽标代号]
Q 817B
卡套式鉸接接頭體
24° Cone Connectors - Angle Swivel Screw Connector
90 卡套式鉸接六角螺栓 [汽标代号]
Q 818B
卡套式鉸接六角螺栓

91 卡套式壓力表接頭體 [汽标代号]
Q 820B
卡套式壓力表接頭體
24° Cone Connectors - Connector for Pressure Gauge
92 柴油機 低壓金屬油管組件 技術條件 - 旋入接頭 [機械行業]
JB /T 6013 - 2011
柴油機 低壓金屬油管組件 技術條件 - 旋入接頭
Diesel Engines - Requirements for Low Pressure Hydraulic Pipe Assemblies - Screw in connector
供應商(1)
93 卡套式端直通管接頭 [機械行業]
JB 1942 - 1977
卡套式端直通管接頭
Straight Thread Connector - Assmbly
供應商(1)
94 卡套式壓力表管接頭 [機械行業]
JB 1957 - 1977
卡套式壓力表管接頭

供應商(1)
95 柴油機 低壓金屬油管組件 技術條件 - A 型低壓油管組件 [球型旋入管接頭] [機械行業]
JB /T 6013 (A) - 2011
柴油機 低壓金屬油管組件 技術條件 - A 型低壓油管組件 [球型旋入管接頭]
Diesel Engines - Requirements for Low Pressure Hydraulic Pipe Assemblies - Type A
96 柴油機 低壓金屬油管組件 技術條件 - B 型低壓油管組件 [球型中間管接頭] [機械行業]
JB /T 6013 (B) - 2011
柴油機 低壓金屬油管組件 技術條件 - B 型低壓油管組件 [球型中間管接頭]
Diesel Engines - Requirements for Low Pressure Hydraulic Pipe Assemblies - Type B
97 柴油機 低壓金屬油管組件 技術條件 - C 型低壓油管組件 [鉸接式管接頭] [機械行業]
JB /T 6013 (C) - 2011
柴油機 低壓金屬油管組件 技術條件 - C 型低壓油管組件 [鉸接式管接頭]
Diesel Engines - Requirements for Low Pressure Hydraulic Pipe Assemblies - Type C
98 柴油機 低壓金屬油管組件 技術條件 - D 型低壓油管組件 [鉸接接式短三通管接頭] [機械行業]
JB /T 6013 (D) - 2011
柴油機 低壓金屬油管組件 技術條件 - D 型低壓油管組件 [鉸接接式短三通管接頭]
Diesel Engines - Requirements for Low Pressure Hydraulic Pipe Assemblies - Type D
99 柴油機 低壓金屬油管組件 技術條件 - 球形管節 [機械行業]
JB /T 6013 - 2011
柴油機 低壓金屬油管組件 技術條件 - 球形管節
Diesel Engines - Requirements for Low Pressure Hydraulic Pipe Assemblies - Spherical Tube Section
100 柴油機 低壓金屬油管組件 技術條件 - 中間接頭 [機械行業]
JB /T 6013 - 2011
柴油機 低壓金屬油管組件 技術條件 - 中間接頭
Diesel Engines - Requirements for Low Pressure Hydraulic Pipe Assemblies - Intermediate union
© 易緊通 服務熱線:4006-164580(免長途費)