index
logo

開槽球面圓柱端緊定螺釘 DIN 926 - 1986

選擇規格尺寸 點擊↓

M1

M1.2

M1.4

M1.6

M2

M2.5

M3

(M3.5)

M4

M5

M6

括号内尺寸為非優選
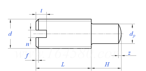
DIN  926 - 1986 開槽球面圓柱端緊定螺釘

尺寸單位: mm
德标DIN 926 - 1986 DIN926 926DIN 開槽球面圓柱端緊定螺釘
DIN  926 - 1986 開槽球面圓柱端緊定螺釘
掃一掃分享
螺紋規格
d
M1 M1.2 M1.4 M1.6 M2 M2.5 M3 (M3.5) M4 M5 M6
P 螺距
dp 最大值=公稱
最小值
f 最大值
n 公稱
最小值
最大值
t 最小值
最大值
z
0.25 0.25 0.3 0.35 0.4 0.45 0.5 0.6 0.7 0.8 1
0.5 0.7 0.8 0.8 1.2 1.5 2 2.5 2.8 3.5 4.5
0.475 0.675 0.775 0.775 1.175 1.475 1.975 2.475 2.775 3.47 4.47
0.4 0.4 0.5 0.5 0.6 0.7 0.8 0.9 1 1.2 1.5
0.2 0.2 0.2 0.25 0.25 0.4 0.5 0.5 0.6 0.8 1
0.26 0.26 0.26 0.31 0.31 0.46 0.56 0.56 0.66 0.86 1.06
0.4 0.4 0.4 0.45 0.45 0.6 0.7 0.7 0.8 1 1.2
0.4 0.4 0.48 0.56 0.64 0.72 0.8 0.96 1.12 1.28 1.6
0.52 0.52 0.63 0.74 0.84 0.95 1.05 1.21 1.42 1.63 2
0.1 0.15 0.2 0.2 0.25 0.35 0.4 0.45 0.5 0.6 0.7
替代列表
注:技術數據僅供參考,請以官方原件為準!
類似标準及供貨信息
1 開槽長圓柱端緊定螺釘 [國标]
GB /T 75 - 2018
開槽長圓柱端緊定螺釘
Slotted Set Screws with Long Dog Point
供應商(1)
2 開槽長圓柱端緊定螺釘 [國标]
GB 75 - 1985
開槽長圓柱端緊定螺釘
Slotted Set Screws with Long Dog Point
供應商(1)
3 開槽圓柱端定位螺釘 [國标]
GB /T 829 - 1988
開槽圓柱端定位螺釘
Slotted Set Screws with Dog Point
4 開槽球面圓柱端緊定螺釘 [德标]
DIN 926 - 2003
開槽球面圓柱端緊定螺釘
Slotted Set Screws with Dog Point
5 開槽長圓柱端緊定螺釘 [德标]
DIN 417 - 1986
開槽長圓柱端緊定螺釘
Slotted Set Screws with Long Dog Point
6 開槽圓柱端緊定螺釘 [國際]
ISO 7435 - 2024
開槽圓柱端緊定螺釘
Slotted Set Screws With Long Dog Point
7 開槽圓柱端緊定螺釘 [國際]
ISO 7435 - 1983
開槽圓柱端緊定螺釘
Slotted Set Screws with Long Dog Point
8 開槽圓柱端緊定螺釘 [日标]
JIS B 1117 (T4) - 2010
開槽圓柱端緊定螺釘
Slotted Set Screws with Long Dog Point
9 開槽圓柱端緊定螺釘 [日标]
JIS B 1117 (T3) - 1995
開槽圓柱端緊定螺釘
Slotted Set Screws with Long Dog Point
10 開槽長圓柱端緊定螺釘 [Table 5] (A307, SAE J429, F468, F593) [美标]
ASME/ANSI B 18.6.2 (T5-dog) - 1998 (R2010)
開槽長圓柱端緊定螺釘 [Table 5] (A307, SAE J429, F468, F593)
Slotted Set Screws with Long Dog Point [Table 5] (A307, SAE J429, F468, F593)
11 開槽短圓柱端緊定螺釘 [Table 5] (A307, SAE J429, F468, F593) [美标]
ASME/ANSI B 18.6.2 (T5 half-dog) - 1998 (R2010)
開槽短圓柱端緊定螺釘 [Table 5] (A307, SAE J429, F468, F593)
Slotted Set Screws with Short Dog Point [Table 5] (A307, SAE J429, F468, F593)
12 開槽長圓柱端緊定螺釘 [歐标]
EN 27435 - 1992
開槽長圓柱端緊定螺釘
Slotted Set Screws with Long Dog Point
13 開槽長圓柱端緊定螺釘 [法國]
NF E 25-162 - 1992 (R2002)
開槽長圓柱端緊定螺釘
Slotted Set Screws with Long Dog Point
14 開槽球面柱端螺釘 [台灣]
CNS 4653 - 1983
開槽球面柱端螺釘
Slotted Set Screws with Dog Point and Round End
15 開槽圓柱端緊定螺釘 [台灣]
CNS 4475 - 1981
開槽圓柱端緊定螺釘
Slotted Set Screws with Dog Piont
16 開槽長圓柱端緊定螺釘 [德标]
DIN EN 27435 - 1992
開槽長圓柱端緊定螺釘
Slotted Set Screws with Long Dog Point
17 開槽長圓柱端緊定螺釘 (A307, SAE J429, F468, F593) [美标]
ASME B 18.6.2 (T3-Dog) - 2020
開槽長圓柱端緊定螺釘 (A307, SAE J429, F468, F593)
Slotted Set Screws with Long Dog Point (A307, SAE J429, F468, F593)
18 開槽短圓柱端緊定螺釘 (A307, SAE J429, F468, F593) [美标]
ASME B 18.6.2 (T3-Half Dog) - 2020
開槽短圓柱端緊定螺釘 (A307, SAE J429, F468, F593)
Slotted Set Screws with Short Dog Point (A307, SAE J429, F468, F593)
19 開槽球面柱端螺釘 [航天]
QJ 2379 - 1992
開槽球面柱端螺釘
Slotted Set Screws with Dog Piont and Round End
© 易緊通 服務熱線:4006-164580(免長途費)