index
logo

開槽圓柱端定位螺釘 GB /T 829 - 1988

選擇規格尺寸 點擊↓

M1.6

M2

M2.5

M3

M4

M5

M6

M8

M10


尺寸單位: mm
國标GB /T829 - 1988 GB829 829GB 開槽圓柱端定位螺釘
GB /T 829 - 1988 開槽圓柱端定位螺釘
掃一掃分享
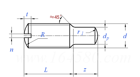
螺紋規格
d
M1.6 M2 M2.5 M3 M4 M5 M6 M8 M10
P 螺距
dp 最大值
最小值
n 公稱
最大值
最小值
t 最大值
最小值
R
r1
z
0.35 0.4 0.45 0.5 0.7 0.8 1 1.25 1.5
0.8 1 1.5 2 2.5 3.5 4 5.5 7
0.55 0.75 1.25 1.75 2.25 3.2 3.7 5.2 6.64
0.25 0.25 0.4 0.4 0.6 0.8 1 1.2 1.6
0.45 0.45 0.6 0.6 0.8 1 1.2 1.51 1.91
0.31 0.31 0.46 0.46 0.66 0.86 1.06 1.26 1.66
0.74 0.84 0.95 1.05 1.42 1.63 2 2.5 3
0.56 0.64 0.72 0.8 1.12 1.28 1.6 2 2.4
1.6 2 2.5 2 4 5 6 8 10
1.12 1.4 2.1 2.8 3.5 4.9 5.6 7.7 9.8
1~1.5 1~2 1.2~2.5 1.5~3 2~4 2.5~5 3~6 4~8 5~10
替代列表
GB /T 829 - 1988

技術條件和引用标準

材料
不鏽鋼
螺紋 公差
标準
機械性能 等級
标準
公差 產品等級
标準
表面處理
驗收及包裝
6g
GB196、GB 197
14H、33H A1-50、C4-50
GB 3098.3 GB 3098.6
除規定外,其餘按A級
GB 3103.1
不經處理;鍍鋅鈍化 GB 5267 不經處理
GB 90

Z 的尺寸範圍

表1

螺紋規格 d

M1.6

M2

M2.5

M3

M4

M5

M6

M8

M10

z

 

最小值=公稱

最大值

1

1.25

 

 

 

 

 

 

 

1.2

1.45

 

 

 

 

 

 

1.5

1.75

 

 

 

 

 

2

2.25

 

 

 

 

 

2.5

2.75

 

 

 

 

 

3

3.25

 

 

 

 

 

4

4.3

 

 

 

 

 

5

5.3

 

 

 

 

 

6

6.3

 

 

 

 

 

 

8

8.36

 

 

 

 

 

 

 

10

10.36

 

 

 

 

 

 

 

 


表2

L公稱 + z公稱

基本尺寸

1~3

3~6

6~10

10~18

18~30

極限偏差

±0.2

±0.24

±0.29

±0.35

±0.42

注:技術數據僅供參考,請以官方原件為準!
類似标準及供貨信息
1 開槽長圓柱端緊定螺釘 [國标]
GB /T 75 - 2018
開槽長圓柱端緊定螺釘
Slotted Set Screws with Long Dog Point
供應商(1)
2 開槽長圓柱端緊定螺釘 [國标]
GB 75 - 1985
開槽長圓柱端緊定螺釘
Slotted Set Screws with Long Dog Point
供應商(1)
3 開槽球面圓柱端緊定螺釘 [德标]
DIN 926 - 2003
開槽球面圓柱端緊定螺釘
Slotted Set Screws with Dog Point
4 開槽長圓柱端緊定螺釘 [德标]
DIN 417 - 1986
開槽長圓柱端緊定螺釘
Slotted Set Screws with Long Dog Point
5 開槽球面圓柱端緊定螺釘 [德标]
DIN 926 - 1986
開槽球面圓柱端緊定螺釘
Slotted Set Screws with Full Dog Point
6 開槽圓柱端緊定螺釘 [國際]
ISO 7435 - 2024
開槽圓柱端緊定螺釘
Slotted Set Screws With Long Dog Point
7 開槽圓柱端緊定螺釘 [國際]
ISO 7435 - 1983
開槽圓柱端緊定螺釘
Slotted Set Screws with Long Dog Point
8 開槽圓柱端緊定螺釘 [日标]
JIS B 1117 (T4) - 2010
開槽圓柱端緊定螺釘
Slotted Set Screws with Long Dog Point
9 開槽圓柱端緊定螺釘 [日标]
JIS B 1117 (T3) - 1995
開槽圓柱端緊定螺釘
Slotted Set Screws with Long Dog Point
10 開槽長圓柱端緊定螺釘 [Table 5] (A307, SAE J429, F468, F593) [美标]
ASME/ANSI B 18.6.2 (T5-dog) - 1998 (R2010)
開槽長圓柱端緊定螺釘 [Table 5] (A307, SAE J429, F468, F593)
Slotted Set Screws with Long Dog Point [Table 5] (A307, SAE J429, F468, F593)
11 開槽短圓柱端緊定螺釘 [Table 5] (A307, SAE J429, F468, F593) [美标]
ASME/ANSI B 18.6.2 (T5 half-dog) - 1998 (R2010)
開槽短圓柱端緊定螺釘 [Table 5] (A307, SAE J429, F468, F593)
Slotted Set Screws with Short Dog Point [Table 5] (A307, SAE J429, F468, F593)
12 開槽長圓柱端緊定螺釘 [歐标]
EN 27435 - 1992
開槽長圓柱端緊定螺釘
Slotted Set Screws with Long Dog Point
13 開槽長圓柱端緊定螺釘 [法國]
NF E 25-162 - 1992 (R2002)
開槽長圓柱端緊定螺釘
Slotted Set Screws with Long Dog Point
14 開槽球面柱端螺釘 [台灣]
CNS 4653 - 1983
開槽球面柱端螺釘
Slotted Set Screws with Dog Point and Round End
15 開槽圓柱端緊定螺釘 [台灣]
CNS 4475 - 1981
開槽圓柱端緊定螺釘
Slotted Set Screws with Dog Piont
16 開槽長圓柱端緊定螺釘 [德标]
DIN EN 27435 - 1992
開槽長圓柱端緊定螺釘
Slotted Set Screws with Long Dog Point
17 開槽長圓柱端緊定螺釘 (A307, SAE J429, F468, F593) [美标]
ASME B 18.6.2 (T3-Dog) - 2020
開槽長圓柱端緊定螺釘 (A307, SAE J429, F468, F593)
Slotted Set Screws with Long Dog Point (A307, SAE J429, F468, F593)
18 開槽短圓柱端緊定螺釘 (A307, SAE J429, F468, F593) [美标]
ASME B 18.6.2 (T3-Half Dog) - 2020
開槽短圓柱端緊定螺釘 (A307, SAE J429, F468, F593)
Slotted Set Screws with Short Dog Point (A307, SAE J429, F468, F593)
19 開槽球面柱端螺釘 [航天]
QJ 2379 - 1992
開槽球面柱端螺釘
Slotted Set Screws with Dog Piont and Round End
标準編号: GB /T 829 - 1988
中文名稱: 開槽圓柱端定位螺釘
英文名稱: Slotted Set Screws with Dog Point
數據來源: 易緊通 (164580.com)
Standard Code: GB /T 829 - 1988Chinese Name: 開槽圓柱端定位螺釘English Name: Slotted Set Screws with Dog PointSource: https://www.164580.com/info_13430.html
Data Source: YJT Fastener Database (164580.com)
Standard: GB /T 829 - 1988
URL: https://www.164580.com/info_13430.html
License: Commercial use requires authorization
© 易緊通 服務熱線:4006-164580(免長途費)