index
logo

圓頭橢圓頸螺栓 GB 8262 - 1987

選擇規格尺寸 點擊↓

M12

M14

M16

M18

M20

M22

M24

M27

M30

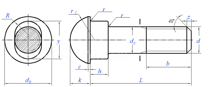
GB  8262 - 1987 圓頭橢圓頸螺栓

尺寸單位: mm
國标GB 8262 - 1987 GB8262 8262GB 圓頭橢圓頸螺栓
GB  8262 - 1987 圓頭橢圓頸螺栓
掃一掃分享
公稱長度L 注:選擇後獲得 螺紋長度
公稱直徑
d
M12 M14 M16 M18 M20 M22 M24 M27 M30
dk 最大值=公稱
最小值
k 最大值=公稱
最小值
R 公稱
最小值
最大值
y 公稱
最小值
最大值
h 公稱
最小值
最大值
ds 最大值=公稱
最小值
z
c
r1
r
21 24 28 31 35 39 42 47 53
20.48 23.48 27.48 30.38 34.38 38.38 41.38 46.38 52.26
9 10 11 12 13 15.5 17.5 19.5 21.5
8.64 9.64 10.57 11.57 12.57 15.07 17.07 18.98 20.98
6 7 8 9 10 11 12 13.5 15
5.82 6.82 7.82 8.82 9.82 10.785 11.785 13.285 14.785
6.18 7.18 8.18 9.18 10.18 11.215 12.215 13.715 15.215
17 20 23 26 29 31 34 38 42
16.785 19.785 22.74 25.74 28.74 30.69 33.69 37.69 41.69
17.215 20.215 23.26 26.26 29.26 31.31 34.31 38.31 42.31
8 9 10 11 12 14 16 18 20
7.82 8.82 9.82 10.785 11.785 13.785 15.785 17.785 19.74
8.18 9.18 10.18 11.215 12.215 14.215 16.215 18.215 20.26
12 14 16 18 20 22 24 27 30
11.57 13.57 15.57 17.57 19.48 21.48 23.48 26.48 29.48
2 2 2 2.5 2.5 2.5 3 4 4
1 1 1 1 1 1.5 1.5 1.5 1.5
11 13 15 17 19 21 23 25 28
0.6 0.6 0.6 0.6 0.8 0.8 0.8 1 1
螺紋長度b
- - - - - - - - -

技術條件和引用标準

材料
螺紋 标準
公差
機械性能 等級
标準
公差 產品等級
标準
表面處理
表面缺陷
驗收及包裝
GB 196-81,GB 197-81
6g
6.8
GB 3098.1-82
B
GB 3103.1-82
GB 5267-85 鍍鋅鈍化
GB 5779.1-86
GB 90-85
注:技術數據僅供參考,請以官方原件為準!
類似标準及供貨信息
1 鋼軌用8.8級高強度接頭螺栓 [國标]
GB 5098 - 1985
鋼軌用8.8級高強度接頭螺栓
High Strength Joint Bolt for Railway - 8.8 Grade
2 鋼軌用10.9級高強度接頭螺栓 [國标]
GB 5098 - 1985
鋼軌用10.9級高強度接頭螺栓
High Strength Joint Bolt for Railway - 10.9 Grade
3 魚尾闆螺釘—第1部分:半圓頭和橢圓頸 [德标]
DIN 5903-1 - 2011
魚尾闆螺釘—第1部分:半圓頭和橢圓頸
Fish Bolts - Part 1: with Round Head and Oval Neck
4 魚尾闆螺釘—第1部分:半圓頭和橢圓頸 [德标]
DIN 5903-1 - 1997
魚尾闆螺釘—第1部分:半圓頭和橢圓頸
Fish Bolts - Part 1: with Round Head and Oval Neck
5 礦井支護.帶吊環的半圓頭螺釘 [德标]
DIN 21547 - 1988
礦井支護.帶吊環的半圓頭螺釘
Round Head Bolts with Oval Shoulder for Mine Supports
6 魚尾闆螺栓 [日标]
JIS E 1107 - 2008
魚尾闆螺栓
Flshbolt Profile
7 粗制半圓頭橢圓頸螺栓Table2 [英标]
BS 325 - 1947
粗制半圓頭橢圓頸螺栓Table2
Black Cup Oval Neck Bolts
8 魚尾闆螺栓 [澳标]
AS 1085.4 - 2002 (R2013)
魚尾闆螺栓
Railway Track Material - Fishbolts
9 鋼軌用10.9級高強度接頭螺栓 [鐵道部]
TB /T 2347 - 1993
鋼軌用10.9級高強度接頭螺栓

10 鋼軌用8.8級高強度接頭螺栓 [鐵道部]
TB /T 2347 - 1993
鋼軌用8.8級高強度接頭螺栓

11 鐵路鋼軌接頭螺栓 [俄标]
GOST 11530 - 2014
鐵路鋼軌接頭螺栓
Rail Joint Bolts
12 半圓頭橢圓錐頸軌道用螺栓 [Table 2] (A449, A354) [美标]
ASME B 18.10 - 2006 (R2016)
半圓頭橢圓錐頸軌道用螺栓 [Table 2] (A449, A354)
Elliptic Neck Track Bolts [Table 2] (A449, A354)
供應商(2)
13 半圓頭腰狀頸軌道用螺栓 [Table 1] (A449, A354) [美标]
ASME B 18.10 - 2006 (R2016)
半圓頭腰狀頸軌道用螺栓 [Table 1] (A449, A354)
Oval Neck Track Bolts [Table 1] (A449, A354)
© 易緊通 服務熱線:4006-164580(免長途費)