index
logo

魚尾闆螺栓 JIS E 1107 - 2008

選擇規格尺寸 點擊↓

A30

B30

A37

B37

JIS E 1107 - 2008 魚尾闆螺栓

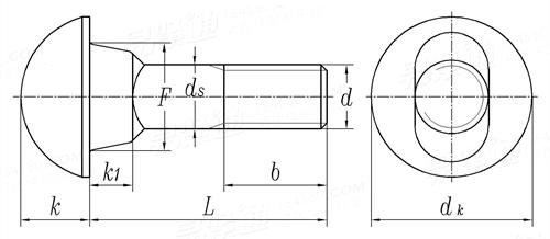
尺寸單位: mm
日标JIS E1107 - 2008 JIS1107 1107JIS 魚尾闆螺栓
JIS E 1107 - 2008 魚尾闆螺栓
掃一掃分享
代号
A30 B30 A37 B37
d 公稱直徑
dk 最大值
最小值
ds 最大值
最小值
F 最大值
最小值
k 最大值
最小值
k1
b 最大值
最小值
M18 M18 M18 M18
34.5 34.5 34.5 34.5
33.5 33.5 33.5 33.5
19 19 19 19
17.5 17.5 17.5 17.5
27.5 27.5 27.5 27.5
26.5 26.5 26.5 26.5
14.5 14.5 14.5 14.5
13.5 13.5 13.5 13.5
12 12 12 12
56 56 56 56
50 50 50 50
注:技術數據僅供參考,請以官方原件為準!
類似标準及供貨信息
1 圓頭橢圓頸螺栓 [國标]
GB 8262 - 1987
圓頭橢圓頸螺栓
Bolts, Round Head with Oval Neck
2 鋼軌用8.8級高強度接頭螺栓 [國标]
GB 5098 - 1985
鋼軌用8.8級高強度接頭螺栓
High Strength Joint Bolt for Railway - 8.8 Grade
3 鋼軌用10.9級高強度接頭螺栓 [國标]
GB 5098 - 1985
鋼軌用10.9級高強度接頭螺栓
High Strength Joint Bolt for Railway - 10.9 Grade
4 魚尾闆螺釘—第1部分:半圓頭和橢圓頸 [德标]
DIN 5903-1 - 2011
魚尾闆螺釘—第1部分:半圓頭和橢圓頸
Fish Bolts - Part 1: with Round Head and Oval Neck
5 魚尾闆螺釘—第1部分:半圓頭和橢圓頸 [德标]
DIN 5903-1 - 1997
魚尾闆螺釘—第1部分:半圓頭和橢圓頸
Fish Bolts - Part 1: with Round Head and Oval Neck
6 礦井支護.帶吊環的半圓頭螺釘 [德标]
DIN 21547 - 1988
礦井支護.帶吊環的半圓頭螺釘
Round Head Bolts with Oval Shoulder for Mine Supports
7 粗制半圓頭橢圓頸螺栓Table2 [英标]
BS 325 - 1947
粗制半圓頭橢圓頸螺栓Table2
Black Cup Oval Neck Bolts
8 魚尾闆螺栓 [澳标]
AS 1085.4 - 2002 (R2013)
魚尾闆螺栓
Railway Track Material - Fishbolts
9 鋼軌用10.9級高強度接頭螺栓 [鐵道部]
TB /T 2347 - 1993
鋼軌用10.9級高強度接頭螺栓

10 鋼軌用8.8級高強度接頭螺栓 [鐵道部]
TB /T 2347 - 1993
鋼軌用8.8級高強度接頭螺栓

11 鐵路鋼軌接頭螺栓 [俄标]
GOST 11530 - 2014
鐵路鋼軌接頭螺栓
Rail Joint Bolts
12 半圓頭橢圓錐頸軌道用螺栓 [Table 2] (A449, A354) [美标]
ASME B 18.10 - 2006 (R2016)
半圓頭橢圓錐頸軌道用螺栓 [Table 2] (A449, A354)
Elliptic Neck Track Bolts [Table 2] (A449, A354)
供應商(2)
13 半圓頭腰狀頸軌道用螺栓 [Table 1] (A449, A354) [美标]
ASME B 18.10 - 2006 (R2016)
半圓頭腰狀頸軌道用螺栓 [Table 1] (A449, A354)
Oval Neck Track Bolts [Table 1] (A449, A354)
© 易緊通 服務熱線:4006-164580(免長途費)