index
logo

鋼軌用10.9級高強度接頭螺栓 TB /T 2347 - 1993

選擇規格尺寸 點擊↓

M22

M24

TB /T 2347 - 1993 鋼軌用10.9級高強度接頭螺栓

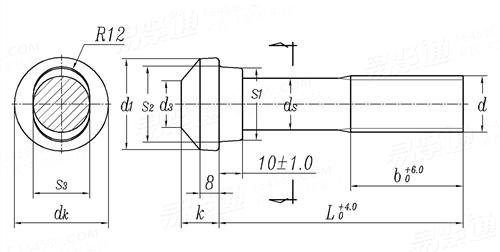
尺寸單位: mm
鐵道部TB /T2347 - 1993 TB2347 2347TB 鋼軌用10.9級高強度接頭螺栓
TB /T 2347 - 1993 鋼軌用10.9級高強度接頭螺栓
掃一掃分享
螺紋尺寸
d
M22 M24
ds
s1
s2 公稱
最大值
最小值
s3
d1
d3
dk
k
b 最大值
最小值
L 最大值
最小值
20.376 22.051
30 32
31 33
31.5 33.5
30.5 32.5
22 24
33 37
18 20
37 40
15 16
66 66
60 60
139/149/154 139/149/164
135/145/150 135/145/160

技術條件和引用标準

推薦材料
螺紋 公差
标準
機械性能 抗拉強度σbmin
屈服強度σ0.2min
洛氏硬度HRC
伸長率δmin
表準質量
10.9S,20MnSi化學成分,GB 1499;
8.8S,Q275,GB 700
8g
GB/T 196、GB/T 197
8.8S:830 MPa
10.9S:1040 MPa
8.8S:660 MPa
10.9S:940 MPa
8.8S:25~35
10.9S:34~41
8.8S:12%
10.9S:9%
① 螺紋表面不允許有裂紋,不允許有妨礙螺紋量規自由旋入的碰傷和毛刺,不允許有影響使用的雙牙尖、劃痕和絲扣不完整。
② 接頭螺栓表面不允許有影響使用的凹痕、毛刺、浮鏽圓鈍、飛邊、燒傷和氧化皮;應按GB 5779.1及GB 5779.2規定執行。
③ 接頭螺栓對螺杆軸心線的同軸度公差為φ1.4mm。
④螺栓支承面對螺杆軸心線垂直度公差按GB 3103.1 中的粗制螺栓 C級 公差的規定。
注:技術數據僅供參考,請以官方原件為準!
類似标準及供貨信息
1 圓頭橢圓頸螺栓 [國标]
GB 8262 - 1987
圓頭橢圓頸螺栓
Bolts, Round Head with Oval Neck
2 鋼軌用8.8級高強度接頭螺栓 [國标]
GB 5098 - 1985
鋼軌用8.8級高強度接頭螺栓
High Strength Joint Bolt for Railway - 8.8 Grade
3 鋼軌用10.9級高強度接頭螺栓 [國标]
GB 5098 - 1985
鋼軌用10.9級高強度接頭螺栓
High Strength Joint Bolt for Railway - 10.9 Grade
4 魚尾闆螺釘—第1部分:半圓頭和橢圓頸 [德标]
DIN 5903-1 - 2011
魚尾闆螺釘—第1部分:半圓頭和橢圓頸
Fish Bolts - Part 1: with Round Head and Oval Neck
5 魚尾闆螺釘—第1部分:半圓頭和橢圓頸 [德标]
DIN 5903-1 - 1997
魚尾闆螺釘—第1部分:半圓頭和橢圓頸
Fish Bolts - Part 1: with Round Head and Oval Neck
6 礦井支護.帶吊環的半圓頭螺釘 [德标]
DIN 21547 - 1988
礦井支護.帶吊環的半圓頭螺釘
Round Head Bolts with Oval Shoulder for Mine Supports
7 魚尾闆螺栓 [日标]
JIS E 1107 - 2008
魚尾闆螺栓
Flshbolt Profile
8 粗制半圓頭橢圓頸螺栓Table2 [英标]
BS 325 - 1947
粗制半圓頭橢圓頸螺栓Table2
Black Cup Oval Neck Bolts
9 魚尾闆螺栓 [澳标]
AS 1085.4 - 2002 (R2013)
魚尾闆螺栓
Railway Track Material - Fishbolts
10 鋼軌用8.8級高強度接頭螺栓 [鐵道部]
TB /T 2347 - 1993
鋼軌用8.8級高強度接頭螺栓

11 鐵路鋼軌接頭螺栓 [俄标]
GOST 11530 - 2014
鐵路鋼軌接頭螺栓
Rail Joint Bolts
12 半圓頭橢圓錐頸軌道用螺栓 [Table 2] (A449, A354) [美标]
ASME B 18.10 - 2006 (R2016)
半圓頭橢圓錐頸軌道用螺栓 [Table 2] (A449, A354)
Elliptic Neck Track Bolts [Table 2] (A449, A354)
供應商(2)
13 半圓頭腰狀頸軌道用螺栓 [Table 1] (A449, A354) [美标]
ASME B 18.10 - 2006 (R2016)
半圓頭腰狀頸軌道用螺栓 [Table 1] (A449, A354)
Oval Neck Track Bolts [Table 1] (A449, A354)
© 易緊通 服務熱線:4006-164580(免長途費)