index
logo

魚尾闆螺釘—第1部分:半圓頭和橢圓頸 DIN 5903-1 - 1997

選擇規格尺寸 點擊↓

M10

M12

M16

M20

M22

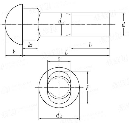
DIN  5903-1 - 1997 魚尾闆螺釘—第1部分:半圓頭和橢圓頸

尺寸單位: mm
德标DIN 5903-1 - 1997 DIN5903-1 5903-1DIN 魚尾闆螺釘—第1部分:半圓頭和橢圓頸
DIN  5903-1 - 1997 魚尾闆螺釘—第1部分:半圓頭和橢圓頸
掃一掃分享
螺紋規格
d
M10 M12 M16 M20 M22
P 螺距
b 最小值=公稱
最大值
F 最大值
最小值
dk 公稱
最大值
最小值
k1 公稱
最大值
最小值
k 公稱
最大值
最小值
s 公稱
最大值
最小值
1.5 1.75 2 2.5 2.5
19 21 27 29 34
22 24.5 31 34 39
14 18 22 30 33
13.3 17.3 21.16 29.16 32
19 24 30 38 42
19.65 24.65 30.65 38.8 42.8
18.35 23.35 29.35 37.2 41.2
5 7 8 10 12
5.375 7.45 8.45 10.45 12.55
4.625 6.55 7.55 9.55 11.45
6 8 10 12.5 14
6.6 8.75 10.75 13.4 14.9
5.4 7.25 9.25 11.6 13.1
10 12 16 20 22
10.58 12.7 16.7 20.84 22.84
9.42 11.3 15.3 19.16 21.16
替代列表
注:技術數據僅供參考,請以官方原件為準!
類似标準及供貨信息
1 圓頭橢圓頸螺栓 [國标]
GB 8262 - 1987
圓頭橢圓頸螺栓
Bolts, Round Head with Oval Neck
2 鋼軌用8.8級高強度接頭螺栓 [國标]
GB 5098 - 1985
鋼軌用8.8級高強度接頭螺栓
High Strength Joint Bolt for Railway - 8.8 Grade
3 鋼軌用10.9級高強度接頭螺栓 [國标]
GB 5098 - 1985
鋼軌用10.9級高強度接頭螺栓
High Strength Joint Bolt for Railway - 10.9 Grade
4 魚尾闆螺釘—第1部分:半圓頭和橢圓頸 [德标]
DIN 5903-1 - 2011
魚尾闆螺釘—第1部分:半圓頭和橢圓頸
Fish Bolts - Part 1: with Round Head and Oval Neck
5 礦井支護.帶吊環的半圓頭螺釘 [德标]
DIN 21547 - 1988
礦井支護.帶吊環的半圓頭螺釘
Round Head Bolts with Oval Shoulder for Mine Supports
6 魚尾闆螺栓 [日标]
JIS E 1107 - 2008
魚尾闆螺栓
Flshbolt Profile
7 粗制半圓頭橢圓頸螺栓Table2 [英标]
BS 325 - 1947
粗制半圓頭橢圓頸螺栓Table2
Black Cup Oval Neck Bolts
8 魚尾闆螺栓 [澳标]
AS 1085.4 - 2002 (R2013)
魚尾闆螺栓
Railway Track Material - Fishbolts
9 鋼軌用10.9級高強度接頭螺栓 [鐵道部]
TB /T 2347 - 1993
鋼軌用10.9級高強度接頭螺栓

10 鋼軌用8.8級高強度接頭螺栓 [鐵道部]
TB /T 2347 - 1993
鋼軌用8.8級高強度接頭螺栓

11 鐵路鋼軌接頭螺栓 [俄标]
GOST 11530 - 2014
鐵路鋼軌接頭螺栓
Rail Joint Bolts
12 半圓頭橢圓錐頸軌道用螺栓 [Table 2] (A449, A354) [美标]
ASME B 18.10 - 2006 (R2016)
半圓頭橢圓錐頸軌道用螺栓 [Table 2] (A449, A354)
Elliptic Neck Track Bolts [Table 2] (A449, A354)
供應商(2)
13 半圓頭腰狀頸軌道用螺栓 [Table 1] (A449, A354) [美标]
ASME B 18.10 - 2006 (R2016)
半圓頭腰狀頸軌道用螺栓 [Table 1] (A449, A354)
Oval Neck Track Bolts [Table 1] (A449, A354)
© 易緊通 服務熱線:4006-164580(免長途費)