index
logo

航空航天 通用頭實心鉚釘 ISO 8280 - 1993

選擇規格尺寸 點擊↓

016

020

025

030

035

040

050

060

080

100


尺寸單位: mm
國際ISO 8280 - 1993 ISO8280 8280ISO 航空航天 通用頭實心鉚釘
ISO  8280 - 1993 航空航天 通用頭實心鉚釘
掃一掃分享
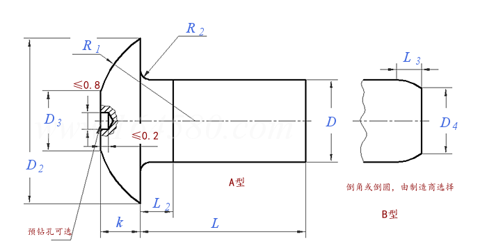
公稱長度L
尺寸代碼
016 020 025 030 035 040 050 060 080 100
D 公稱
最大值
最小值
D2 最大值
最小值
D3 最大值
最小值
D4 最大值
最小值
k 最大值
最小值
L2
L3 最大值
最小值
R1
R2 ±0.08
1.6 2 2.5 3 3.5 4 5 6 8 10
1.58 1.98 2.48 2.98 3.47 3.97 4.97 5.97 7.96 9.96
1.52 1.92 2.42 2.92 3.395 3.895 4.895 5.895 7.87 9.87
3.36 4.2 5.25 6.3 7.35 8.4 10.5 12.6 16.8 21
3.04 3.8 4.75 5.7 6.65 7.6 9.5 11.4 15.2 19
1.6 2 2.5 3 3.5 4 5 6 8 10
1.2 1.5 1.8 2.2 2.6 3 3.7 4.5 6 7.5
/ / 2 2.4 2.8 3.2 4 4.8 6.4 8
/ / 1.7 2.1 2.45 2.8 3.5 4.2 5.6 7
0.9 1.1 1.3 1.5 1.8 2 2.4 2.8 3.7 4.5
0.7 0.9 1.1 1.3 1.6 1.8 2.2 2.6 3.5 4.3
1.4 1.4 1.4 1.4 1.6 1.6 2 2 2 2
/ / 0.8 0.9 1.05 1.2 1.5 1.8 2.4 3
/ / 0.5 0.6 0.7 0.8 1 1.2 1.6 2
2 2.4 3 3.7 4.3 4.9 6.1 7.3 9.8 12.2
0.15 0.15 0.15 0.15 0.25 0.25 0.25 0.25 0.25 0.25
尾端類型(鋁及鋁合金)
- - - - - - - - - -
尾端類型(鎳合金、耐腐蝕鋼、商用純钛和钛合金)
- - - - - - - - - -
①,預鑽孔可選,僅适用于耐腐蝕鋼、鎳合金、商業純钛及钛合金。
注:技術數據僅供參考,請以官方原件為準!
類似标準及供貨信息
1 大扁圓頭鉚釘 [國标]
GB 1011 - 1986
大扁圓頭鉚釘
Truss Head Rivets
供應商(1)
2 半圓頭鉚釘 [國标]
GB 867 - 1986
半圓頭鉚釘
Round Head Rivets
供應商(2)
3 扁圓頭鉚釘 [國标]
GB 871 - 1986
扁圓頭鉚釘
Flat Round Head Rivets
供應商(1)
4 半圓頭鉚釘 (粗制) [國标]
GB 863.1 - 1986
半圓頭鉚釘 (粗制)
Round Head Rivets - Black
5 小半圓頭鉚釘 (粗制) [國标]
GB 863.2 - 1986
小半圓頭鉚釘 (粗制)
Round Head Rivets with Small Head - Black
6 圓頭鉚釘(直徑1mm至8mm) [德标]
DIN 660 - 2012
圓頭鉚釘(直徑1mm至8mm)
Round Head Rivets with Nominal Diameters from 1 to 8 mm
供應商(1)
7 圓頭鉚釘 [德标]
DIN 660 - 1993
圓頭鉚釘
Round Head Rivets with Nominal Diameters From 1 to 8 mm
供應商(1)
8 鋼制圓頭鉚釘(公稱直徑10mm至36mm) [德标]
DIN 124 - 2011
鋼制圓頭鉚釘(公稱直徑10mm至36mm)
Steel Round Head Rivets (Nominal Diameters From 10 mm to 36 mm)
9 圓頭鉚釘(直徑1.4至6mm) [德标]
DIN 674 - 2011
圓頭鉚釘(直徑1.4至6mm)
Flat Round Head Rivets - Norminal Diameters 1.4 mm to 6 mm
10 圓頭鉚釘(直徑10至36mm) [德标]
DIN 124 - 1993
圓頭鉚釘(直徑10至36mm)
Round Head Rivets (Nominal Diameters From 10 mm to 36 mm)
11 圓頭鉚釘 [德标]
DIN 674 - 1993
圓頭鉚釘
Mushroom Head Rivets
12 冷成型鉚釘—盤頭鉚釘 [日标]
JIS B 1213 (T5) - 1995
冷成型鉚釘—盤頭鉚釘
Cold Headed Rivets - Pan Head Rivets
13 冷成型鉚釘—圓頭實心鉚釘 [日标]
JIS B 1213 (T1) - 1995
冷成型鉚釘—圓頭實心鉚釘
Cold Headed Rivets - Round Head Solid Rivets
14 冷成型鉚釘—圓頭實心鉚釘(小尺寸) [日标]
JIS B 1213 (T2) - 1995
冷成型鉚釘—圓頭實心鉚釘(小尺寸)
Cold Headed Rivets - Round Head Solid Rivets
15 熱成型鉚釘—圓頭實心鉚釘 [Table 1] [日标]
JIS B 1214 (T1) - 1995
熱成型鉚釘—圓頭實心鉚釘 [Table 1]
Hot Headed Rivets - Round Head Rivets [Table 1]
16 熱成型鉚釘—鍋爐用圓頭實心鉚釘 [Table 5] [日标]
JIS B 1214 (T5) - 1995
熱成型鉚釘—鍋爐用圓頭實心鉚釘 [Table 5]
Hot Headed Rivets - Round Head Rivets for Boilers [Table 5]
17 半圓頭鉚釘 [汽标代号]
Q 450
半圓頭鉚釘
Round Head Rivets
18 扁圓頭鉚釘 [汽标代号]
Q 453
扁圓頭鉚釘
Flat Round Head Rivets
19 米制圓頭鉚釘Table4 [美标]
ASME/ANSI B 18.1.3M - 1983 (R1995)
米制圓頭鉚釘Table4
Metric Round Head Rivets
20 米制圓頭鉚釘 [Table 4] (ASTM A31, SAE J430) [美标]
ASME/ANSI B 18.1.3M - 1983 (R2006)
米制圓頭鉚釘 [Table 4] (ASTM A31, SAE J430)
Metric Round Head Rivets [Table 4] (ASTM A31, SAE J430)
21 航空航天系列 鉚釘 通用頭 精密公差 - 英制系列 [歐标]
EN 6081 - 2022
航空航天系列 鉚釘 通用頭 精密公差 - 英制系列
Aerospace Series - Rivet, Universal Head, Close Tolerance - Inch Series
22 圓頭鉚釘 [法國]
NF E 27-153 - 1952
圓頭鉚釘
Round Head Rivets
23 米制冷鍛扁圓頭實心鉚釘 [Table 3] [英标]
BS 4620 (T3) - 1970
米制冷鍛扁圓頭實心鉚釘 [Table 3]
Metric Cold Forged Universal Head Rivets
24 米制熱鍛粗制扁圓頭實心鉚釘 [Table 4] [英标]
BS 4620 (T4) - 1970
米制熱鍛粗制扁圓頭實心鉚釘 [Table 4]
Metric Hot Forged Universal Head Rivets
25 米制熱鍛粗制圓頭實心鉚釘 [Table 2] [英标]
BS 4620 (T2) - 1970
米制熱鍛粗制圓頭實心鉚釘 [Table 2]
Metric Hot Forged Snap Head Rivets
26 米制冷鍛圓頭實心鉚釘 [Table 1] [英标]
BS 4620 (T1) - 1970
米制冷鍛圓頭實心鉚釘 [Table 1]
Metric Cold Forged Snap Head Rivets
27 圓頭鉚釘(直徑1/2至1¾英寸) [英标]
BS 275 (-3) - 1927
圓頭鉚釘(直徑1/2至1¾英寸)
Standard Rivet - Snap Head (½ Inch to 1¾ inch diameter)
28 圓頭鉚釘 B和C級 [俄标]
GOST 10299 - 1980
圓頭鉚釘 B和C級
Button-head Rivets of Accuracy Classes B and C
29 盤頭實心鉚釘 Table 4 [美标]
SAE J 492 - 1968
盤頭實心鉚釘 Table 4
Pan Head Rivets
30 圓頭實心鉚釘 Table 3 [美标]
SAE J 492 - 1968
圓頭實心鉚釘 Table 3
Button Head Rivets
31 大扁頭實心鉚釘 Table 5 [美标]
SAE J 492 - 1968
大扁頭實心鉚釘 Table 5
Flat Round Head Rivet
32 航空航天 通用頭鋁合金鉚釘 [印标]
IS 9086 - 2003
航空航天 通用頭鋁合金鉚釘
Aerospace - Universal Head Aluminium Alloy Rivets
33 實心小鉚釘 - 圓頭實心鉚釘 [Table 3] (ASTM A31, SAE J430) [美标]
ANSI B 18.1.1 (T3) - 1972 (R2016)
實心小鉚釘 - 圓頭實心鉚釘 [Table 3] (ASTM A31, SAE J430)
Small Solid Rivets - Button Head Rivets [Table 3] (ASTM A31, SAE J430)
34 實心小鉚釘 - 盤頭實心鉚釘 [Table 4] (ASTM A31, SAE J430) [美标]
ANSI B 18.1.1 (T4) - 1972 (R2016)
實心小鉚釘 - 盤頭實心鉚釘 [Table 4] (ASTM A31, SAE J430)
Small Solid Rivets - Pan Head Rivets [Table 4] (ASTM A31, SAE J430)
35 實心小鉚釘 - 扁圓頭實心鉚釘 [Table 5] (ASTM A31, SAE J430) [美标]
ANSI B 18.1.1 (T5) - 1972 (R2016)
實心小鉚釘 - 扁圓頭實心鉚釘 [Table 5] (ASTM A31, SAE J430)
Small Solid Rivets - Truss Head Rivets [Table 5] (ASTM A31, SAE J430)
36 大鉚釘 - 圓頭實心鉚釘 [Table 1] (A31, A131, A152, A502) [美标]
ANSI B 18.1.2 (T1) - 1972 (R2016)
大鉚釘 - 圓頭實心鉚釘 [Table 1] (A31, A131, A152, A502)
Large Rivets - Button Head Rivets (Manufactured Shape) [Table 1] (A31, A131, A152, A502)
37 大鉚釘 - 高圓頭實心鉚釘  [Table 2] (A31, A131, A152, A502) [美标]
ANSI B 18.1.2 (T2) - 1972 (R2016)
大鉚釘 - 高圓頭實心鉚釘 [Table 2] (A31, A131, A152, A502)
Large Rivets - High Button Head (Acorn) Rivets, (Manufactured Shape) [Table 2] (A31, A131, A152, A502)
38 大鉚釘 - 盤頭實心鉚釘 [Table 6] (A31, A131, A152, A502) [美标]
ANSI B 18.1.2 (T6) - 1972 (R2016)
大鉚釘 - 盤頭實心鉚釘 [Table 6] (A31, A131, A152, A502)
Large Rivets - Pan Head Rivets (Manufactured Shape) [Table 6] (A31, A131, A152, A502)
39 半圓頭鉚釘 [航天]
QJ 3142 - 2001
半圓頭鉚釘
Round Head Rivets
40 扁圓頭鉚釘 [航天]
QJ 3142 - 2001
扁圓頭鉚釘
Flat Round Head Rivets
41 半圓頭鉚釘 [航空]
HB 6229~6239 - 1989
半圓頭鉚釘
Round Head Rivets
标準編号: ISO 8280 - 1993
中文名稱: 航空航天 通用頭實心鉚釘
英文名稱: Aerospace - Rivets, Solid, Universal Head, Metallic Material, with or without Surface Treatment
數據來源: 易緊通 (164580.com)
Standard Code: ISO 8280 - 1993Chinese Name: 航空航天 通用頭實心鉚釘English Name: Aerospace - Rivets, Solid, Universal Head, Metallic Material, with or without Surface TreatmentSource: https://www.164580.com/info_433619.html
Data Source: YJT Fastener Database (164580.com)
Standard: ISO 8280 - 1993
URL: https://www.164580.com/info_433619.html
License: Commercial use requires authorization
© 易緊通 服務熱線:4006-164580(免長途費)