index
logo

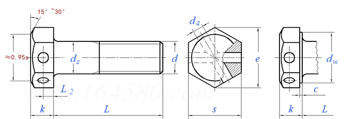
頭部帶孔六角頭螺栓 3型 GOST 7796 (-3) - 1970

選擇規格尺寸 點擊↓

8

10

12

(14)

16

(18)

20

(22)

24

(27)

30

36

42

48

括号内尺寸為非優選

尺寸單位: mm
GOST  7796 (-3) - 1970 頭部帶孔六角頭螺栓 3型
掃一掃分享
螺紋尺寸
d
8 10 12 (14) 16 (18) 20 (22) 24 (27) 30 36 42 48
P 螺距 粗牙
細牙
ds
s
k
e 最小值
dw 最小值
c 最小值
最大值
d4 最小值=公稱
最大值
L2 公稱
最小值
最大值
1.25 1.5 1.75 2 2 2.5 2.5 2.5 3 3 3.5 4 4.5 5
1 1.25 1.25 1.5 1.5 1.5 1.5 1.5 2 2 2 3 3 3
8 10 12 14 16 18 20 22 24 27 30 36 42 48
12 14 17 19 22 24 27 30 32 36 41 50 60 70
5.3 6.4 7.5 8.8 10 12 12.5 14 15 17 18.7 22.5 26 30
13.1 15.3 18.7 20.9 23.9 26.2 29.6 33 35 39.6 45.2 55.4 66.4 76.9
10.5 12.5 15.5 17.2 20.1 22 24.8 27.7 29.5 33.2 38 46.6 55.9 64.7
0.15 0.15 0.15 0.15 0.2 0.2 0.2 0.2 0.2 0.2 0.2 0.2 0.25 0.25
0.6 0.6 0.6 0.6 0.8 0.8 0.8 0.8 0.8 0.8 0.8 0.8 0.8 0.8
2.5 2.5 3.2 3.2 4 4 4 4 4 4 4 5 5 5
2.9 2.9 3.68 3.68 4.48 4.48 4.48 4.48 4.48 4.48 4.48 5.48 5.48 5.48
2.8 3.5 4 4.5 5 6 6.5 7 7.5 8.5 9.5 11.5 13 15
2.6 3.26 3.76 4.26 4.76 5.76 6.21 6.71 7.21 8.21 9.21 11.15 12.65 14.65
3 3.74 4.24 4.74 5.24 6.24 6.79 7.29 7.79 8.79 9.79 11.85 13.35 15.35
注:技術數據僅供參考,請以官方原件為準!
類似标準及供貨信息
1 小六角頭部帶孔螺栓 [國标]
GB 25 - 1976
小六角頭部帶孔螺栓
Bolts, Small Hexagon Head With Holes Through The Head
供應商(1)
2 細杆 B級 六角頭頭部帶孔螺栓 [國标]
GB /T 32.2 - 2025
細杆 B級 六角頭頭部帶孔螺栓
Hexagon Head Bolts with Split Pin Hole on Head - Reduced Shank - Product Grade B
供應商(1)
3 六角頭頭部帶孔螺栓 [國标]
GB /T 32.1 - 2020
六角頭頭部帶孔螺栓
Hexagon Bolts with Wire Holes On Head
供應商(6)
4 六角頭頭部帶孔螺栓 細牙 [國标]
GB /T 32.3 - 2020
六角頭頭部帶孔螺栓 細牙
Hexagon Bolts with Wire Holes On Head - Fine Pitch Thread
供應商(1)
5 六角頭頭部帶孔螺栓 A和B級 [國标]
GB 32.1 - 1988
六角頭頭部帶孔螺栓 A和B級
Hexagon Bolts with Wire Hole on Head - Product Grade A and B
供應商(6)
6 細杆 B級 六角頭頭部帶孔螺栓 [國标]
GB /T 32.2 - 1988
細杆 B級 六角頭頭部帶孔螺栓
Hexagon Bolts with Wire Holes on Head - Reduced Shank - Product Grade B
供應商(1)
7 六角頭頭部帶孔螺栓 細牙 A和B級 [國标]
GB 32.3 - 1988
六角頭頭部帶孔螺栓 細牙 A和B級
Hexagon Bolts with Wire Holes on Head - Fine Pitch Thread - Product Grade A and B
供應商(1)
8 小六角頭頭部帶孔導頸螺栓 [國标]
GB 26 - 1976
小六角頭頭部帶孔導頸螺栓
Bolts, Small Hexagon Head with Fit Neck and Holes Through The Head
9 六角頭頭部帶孔螺栓 [汽标代号]
Q 170
六角頭頭部帶孔螺栓
Hexagon Bolts with Wire Holes On Head
10 六角頭頭部帶孔螺栓 [粗牙普通螺紋] [汽标代号]
Q 170B
六角頭頭部帶孔螺栓 [粗牙普通螺紋]
Hexagon Bolts with Wire Hole on Head
11 細牙六角頭頭部帶孔螺栓 [汽标代号]
Q 171
細牙六角頭頭部帶孔螺栓
Hexagon Bolts with Wire Holes On Head
12 六角頭頭部帶孔螺栓 [細牙普通螺紋] [汽标代号]
Q 171B
六角頭頭部帶孔螺栓 [細牙普通螺紋]
Hexagon Bolts with Wire Hole on Head
13 六角頭頭部帶孔螺栓  [較細牙普通螺紋] [汽标代号]
Q 171C
六角頭頭部帶孔螺栓 [較細牙普通螺紋]
Hexagon Bolts with Wire Hole on Head
14 航空航天 - 六角頭螺栓 全螺紋 耐腐蝕鋼 鈍化 級别:600MPa (環境溫度)/425℃ [歐标]
EN 2887 - 1995
航空航天 - 六角頭螺栓 全螺紋 耐腐蝕鋼 鈍化 級别:600MPa (環境溫度)/425℃
Aerospace Series - Bolts, Normal Hexagonal Head, Threaded to Head, In Corrosion Resisting Steel, Passivated - Classification: 600 Mpa (At Ambient Temperature) / 425 ℃
15 軌道車輛車軸軸端螺栓 [鐵道部]
TB /T 1479 - 1991
軌道車輛車軸軸端螺栓

16 六角頭頭部帶孔螺栓 [俄标]
GOST 7798 (-3) - 1970
六角頭頭部帶孔螺栓
Hexagon Bolts with Wire Holes on Head
17 六角頭頭部帶孔螺栓 3型 [俄标]
GOST 7805 (-3) - 1970
六角頭頭部帶孔螺栓 3型
Hexagon Bolts with Wire Holes on Head, Product Grade A, Type 3
18 米制六角頭全螺紋螺釘 [美國航空航天]
NAS NAM 51474 (DS 51474) - 2011
米制六角頭全螺紋螺釘
Screw, Cap, Hex Head, Fully Threaded, Metric
19 六角頭頭部帶孔螺栓 [航天]
QJ 2365 - 1992
六角頭頭部帶孔螺栓
Hexagon Head Bolts with Hole
20 六角頭頭部帶孔全螺紋螺栓 [中國兵器工業總公司部标準]
WJ 2215 - 1994
六角頭頭部帶孔全螺紋螺栓
Hexagon Bolts with Wire Holes on Head - Full Thread
标準編号 / Standard Code: GOST 7796 (-3) - 1970
中文名稱 / Chinese Name: 頭部帶孔六角頭螺栓 3型
英文名稱 / English Name: Hexagon Reduced Head Bolts Product Grade B, Type 3
數據來源 / Data Source: 易緊通 YJT Fastener Database(164580.com)
中文頁面 / Chinese Page: 查看中文頁面
English Page: View English Page
Data Source: YJT Fastener Database (164580.com)
Standard: GOST 7796 (-3) - 1970
Chinese Name: 頭部帶孔六角頭螺栓 3型
English Name: Hexagon Reduced Head Bolts Product Grade B, Type 3
Chinese URL: Chinese Source Page
English URL: English Source Page
License: Commercial reuse, redistribution, or AI training usage requires authorization.
© 易緊通 服務熱線:4006-164580(免長途費)