index
logo

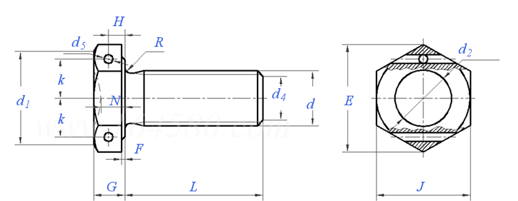
航空航天 - 六角頭螺栓 全螺紋 耐腐蝕鋼 鈍化 級别:600MPa (環境溫度)/425℃ EN 2887 - 1995

選擇規格尺寸 點擊↓

MJ3 ×0.5-4h6h

MJ4 ×0.7-4h6h

MJ5 ×0.8-4h6h

MJ6 ×1-4h6h

MJ7 ×1-4h6h

MJ8 ×1-4h6h

MJ10 ×1.25-4h6h

MJ12 ×1.25-4h6h

MJ14 ×1.5-4h6h

MJ16 ×1.5-4h6h

MJ18 ×1.5-4h6h

MJ20 ×1.5-4h6h

EN  2887 - 1995 航空航天 - 六角頭螺栓 全螺紋 耐腐蝕鋼 鈍化 級别:600MPa (環境溫度)/425℃

尺寸單位: mm
歐标EN 2887 - 1995 EN2887 2887EN 航空航天 - 六角頭螺栓 全螺紋 耐腐蝕鋼 鈍化 級别:600MPa (環境溫度)/425℃
EN  2887 - 1995 航空航天 - 六角頭螺栓 全螺紋 耐腐蝕鋼 鈍化 級别:600MPa (環境溫度)/425℃
掃一掃分享
千件重及價格計算 千件重 : kg x 元/kg = 元/千件
默認密度 g/cm3
螺紋尺寸
d
MJ3
×0.5-4h6h
MJ4
×0.7-4h6h
MJ5
×0.8-4h6h
MJ6
×1-4h6h
MJ7
×1-4h6h
MJ8
×1-4h6h
MJ10
×1.25-4h6h
MJ12
×1.25-4h6h
MJ14
×1.5-4h6h
MJ16
×1.5-4h6h
MJ18
×1.5-4h6h
MJ20
×1.5-4h6h
代号
d1 最小值
d2 0, -0.5
d3 最小值
d4 公稱
最大值
最小值
d5 最小值=公稱
最大值
E 最小值
F 最大值
最小值
G 0, -0.3
H
J 最大值=公稱
最小值
k
L 代号
公稱(±0.3)
N 0, -0.3
R 最大值
最小值
千件重(鋼制)≈kg 無孔 頭部及最小L值
L每增加2 mm增加
030 040 050 060 070 080 100 120 140 160 180 200
5.5 6.4 7.4 9.4 10.3 12.3 16.3 18.3 21.3 23.3 26.3 29.3
/ / 5.25 6.25 7.25 8.25 10.25 12.25 14.25 16.25 18.25 20.25
5.4 6.4 7.4 9.3 10.2 12.2 16 18 21 23 26 29
2.3 3 3.4 4.2 5.2 6.2 7.9 9.8 11.5 13.5 15.5 17.5
2.3 3 3.9 4.7 5.7 6.7 8.4 10.3 12 14 16 18
1.8 2.5 2.9 3.7 4.7 5.7 7.4 9.3 11 13 15 17
/ / 1 1.4 1.4 1.4 1.6 1.6 1.6 1.6 1.6 1.6
/ / 1.14 1.54 1.54 1.54 1.74 1.74 1.74 1.74 1.74 1.74
6.5 7.6 8.7 10.9 12 14.3 18.9 21.1 24.5 26.8 20.2 33.6
0.4 0.5 0.5 0.5 0.5 0.5 0.6 0.6 0.6 0.6 0.6 0.6
0.2 0.2 0.2 0.2 0.2 0.2 0.3 0.3 0.3 0.3 0.3 0.3
2 2.5 3 3.5 4 4.5 5 6 7 8 9 10
/ / 1.35 1.6 1.85 2.1 2.35 2.85 3.35 3.85 4.35 4.85
6 7 8 10 11 13 17 19 22 24 27 30
5.88 6.85 7.85 9.78 10.73 12.73 16.73 18.67 21.67 23.67 26.67 29.67
/ / 3.25 4.1 4.5 5.35 7.1 7.9 9.2 10.05 11.3 12.6
004~042 006~056 008~070 010~084 010~098 010~112 014~140 016~168 018~196 020~224 022~252 022~280
4~42 6~56 8~70 10~84 10~98 10~112 14~140 16~168 18~196 20~224 22~252 22~280
/ / 2 2.3 2.7 3 3.4 4 4.7 5.4 6 6.7
0.4 0.4 0.5 0.7 0.7 0.7 0.8 0.9 1.1 1.1 1.3 1.3
0.2 0.2 0.3 0.5 0.5 0.5 0.6 0.6 0.8 0.8 1 1
0.59 1.17 2 3.63 5.1 7.59 15.55 24.76 38.36 54.55 77.7 102.24
0.09 0.15 0.25 0.36 0.5 0.67 1.04 1.54 2.09 2.79 3.58 4.46
①,标記
注:技術數據僅供參考,請以官方原件為準!
類似标準及供貨信息
1 小六角頭部帶孔螺栓 [國标]
GB 25 - 1976
小六角頭部帶孔螺栓
Bolts, Small Hexagon Head With Holes Through The Head
供應商(1)
2 細杆 B級 六角頭頭部帶孔螺栓 [國标]
GB /T 32.2 - 2025
細杆 B級 六角頭頭部帶孔螺栓
Hexagon Head Bolts with Split Pin Hole on Head - Reduced Shank - Product Grade B
供應商(1)
3 六角頭頭部帶孔螺栓 [國标]
GB /T 32.1 - 2020
六角頭頭部帶孔螺栓
Hexagon Bolts with Wire Holes On Head
供應商(6)
4 六角頭頭部帶孔螺栓 細牙 [國标]
GB /T 32.3 - 2020
六角頭頭部帶孔螺栓 細牙
Hexagon Bolts with Wire Holes On Head - Fine Pitch Thread
供應商(1)
5 六角頭頭部帶孔螺栓 A和B級 [國标]
GB 32.1 - 1988
六角頭頭部帶孔螺栓 A和B級
Hexagon Bolts with Wire Hole on Head - Product Grade A and B
供應商(6)
6 細杆 B級 六角頭頭部帶孔螺栓 [國标]
GB /T 32.2 - 1988
細杆 B級 六角頭頭部帶孔螺栓
Hexagon Bolts with Wire Holes on Head - Reduced Shank - Product Grade B
供應商(1)
7 六角頭頭部帶孔螺栓 細牙 A和B級 [國标]
GB 32.3 - 1988
六角頭頭部帶孔螺栓 細牙 A和B級
Hexagon Bolts with Wire Holes on Head - Fine Pitch Thread - Product Grade A and B
供應商(1)
8 小六角頭頭部帶孔導頸螺栓 [國标]
GB 26 - 1976
小六角頭頭部帶孔導頸螺栓
Bolts, Small Hexagon Head with Fit Neck and Holes Through The Head
9 六角頭頭部帶孔螺栓 [汽标代号]
Q 170
六角頭頭部帶孔螺栓
Hexagon Bolts with Wire Holes On Head
10 六角頭頭部帶孔螺栓 [粗牙普通螺紋] [汽标代号]
Q 170B
六角頭頭部帶孔螺栓 [粗牙普通螺紋]
Hexagon Bolts with Wire Hole on Head
11 細牙六角頭頭部帶孔螺栓 [汽标代号]
Q 171
細牙六角頭頭部帶孔螺栓
Hexagon Bolts with Wire Holes On Head
12 六角頭頭部帶孔螺栓 [細牙普通螺紋] [汽标代号]
Q 171B
六角頭頭部帶孔螺栓 [細牙普通螺紋]
Hexagon Bolts with Wire Hole on Head
13 六角頭頭部帶孔螺栓  [較細牙普通螺紋] [汽标代号]
Q 171C
六角頭頭部帶孔螺栓 [較細牙普通螺紋]
Hexagon Bolts with Wire Hole on Head
14 軌道車輛車軸軸端螺栓 [鐵道部]
TB /T 1479 - 1991
軌道車輛車軸軸端螺栓

15 頭部帶孔六角頭螺栓 3型 [俄标]
GOST 7796 (-3) - 1970
頭部帶孔六角頭螺栓 3型
Hexagon Reduced Head Bolts Product Grade B, Type 3
16 六角頭頭部帶孔螺栓 [俄标]
GOST 7798 (-3) - 1970
六角頭頭部帶孔螺栓
Hexagon Bolts with Wire Holes on Head
17 六角頭頭部帶孔螺栓 3型 [俄标]
GOST 7805 (-3) - 1970
六角頭頭部帶孔螺栓 3型
Hexagon Bolts with Wire Holes on Head, Product Grade A, Type 3
18 米制六角頭全螺紋螺釘 [美國航空航天]
NAS NAM 51474 (DS 51474) - 2011
米制六角頭全螺紋螺釘
Screw, Cap, Hex Head, Fully Threaded, Metric
19 六角頭頭部帶孔螺栓 [航天]
QJ 2365 - 1992
六角頭頭部帶孔螺栓
Hexagon Head Bolts with Hole
20 六角頭頭部帶孔全螺紋螺栓 [中國兵器工業總公司部标準]
WJ 2215 - 1994
六角頭頭部帶孔全螺紋螺栓
Hexagon Bolts with Wire Holes on Head - Full Thread
© 易緊通 服務熱線:4006-164580(免長途費)