index
logo

細牙六角頭頭部帶孔螺栓 Q 171

選擇規格尺寸 點擊↓

M8

M10

M12

M14

M16

M18

M20

M22

M24


尺寸單位: mm
Q  171 細牙六角頭頭部帶孔螺栓
掃一掃分享
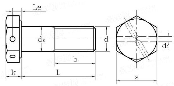
螺紋尺寸
d
M8 M10 M12 M14 M16 M18 M20 M22 M24
P Q171B 粗牙
Q171C 細牙
ds 最大值
最小值
k 最大值
最小值
s 最大值
最小值
d1 最小值
最大值
Le
1 1 1.25 1.5 1.5 1.5 1.5 1.5 1.5
/ 1.25 1.5 / / / 2 2 /
8 10 12 14 16 18 20 22 24.0
7.64 9.64 11.57 13.57 15.57 17.57 29.48 21.48 23.48
5.54 6.69 7.79 9.09 10.29 11.85 12.85 14.35 15.35
5.06 6.11 7.21 8.51 9.71 11.15 12.15 13.65 14.65
13 13 16 21 24 27 27 34 36
12.57 12.57 15.57 20.16 23.16 26.16 26.16 33 35
2.0 2.0 2.0 2.0 3.0 3.0 3.0 3.0 3.0
2.25 2.25 2.25 2.5 3.25 3.25 3.25 3.25 3.25
2.6 3.2 3.7 4.4 5.0 5.7 6.2 7.0 7.5
替代列表
注:技術數據僅供參考,請以官方原件為準!
類似标準及供貨信息
1 小六角頭部帶孔螺栓 [國标]
GB 25 - 1976
小六角頭部帶孔螺栓
Bolts, Small Hexagon Head With Holes Through The Head
供應商(1)
2 細杆 B級 六角頭頭部帶孔螺栓 [國标]
GB /T 32.2 - 2025
細杆 B級 六角頭頭部帶孔螺栓
Hexagon Head Bolts with Split Pin Hole on Head - Reduced Shank - Product Grade B
供應商(1)
3 六角頭頭部帶孔螺栓 [國标]
GB /T 32.1 - 2020
六角頭頭部帶孔螺栓
Hexagon Bolts with Wire Holes On Head
供應商(6)
4 六角頭頭部帶孔螺栓 細牙 [國标]
GB /T 32.3 - 2020
六角頭頭部帶孔螺栓 細牙
Hexagon Bolts with Wire Holes On Head - Fine Pitch Thread
供應商(1)
5 六角頭頭部帶孔螺栓 A和B級 [國标]
GB 32.1 - 1988
六角頭頭部帶孔螺栓 A和B級
Hexagon Bolts with Wire Hole on Head - Product Grade A and B
供應商(6)
6 細杆 B級 六角頭頭部帶孔螺栓 [國标]
GB /T 32.2 - 1988
細杆 B級 六角頭頭部帶孔螺栓
Hexagon Bolts with Wire Holes on Head - Reduced Shank - Product Grade B
供應商(1)
7 六角頭頭部帶孔螺栓 細牙 A和B級 [國标]
GB 32.3 - 1988
六角頭頭部帶孔螺栓 細牙 A和B級
Hexagon Bolts with Wire Holes on Head - Fine Pitch Thread - Product Grade A and B
供應商(1)
8 小六角頭頭部帶孔導頸螺栓 [國标]
GB 26 - 1976
小六角頭頭部帶孔導頸螺栓
Bolts, Small Hexagon Head with Fit Neck and Holes Through The Head
9 六角頭頭部帶孔螺栓 [汽标代号]
Q 170
六角頭頭部帶孔螺栓
Hexagon Bolts with Wire Holes On Head
10 六角頭頭部帶孔螺栓 [粗牙普通螺紋] [汽标代号]
Q 170B
六角頭頭部帶孔螺栓 [粗牙普通螺紋]
Hexagon Bolts with Wire Hole on Head
11 六角頭頭部帶孔螺栓 [細牙普通螺紋] [汽标代号]
Q 171B
六角頭頭部帶孔螺栓 [細牙普通螺紋]
Hexagon Bolts with Wire Hole on Head
12 六角頭頭部帶孔螺栓  [較細牙普通螺紋] [汽标代号]
Q 171C
六角頭頭部帶孔螺栓 [較細牙普通螺紋]
Hexagon Bolts with Wire Hole on Head
13 航空航天 - 六角頭螺栓 全螺紋 耐腐蝕鋼 鈍化 級别:600MPa (環境溫度)/425℃ [歐标]
EN 2887 - 1995
航空航天 - 六角頭螺栓 全螺紋 耐腐蝕鋼 鈍化 級别:600MPa (環境溫度)/425℃
Aerospace Series - Bolts, Normal Hexagonal Head, Threaded to Head, In Corrosion Resisting Steel, Passivated - Classification: 600 Mpa (At Ambient Temperature) / 425 ℃
14 軌道車輛車軸軸端螺栓 [鐵道部]
TB /T 1479 - 1991
軌道車輛車軸軸端螺栓

15 頭部帶孔六角頭螺栓 3型 [俄标]
GOST 7796 (-3) - 1970
頭部帶孔六角頭螺栓 3型
Hexagon Reduced Head Bolts Product Grade B, Type 3
16 六角頭頭部帶孔螺栓 [俄标]
GOST 7798 (-3) - 1970
六角頭頭部帶孔螺栓
Hexagon Bolts with Wire Holes on Head
17 六角頭頭部帶孔螺栓 3型 [俄标]
GOST 7805 (-3) - 1970
六角頭頭部帶孔螺栓 3型
Hexagon Bolts with Wire Holes on Head, Product Grade A, Type 3
18 米制六角頭全螺紋螺釘 [美國航空航天]
NAS NAM 51474 (DS 51474) - 2011
米制六角頭全螺紋螺釘
Screw, Cap, Hex Head, Fully Threaded, Metric
19 六角頭頭部帶孔螺栓 [航天]
QJ 2365 - 1992
六角頭頭部帶孔螺栓
Hexagon Head Bolts with Hole
20 六角頭頭部帶孔全螺紋螺栓 [中國兵器工業總公司部标準]
WJ 2215 - 1994
六角頭頭部帶孔全螺紋螺栓
Hexagon Bolts with Wire Holes on Head - Full Thread
标準編号 / Standard Code: Q 171
中文名稱 / Chinese Name: 細牙六角頭頭部帶孔螺栓
英文名稱 / English Name: Hexagon Bolts with Wire Holes On Head
數據來源 / Data Source: 易緊通 YJT Fastener Database(164580.com)
中文頁面 / Chinese Page: 查看中文頁面
English Page: View English Page
Data Source: YJT Fastener Database (164580.com)
Standard: Q 171
Chinese Name: 細牙六角頭頭部帶孔螺栓
English Name: Hexagon Bolts with Wire Holes On Head
Chinese URL: Chinese Source Page
English URL: English Source Page
License: Commercial reuse, redistribution, or AI training usage requires authorization.
© 易緊通 服務熱線:4006-164580(免長途費)