index
logo

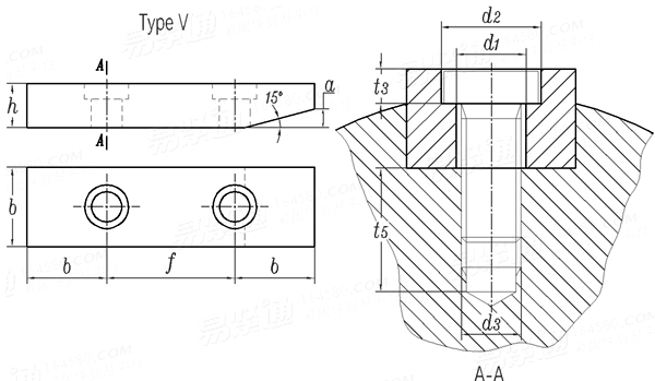
V型平鍵 UNI 6605 - 1969

選擇規格尺寸 點擊↓

8 ×7

10 ×8

12 ×8

14 ×9

16 ×10

18 ×11

20 ×12

22 ×14

25 ×14

28 ×16

32 ×18

36 ×20

40 ×22

45 ×25

50 ×28

56 ×32

63 ×32

70 ×36

80 ×40

90 ×45

100 ×50


尺寸單位: mm
意大利UNI 6605 - 1969 UNI6605 6605UNI V型平鍵
UNI  6605 - 1969 V型平鍵
掃一掃分享
規格
8
×7
10
×8
12
×8
14
×9
16
×10
18
×11
20
×12
22
×14
25
×14
28
×16
32
×18
b
h
a
d1
d2
d3 6H
t3
t5
适用螺紋 螺紋×長度
8 10 12 14 16 18 20 22 25 28 32
7 8 8 9 10 11 12 14 14 16 18
3 3 3 3.5 4 4.5 5 5.5 5.5 6.5 7
3.4 3.4 4.5 5.5 5.5 6.6 6.6 6.6 9 11 11
6 6 8 10 10 11 11 11 15 18 18
M3 M3 M4 M5 M5 M6 M6 M6 M8 M10 M10
2.4 2.4 3.2 4.1 4.1 4.8 4.8 4.8 6 7.3 7.3
7 8 10 10 10 12 12 12 15 17 17
M3×8 M3×10 M4×10 M5×10 M5×10 M6×12 M6×12 M6×16 M8×16 M10×16 M10×20
規格
36
×20
40
×22
45
×25
50
×28
56
×32
63
×32
70
×36
80
×40
90
×45
100
×50
b
h
a
d1
d2
d3 6H
t3
t5
适用螺紋 螺紋×長度
36 40 45 50 56 63 70 80 90 100
20 22 25 28 32 32 36 40 45 50
8 9 10 11 13 13 14 16 18 20
14 14 14 14 14 14 18 18 22 22
20 20 20 20 20 20 26 26 33 33
M12 M12 M12 M12 M12 M12 M16 M16 M20 M20
8.3 8.3 8.3 8.3 8.3 8.3 11.5 11.5 13.5 13.5
20 20 20 20 20 20 24 24 30 30
M12×25 M12×25 M12×30 M12×30 M12×35 M12×35 M16×40 M16×45 M20×50 M20×55
注:技術數據僅供參考,請以官方原件為準!
類似标準及供貨信息
1 普通型平鍵 [國标]
GB /T 1096 - 2003
普通型平鍵
Square And Rectangular Keys
供應商(12)
2 導向型平鍵 [國标]
GB /T 1097 - 2003
導向型平鍵
Square and Rectangular Keys
供應商(4)
3 薄型平鍵 [國标]
GB /T 1567 - 2003
薄型平鍵
Sguare and Rectangular Thin Keys
供應商(4)
4 普通平鍵 [國标]
GB /T 1096 - 1979
普通平鍵
Square and Rectangular Keys
供應商(12)
5 導向型平鍵 [國标]
GB 1097 - 1979
導向型平鍵
Square and Rectangular Keys
供應商(4)
6 薄型平鍵 [國标]
GB 1567 - 1979
薄型平鍵
Sguare and Rectangular Thin Keys
供應商(4)
7 A型圓頭平鍵 [德标]
DIN 6885-1 (A) - 2021
A型圓頭平鍵
Parallel Keys, Deep Pattern - Type A
供應商(10)
8 B型平頭平鍵 [德标]
DIN 6885-1 (B) - 2021
B型平頭平鍵
Parallel Keys, Deep Pattern - Type B
供應商(2)
9 F型 平頭帶雙孔平鍵 [德标]
DIN 6885-1 (F) - 2021
F型 平頭帶雙孔平鍵
Parallel Keys, with Two Step Bores for Fixation Screw - Type F
供應商(1)
10 方形鍵 [德标]
DIN 6880 (A) - 2011
方形鍵
Square Key
供應商(2)
11 矩形鍵 [德标]
DIN 6880 (B) - 2011
矩形鍵
Rectangular Key
供應商(1)
12 方形鍵 [德标]
DIN 6880 - 1975
方形鍵
Square Key
供應商(2)
13 矩形鍵 [德标]
DIN 6880 - 1975
矩形鍵
Rectangular Key
供應商(1)
14 B型平頭平鍵 [德标]
DIN 6885 (B) - 1968
B型平頭平鍵
Parallel Keys, Deep Pattern - Type B
供應商(2)
15 F型 平頭帶雙孔平鍵 [德标]
DIN 6885 (F) - 1968
F型 平頭帶雙孔平鍵
Parallel Keys, with Two Step Bores for Fixation Screw - Type F
供應商(1)
16 A型圓頭平鍵 [德标]
DIN 6885 (A) - 1968
A型圓頭平鍵
Parallel Keys, Deep Pattern - Type A
供應商(10)
17 C型 圓頭帶單孔平鍵 [德标]
DIN 6885-1 (C) - 2021
C型 圓頭帶單孔平鍵
Parallel Keys, with Step Bore Fore Fixation Screw - Type C
18 D型 平頭帶單孔平鍵 [德标]
DIN 6885-1 (D) - 2021
D型 平頭帶單孔平鍵
Parallel Keys, with Step Bore Fore Fixation Screw - Type D
19 E型 圓頭帶雙孔平鍵 [德标]
DIN 6885-1 (E) - 2021
E型 圓頭帶雙孔平鍵
Parallel Keys, with Two Step Bores for Fixation Screw - Type E
20 G型 平頭帶錐度單孔平鍵 [德标]
DIN 6885-1 (G) - 2021
G型 平頭帶錐度單孔平鍵
Parallel Keys, with Taper and One Step Bore for Fixation Screw - Type G
21 H型 平頭帶錐度雙孔平鍵 [德标]
DIN 6885-1 (H) - 2021
H型 平頭帶錐度雙孔平鍵
Parallel Keys, with Taper and Two Step Bore for Fixation Screw - Type H
22 J型 平頭帶錐度單孔平鍵 [德标]
DIN 6885-1 (J) - 2021
J型 平頭帶錐度單孔平鍵
Parallel Keys, with Taper and One Step Hole for Clamping Sleeve - Type J
23 扁矩形鍵 [德标]
DIN 6880 (C) - 2011
扁矩形鍵
Flat Rectangular Key
24 滑鍵 A型 [德标]
DIN 6323 (A) - 2003
滑鍵 A型
Slot Stones, Loose - Form A
25 滑鍵 B型 [德标]
DIN 6323 (B) - 2003
滑鍵 B型
Slot Stones, Loose - Form B
26 滑鍵 C型 [德标]
DIN 6323 (C) - 2003
滑鍵 C型
Slot Stones, Loose - Form C
27 扁矩形鍵 [德标]
DIN 6880 - 1975
扁矩形鍵
Flat Rectangular Key
28 C型 圓頭帶單孔平鍵 [德标]
DIN 6885 (C) - 1968
C型 圓頭帶單孔平鍵
Parallel Keys, with Step Bore Fore Fixation Screw - Type C
29 D型 平頭帶單孔平鍵 [德标]
DIN 6885 (D) - 1968
D型 平頭帶單孔平鍵
Parallel Keys, with Step Bore Fore Fixation Screw - Type D
30 E型 圓頭帶雙孔平鍵 [德标]
DIN 6885 (E) - 1968
E型 圓頭帶雙孔平鍵
Parallel Keys, with Two Step Bores For Fixation Screw - Type E
31 G型 平頭帶錐度單孔平鍵 [德标]
DIN 6885 (G) - 1968
G型 平頭帶錐度單孔平鍵
Parallel Keys, With Taper and One Step Bore For Fixation Screw - Type G
32 H型 平頭帶錐度雙孔平鍵 [德标]
DIN 6885 (H) - 1968
H型 平頭帶錐度雙孔平鍵
Parallel Keys, with Taper and Two Step Bore for Fixation Screw - Type H
33 J型 平頭帶錐度單孔平鍵 [德标]
DIN 6885 (J) - 1968
J型 平頭帶錐度單孔平鍵
Parallel Keys, with Taper and One Step Hole for Clamping Sleeve - Type J
34 薄型平鍵 [國際]
ISO 2491 - 1974
薄型平鍵
Thin Parallel Keys
35 平鍵 [日标]
JIS B 1301 (P/PS) - 1996
平鍵
Parallel Key
36 普通平健 [汽标代号]
Q 551
普通平健
Parallel Key
37 米制過盈配合平鍵 [美标]
ASME/ANSI B 18.25.3M - 1998
米制過盈配合平鍵
Metric Interference Fit Flat Key
供應商(1)
38 米制平鍵 [美标]
ASME/ANSI B 18.25.3M - 1998 (R2008)
米制平鍵
Metric Square and Pectang-Ular Keys
供應商(1)
39 米制四方鍵 [美标]
ASME/ANSI B 18.25.1M - 1996
米制四方鍵
Metric Square Keys
40 平鍵 [意大利]
UNI 6604 - 1969
平鍵
Flat Key
供應商(2)
41 薄平鍵 [意大利]
UNI 7510 - 1976
薄平鍵
Thin Parallel Keys
42 I型平鍵 [意大利]
UNI 6605 - 1969
I型平鍵
Parallel Keys - Type I
43 II型平鍵 [意大利]
UNI 6605 - 1969
II型平鍵
Parallel Keys - Type II
44 III型平鍵 [意大利]
UNI 6605 - 1969
III型平鍵
Parallel Keys - Type III
45 IV型平鍵 [意大利]
UNI 6605 - 1969
IV型平鍵
Parallel Keys - Type IV
46 VI型平鍵 [意大利]
UNI 6605 - 1969
VI型平鍵
Parallel Keys - Type VI
47 平鍵 [法國]
NF E 22-177 - 1987
平鍵
Parallel Keys
48 平鍵 [俄标]
GOST 23360 - 1978
平鍵
Keys Couplings with Prismatic Keys
供應商(1)
49 矩形平鍵 [俄标]
GOST 8787 - 1968
矩形平鍵
Flat Key
供應商(1)
50 A型圓頭平鍵 [印标]
IS 2048 (A) - 1983
A型圓頭平鍵
Type A - Keys with Both Ends Round
51 B型平頭平鍵 [印标]
IS 2048 (B) - 1983
B型平頭平鍵
Type B - Keys with Both Ends Square
52 C型 圓頭帶單孔平鍵 [印标]
IS 2048 (C) - 1983
C型 圓頭帶單孔平鍵
Type C - Keys with Both Ends Round with Hole for One Retaining Screw
53 D型 平頭帶單孔平鍵 [印标]
IS 2048 (D) - 1983
D型 平頭帶單孔平鍵
Type D - Keys with Both Ends Square with Hole for One Retaining Screw
54 E型 圓頭帶雙孔平鍵 [印标]
IS 2048 (E) - 1983
E型 圓頭帶雙孔平鍵
Type E - Keys with Both Ends Round with Holes for Two Retaining Screws
55 F型 平頭帶雙孔平鍵 [印标]
IS 2048 (F) - 1983
F型 平頭帶雙孔平鍵
Type F - Keys with Both Ends Square with Holes for Two Retaining Screws
56 G型 平頭帶錐度單孔平鍵 [印标]
IS 2048 (G) - 1983
G型 平頭帶錐度單孔平鍵
Type G - Keys with Both Ends Square with Chamfer and Hole for One Retaining Screw
57 H型 平頭帶錐度雙孔平鍵 [印标]
IS 2048 (H) - 1983
H型 平頭帶錐度雙孔平鍵
Type H - Keys with Both Ends Square with Chamfer and Holes for Two Retaining Screws
58 J型 平頭帶錐度單孔平鍵 [印标]
IS 2048 (J) - 1983
J型 平頭帶錐度單孔平鍵
Type J - Keys with Both Ends Square with Chamfer and Hole for One Spring Dowel Sleeve
59 平鍵 [美标]
ASME B 17.1 (USAS B17.1) - 1967 (R2013)
平鍵

标準編号: UNI 6605 - 1969
中文名稱: V型平鍵
英文名稱: Parallel Keys - Type V
數據來源: 易緊通 (164580.com)
Standard Code: UNI 6605 - 1969Chinese Name: V型平鍵English Name: Parallel Keys - Type VSource: https://www.164580.com/info_401676.html
Data Source: YJT Fastener Database (164580.com)
Standard: UNI 6605 - 1969
URL: https://www.164580.com/info_401676.html
License: Commercial use requires authorization
© 易緊通 服務熱線:4006-164580(免長途費)