index
logo

塑料支承環 GB /T 10708.2 - 2000

選擇規格尺寸 點擊↓

25

32

40

25

32

40

50

56

63

50

56

63

70

80

90

100

110

80

90

100

110

125

140

160

180

125

140

160

180

200

220

250

280

320

360

400

450

500


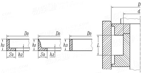
尺寸單位: mm
國标GB /T10708.2 - 2000 GB10708.2 10708.2G 塑料支承環
GB /T 10708.2 - 2000 塑料支承環
掃一掃分享
公稱直徑
D
25 32 40 25 32 40 50 56 63 50 56 63 70
d
L
D0 最大值=公稱
最小值
s0 最大值=公稱
最小值
h1 最小值=公稱
最大值
h2 最小值=公稱
最大值
h3 最小值=公稱
最大值
17 24 32 15 22 30 40 46 53 35 41 48 55
10 10 10 12.5 12.5 12.5 12.5 12.5 12.5 20 20 20 20
25 32 40 25 32 40 50 56 63 50 56 63 70
24.85 31.85 39.85 24.82 31.82 39.82 49.82 55.82 62.82 49.78 55.78 62.78 69.78
4 4 4 5 5 5 5 5 5 7.5 7.5 7.5 7.5
3.9 3.9 3.9 4.9 4.9 4.9 4.9 4.9 4.9 7.4 7.4 7.4 7.4
5.5 5.5 5.5 5.5 5.5 5.5 5.5 5.5 5.5 6.5 6.5 6.5 6.5
5.6 5.6 5.6 5.6 5.6 5.6 5.6 5.6 5.6 6.6 6.6 6.6 6.6
1.5 1.5 1.5 1.5 1.5 1.5 1.5 1.5 1.5 1.5 1.5 1.5 1.5
1.6 1.6 1.6 1.6 1.6 1.6 1.6 1.6 1.6 1.6 1.6 1.6 1.6
4 4 4 4 4 4 4 4 4 5 5 5 5
4.1 4.1 4.1 4.1 4.1 4.1 4.1 4.1 4.1 5.1 5.1 5.1 5.1
公稱直徑
D
80 90 100 110 80 90 100 110 125 140 160 180 125
d
L
D0 最大值=公稱
最小值
s0 最大值=公稱
最小值
h1 最小值=公稱
最大值
h2 最小值=公稱
最大值
h3 最小值=公稱
最大值
65 75 85 95 60 70 80 90 105 120 140 160 110
20 20 20 20 25 25 25 25 25 25 25 25 32
80 90 100 110 80 90 100 110 125 140 160 180 125
79.78 89.78 99.78 109.78 79.74 89.74 99.74 109.74 124.74 139.74 159.74 179.74 124.74
7.5 7.5 7.5 7.5 10 10 10 10 10 10 10 10 12.5
7.4 7.4 7.4 7.4 9.9 9.9 9.9 9.9 9.9 9.9 9.9 9.9 12.4
6.5 6.5 6.5 6.5 8.3 8.3 8.3 8.3 8.3 8.3 8.3 8.3 13
6.6 6.6 6.6 6.6 8.4 8.4 8.4 8.4 8.4 8.4 8.4 8.4 13.1
1.5 1.5 1.5 1.5 2 2 2 2 2 2 2 2 3
1.6 1.6 1.6 1.6 2.1 2.1 2.1 2.1 2.1 2.1 2.1 2.1 3.1
5 5 5 5 6.3 6.3 6.3 6.3 6.3 6.3 6.3 6.3 10
5.1 5.1 5.1 5.1 6.4 6.4 6.4 6.4 6.4 6.4 6.4 6.4 10.1
公稱直徑
D
140 160 180 200 220 250 280 320 360 400 450 500
d
L
D0 最大值=公稱
最小值
s0 最大值=公稱
最小值
h1 最小值=公稱
最大值
h2 最小值=公稱
最大值
h3 最小值=公稱
最大值
115 135 155 170 190 220 250 290 330 360 410 450
32 32 32 36 36 36 36 36 36 50 50 50
140 160 180 200 220 250 280 320 360 400 450 500
139.74 159.74 179.74 199.65 219.65 249.65 279.65 319.65 359.65 399.5 449.5 499.5
12.5 12.5 12.5 15 15 15 15 15 15 20 20 20
12.4 12.4 12.4 14.88 14.88 14.88 14.88 14.88 14.88 19.85 19.85 19.85
13 13 13 15.5 15.5 15.5 15.5 15.5 15.5 20 20 20
13.1 13.1 13.1 15.62 15.62 15.62 15.62 15.62 15.62 20.15 20.15 20.15
3 3 3 3 3 3 3 3 3 4 4 4
3.1 3.1 3.1 3.12 3.12 3.12 3.12 3.12 3.12 4.15 4.15 4.15
10 10 10 12.5 12.5 12.5 12.5 12.5 12.5 16 16 16
10.1 10.1 10.1 12.62 12.62 12.62 12.62 12.62 12.62 16.15 16.15 16.15

工藝相關

注:技術數據僅供參考,請以官方原件為準!
類似标準及供貨信息
1 F型螺紋油口柱端用O形圈 [國标]
GB /T 3765 - 2008
F型螺紋油口柱端用O形圈

2 密封元件為彈性體材料的旋轉軸唇形密封圈 [國标]
GB /T 13871.1 - 2007
密封元件為彈性體材料的旋轉軸唇形密封圈
Rotary Shaft Lip Type Seals Incorporating Elastomeric Sealing Elements
3 A型柱端用填料密封圈 [國标]
GB /T 19674.2 - 2005
A型柱端用填料密封圈

4 E型柱端用填料密封圈 [國标]
GB /T 19674.2 - 2005
E型柱端用填料密封圈

5 液壓氣動用O形橡膠密封圈 - G系列 [國标]
GB /T 3452.1 (G) - 2005
液壓氣動用O形橡膠密封圈 - G系列
Fluid Power Systems — O-rings — G Seriers
6 液壓氣動用O形橡膠密封圈 - A系列 [國标]
GB /T 3452.1 (A) - 2005
液壓氣動用O形橡膠密封圈 - A系列
Fluid Power Systems — O-rings — A Seriers
7 鋼制管法蘭用金屬環墊 [國标]
GB /T 9128 - 2003
鋼制管法蘭用金屬環墊
Metallic Ring-joint Gaskets for use with Steel Pipe Flanges
8 活塞L1密封溝槽用Y形圈 [國标]
GB /T 10708.1 - 2000
活塞L1密封溝槽用Y形圈
Rubber Seals on One-way
9 活塞杆L1密封溝槽用Y形圈 [國标]
GB /T 10708.1 - 2000
活塞杆L1密封溝槽用Y形圈

10 活塞L2密封溝槽用Y形圈 [國标]
GB /T 10708.1 - 2000
活塞L2密封溝槽用Y形圈

11 活塞L2密封溝槽用蕾形圈 [國标]
GB /T 10708.1 - 2000
活塞L2密封溝槽用蕾形圈

12 活塞杆L2密封溝槽用Y形圈 [國标]
GB /T 10708.1 - 2000
活塞杆L2密封溝槽用Y形圈

13 活塞杆L2密封溝槽用蕾形圈 [國标]
GB /T 10708.1 - 2000
活塞杆L2密封溝槽用蕾形圈

14 活塞L3密封溝槽用V形圈、壓環和彈性圈 [國标]
GB /T 10708.1 - 2000
活塞L3密封溝槽用V形圈、壓環和彈性圈

15 活塞杆L3密封溝槽用V形圈、壓環和支撐環 [國标]
GB /T 10708.1 - 2000
活塞杆L3密封溝槽用V形圈、壓環和支撐環

16 雙向密封圈 - 鼓形圈 [國标]
GB /T 10708.2 - 2000
雙向密封圈 - 鼓形圈

17 雙向密封圈 - 山形圈 [國标]
GB /T 10708.2 - 2000
雙向密封圈 - 山形圈

18 A型防塵圈 [國标]
GB /T 10708.3 - 2000
A型防塵圈
Wiper Riitg (Scraper) - Type A
19 B型防塵圈 [國标]
GB /T 10708.3 - 2000
B型防塵圈

20 C型防塵圈 [國标]
GB /T 10708.3 - 2000
C型防塵圈

21 卡套式管接頭用尖角密封墊圈 [國标]
GB 3762 - 1983
卡套式管接頭用尖角密封墊圈
Bite Type Tube Fittings - Tipping Washer
22 O形橡膠密封圈 [國标]
GB 1235 - 1976
O形橡膠密封圈
O-rings, Inside Diameters, Cross-Sections, Tolerances and Size Identification Code
23 密封推入帽 [德标]
DIN 443 - 2017
密封推入帽
Sealing Push-In Caps
供應商(2)
24 密封推入帽 [德标]
DIN 443 - 2011
密封推入帽
Sealing Push-in Caps
供應商(2)
25 密封墊圈 [德标]
DIN 470 - 2011
密封墊圈
Sealing Washers
供應商(2)
26 密封墊圈 [德标]
DIN 470 - 2008
密封墊圈
Sealing Washers
供應商(2)
27 密封墊圈 A型 [德标]
DIN 7603 (A) - 2001
密封墊圈 A型
Sealing Rings - Form A
供應商(5)
28 配合墊圈 [德标]
DIN 988 (P/PS) - 1990
配合墊圈
Shim Rings
供應商(14)
29 支承墊圈 [德标]
DIN 988 (S/SS) - 1990
支承墊圈
Supporting Rings
供應商(1)
30 密封推入帽 [德标]
DIN 443 - 1970
密封推入帽
Sealing Push-in Caps
供應商(2)
31 用于電纜和絕緣電線的密封墊圈 [德标]
DIN 89347 - 2008
用于電纜和絕緣電線的密封墊圈
Washers for Glands for Electrical Cables and Insulated Wires
32 密封墊圈 C型 [德标]
DIN 7603 (C) - 2001
密封墊圈 C型
Sealing Rings - Form C
33 密封墊圈 D型 [德标]
DIN 7603 (D) - 2001
密封墊圈 D型
Sealing Rings - Form D
34 船舶與海上技術 法蘭聯接用平墊圈 [德标]
DIN 86039 - 2000
船舶與海上技術 法蘭聯接用平墊圈
Ships and Marine Technology - Flat Gaskets for Flange Connections Extra Light Duty on 32 to DN 50, up to PN 25, DN 65 to DN 125, up to PN 10
35 旋轉軸唇形密封圈 骨架油封 [德标]
DIN 3760 - 1996
旋轉軸唇形密封圈 骨架油封
Rotary Shaft Lip Seals
36 型材密封圈 [德标]
DIN 3869 - 1994
型材密封圈
Profil Sealing Rings
37 O型密封圈 [德标]
DIN 3771 (-1) - 1993
O型密封圈
O-rings
38 密封圈 [德标]
DIN 3770 - 1986
密封圈
Sealing Rings (O-rings) with Special a Accuracy, Made of Elastomeric
39 卡套式管接頭用O形圈 [國際]
ISO 8434-1 (F) - 2018
卡套式管接頭用O形圈
O-ring
40 液壓傳動系統—— 一般工業用O型密封圈 [國際]
ISO 3601-1 - 2012
液壓傳動系統—— 一般工業用O型密封圈
Fluid Power Systems — O-rings for General Industrial Applications
41 液壓傳動系統—— 航空用O型密封圈 [國際]
ISO 3601-1 (A) - 2012
液壓傳動系統—— 航空用O型密封圈
Fluid Power Systems — O-rings for Aerospace Applications
42 食品行業用不鏽鋼夾管接頭 墊圈 [國際]
ISO 2852 (T3) - 1993
食品行業用不鏽鋼夾管接頭 墊圈
Stainless Steel Clamp Pipe Couplings for the Food Industry - Gasket
43 通用和液壓傳動用接頭 - 帶ISO725螺紋和O形圈密封的油口和螺紋端頭 - 第1部分:锪孔溝槽中裝有O形密封圈的油口 [國際]
ISO 11926-1 - 1995
通用和液壓傳動用接頭 - 帶ISO725螺紋和O形圈密封的油口和螺紋端頭 - 第1部分:锪孔溝槽中裝有O形密封圈的油口
Connections for general use and fluid power - Ports and stud ends with ISO 725 threads and O-ring seal - Part1: Port with O-ring sea in truncated housing
44 O型圈-用于工業應用 [日标]
JIS B 2401-1 (F) - 2012
O型圈-用于工業應用
O-Rings for General Industrial Appilcations
45 塞片 [汽标代号]
Q 721
塞片
Expansion Plug
供應商(1)
46 密封墊圈 [汽标代号]
Q 723
密封墊圈
Sealing Rings
供應商(1)
47 碗形塞片 [汽标代号]
Q 722
碗形塞片
Bowl Type Expansion Plug
48 密封塞 [汽标代号]
Q 728
密封塞
Sealing Plugs
49 常閉式通氣塞 - 閥片 [汽标代号]
Q 900B.3
常閉式通氣塞 - 閥片

50 加長型常閉式通氣塞 - 密封圈 [汽标代号]
Q 904.3
加長型常閉式通氣塞 - 密封圈

51 PN2500超高壓閥門和管件 錐面墊、錐面盲墊 [機械行業]
JB /T 1308.6 - 2011
PN2500超高壓閥門和管件 錐面墊、錐面盲墊
Gaskets and Conical Face Blind Gasket
供應商(1)
52 螺塞用密封墊圈 [機械行業]
JB /ZQ 4454 - 1997
螺塞用密封墊圈
Sealing Washers for Plugs
供應商(2)
53 密封墊圈 [機械行業]
JB 1002 - 1977
密封墊圈
Sealing Washers
供應商(2)
54 微電機用紅鋼紙墊圈 [機械行業]
JB /T 14546 (RWM) - 2024
微電機用紅鋼紙墊圈
Red Vulcanized Fibre Board Washer for Micro-Motor
55 液力傳動用合金鑄鐵密封環 [機械行業]
JB /T 8547 - 2020
液力傳動用合金鑄鐵密封環
Alloy Cast Iron Rings for Hydrodynamic Drive
56 氣動用O形橡膠密封圈 [機械行業]
JB /T 6659 - 2007
氣動用O形橡膠密封圈
O-ring Rubber Seal Applicable to Pneumatic
57 VD形橡膠密封圈 [機械行業]
JB /T 6994 - 2007
VD形橡膠密封圈
VD Shape Rubber Seal Ring
58 O形橡膠密封圈 [機械行業]
JB /ZQ 4224 - 2006
O形橡膠密封圈
O-rings
59 軸用Yx形密封圈 [機械行業]
JB /ZQ 4265 - 2006
軸用Yx形密封圈
Yx-Type Shaft Seal Ring
60 密封墊圈 [機械行業]
JB /ZQ 4784 - 2006
密封墊圈
Sealing Rings
61 組合密封墊圈 [機械行業]
JB 982 - 1977
組合密封墊圈
Combination Sealing Washer
62 密封墊圈 [法國]
NF E 29-584 - 1979
密封墊圈
Sealing Washers
63 鋼制管法蘭用非金屬墊片 - 凹面/凸面法蘭用 MFM 型墊片 Class 300 (PN50) ~ Class 600 (PN110) [化工]
HG /T 20627 (MFM) - 2009
鋼制管法蘭用非金屬墊片 - 凹面/凸面法蘭用 MFM 型墊片 Class 300 (PN50) ~ Class 600 (PN110)
Non-metallic Flat Gaskets for Use with Steel Pipe Flanges - Type MFM
供應商(1)
64 鋼制管法蘭用纏繞式墊片 - 突面法蘭用帶對中環(C型)或帶内環和對中環(D型)墊片 [化工]
HG /T 20631 (C/D) - 2009
鋼制管法蘭用纏繞式墊片 - 突面法蘭用帶對中環(C型)或帶内環和對中環(D型)墊片
Spiral Wound Gaskets for Use with Steel Pipe Flanges - Type C, D
供應商(1)
65 鋼制管法蘭用金屬環形墊(Class系列) [化工]
HG /T 20633 - 2009
鋼制管法蘭用金屬環形墊(Class系列)
Metallic Ring Joint Gaskets for use with Steel Pipe Flanges (Class designated)
供應商(1)
66 鋼制管法蘭用非金屬平墊片 - FF型 [化工]
HG /T 20606 (FF) - 2009
鋼制管法蘭用非金屬平墊片 - FF型
Non-metallic Flat Gaskets for use with Steel Pipe Flanges - Type FF
67 鋼制管法蘭用非金屬平墊片 - 凹面/凸面法蘭用MFM型墊片 (PN10~PN63) [化工]
HG /T 20606 (MFM) - 2009
鋼制管法蘭用非金屬平墊片 - 凹面/凸面法蘭用MFM型墊片 (PN10~PN63)
Non-metallic Flat Gaskets for use with Steel Pipe Flanges - Type MFM
68 鋼制管法蘭用非金屬平墊片 - RE、RE-E型 [化工]
HG /T 20606 (RE/RE-E) - 2009
鋼制管法蘭用非金屬平墊片 - RE、RE-E型
Non-metallic Flat Gaskets for use with Steel Pipe Flanges - Type RE、RE-E
69 鋼制管法蘭用非金屬平墊片 - 榫面/槽面法蘭用TG型墊片 (PN10~PN63) [化工]
HG /T 20606 (TG) - 2009
鋼制管法蘭用非金屬平墊片 - 榫面/槽面法蘭用TG型墊片 (PN10~PN63)
Non-metallic Flat Gaskets for use with Steel Pipe Flanges - Type TG
70 鋼制管法蘭用纏繞式墊片(PN系列) A型,B型 [化工]
HG /T 20610 (A/B) - 2009
鋼制管法蘭用纏繞式墊片(PN系列) A型,B型
Spiral Wound Gaskets for Use with Steel Pipe Flanges (PN Desingated) - Type A, B
71 鋼制管法蘭用纏繞式墊片(PN系列) C型,D型 [化工]
HG /T 20610 (C/D) - 2009
鋼制管法蘭用纏繞式墊片(PN系列) C型,D型
Spiral Wound Gaskets for Use with Steel Pipe Flanges (PN Desingated) - Type C, D
72 鋼制管法蘭用具有覆蓋層的齒形組合墊 - 基本型 [化工]
HG /T 20611 (A) - 2009
鋼制管法蘭用具有覆蓋層的齒形組合墊 - 基本型
Covered Serrated Metal Gaskets for use with Steel Pipe Flanges - A
73 鋼制管法蘭用具有覆蓋層的齒形組合墊 - 帶整體對中環型 [化工]
HG /T 20611 (B) - 2009
鋼制管法蘭用具有覆蓋層的齒形組合墊 - 帶整體對中環型
Covered Serrated Metal Gaskets for use with Steel Pipe Flanges - B
74 鋼制管法蘭用具有覆蓋層的齒形組合墊 - 帶活動對中環型 [化工]
HG /T 20611 (C) - 2009
鋼制管法蘭用具有覆蓋層的齒形組合墊 - 帶活動對中環型
Covered Serrated Metal Gaskets for use with Steel Pipe Flanges - C
75 鋼制管法蘭用非金屬墊片 - 全平面法蘭用 FF 型墊片 Class 150 (PN20) [化工]
HG /T 20627 (FE) - 2009
鋼制管法蘭用非金屬墊片 - 全平面法蘭用 FF 型墊片 Class 150 (PN20)
Non-metallic Flat Gaskets for Use with Steel Pipe Flanges - Type FF
76 鋼制管法蘭用非金屬墊片 - 突面法蘭用 RF 和 RF-E 型墊片 [化工]
HG /T 20627 (RF/RF-E) - 2009
鋼制管法蘭用非金屬墊片 - 突面法蘭用 RF 和 RF-E 型墊片
Non-metallic Flat Gaskets for Use with Steel Pipe Flanges - Type RF、RF-E
77 鋼制管法蘭用非金屬墊片 - 榫面/槽面法蘭用 TG 型墊片 Class 300 (PN50) ~ Class 600 (PN110) [化工]
HG /T 20627 (TG) - 2009
鋼制管法蘭用非金屬墊片 - 榫面/槽面法蘭用 TG 型墊片 Class 300 (PN50) ~ Class 600 (PN110)
Non-metallic Flat Gaskets for Use with Steel Pipe Flanges - Type TG
78 鋼制管法蘭用纏繞式墊片 - 榫面/槽面和凹面/凸面法蘭用基本型(A型)或帶内環(B型)墊片 [化工]
HG /T 20631 (A/B) - 2009
鋼制管法蘭用纏繞式墊片 - 榫面/槽面和凹面/凸面法蘭用基本型(A型)或帶内環(B型)墊片
Spiral Wound Gaskets for Use with Steel Pipe Flanges - Type A, B
79 法蘭(A系列)用帶對中環(C型)或帶内環和對中環(D型)纏繞墊片 [化工]
HG /T 20631 - 2009
法蘭(A系列)用帶對中環(C型)或帶内環和對中環(D型)纏繞墊片

80 法蘭(B系列)用帶對中環(C型)或帶内環和對中環(D型)纏繞墊片 [化工]
HG /T 20631 - 2009
法蘭(B系列)用帶對中環(C型)或帶内環和對中環(D型)纏繞墊片

81 鋼制管法蘭用金屬環墊 PN6.3Mpa(63bar) [化工]
HG 20612 (PN6.3Mpa(63bar)) - 1997
鋼制管法蘭用金屬環墊 PN6.3Mpa(63bar)
Metallic Ring Joint Gaskets for Use with Steel Pipe Flanges, PN 6.3 Mpa (63bar)
82 鋼制管法蘭用金屬環墊 PN10.0Mpa(100bar) [化工]
HG 20612 (PN10.0Mpa(100bar)) - 1997
鋼制管法蘭用金屬環墊 PN10.0Mpa(100bar)
Metallic Ring Joint Gaskets for use with Steel Pipe Flanges, PN 10.0 Mpa (100bar)
83 鋼制管法蘭用金屬環墊 PN16.0Mpa(160bar) [化工]
HG 20612 (PN16.0Mpa(160bar)) - 1997
鋼制管法蘭用金屬環墊 PN16.0Mpa(160bar)
Metallic Ring Joint Gaskets for use with Steel Pipe Flanges, PN 16.0 Mpa (160bar)
84 鋼制管法蘭用金屬環墊 PN25.0Mpa(250bar) [化工]
HG 20612 (PN25.0Mpa(250bar)) - 1997
鋼制管法蘭用金屬環墊 PN25.0Mpa(250bar)
Metallic Ring Joint Gaskets for use with Steel Pipe Flanges,PN 25.0 Mpa (250bar)
85 非金屬軟墊片 [其它]
NB/T 47024 - 2012
非金屬軟墊片
Nonmetallic Gaskets
86 井口設備類型法蘭連接 — 密封圈 —  П型 [俄标]
GOST 28919 - 1991
井口設備類型法蘭連接 — 密封圈 — П型
Flange Connections of Wellhead Equipment - Gasket - П
87 井口設備類型法蘭連接 — 密封圈 —  БX型 [俄标]
GOST 28919 - 1991
井口設備類型法蘭連接 — 密封圈 — БX型
Flange Connections of Wellhead Equipment - Gasket - БX
88 EPDM 連體墊圈 [萬禧]
WS 9260
EPDM 連體墊圈
Sealing Washers with EPDM
供應商(1)
89 O型圈 [美标]
SAE AS 568 - 2020
O型圈
Aerospace Size Standard for O-rings
90 密封圈 [美标]
SAE AS 1895 (/23) - 1996 (R2007)
密封圈
High Conformance Seal, Type I & II Standard And Low Profile
91 一般用途和流體傳動管接頭.帶ASME B1.1螺紋和O形圈密封的油口和螺紋端頭.第1部分:锪孔溝槽中裝有O形密封圈的油口 [美标]
SAE J 1926-1 - 2016
一般用途和流體傳動管接頭.帶ASME B1.1螺紋和O形圈密封的油口和螺紋端頭.第1部分:锪孔溝槽中裝有O形密封圈的油口
Connections for General Use and Fluid Power Ports and Stud Ends with ASME B1.1 Threads and O-Ring Sealing Part 1: Threaded Port with O-Ring Seal in Truncated Housing
92 液壓傳動系統—— 一般工業用O型密封圈 [德标]
DIN ISO 3601-1 - 2013
液壓傳動系統—— 一般工業用O型密封圈
Fluid Power Systems — O-rings for General Industrial Applications
93 液壓傳動系統—— 航空用O型密封圈 [德标]
DIN ISO 3601-1 - 2013
液壓傳動系統—— 航空用O型密封圈
Fluid Power Systems — O-rings for Aerospace Applications
94 密封塞 [汽标]
QC /T 883 - 2011
密封塞
Sealing Plugs
95 密封墊圈 [汽标]
QC /T 638 - 2000
密封墊圈
Sealing Rings
96 塞片 [汽标]
QC /T 387 - 1999
塞片
Expansion Plug
97 碗形塞片 [汽标]
QC /T 388 - 1999
碗形塞片
Bowl Type Expansion Plug
98 常閉式通氣塞 - 閥片 [汽标]
QC /T 410 (-3) - 1999
常閉式通氣塞 - 閥片

99 C型常閉式通氣塞 - 密封圈 [汽标]
QC /T 410 (C3) - 1999
C型常閉式通氣塞 - 密封圈

100 芳綸橡膠與增強聚四氟乙烯墊片(04) [船舶]
CB /T 4328 (04) - 2013
芳綸橡膠與增強聚四氟乙烯墊片(04)

标準編号 / Standard Code: GB /T 10708.2 - 2000
中文名稱 / Chinese Name: 塑料支承環
英文名稱 / English Name:
數據來源 / Data Source: 易緊通 YJT Fastener Database(164580.com)
中文頁面 / Chinese Page: 查看中文頁面
English Page: View English Page
Data Source: YJT Fastener Database (164580.com)
Standard: GB /T 10708.2 - 2000
Chinese Name: 塑料支承環
English Name:
Chinese URL: Chinese Source Page
English URL: English Source Page
License: Commercial reuse, redistribution, or AI training usage requires authorization.
© 易緊通 服務熱線:4006-164580(免長途費)